ГОСТ Р ЕН 1110-2008 Материалы кровельные и гидроизоляционные гибкие битумосодержащие Метод определения теплостойкости

Автор: | 17.02.2015

     ГОСТ Р ЕН 1110-2008


Группа Ж19

     

     

НАЦИОНАЛЬНЫЙ СТАНДАРТ РОССИЙСКОЙ ФЕДЕРАЦИИ


МАТЕРИАЛЫ КРОВЕЛЬНЫЕ И ГИДРОИЗОЛЯЦИОННЫЕ ГИБКИЕ БИТУМОСОДЕРЖАЩИЕ

Метод определения теплостойкости

Roofing and hydraulic-insulating flexible bitumen-based materials. Method for determination of heat resistance



ОКС 91.100.99

Дата введения 2009-09-01

     

     

Предисловие

Цели  и принципы стандартизации в Российской Федерации установлены Федеральным законом от 27 декабря 2002 г. N 184-ФЗ "О техническом регулировании", а правила применения национальных стандартов Российской Федерации — ГОСТ Р 1.0-2004 "Стандартизация в Российской Федерации. Основные положения"

Сведения  о стандарте

1  ПОДГОТОВЛЕН Компанией "ТехноНИКОЛЬ" и научно-исследовательским институтом строительной физики Российской академии архитектуры и строительных наук (НИИСФ РААСН) на основе выполненного Открытым акционерным обществом "Центр методологии нормирования и стандартизации в строительстве" (ОАО "ЦНС") аутентичного перевода европейского стандарта, указанного в пункте 4

2  ВНЕСЕН Техническим комитетом по стандартизации ТК 465 "Строительство"

3  УТВЕРЖДЕН И ВВЕДЕН В ДЕЙСТВИЕ Приказом Федерального агентства по техническому регулированию и метрологии от 25 декабря 2008 г. N 761-ст

4  Настоящий стандарт является идентичным по отношению к европейскому стандарту ЕН 1110:1999 "Материалы гибкие гидроизоляционные — Материалы кровельные и гидроизоляционные битумосодержащие — Определение теплостойкости" (EN 1110:1999 "Flexible sheets for waterproofing — Bitumen sheets for roof waterproofing — Determination of flow resistance at elevated temperature").

Наименование  настоящего стандарта изменено по отношению к наименованию европейского стандарта для приведения в соответствие с ГОСТ Р 1.5-2004 (подраздел 3.5).

При  применении настоящего стандарта рекомендуется использовать вместо ссылочных международных стандартов соответствующие им национальные стандарты Российской Федерации, сведения о которых приведены в дополнительном приложении А

5  ВВЕДЕН ВПЕРВЫЕ

Информация  об изменениях к настоящему стандарту публикуется в ежегодно издаваемом информационном указателе "Национальные стандарты", а текст изменений и поправок — в ежемесячно издаваемых информационных указателях "Национальные стандарты". В случае пересмотра (замены) или отмены настоящего стандарта соответствующее уведомление будет опубликовано в ежемесячно издаваемом информационном указателе "Национальные стандарты". Соответствующая информация, уведомление и тексты размещаются также в информационной системе общего пользования — на официальном сайте Федерального агентства по техническому регулированию и метрологии в сети Интернет

Введение

Применение  настоящего стандарта, устанавливающего метод определения теплостойкости кровельных и гидроизоляционных гибких битумосодержащих материалов, позволяет получить адекватную оценку качества материалов, производимых в Российской Федерации и странах ЕС, обеспечить конкурентоспособность российской продукции на международном рынке, активизировать участие Российской Федерации в работе по международной стандартизации.

Настоящий  стандарт применяют, если заключенные контракты или другие согласованные условия предусматривают применение кровельных и гидроизоляционных гибких битумосодержащих материалов с характеристиками, гармонизированными с требованиями европейских стандартов, а также в случаях, когда это технически и экономически целесообразно.

     1 Область применения

Настоящий  стандарт распространяется на кровельные и гидроизоляционные гибкие битумосодержащие материалы (далее — материалы) и устанавливает метод определения их теплостойкости при заданной температуре или предельного значения теплостойкости.

Настоящий  стандарт предназначен для определения характеристик и/или классификации материалов, сравнительного анализа покровных слоев материалов одинаковой структуры, а также для оценки изменения предельного значения теплостойкости материалов в процессе их искусственного старения.

Настоящий  стандарт предназначен для определения характеристик материалов после их изготовления или поставки до их укладки.

Требования  настоящего стандарта распространяются только на материалы и не применимы для определения характеристик изготовленных из них гидроизоляционных систем после производства работ.

Результаты  испытаний на теплостойкость не следует использовать для сравнения материалов различной структуры вследствие воздействия дополнительных параметров (вида покровных слоев, толщины полотна материала, типа и расположения основы, вида и количества минеральной посыпки на лицевой стороне материала), которые при проведении испытаний не учитывают, а также для прогнозирования поведения материалов при повышенных температурах в реальных условиях эксплуатации.

Настоящий  стандарт не распространяется на безосновные материалы.

     2 Нормативные ссылки

В  настоящем стандарте использованы ссылки на следующие международные стандарты:

ИСО  5725-1:1994 Точность (правильность и прецизионность) методов и результатов измерений — Часть 1: Основные положения и определения

ИСО  5725-2:1994 Точность (правильность и прецизионность) методов и результатов измерений — Часть 2: Основной метод определения повторяемости и воспроизводимости стандартного метода измерений

     3 Термины и определения

В  настоящем стандарте применены следующие термины с соответствующими определениями:

3.1  теплостойкость (flow resistance): Способность покровных слоев образца материала, подвешенного в вертикальном положении при заданной температуре, смещаться относительно основы не более чем на 2 мм.

3.2  предельное значение теплостойкости (flow resistance limit) : Температура, при которой покровные слои вертикально подвешенного образца материала в заданных условиях испытания смещаются относительно основы на 2 мм (см. рисунок 2).

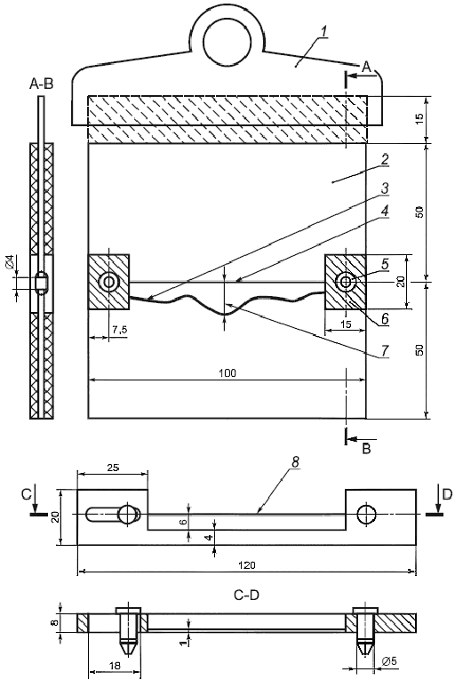
3.3  смещение покровных слоев (flow): Максимальное расстояние между нижними краями маркировочных линий 1 и 2, нанесенных на обе стороны испытуемого образца (см. рисунок 1).

1 — приспособление для подвешивания образца; 2 — образец; 3 — маркировочная линия 1; 4 — маркировочная линия 2; 5 — металлический пистон с внутренним диаметром 4 мм; 6 — участок с удаленным покровным слоем; 7 — максимальное расстояние между маркировочными линиями ; 8 — прямая кромка

Рисунок 1 — Образец, приспособление для его подвешивания и устройство для нанесения маркировочной линии

     

     4 Сущность метода

Образцы,  вырубленные из полосы материала, отобранной для испытания, выдерживают в вертикальном положении при заданной температуре в течение заданного времени. Измеряют смещение покровных слоев относительно основы на лицевой и нижней сторонах образца.

Образец  считают выдержавшим испытание на теплостойкость, если смещение не превышает 2 мм.

Предельное  значение теплостойкости определяют интерполяцией результатов испытаний при двух значениях температуры.

     5 Средства испытаний

5.1  Сушильный шкаф с циркуляцией воздуха (без подачи воздуха извне), обеспечивающий поддержание заданной температуры с погрешностью не более ±2 °С. При открывании дверцы сушильного шкафа на 30 с восстановительный период для достижения заданной температуры не должен превышать 5 мин.

5.2  Термодатчик, связанный с наружным электронным термометром, обеспечивающий измерение температуры с погрешностью не более ±1 °С в заданном интервале температур.

5.3  Приспособление для подвешивания образца (например зажим) шириной не менее 100 мм, обеспечивающее закрепление образца по всей ширине и его подвешивание в вертикальном положении в сушильном шкафу (см. рисунок 1).

5.4  Оптический измерительный инструмент (например измерительная лупа) с ценой деления не более 0,1 мм.

5.5  Устройство для пробивания круглых отверстий и вставки металлических пистонов с внутренним диаметром около 4 мм.

5.6  Устройство для нанесения маркировочной линии (например, такое, как показано на рисунке 1).

5.7  Прибор для черчения тушью линии шириной не более 0,5 мм; белая водостойкая тушь.

5.8  Силиконизированная бумага.

     6 Отбор образцов

Отбор  образцов проводят в соответствии с требованиями стандартов на материалы конкретных видов.

Образцы  размерами [(115х100)±1] мм для проведения испытаний в соответствии с 8.2 или 8.3 вырубают из полосы материала, отобранной для испытаний, равномерно по ширине полотна материала на расстоянии не менее 150 мм от края полотна, при этом больший размер образца должен быть расположен в продольном направлении полотна материала. Образцы нумеруют последовательно, начиная от одного края полотна материала; маркируют также лицевую и нижнюю стороны образца.

     7 Подготовка образцов

Удаляют  защитную пленку с образца путем прикрепления к нему полоски клеящей ленты при температуре окружающей среды, охлаждения образца до температуры определения его гибкости, приведенной в нормативном или техническом документе на материал конкретного вида, и последующего удаления защитной пленки с помощью прикрепленной полоски. Пленку можно удалить также струей сжатого воздуха, давление воздуха должно быть не более 5 бар (5·10 Па), диаметр сопла 0,5 мм.

Если  с помощью указанных приемов пленку удалить не удается, допускается использовать обжиг пленки пламенем газовой горелки в течение минимального времени, необходимого для удаления пленки, не повреждая при этом покровный слой образца.

С  одного края образца перпендикулярно к продольному направлению удаляют покровный слой до основы полоской шириной около 15 мм. Покровный слой удаляют как с лицевой, так и с нижней сторон образца; для материалов, содержащих более одной основы, покровный слой удаляют до ближайшей к поверхности образца основы.

Покровный  слой удаляют также с обеих сторон образца до основы на двух противоположных участках посередине образца, как показано на рисунке 1. Для удаления покровного слоя используют нагретый шпатель или аналогичный инструмент. Повреждение основы не допускается.

В  освобожденных от покровного слоя участках основы посередине участков пробивают два круглых отверстия и вставляют металлические пистоны внутренним диаметром 4 мм (см. рисунок 1). Удаляют отставшие гранулы посыпки легким постукиванием образца.

Устанавливают  устройство для нанесения маркировки поочередно на обе стороны образца с помощью штифтов, вставленных в пробитые отверстия, и наносят тушью с помощью прибора для черчения вдоль прямой кромки устройства маркировочные линии шириной не более 0,5 мм по всей ширине образца; при нанесении маркировки образцы помещают на плоскую поверхность, при этом прибор для черчения держат вертикально.

Перед  проведением испытания образцы выдерживают не менее 2 ч при температуре (23±2) °С на ровной плоской поверхности; образцы не должны касаться друг друга и прилипать к поверхности. Для предотвращения прилипания может быть использована силиконизированная бумага.

     8 Методика проведения испытаний

     

     8.1 Подготовка к испытаниям

Сушильный  шкаф нагревают до температуры, указанной в нормативном или техническом документе на материал конкретного вида. Температуру в шкафу устанавливают с помощью термодатчика, расположенного на уровне середины испытуемых образцов. Колебания температуры при проведении испытания не должны превышать ±2 °С.

     

     8.2 Определение теплостойкости при заданной температуре

К  освобожденной от покровных слоев основе трех образцов, подготовленных в соответствии с разделом 7, прикрепляют устройства для подвешивания образцов (например зажимы). Покровные слои не должны захватываться зажимами. Для облегчения снятия зажимов после проведения испытания допускается прокладывать силиконизированную бумагу с обеих сторон образцов в области их закрепления.

Подготовленные  образцы подвешивают вертикально в сушильном шкафу на одинаковой высоте на расстоянии не менее 30 мм друг от друга. Время от момента открытия дверцы шкафа до ее закрытия после помещения образцов не должно превышать 30 с для предотвращения резкого снижения температуры.

Образцы  выдерживают при заданной температуре в течение (120±2) мин, после чего их вынимают из шкафа вместе с зажимами, не допуская соприкосновения друг с другом, и выдерживают в подвешенном состоянии не менее 2 ч при температуре (23±2) °С. Затем зажимы удаляют и наносят вторую маркировочную линию с обеих сторон образца, как описано в разделе 7.

Измеряют  максимальное расстояние между нижними краями двух маркировочных линий с обеих сторон образца с помощью оптического измерительного инструмента с погрешностью не более ±0,1 мм (см. рисунок 1).

     

     8.3 Определение предельного значения теплостойкости

Предельное  значение теплостойкости, соответствующее смещению покровных слоев с обеих сторон образца относительно основы, равному 2 мм, определяют при предварительных испытаниях отдельных образцов при различных температурных режимах с интервалом 5 °С.

Предварительные  испытания проводят для каждой стороны полотна в соответствии с 8.2. Для каждого температурного режима используют новый образец.

Температурные  режимы должны быть кратными 5 °С (например 100 °С, 105 °С, 110 °С).

Предварительные  испытания проводят для определения температурного интервала для каждой стороны образца и °С, в пределах которого смещение покровного слоя 2 мм.

После  установления температурного интервала проводят испытания на теплостойкость серии из трех образцов в соответствии с 8.2.

Испытания  проводят при двух заданных температурах и °С для каждой стороны образца. Для проведения испытаний при каждой температуре используют новую серию из трех образцов.

Если  точное значение температуры испытания материала, при котором смещение покровного слоя 2 мм, установить не удается, за предельное значение теплостойкости принимают максимальное значение температуры , при котором смещение покровного слоя меньше 2 мм.

     9 Вычисление и обработка результатов испытаний, точность метода

     9.1 Вычисление среднеарифметического значения

Вычисляют  среднеарифметическое значение результатов измерения смещения покровного слоя трех образцов отдельно для каждой стороны образца.

Результат  округляют до 0,1 мм.

     9.2 Обработка результатов испытаний на теплостойкость

Материал  считают выдержавшим испытание на теплостойкость при заданной температуре, если среднеарифметическое значение смещения покровного слоя для каждой стороны полотна материала не превышает 2 мм.

     9.3 Обработка результатов определения предельного значения теплостойкости

Предельное  значение теплостойкости вычисляют графической или расчетной интерполяцией двух средних результатов испытаний отдельно для каждой стороны полотна материала (см. рисунок 2).

        

Результат  округляют до 1 °С.

          

— предельное значение теплостойкости (117 °С)

Рисунок 2 — Пример определения предельного значения теплостойкости интерполяцией

           

     9.4 Точность метода

Точность  метода определения теплостойкости в соответствии с 8.3 получена на основании межлабораторных измерений в соответствии с ИСО 5725-2 для материалов на полиэфирной основе. Приведенные ниже характеристики применимы также для испытаний в соответствии с 8.2.

9.4.1  Повторяемость

Установлены  следующие характеристики повторяемости:

—  диапазон трех отдельных значений для серии испытуемых образцов 1,6 мм;

—  среднеквадратическое отклонение повторяемости 0,7 °С;

—  доверительный интервал (95%) результата 1,3 °С;

—  предел повторяемости (разность между результатами двух измерений) 2 °С.

9.4.2  Воспроизводимость

Установлены  следующие характеристики воспроизводимости:

—  среднеквадратическое отклонение воспроизводимости    3,5 °С;

—  доверительный интервал (95%) результата 6,7 °С;

—  предел воспроизводимости (разность между результатами двух измерений) 10 °С.

Приведенные  выше термины соответствуют ИСО 5725-1 и ИСО 5725-2.

     10 Отчет об испытаниях

Отчет  об испытаниях должен содержать:

a)  данные, необходимые для идентификации испытуемого материала;

b)  ссылку на настоящий стандарт и отклонения от его требований;

c)  информацию об отборе образцов в соответствии с разделом 6;

d)  информацию о подготовке образцов в соответствии с разделом 7;

e)  результаты испытаний в соответствии с 9.2 или 9.3;

f)  дату проведения испытаний.

Приложение А

(справочное)

     

Сведения о соответствии национальных стандартов Российской Федерации ссылочным международным стандартам


Таблица А.1



Обозначение ссылочных международных стандартов


Обозначение и наименование соответствующих национальных стандартов


ИСО 5725-1:1994


ГОСТ Р ИСО 5725-1-2002 Точность (правильность и прецизионность) методов и результатов измерений. Часть 1. Общие положения и определения


ИСО 5725-2:1994


ГОСТ Р ИСО 5725-2-2002 Точность (правильность и прецизионность) методов и результатов измерений. Часть 2. Основной метод определения повторяемости и воспроизводимости стандартного метода измерений




Электронный текст документа

подготовлен ЗАО "Кодекс" и сверен по:

официальное издание

М.: Стандартинформ, 2009

Предоставлено компанией .