ГОСТ Р ИСО 3164-99 Машины землеройные Защитные устройства Характеристика объема ограничения деформации при лабораторных испытаниях

Автор: | 17.02.2015

ГОСТ Р ИСО 3164-99

Группа Г45

ГОСУДАРСТВЕННЫЙ СТАНДАРТ РОССИЙСКОЙ ФЕДЕРАЦИИ


Машины землеройные

ЗАЩИТНЫЕ УСТРОЙСТВА

Характеристика объема ограничения деформации

при лабораторных испытаниях

Earth-moving machinery. Laboratory evaluations of protective structures.

Specifications for deflection-limiting volume

ОКС 53.100

ОКП 48 1000

Дата введения 2000-07-01


Предисловие

1  РАЗРАБОТАН И ВНЕСЕН Техническим комитетом по стандартизации ТК 295 "Машины землеройные"

2  ПРИНЯТ И ВВЕДЕН В ДЕЙСТВИЕ Постановлением Госстандарта России от 30 ноября 1999 г. N 461-ст

3  Настоящий стандарт представляет собой аутентичный текст международного стандарта ИСО 3164-95 "Машины землеройные. Лабораторные испытания по оценке защитных устройств. Характеристика объема ограничения деформации"

4  ВВЕДЕН ВПЕРВЫЕ

     1 Область применения

Настоящий  стандарт устанавливает требования к объему ограничения деформации (DLV ), используемому при проведении лабораторных испытаний устройств защиты операторов землеройных машин.

Требования  настоящего стандарта являются обязательными.

     2 Нормативные ссылки

В  настоящем стандарте использованы ссылки на следующие стандарты.

ГОСТ  Р ИСО 3411-99 Машины землеройные. Антропометрические данные операторов и минимальное рабочее пространство вокруг оператора

ГОСТ  27715-88 (ИСО 5353-78) Машины землеройные, тракторы и машины для сельскохозяйственных работ и лесоводства. Контрольная точка сиденья

     3 Определения

В  настоящем стандарте применяют следующие термины с соответствующими определениями.

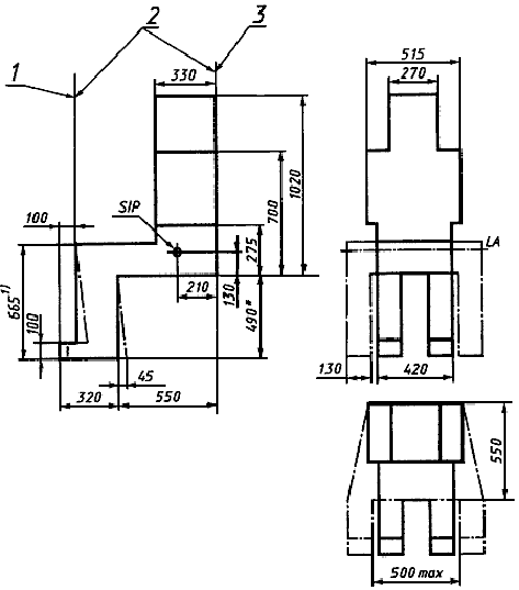
3.1  объем ограничения деформации (DLV ): Фигура с прямоугольными очертаниями, по размерам приблизительно соответствующая антропометрическим данным оператора по ГОСТ Р ИСО 3411 (мужчина высокого роста в положении сидя в обычной рабочей одежде и защитном шлеме) (рисунок 1) и определяющая предельно допустимую деформацию;     

__________

Размер может быть уменьшен на толщину настила пола.

1 — передняя плоскость DLV ; 2 — боковые плоскости DLV ; 3 — задняя плоскость DLV

Рисунок 1 — Объем ограничения деформации

3.2  установочная ось (LA ): Горизонтальная ось, определяющая расположение DLV относительно контрольной точки сидения (SIP) по ГОСТ 27715 (рисунок 1).

     4 Точность измерений

4.1  Все линейные размеры DLV , указанные на рисунке 1, должны быть с допуском, равным ±5 мм. Точность расположения DLV относительно контрольной точки сидения — ±13 мм по горизонтали и по вертикали.

     5 Расположение DLV

5.1  DLV должен быть размещен с учетом расположения SIP (рисунок 1).

5.2  Для машин, имеющих многофункциональные сиденья и, следовательно, множество SIP, должна использоваться SIP при управлении машиной в транспортном режиме.

5.3  DLV должен быть расположен таким образом, чтобы LA , показанная на рисунке 1, проходила через SIP.

DLV   должен быть размещен в центре места расположения сидения в поперечном направлении относительно основных осей сидения и согласно рисунку 2 ГОСТ 27715.

  

   

5.4  Положение основной оси LA объема ограничения деформации должно оставаться постоянным относительно SIP, несмотря на то, что эта ось может смещаться в процессе одного или всех нагружений при лабораторных испытаниях.

Примечание  — Расположение органов управления машиной и их составных частей внутри объема DLV не рассматривается как нарушение DLV .

Примечания

1  Детали машин или органы управления могут быть причиной увеличения расстояния между стопами. Минимальное безопасное пространство для стоп и голеней по ГОСТ Р ИСО 3411 должно быть предусмотрено с обеих сторон стопы и голени.

2  Допускается перемещать стопы на 45 мм назад.

Текст документа сверен по:

официальное издание

М.: ИПК Издательство стандартов, 2000

Предоставлено компанией .