ГОСТ Р 53843-2010
Группа Д24
НАЦИОНАЛЬНЫЙ СТАНДАРТ РОССИЙСКОЙ ФЕДЕРАЦИИ
Двигатели автотранспортных средств
КОЛЬЦА ПОРШНЕВЫЕ
Технические требования и методы испытаний
Engines of vehicles. Piston rings. Technical requirements and test methods
ОКС 43.060.10
ОКП 45 0000
Дата введения 2010-09-15
Предисловие
Цели и принципы стандартизации в Российской Федерации установлены Федеральным законом от 27 декабря 2002 г. N 184-ФЗ "О техническом регулировании", а правила применения национальных стандартов Российской Федерации — ГОСТ Р 1.0-2004 "Стандартизация в Российской Федерации. Основные положения"
Сведения о стандарте
1 РАЗРАБОТАН Федеральным государственным унитарным предприятием "Центральный ордена Трудового Красного Знамени научно-исследовательский автомобильный и автомоторный институт "НАМИ" (ФГУП "НАМИ")
2 ВНЕСЕН Техническим комитетом по стандартизации ТК 56 "Дорожный транспорт"
3 УТВЕРЖДЕН И ВВЕДЕН В ДЕЙСТВИЕ Приказом Федерального агентства по техническому регулированию и метрологии от 7 июля 2010 г. N 171-ст
4 ВВЕДЕН ВПЕРВЫЕ
Информация об изменениях к настоящему стандарту публикуется в ежегодно издаваемом информационном указателе "Национальные стандарты", а текст изменений и поправок — в ежемесячно издаваемых информационных указателях "Национальные стандарты". В случае пересмотра (замены) или отмены настоящего стандарта соответствующее уведомление будет опубликовано в ежемесячно издаваемом информационном указателе "Национальные стандарты". Соответствующая информация, уведомление и тексты размещаются также в информационной системе общего пользования — на официальном сайте Федерального агентства по техническому регулированию и метрологии в сети Интернет
1 Область применения
Настоящий стандарт распространяется на чугунные, стальные и составные поршневые кольца двигателей внутреннего сгорания автотранспортных средств (АТС) и мототранспортных средств (МТС) нормальных и ремонтных размеров.
2 Нормативные ссылки
В настоящем стандарте использованы нормативные ссылки на следующие стандарты:
ГОСТ Р 8.568-97 Государственная система обеспечения единства измерений. Аттестация испытательного оборудования. Основные положения
ГОСТ Р 50779.30-95 Статистические методы. Приемочный контроль качества. Общие требования
ГОСТ Р ИСО 2859-1-2007 Статистические методы. Процедуры выборочного контроля по альтернативному признаку. Часть 1. Планы выборочного контроля последовательных партий на основе приемлемого уровня качества
ГОСТ Р ИСО/ТО 8550-1-2007 Статистические методы. Руководство по выбору и применению систем статистического приемочного контроля дискретных единиц продукции в партиях. Часть 1. Общие требования
ГОСТ 8.050-73 Государственная система обеспечения единства измерений. Нормальные условия выполнения линейных и угловых измерений
ГОСТ 8.051-81 Государственная система обеспечения единства измерений. Погрешности, допускаемые при измерении линейных размеров до 500 мм
ГОСТ 621-87 Кольца поршневые двигателей внутреннего сгорания. Общие технические условия
ГОСТ 1050-88 Прокат сортовой, калиброванный, со специальной отделкой поверхности из углеродистой качественной конструкционной стали. Общие технические условия
ГОСТ 1435-99 Прутки, полосы и мотки из инструментальной нелегированной стали. Общие технические условия
ГОСТ 2283-79 Лента холоднокатаная из инструментальной и пружинной стали. Технические условия
ГОСТ 2789-73 Шероховатость поверхности. Параметры и характеристики
ГОСТ 14959-79 Прокат из рессорно-пружинной углеродистой и легированной стали. Технические условия
ГОСТ 21997-76 Лента стальная плющеная высокой прочности. Технические условия
Примечание — При пользовании настоящим стандартом целесообразно проверить действие ссылочных стандартов в информационной системе общего пользования — на официальном сайте Федерального агентства по техническому регулированию и метрологии в сети Интернет или по ежегодно издаваемому информационному указателю "Национальные стандарты", который опубликован по состоянию на 1 января текущего года, и по соответствующим ежемесячно издаваемым информационным указателям, опубликованным в текущем году. Если ссылочный стандарт заменен (изменен), то при пользовании настоящим стандартом следует руководствоваться заменяющим (измененным) стандартом. Если ссылочный стандарт отменен без замены, то положение, в котором дана ссылка на него, применяется в части, не затрагивающей эту ссылку.
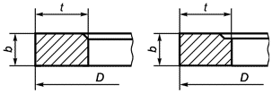
3 Чугунные и стальные поршневые кольца. Типы и основные размеры
3.1 По назначению поршневые кольца подразделяют на:
— компрессионные с симметричным (рисунки 1, 2, 7, 8, 9, 11, 12, 13) и несимметричным (рисунки 3, 4, 5, 6, 10) поперечным сечением;
— маслосъемные с симметричным (рисунки 1, 2, 7, 8, 9, 11, 12, 13) и несимметричным (рисунки 3, 4, 5, 6, 10) поперечным сечением (рисунки 3, 4, 5, 6, 10).
Рисунок 1
Рисунок 2
Рисунок 3
Рисунок 4
может изменяться от 0° до 15°
Рисунок 5
Рисунок 6
Рисунок 7
Рисунок 8
Рисунок 9
Рисунок 10
Рисунок 11
Рисунок 12
Рисунок 13
3.2 Компрессионные кольца подразделяют на кольца:
— прямоугольного сечения (рисунок 1);
— прямоугольного сечения с бочкообразной рабочей поверхностью (рисунок 2);
— прямоугольного сечения с внутренней выточкой или фаской (рисунок 3);
— конические (рисунок 4);
— с наружной выточкой (рисунок 5);
— трапециевидные односторонние (рисунок 6);
— трапециевидные двухсторонние (рисунок 7).
3.2.1 В одном кольце могут быть совмещены элементы конструкций различных типов поршневых колец.
3.2.2 Кольца с наружной выточкой могут быть использованы и в качестве маслосъемных.
В этом случае они могут иметь на торцевых поверхностях дренажные прорези.
3.3 Маслосъемные кольца изготовляют:
— без фасок (рисунок 8);
— с встречными фасками (рисунок 9);
— с односторонними фасками (рисунок 10);
— с расходящимися фасками (рисунок 11);
— с двухсторонними фасками (рисунок 12).
3.3.1 Маслосъемные кольца могут быть снабжены витыми или пластинчатыми расширителями (рисунок 13) для повышения радиального давления.
3.4 Основные размеры и параметры компрессионных и маслосъемных (с пружинным расширителем) поршневых колец устанавливают в соответствии с таблицей 1.
3.4.1 Минимальное значение упругости прямоугольных, конических компрессионных и маслосъемных колец (с пружинным расширителем) из серого низколегированного чугуна должно быть не ниже указанного в таблице 1.
Таблица 1
|
|
|
|
|
|
|
|
|
|
|
|
| Номи- нальный диаметр,
| Радиальная толщина
| Ряд, высота кольца
| Тепловой зазор, мм
| Минимальная упругость (в гибкой ленте) кольца,
| ||||||
|
| Номи- нальный размер
| Преде- льное откло- нение
| I
| II
| III
| Преде- льное откло- нение
|
| I
| II
| III
|
| Прямоугольные компрессионные поршневые кольца
| ||||||||||
| 38
| 1,5
| +0,10 -0,12
| 1,5
| 2,0
| —
| -0,012
| 0,20
| 4,1(0,42)
| 6,6(0,67)
| —
|
| 40
| 1,6
| | | | | | | 4,2(0,43)
| 6,7(0,68)
| —
|
| 42
| 1,8
| | | | | | | 4,5(0,46)
| 7,0(0,71)
| —
|
| 46
| 1,9
| | | | | | | 5,0(0,52)
| 7,45(0,76)
| —
|
| 48
| 2,0
| | | | | | | 5,3(0,54)
| 7,75(0,79)
| —
|
| 50
| 2,1
| | | | | | | 5,7(0,58)
| 8,15(0,83)
| —
|
| 52
| 2,2
| | | | | | | 6,1(0,62)
| 8,55(0,87)
| —
|
| 55
| 2,2
| | | | | | | 6,3(0,64)
| 8,75(0,89)
| —
|
| 56
| 2,3
| | | | | | | 6,5(0,66)
| 8,95(0,91)
| —
|
| 57
| 2,3
| | | | | | | 6,7(0,68)
| 9,15(0,93)
| —
|
| 58
| 2,5
| | | | | | | 6,9(0,70)
| 9,35(0,95)
| —
|
| 60
| 2,6
| | | | | | 0,25
| 7,2(0,73)
| 9,65(0,98)
| —
|
| 62
| 2,7
| | | | | | | 7,35(0,75)
| 9,8(1,00)
| —
|
| 64
| 2,8
| | | | | | | 7,6(0,77)
| 10,05(1,03)
| —
|
| 66
| 2,9
| | | | | | | 7,85(0,80)
| 10,30(1,05)
| —
|
| 68
| 3,0
| | | | | | | 8,0(0,81)
| 10,45(1,07)
| —
|
| 70
| 3,0
| | | | | | | 8,20(0,83)
| 10,65(1,08)
| —
|
| 72
| 3,2
| | | | | | | 8,35(0,85)
| 10,80(1,10)
| —
|
| 76
| 3,1; 3,3
| | | | | | | 8,85(0,90)
| 11,80(1,20)
| —
|
| 78
| 3,4
| | | | | | | 9,30(0,95)
| 12,25(1,25)
| —
|
| 79
| 3,2; 3,4
| +0,10 -0,15
| 1,5
| 2,0
| 2,5
|
| 0,30
| 9,30(0,95)
| 12,25(1,25)
| —
|
| 82
| 3,3; 3,5; 3,6
| | | | | | | 9,55(0,97)
| 12,75(1,30)
| 16,20(1,65)
|
| 85
| 3,7
| | | | | | | 9,95(1,00)
| 13,25(1,35)
| 16,70(1,70)
|
| 88
| 3,8
|
| 2,0
| 2,5
| 3,0
|
|
| 13,75(1,40)
| 17,20(1,75)
| 20,65(2,10)
|
| 92
| 3,8
| | | | | | | 14,20(1,45)
| 17,65(1,80)
| 21,60(2,20)
|
| 92
| 4,2
| | | | | | | 14,70(1,50)
| 18,13(1,85)
| 22,05(2,25)
|
| 100
| 4,2
| | | | | | | 14,90(1,52)
| 18,6(1,90)
| 22,50(2,29)
|
| 100
| 4,5
| | | | | | | 15,20(1,56)
| 19,15(1,95)
| 22,60(2,31)
|
| 100
| 5,0*
|
|
|
|
|
| 0,35
| 16,70(1,70)
| 21,10(2,15)
| 24,86(2,53)
|
| 105
| 4,45; 4,6
| | | | | | | 15,70(1,60)
| 19,60(2,00)
| 23,55(2,40)
|
| 108
| 4,6; 5,3*
| | | | | | | 15,70(1,60)
| 19,60(2,00)
| 23,55(2,40)
|
| 110
| 4,6
| | | | | | | 16,20(1,65)
| 20,10(2,05)
| 24,00(2,45)
|
| 120
| 5,0
|
| 2,5
| 3,5
| 4,0
|
| 0,40
| 20,50(2,10)
| 26,00(2,65)
| 29,90(3,05)
|
|
|
| | 3,0
| | | | | 22,0(2,30)
| | |
| 125
| 5,2
|
| 3,0
|
|
|
|
| 22,0(2,30)
| 26,00(2,65)
| 29,90(3,05)
|
| 130
| 5,4
|
|
|
|
|
|
| 23,05(2,35)
| 27,00(2,75)
| 30,90(3,15)
|
| 140
| 5,7
| | | | | | | | | |
| Компрессионные трапециевидные поршневые кольца**
| ||||||||||
| 82
| 3,5
| +0,10 -0,15
| 2,5
| 3,0
| —
| -0,010*** -0,030
| 0,30
| 11,84(1,21)
| 14,88(1,52)
| —
|
| 85
| 3,6
|
| | | |
|
| 12,40(1,27)
| 15,60(1,59)
| —
|
| 88
| 3,7
| | | | | | | 12,40(1,27)
| 15,68(1,60)
| —
|
| 92
| 3,9
| | | | | | | 13,84(1,35)
| 16,64(1,70)
| —
|
| 100
| 4,2
| | 3,0
| 3,5
| —
| | | 17,20(1,76)
| 20,80(2,12)
| —
|
| 105
| 4,45; 4,6
| | | | | | 0,35
| 17,36(1,77)
| 21,28(2,15)
| —
|
| 108
| 4,7
| | | | | | | 17,52(1,79)
| 21,36(2,18)
| —
|
| 110
| 4,8
| | 3,0
| 3,5
| 4,0
| | 0,40
| 17,92(1,83)
| 21,84(2,23)
| —
|
| 120
| 5,0
|
|
| | |
|
| 18,48(1,88)
| 18,64(1,90)
| 22,72(2,32)
|
| 125
| 5,2
| | | | | | | 20,84(2,12)
| 23,20(2,57)
| 27,36(2,79)
|
| 130
| 5,4
|
|
|
|
|
|
| 21,94(2,23)
| 23,04(2,35)
| 27,44(2,80)
|
| 140
| 5,7
| | | | | | | 22,73(2,32)
| 23,52(2,40)
| 27,92(2,85)
|
| Маслосъемные кольца с пружинным расширителем
| ||||||||||
| 72
| 2,6
| +0,10 -0,20
| 3,0
| 4,0
| —
| -0,010 -0,025
| 0,25
| 29,4(3,0)
| 35,8(3,65)
| —
|
| 76
| 2,7
|
|
|
|
|
|
|
|
|
|
| 78
| | | | | | | | | | |
| 79
| | | | | | | | | | |
| 82
| 2,8
| +0,10 -0,25
|
|
|
|
| 0,30
|
|
|
|
| 85
| 2,9
|
|
|
|
|
|
| 43(4,38)
| 50(5,10)
| —
|
| 88
| | | | | | | | | | |
| 92
| 3,0
| | 3,5
| 5,0
| —
| | | 44(4,48)
| | |
| 100
| 3,2
|
| | | |
|
| |
|
|
| 105
| 3,3
|
|
|
|
|
| 0,35
| 46(4,69)
| 52(5,30)
| —
|
| 110
| | | | | | | | | | |
| 120
| 3,7
| | 4,0
| | | | 0,40
| 50(5,10)
| | |
| 125
| |
| |
|
|
| | |
|
|
| 130
| 4,0
|
|
| 6,0
| 6,5
|
|
| 52(5,30)
| 60(6,12)
| 62(6,32)
|
| 140
|
|
|
|
|
|
|
| 56(5,71)
| 79(7,14)
| 76(7,75)
|
| * Применять не рекомендуется.
** Угол
*** Для трапециевидных колец предельное отклонение относится к размеру
| ||||||||||
3.4.2 Упругость колец, изготовленных из высокопрочного чугуна и стали, должна соответствовать требованиям конструкторской документации (КД), утвержденной в установленном порядке.
Допускается уменьшение упругости до 12% для колец с внутренней и наружной выточкой и до 10% для колец с покрытием хромом, молибденом и другим, нанесенным газопламенным или плазменным способами.
3.4.3 Величина теплового зазора для верхних компрессионных колец (с покрытием хромом или молибденом) может быть увеличена до 10%. При этом допуск на изготовление не должен превышать указанного в таблице 1.
3.4.4 Угол наклона
образующей рабочей поверхности, обращенной к стенке цилиндра, конических компрессионных колец в свободном состоянии к их оси должен быть от 20’ до 2° (рисунок 4).
3.5 Номинальная высота маслосъемных колец должна быть: 3,0; 3,5; 4,0; 4,5; 5,0; 5,5; 6,0; 6,5 мм.
3.6 Высота
рабочих поясков маслосъемных колец должна быть от 0,65 до 1,20 мм для колец без фасок (рисунок 8); от 0,20 до 0,80 мм — для колец с фасками (рисунки 9-13).
3.7 Номинальная высота прорезей
в маслосъемных кольцах должна быть не менее:
— 1,0 мм для колец высотой до 4,0 мм включительно;
— 1,2 мм для колец высотой более 4,0 до 5,0 мм включительно;
— 1,3 мм для колец высотой более 5,0 мм.
3.8 Ремонтные увеличения диаметров поршневых колец должны соответствовать указанным в таблице 2.
Таблица 2
|
|
|
| Группа двигателей
| Ремонтное увеличение, мм
|
| Двигатели автомобильные
| 0,50; (0,75)*; 1,00; 1,50
|
| Двигатели мотоциклов, мотороллеров и мопедов
| 0,25; 0,50; 1,00
|
| * Применять не рекомендуется.
Примечание — Ремонтное увеличение 1,50 мм — для двигателей грузовых автомобилей с монометаллической гильзой.
| |
3.9 Основные типы составных стальных витых поршневых колец:
— компрессионные;
— маслосъемные.
3.10 Составные компрессионные кольца применяют только для ремонтов двигателей в эксплуатации при износе цилиндра (гильзы) более 0,15% от его (ее) диаметра.
Составное компрессионное кольцо, состоящее из трех или четырех кольцевых элементов тарельчатой формы, устанавливают взамен второго и третьего (если оно имеется) чугунных компрессионных колец: по два элемента в каждую канавку конусностью вверх (рисунок 14) и по одному или двум элементам конусностью вниз.
Рисунок 14
3.11 Маслосъемные кольца могут быть: трехэлементные и четырехэлементные.
3.12 Маслосъемное трехэлементное кольцо состоит из двух плоских кольцевых элементов и двухфункционального расширителя (рисунок 15).
а — кольцевые элементы; б — двухфункциональный расширитель
Рисунок 15
3.13 Маслосъемное четырехэлементное кольцо состоит из двух плоских кольцевых элементов осевого и радиального расширителей* (рисунок 16).
_______________
* Текст документа соответствует оригиналу. — Примечание изготовителя базы данных.
а — плоские кольцевые элементы; б — осевой расширитель; в — радиальный расширитель
Рисунок 16
4 Технические требования
4.1 Поршневые кольца изготавливают в соответствии с требованиями настоящего стандарта и КД, утвержденной в установленном порядке.
4.2 Поршневые кольца изготавливают из серого низколегированного или высокопрочного чугунов или стали.
4.3 Предел прочности при изгибе должен быть не менее:
— 34,3·10
Н/м
(35 кгс/мм
) — для серого низколегированного чугуна;
— 108·10
Н/м
(110 кгс/мм
) — для высокопрочного чугуна и стали.
Значение условного модуля упругости материала колец — по КД.
4.4 Твердость готовых колец должна быть:
— от 96 до 112 HRB (от 217 до 375 НВ) — из серого низколегированного чугуна;
— от 100 до 112 HRB (от 241 до 375 НВ) — из высокопрочного чугуна;
— от 40 до 50 HRC (от 70,5 до 76,0 HRA) — из стали.
Разность показаний твердости в одном кольце не должна превышать 4 HRB.
4.5 Микроструктура колец из серого низколегированного чугуна должна удовлетворять требованиям в соответствии с А.1 приложения А:
— графит — равномерно распределенный крабовидный и тонкопластинчатый завихренной и прямолинейной формы (шкала 1.1, Г1…Г4). Допускается наличие участков точечного графита розеточного и междендритного расположения (Г5, Г6), не превышающих 30% площади в любом поле зрения на шлифе;
— металлическая основа — сорбитообразный и тонкопластинчатый перлит и фосфидная эвтектика от отдельных равномерно распределенных включений до разорванной сетки (шкалы 1.3, ФЭ1…ФЭ4);
— сплошная сетка фосфидной эвтектики, а также цементит или ледебурит не допускаются. Феррит допускается в виде отдельных зерен не более 5% в любом поле зрения на шлифе (шкала 1.2, П1…П4).
Микроструктура колец из высокопрочного чугуна в литом состоянии и после низкотемпературного отжига для снятия внутренних напряжений должна удовлетворять требованиям в соответствии с А.2 приложения А:
— графит — шаровидный равномерно распределенный (шкала 2.1, ГШ1…ГШ3). Допускается наличие отдельных включений пластинчатого графита незавихренной формы не более 10% общей площади, занятой графитом в поле зрения на шлифе (ГШ4, ГШ5);
— металлическая основа — сорбитообразный и тонкопластинчатый перлит. Феррит допускается в виде оторочек вокруг включений графита не более 15% в любом поле зрения на шлифе (шкала 2.2, Ф1…Ф5);
— цементит или ледебурит допускаются в виде отдельных мелких включений не более 15% (шкала 2.3, Ц1…Ц4).
Микроструктуру и твердость поршневых колец из высокопрочного чугуна, подвергаемого специальной термической обработке для получения необходимых свойств при изготовлении колец из маслот с последующим нанесением износостойкого покрытия, устанавливают КД на конкретный типоразмер поршневых колец.
Микроструктура поршневых колец из стали должна соответствовать КД.
4.6 Кольцевые элементы компрессионных и маслосъемных составных поршневых колец изготавливают из ленты 2П-ВТ-ВШ-К по ГОСТ 21997, из стали марки У8А по ГОСТ 1435.
4.7 Расширители составных маслосъемных колец изготавливают:
— двухфункциональные — из ленты Т-С по ГОСТ 2283 из стали марки У8А по ГОСТ 1435;
— радиальные — из ленты ЗП-ВТ-ВШ-К по ГОСТ 21997 из стали марки У10А по ГОСТ 1435 или 70С2ХА по ГОСТ 14959;
— осевые — из ленты 1П-ПТ-К по ГОСТ 21997 из стали марки 65Г по ГОСТ 1050.
Примечание — Допускается для изготовления кольцевых элементов компрессионных, маслосъемных колец и расширителей применение лент других типов, физико-химические свойства и точность изготовления которых не ниже свойств лент, установленных настоящим стандартом.
4.8 Толщина ленты для изготовления кольцевых элементов маслосъемных и компрессионных колец, двухфункциональных, радиальных и осевых расширителей должна соответствовать таблице 3.
Таблица 3
В миллиметрах
|
|
|
|
| Наименование элемента кольца и расширителей
| Толщина ленты
| |
|
| при номинальном диаметре цилиндра до 100 мм, включ.
| при номинальном диаметре цилиндра свыше 100 мм
|
| Кольцевой элемент компрессионного кольца
| 0,60
| 0,60
|
|
| 0,70
| 0,70
|
|
| | 0,80
|
| Кольцевой элемент маслосъемного кольца
| 0,45
| 0,60
|
|
| 0,50
| 0,70
|
|
| 0,60
| 0,80
|
|
| 0,70
| |
| Двухфункциональные расширители
| 0,35
| 0,40
|
|
| 0,40
| 0,45
|
|
| 0,45
| 0,50
|
|
| 0,50
| 0,60
|
|
| 0,60
| 0,70
|
|
| 0,70
| |
| Радиальные расширители
| 0,45
| 0,50
|
| Осевые расширители
| 0,70
| 0,70
|
4.9 Трещины, рыхлоты, черновины, следы засоренности инородными включениями, заусенцы, забоины и другие дефекты на кольцах не допускаются.
Раковины и вмятины не допускаются на участке в 30° от замка, а также друг против друга на торцах и на участках торцов против дренажных окон.
Не допускаются сколы или фаски на острых углах замка размером более 0,5 мм по внутренней поверхности и 0,3 мм — по наружной.
У компрессионных колец двигателей с принудительным зажиганием (далее — бензиновых двигателей) не допускаются мелкие раковины или вмятины на торцевых поверхностях кольца размером более 0,5 мм, раковины глубиной более 0,2 мм, вмятины более 0,1 мм в количестве более трех штук, расположенных менее чем на 10 мм друг от друга и менее чем на 0,5 мм от краев кольца.
У компрессионных колец двигателей с воспламенением от сжатия (далее — дизельные двигатели), изготовленных из высокопрочного чугуна, не допускаются мелкие раковины и вмятины на торцевых поверхностях размером более 0,5 мм и глубиной более 0,2 мм в количестве более двух штук, расположенных менее чем на 10 мм друг от друга и менее чем на 0,5 мм от краев кольца.
У маслосъемных колец бензиновых и дизельных двигателей не допускается наличие мелких раковин на торцевых поверхностях размером более 0,5 мм и глубиной более 0,2 мм в количестве более двух штук, расположенных менее чем на 10 мм друг от друга и менее чем на 0,5 мм от краев кольца.
Не допускаются риски от резца глубиной более 0,1 мм на внутренней поверхности кольца, обращенной к дну канавки поршня.
4.10 Рабочая поверхность верхнего компрессионного кольца, обращенная к стенке цилиндра, новых и капитально отремонтированных двигателей должна иметь износостойкое покрытие. Толщину, вид покрытия и размеры после покрытия указывают в КД.
Вид покрытия рабочей поверхности, обращенной к стенке цилиндра, вторых и других компрессионных и маслосъемных колец определяют в КД.
По требованию потребителя кольца, предназначенные для использования в качестве запасных частей при промежуточных (эксплуатационных) ремонтах без расточки цилиндров (гильз), допускается изготавливать без износостойкого покрытия.
4.10.1 Сколы, отслоение, пригар, выкрашивание износостойкого покрытия не допускаются.
4.11 Параметр шероховатости торцевых поверхностей кольца должен быть не более
0,63 мкм по ГОСТ 2789.
Не допускается наличие отдельных участков (более 20% общей поверхности) с параметром шероховатости более
0,80 мкм.
Параметр шероховатости верхней конической поверхности односторонних трапециевидных компрессионных колец должен быть не более
0,80 мкм по ГОСТ 2789. Не допускается на верхней конической торцевой поверхности односторонних трапециевидных компрессионных колец наличие отдельных участков (более 20% общей поверхности) с параметром шероховатости более
1,25 мкм.
Параметр шероховатости рабочей поверхности, обращенной к стенке цилиндра, для колец без износостойкого покрытия должен быть не более
20 мкм по ГОСТ 2789.
4.12 Кольца с износостойким покрытием должны иметь 100%-ное прилегание окружности к поверхности контрольного калибра, а без износостойкого покрытия — не менее 90% окружности кольца при обязательном прилегании на участке 15° с каждой стороны от замка.
Контакт может быть непрерывным или точечным (в виде пунктира).
4.13 Коробление торцевых поверхностей кольца в окружном направлении не должно превышать:
— 0,02 мм для колец прямоугольного поперечного сечения (в том числе с бочкообразной рабочей поверхностью) диаметром до 100 мм включительно и 0,03 мм — диаметром свыше 100 мм;
— 0,06 мм для колец с несимметричным профилем и маслосъемных диаметром до 100 мм включительно и 0,08 мм — диаметром свыше 100 мм.
4.14 Для колец четырехтактных двигателей при обжатии гибкой лентой разность диаметров, проходящих через замок кольца и перпендикулярно ему, устанавливают в КД на конкретные типоразмеры колец.
4.15 Распределение радиальных давлений по периметру готового кольца оценивают параметрами, указанными в КД.
4.16 Неравномерность радиальной толщины одного кольца должна быть не более:
— 0,12 мм у кольца с наружным диаметром до 100 мм включительно;
— 0,14 мм у колец с наружным диаметром более 100 мм.
4.17 После окончательной обработки кольца подвергают размагничиванию. Допустимая величина остаточного магнетизма должна соответствовать требованиям КД.
4.18 На поверхности поршневых колец не допускаются следы коррозии. Допускаются пятна и изменение цвета от моющих растворов.
4.19 Радиальная ширина кольцевых элементов компрессионных колец должна составлять от 4% до 5% от их номинального наружного диаметра.
4.20 Торцевая поверхность кольцевых элементов тарельчатой формы в свободном состоянии должна составлять с горизонтальной плоскостью угол от 4° до 5°30’.
Примечание — В одном месте (на дуге до 90°) допустимо снижение величины угла до 3°.
4.21 Ширина маслоотводных дренажных прорезей двухфункциональных расширителей должна быть не менее 1,2 мм.
4.22 Величина зазора между двухфункциональным расширителем и поверхностью цилиндра у трехэлементного составного маслосъемного кольца должна быть не менее 0,6 мм.
4.23 Величина зазора между двухфункциональным расширителем и дном канавки поршня должна быть не менее 0,3 мм.
4.24 Радиальный зазор должен быть не более 0,02 мм на суммарной дуге не более 120° при проверке в калибре номинального диаметра хромированных и нехромированных кольцевых элементов маслосъемных колец в сборе, с радиальным или двухфункциональным расширителем.
4.25 Радиальный зазор должен быть не более 0,02 мм на суммарной дуге не более 120° при проверке в калибре пакета компрессионных кольцевых элементов.
4.26 Радиальный зазор по концам кольцевых элементов маслосъемных и компрессионных колец должен быть не более 0,01 мм на дуге 15° с каждой стороны от замка.
4.27 Суммарный зазор по высоте маслосъемных колец в свободном состоянии установленных в приспособлении, имитирующим канавку поршня, должен быть в пределах от 0,08 до 0,25 мм.
4.28 Зазор в замке кольцевых элементов маслосъемных и компрессионных колец при замере в калибре номинального диаметра должен быть:
— для маслосъемных колец — от 0,3 до 1,0 мм;
— для компрессионных колец — от 0,6 до 1,5 мм.
4.29 Высота маслоотводных щелей в радиальных расширителях должна быть не менее:
— 1,0 мм — у расширителей высотой до 4,0 мм включительно;
— 1,2 мм — у расширителей высотой свыше 4,0 мм.
4.30 Минимальный контакт на концах кольцевых элементов (кроме замка) компрессионных и маслосъемных колец должен быть на дуге кольца не менее 2°.
4.31 Твердость кольцевых элементов маслосъемных и компрессионных колец, и расширителей должна соответствовать КД.
4.32 Надрывы, забоины и заусенцы на поверхности кольцевых элементов маслосъемных и компрессионных колец не допускаются.
4.33 Заусенцы после штамповки дренажных щелей допускаются: у двухфункциональных расширителей — направленные во внутреннюю сторону; у радиальных расширителей — направленные в наружную сторону. Величина заусенцев — по КД.
4.34 Наружные цилиндрические поверхности кольцевых элементов составных маслосъемных колец, предназначенных для комплектации вновь изготавливаемых двигателей и для капитальных ремонтов должны быть хромированы. Вид и размеры хромового покрытия, а также виды других покрытий должны соответствовать требованиям КД.
4.35 Сколы хрома, раковины и дендриты на наружной цилиндрической поверхности кольцевых элементов маслосъемных колец не допускаются.
4.36 Выполнение углов хромированных и нехромированных кольцевых элементов составных маслосъемных колец в замке должно соответствовать требованию КД.
4.37 Упругость маслосъемных колец в сборе должна быть от 2,5 до 8,0 кг; упругость тарельчатых компрессионных кольцевых элементов должна быть от 0,3 до 0,6 кг. Отклонение величины упругости от ее номинального значения не должно превышать ±20%.
4.38 Составные витые стальные кольца должны быть размагничены. Допустимую величину остаточного магнетизма указывают в КД.
4.39 Ресурс стальных маслосъемных колец, поставляемых на комплектацию и капитальный ремонт, должен быть не менее ресурса двигателя.
Ресурс стальных компрессионных и маслосъемных колец, поставляемых для эксплуатационных ремонтов должен быть не менее 50 тыс. км.
4.40 Ресурс поршневых колец автомобильных двигателей должен быть не менее ресурса двигателя.
Для двигателей МТС ресурс поршневых колец устанавливают в КД.
5 Правила приемки
5.1 Изготовленные поршневые кольца (далее в разделе — изделия) до их отгрузки, передачи или продажи потребителю подлежат приемке с целью удостоверения их годности для использования в соответствии с требованиями, установленными в настоящем стандарте и в КД, договорах, контрактах (далее в разделе — нормативная и техническая документация).
5.2 Для контроля качества и приемки изготовленные изделия подвергают:
— приемке (контролю) службой технического контроля (СТК);
— периодическим испытаниям;
— типовым испытаниям (при внесении предлагаемых изменений в конструкцию выпускаемых изделий и (или) технологию их изготовления).
5.3 Приемка СТК и периодические испытания в совокупности должны обеспечивать достоверную проверку всех свойств выпускаемых изделий, подлежащих контролю на соответствие требованиям нормативной и технической документации.
5.4 Применяемые при испытаниях и контроле средства измерений и контроля должны быть поверены, а испытательное оборудование аттестовано в установленном порядке в соответствии с ГОСТ Р 8.568.
5.5 Результаты испытаний и контроля единиц изделия считают положительными, а единицы изделия — выдержавшими испытания, если они испытаны в объеме и последовательности, которые установлены для данной категории испытаний (контроля), а результаты подтверждают соответствие испытуемых единиц изделия заданным требованиям.
5.6 Результаты испытаний единиц изделия считают отрицательными, а единицы изделия — не выдержавшими испытания, если по результатам испытаний будет установлено несоответствие единицы изделия хотя бы одному требованию, установленному в нормативной и технической документации для проводимой категории испытаний.
5.7 Приемка изделий службой технического контроля
5.7.1 Изготовленные изделия должны быть приняты СТК предприятия-изготовителя согласно технологическому процессу и должны иметь ее приемочное клеймо.
Контроль поршневых колец проводят на соответствие требованиям 4.1 (линейные и угловые размеры), 4.4; 4.9; 4.10; 4.11; 4.12; 4.13; 4.16; 4.18; 4.32; 4.33; 4.35; 4.36. Места и тип клеймения СТК должны быть установлены в технической документации предприятия-разработчика.
5.7.2 Основанием для принятия решения о приемке единиц (партий) изделий СТК являются положительные результаты предшествующих периодических испытаний, проведенных в установленные сроки.
5.7.3 Правила отбора образцов:
а) предъявление изделий на приемку СТК осуществляют поштучно либо партиями, что отражают в предъявительском документе, оформляемом в порядке, принятом у изготовителя. Партией считают изделия одного варианта конструкции (модели, модификации, вариантного исполнения, комплектации), изготовленные за одну смену;
б) образцы изделий, предъявляемые на приемку СТК, должны быть укомплектованы в соответствии с требованиями нормативной и технической документации;
в) в процессе контроля СТК не допускается подстраивать (регулировать) образцы изделий и заменять входящие в них сменные элементы, если это не предусмотрено специальными требованиями нормативной и технической документации.
5.7.4 Приемку СТК проводят методом сплошного или выборочного контроля.
При выборочном контроле рекомендуется применять процедуры выборочного контроля по ГОСТ Р ИСО 2859-1. При этом значения объема выборки и приемлемого уровня качества (AQL) должны назначаться из установленных в ГОСТ Р ИСО 2859-1 для одноступенчатого плана при нормальном контроле с приемочным числом
0 и браковочным числом
1.
Принятый метод контроля (сплошной или выборочный), объем выборки и приемлемый уровень качества (AQL) должны быть установлены в технических условиях на изделие.
5.7.5 Приемку изделий СТК приостанавливают в следующих случаях:
— изделия не выдержали периодических испытаний;
— обнаружены нарушения выполнения технологического процесса (в том числе обнаружены несоответствия установленным требованиям средств испытаний и контроля), приводящие к неисправимым дефектам изделий.
Примечания
1 Приемку изделий могут приостанавливать также в других случаях по усмотрению предприятия-изготовителя, что рекомендуется отражать в документации, действующей у предприятия-изготовителя, в соответствии с действующей на предприятии системой менеджмента качества.
2 В случае приостановки приемки изделий изготовление и проводимую техническую проверку (или приемку) деталей и сборочных единиц, не подлежащих самостоятельной поставке, разрешается продолжать (кроме тех, дефекты которых являются причиной приостановки приемки).
5.7.6 Решение о возобновлении приемки изделий СТК принимает руководство предприятия-изготовителя после устранения причин приостановки приемки и оформления соответствующего документа.
Если приемка изделий была приостановлена вследствие отрицательных результатов периодических испытаний, то решение о возобновлении приемки принимают после выявления причин возникновения дефектов, их устранения и получения положительных результатов повторно проводимых периодических испытаний.
5.7.7 Изделия, принятые СТК, подлежат отгрузке или передаче на ответственное хранение. Изготовитель должен обеспечить сохранение качества изделий после приемки СТК вплоть до доставки к месту назначения, если это определено условиями договора (контракта).
5.8 Правила проведения периодических испытаний
5.8.1 Периодические испытания проводят для периодического подтверждения качества изделий и стабильности технологического процесса в установленный период с целью подтверждения возможности продолжения изготовления изделий по действующей конструкторской и технологической документации и продолжения ее приемки СТК.
Периодические испытания проводят в объеме требований приемки СТК, а также по требованиям 4.3; 4.5; 4.14; 4.15; 4.24; 4.25; 4.26; 4.28; 4.30; 4.31; 4.34; 4.37.
Последовательность проведения испытаний должна быть установлена в технической документации предприятия-разработчика.
5.8.2 Периодические испытания проводит изготовитель с привлечением, при необходимости, других заинтересованных сторон, в том числе представителей потребителя.
5.8.3 Периодические испытания проводят не реже одного раза в квартал.
Календарные сроки проведения периодических испытаний устанавливают в графиках, которые составляет предприятие-изготовитель.
В графике указывают: место и сроки проведения испытаний, сроки оформления документации по результатам испытаний.
Графики оформляют в соответствии с порядком, принятым на предприятии-изготовителе.
5.8.4 Правила отбора образцов:
а) образцы изделий для проведения очередных периодических испытаний отбирают, как правило, из числа единиц изделий, изготовленных за одну смену производственного цикла, предшествующую очередным испытаниям, и прошедших приемку СТК;
б) образцы изделий, предъявляемые на периодические испытания, должны быть укомплектованы в соответствии с требованиями нормативной и технической документации;
в) в процессе периодических испытаний не допускается подстраивать (регулировать) образцы изделий и заменять входящие в них сменные элементы, если это не предусмотрено специальными требованиями нормативной и технической документации;
г) отбор изделий оформляют документально в порядке, установленном предприятием-изготовителем.
5.8.5 Периодические испытания проводят методом выборочного контроля. Система, схема и план приемочного контроля, включая объем выборки, устанавливаются предприятием-изготовителем в технических условиях на изделие.
Рекомендуемые системы, схемы и планы статистического приемочного выборочного контроля — по ГОСТ Р ИСО/ТО 8550-1. Общие требования к организации и нормативно-методическому обеспечению статистического приемочного контроля — по ГОСТ Р 50779.30.
5.8.6 При получении положительных результатов периодических испытаний качество изделий контролируемого периода считается подтвержденным по показателям, проверяемым в составе периодических испытаний. Также считается подтвержденной возможность дальнейшего изготовления и приемки изделий (по той же документации, по которой изготовлены изделия, подвергнутые данным периодическим испытаниям) до получения результатов очередных (последующих) периодических испытаний, проведенных с соблюдением установленных норм периодичности.
Примечание — При условии применения единого технологического процесса для изготовления вариантов конструкций (комплектаций и вариантных исполнений) базовой модели (или модификации базовой модели) изделия допускается положительные результаты периодических испытаний образцов базовой модели (или модификации базовой модели) распространять на совокупность вариантов конструкций (комплектации и вариантные исполнения).
5.8.7 Если образцы изделий не выдержали периодических испытаний, то приемку изделий СТК и их отгрузку потребителю приостанавливают до выявления причин возникновения дефектов, их устранения и получения положительных результатов повторных периодических испытаний.
Предприятие-изготовитель должно проанализировать результаты периодических испытаний для выявления причин появления и характера дефектов, составить перечень дефектов и мероприятий по устранению дефектов и (или) причин их появления, который оформляют в порядке, принятом на предприятии-изготовителе.
5.8.8 Если данные проведенного анализа показывают, что обнаруженные дефекты существенно снижают технические характеристики изделий, а также могут привести к причинению вреда для жизни, здоровья и имущества граждан и окружающей среды, то все принятые (но неотгруженные) изделия, в которых могут быть подобные дефекты, возвращают на доработку (замену), а по всем принятым и отгруженным изделиям, в которых могут быть подобные дефекты, принимают решение, не противоречащее интересам потребителей.
5.8.9 Повторные периодические испытания проводят в полном объеме периодических испытаний на доработанных (или вновь изготовленных) образцах изделий после устранения дефектов.
К моменту проведения повторных периодических испытаний должны быть представлены материалы, подтверждающие устранение дефектов, выявленных при периодических испытаниях, и принятие мер по их предупреждению.
В технически обоснованных случаях в зависимости от характера дефектов повторные периодические испытания допускается проводить по сокращенной программе, включая только те виды испытаний, при проведении которых обнаружено несоответствие изделий установленным требованиям, а также виды, по которым испытания не проводились.
5.8.10 При положительных результатах повторных периодических испытаний приемку изделий СТК и их отгрузку потребителю возобновляют.
5.8.11 При получении отрицательных результатов повторных периодических испытаний предприятие-изготовитель принимает решение о прекращении приемки изделий, изготовленных по той же документации, по которой изготовлялись единицы изделий, не подтвердившие качество изделий за установленный период, и о принимаемых мерах по отгруженным (реализованным) изделиям.
В случае невозможности устранения изготовителем причин выпуска изделий с дефектами, которые могут принести вред здоровью и имуществу граждан и окружающей среде, такие конструкции изделий снимаются с производства.
5.8.12 Решение об использовании образцов изделий, подвергавшихся периодическим испытаниям, принимают руководство предприятия-изготовителя и потребитель на взаимоприемлемых условиях, руководствуясь условиями договоров на поставку изделий и рекомендациями соответствующих правовых актов.
5.9 Правила проведения типовых испытаний
5.9.1 Типовые испытания изделий проводят с целью оценки эффективности и целесообразности предлагаемых изменений в конструкции или технологии изготовления, которые могут повлиять на технические характеристики изделий, связанные с безопасностью для жизни, здоровья или имущества граждан или на соблюдение условий охраны окружающей среды, либо могут повлиять на эксплуатацию изделий, в том числе на важнейшие потребительские свойства изделий.
5.9.2 Необходимость внесения изменений в конструкцию изделий или технологию их изготовления и проведения типовых испытаний определяет держатель подлинников КД на изделия (далее — разработчик изделия) с учетом действия и защиты авторского права.
5.9.3 Типовые испытания проводит предприятие-изготовитель или по договору с ним и при его участии испытательная (сторонняя) организация с участием, при необходимости, представителей разработчика изделия, потребителя, природоохранных органов и других заинтересованных сторон.
5.9.4 Типовые испытания проводят по разработанным разработчиком изделия программе и методикам, которые в основном должны содержать:
— необходимые проверки из состава периодических испытаний;
— требования по количеству образцов, необходимых для проведения типовых испытаний;
— указание об использовании образцов, подвергнутых типовым испытаниям.
В программу типовых испытаний, при необходимости, могут быть включены также специальные испытания (например, сравнительные испытания образцов изделий, изготовленных без учета и с учетом предлагаемых изменений, а также испытания из состава проводившихся испытаний опытных образцов изделий или испытаний, проводившихся при постановке изделий на производство).
Объем испытаний и контроля, включаемых в программу, должен быть достаточным для оценки влияния вносимых изменений на характеристики изделий, в том числе на ее безопасность, на взаимозаменяемость и совместимость, на ремонтопригодность, на производственную и эксплуатационную технологичность, а также на утилизируемость изделий.
5.9.5 Программу и методики (при отсутствии стандартизованных) типовых испытаний разрабатывает разработчик изделий, который в установленном порядке утверждает конструкторскую или технологическую документацию на изделия.
5.9.6 Типовые испытания проводят на образцах изделий, изготовленных с внесением в конструкцию или технологию изготовления предлагаемых изменений.
5.9.7 Результаты типовых испытаний считают положительными, если полученные фактические данные по всем видам проверок, включенных в программу типовых испытаний, свидетельствуют о достижении требуемых значений показателей изделий (технологического процесса), оговоренных в программе и методике, и достаточны для оценки эффективности (целесообразности) внесения изменений.
5.9.8 Если эффективность и целесообразность предлагаемых изменений конструкции (технологии изготовления) подтверждены положительными результатами типовых испытаний, то эти изменения вносят в документацию на изделия в соответствии с установленным порядком.
5.9.9 Если эффективность и целесообразность предлагаемых изменений не подтверждены положительными результатами типовых испытаний, то эти изменения в соответствующую утвержденную и действующую документацию на продукцию не вносят и принимают решение по использованию образцов изделий, изготовленных для проведения типовых испытаний (в соответствии с требованиями программы испытаний).
5.10 Отчетность о результатах испытаний
5.10.1 Результаты каждого испытания, проведенного испытательной лабораторией (далее — лаборатория), должны быть оформлены точно, четко, недвусмысленно и объективно.
Примечание — Под "испытательной лабораторией" в настоящем стандарте подразумеваются предприятия (организации), центры, специальные лаборатории, подразделения предприятий (организаций), являющиеся первой, второй или третьей стороной и осуществляющие испытания, которые, в том числе, составляют часть контроля при производстве и сертификации продукции.
5.10.2 Результаты испытаний оформляют протоколом испытаний, в котором указывают всю информацию, необходимую для толкования результатов испытаний.
5.10.3 Каждый протокол испытаний должен содержать, по крайней мере, следующую информацию (если лаборатория не имеет обоснованных причин не указывать ту или иную информацию):
а) наименование документа — "Протокол испытаний";
б) вид испытаний (периодические, типовые и др.);
в) уникальную идентификацию протокола испытаний (например, серийный номер), а также идентификацию на каждой странице, чтобы обеспечить признание страницы как части протокола испытаний;
г) нумерацию страниц с указанием общего числа страниц;
д) наименование и адрес лаборатории, а также место проведения испытаний, если оно не находится по адресу лаборатории;
е) наименование и адрес изготовителя испытываемого изделия;
ж) идентификацию используемого метода;
з) описание, состояние и недвусмысленную идентификацию испытываемого изделия (модель, тип, марка и т.п.);
и) дату получения изделия, подлежащего испытаниям, если это существенно для достоверности и применения результатов, а также дату проведения испытаний;
к) ссылку на метод отбора образцов, используемый лабораторией, если он имеет отношение к достоверности и применению результатов;
л) результаты испытаний с указанием (при необходимости) единиц измерений;
м) имя, должность и подпись лица, утвердившего протокол испытаний;
н) при необходимости указание на то, что результаты относятся только к изделиям, прошедшим испытания.
Примечание — Лабораториям рекомендуется делать запись в протоколе испытаний или прилагать заявление о том, что протокол испытаний не может быть полностью или частично воспроизведен без письменного разрешения лаборатории.
5.10.4 В дополнение к требованиям, перечисленным в 5.10.3, протоколы испытаний должны, если это необходимо для толкования результатов испытаний, включать следующее:
а) отклонения, дополнения или исключения, относящиеся к методу испытаний, а также информацию о специальных условиях испытаний, таких как условия окружающей среды;
б) указание на соответствие/несоответствие требованиям и/или техническим условиям;
в) мнения и толкования, которые могут, в частности, касаться следующего:
— мнения о соответствии/несоответствии результатов требованиям;
— рекомендаций по использованию результатов;
— мнения по улучшению образцов.
5.10.5 В дополнение к требованиям, приведенным в 5.10.3 и 5.10.4, протоколы испытаний, содержащие результаты отбора образцов, должны включать, если это необходимо для толкования результатов испытаний, следующее:
— дату отбора образцов;
— однозначную идентификацию изделий, образцы которых отбирались (включая, при необходимости, наименование производителя, обозначение модели или типа и серийные номера);
— место, где проводился отбор образцов, включая любые графики, эскизы или фотографии;
— ссылку на план и процедуры отбора образцов;
— подробное описание условий окружающей среды во время проведения отбора образцов, которые могут повлиять на истолкование результатов испытаний;
— ссылку на любой стандарт или другую нормативную и техническую документацию, касающиеся метода или процедуры отбора образцов, а также отклонения, дополнения или исключения из соответствующей нормативной и технической документации.
5.10.6 Рекомендуемая форма протокола испытаний приведена в приложении Б (форма Б.1).
5.10.7 По результатам испытаний (периодических, типовых и др.) также оформляют акт. Рекомендуемые формы актов испытаний приведены в приложении Б (формы Б.2 и Б.3).
6 Методы испытаний
6.1 Дефекты по 4.9; 4.18; 4.32; 4.33 определяют наружным осмотром.
6.2 Испытания колец на упругость (4.3), прочность при изгибе (4.3), твердость (4.4), определение радиального зазора (4.12) и на коробление (4.13) — по ГОСТ 621.
6.3 Микроструктуру чугуна поршневых колец оценивают по графиту и металлической основе и сравнивают со шкалами в соответствии с приложением А.
Микроструктуру металла колец определяют металлографическим исследованием шлифов, взятых в двух сечениях кольца: у замка и против него.
6.4 Проверку теплового зазора проводят при нахождении колец в калибре, диаметр которого равен номинальному диаметру цилиндра.
6.5 Допускается проверять поршневые кольца диаметром 38 мм на просвет в цилиндре после проведения технологической обкатки двигателя.
6.6 Контроль по 4.24-4.26, 4.30 осуществляют следующим образом.
Определение радиального зазора между кольцом и гладким кольцевым калибром с внутренним диаметром, равным номинальному диаметру контролируемого кольца, контролируют визуально на просвет методом сравнивания с образцом просвета согласно схеме, указанной на рисунке 17.
1 — источник света; 2 — непрозрачный экран; 3 — образец просвета; 4 — контролируемое кольцо; 5 — гладкий кольцевой калибр; 6 — фильтр; 7 — имитатор расширителя (расширитель применять только при контроле колец, работающих с расширителем)
Рисунок 17
Зона контакта кольца с калибром должна осуществляться* источником рассеянного света мощностью 25 Вт. Контакт считается полным, если при контроле радиальный зазор по периметру не обнаружен или, если в области с необходимым плотным прилеганием имеются просветы, прерываемые множеством несущих точек, расстояние которых между собой по дуге кольца не более 2°.
_______________
* Текст документа соответствует оригиналу. — Примечание изготовителя базы данных.
Контроль контакта компрессионного кольца с калибром проводят, устанавливая приспособление, имитирующее канавку поршня, с составным компрессионным кольцом. Замки кольцевых элементов при контроле должны быть смещены на (120±5)° друг относительно друга при трех кольцевых элементах и на (90±5)° друг относительно друга при четырех кольцевых элементах.
Контроль контакта кольцевых элементов маслосъемного кольца с калибром проводят в комплекте с расширителем или приспособлением, имитирующим его действие. При этом на кольцевой элемент должно быть приложено давление, соответствующее половине величины упругости радиального или двухфункционального расширителя, указанной в КД.
Проверку кольцевых элементов проводят по одному. Допускается, по согласованию с потребителем, контроль контакта с калибром маслосъемного кольца проводить, устанавливая приспособление, имитирующее канавку поршня, с составным маслосъемным кольцом в сборе в калибр. Замки кольцевых элементов должны быть смещены на (180±5)° друг относительно друга. Высота приспособления для составного компрессионного и маслосъемного колец должна быть равна двойной высоте
компрессионного или маслосъемного кольца в сборе (рисунок 18).
1 — приспособление, имитирующее канавку поршня; 2 — стальное многоэлементное поршневое кольцо
Рисунок 18 — Схема приспособления для контроля компрессионных и маслосъемных колец в сборе
6.7 Проверку зазора в стыке замка кольцевого элемента в рабочем состоянии проводят в калибре, диаметр которого равен номинальному диаметру цилиндра.
6.8 Контроль по 4.37 осуществляют в приспособлении, имитирующим канавку поршня.
Упругость (тангенциальная сила
) кольца характеризуется величиной сил при его нагружении до зазора
, определенного по 6.7. Тангенциальная сила
определяется при сжатии кольца гибкой лентой толщиной не более 0,15 мм согласно схеме, указанной на рисунке 19.
1 — контролируемое кольцо; 2 — гибкая лента;
— зазор в замке кольца в рабочем состоянии
Рисунок 19
При измерении упругости тарельчатого кольцевого элемента должны быть приняты меры для недопущения его изгиба.
При контроле упругости трехэлементного или четырехэлементного кольца их расширители следует смазать трансформаторным маслом, и, подвергая кольцо небольшой вибрации, сжимать его до зазора в замке, равного
. За значение упругости кольца принимают среднее арифметическое результатов трех измерений.
6.9 Погрешность средств измерения должна быть не более 0,003 мм при контроле величины радиального зазора и 2° при контроле величины дуги радиального зазора, а также не более 0,04
при определении тангенциальной силы и не более 30% от поля допуска на изготовление при определении зазора в стыке замка кольцевого элемента.
6.10 Контроль твердости кольцевых элементов компрессионных и маслосъемных колец, а также и расширителей проводят в соответствии с КД.
6.11 Выполнение линейных угловых измерений составных витых стальных поршневых колец и их элементов — по ГОСТ 8.050, ГОСТ 8.051.
7 Гарантии изготовителя
7.1 Предприятие-изготовитель гарантирует соответствие поршневых колец требованиям настоящего стандарта при условии соблюдения правил эксплуатации, транспортирования и хранения.
7.2 Гарантийный срок эксплуатации поршневых колец должен быть равен гарантийному сроку эксплуатации двигателей, для которых они предназначены.
Приложение А
(обязательное)
Эталоны микроструктуры чугунных поршневых колец
А.1 Поршневые кольца из серого низколегированного чугуна
Шкала 1.1, 100*. Форма, размеры и характер распределения графита в структуре чугуна
А. Удовлетворительный графит (Г1…Г6)
|
|
|
|
|
|
| Г1
| Г2
|
|
|
|
|
|
|
| Г3
| Г4
|
|
|
|
|
|
|
| Г5
| Г6
|
Б. Неудовлетворительный графит (Г7…Г11)
|
|
|
|
|
|
| Г7
| Г8
|
|
|
|
|
|
|
|
|
| Г9
| Г10
| Г11
|
Шкала 1.2, 500*. Количество перлита и феррита в структуре чугуна
А. Удовлетворительное количество феррита (П1…П4)
|
|
|
|
|
|
| П1
| П2
|
|
|
|
|
|
|
| П3
| П4
|
Б. Неудовлетворительное количество феррита (П5…П8)
|
|
|
|
|
|
| П5
| П6
|
|
|
|
|
|
|
| П7
| П8
|
Шкала 1.3, 100*. Количество и распределение фосфидной эвтектики в структуре чугуна
А. Удовлетворительная структура фосфидной эвтектики (ФЭ1…ФЭ4)
|
|
|
|
|
|
| ФЭ1
| ФЭ2
|
|
|
|
|
|
|
| ФЭ3
| ФЭ4
|
Б. Неудовлетворительная структура фосфидной эвтектики (ФЭ5…ФЭ7)
|
|
|
|
|
|
| ФЭ5
| ФЭ6
|
ФЭ7
А.2 Поршневые кольца из высокопрочного чугуна
Шкала 2.1, 100*. Форма, размеры и характер распределения графита в структуре чугуна
А. Удовлетворительный графит (ГШ1…ГШ5)
|
|
|
|
|
|
| ГШ1
| ГШ2
|
|
|
|
|
|
|
| ГШ3
| ГШ4
|
ГШ5
Б. Неудовлетворительный графит (ГШ6…ГШ9)
|
|
|
|
| ||||||||||||||||||||||||||||||||||||||||||||||||||||||||||||||||||||||||||||||||||||||||||||||||||||||||||||||||||||||||||||||||||||||||||||||||||||||||||||||||||||||||||||||||||||||||||||||||||||||||||||||||||||||||||||||||||||||||||||||||||||||||||||||||||||||||||||||||||||||||||||||||||||||||||||||||||||||||||||||||||||||||||||||||||||||||||||||||||||||||||||||||||||||||||||||||||||||||||||||||||||||||||||||||||||||||||||||||||||||||||||||||||||||||||||||||||||||||||||||||||||||||||||||||||||||||||||||||||||||||||||||||||||||||||||||||||||||||||||||||||||||||||||||||||||||||||||||||||||||||||||||||||||||||||||||||||||||||||||||||||||||||||||||||||||||||||||||||||||||||||||||||||||||||||||||||||||||||||||||||||||||||||||||||||||||||||||||||||||||||||||||||||||||||||||||||||||||||||||||||||||||||||||||||||||||||||||||||||||||||||||||||||||||||||||||||||||||||||||||||||||||||||||||||||||||||||||||||||||||||||||||||||||||||||||||||||||||||||||||||||||||||||||||||||||||||||||||||||||
|
|
|
|
| ||||||||||||||||||||||||||||||||||||||||||||||||||||||||||||||||||||||||||||||||||||||||||||||||||||||||||||||||||||||||||||||||||||||||||||||||||||||||||||||||||||||||||||||||||||||||||||||||||||||||||||||||||||||||||||||||||||||||||||||||||||||||||||||||||||||||||||||||||||||||||||||||||||||||||||||||||||||||||||||||||||||||||||||||||||||||||||||||||||||||||||||||||||||||||||||||||||||||||||||||||||||||||||||||||||||||||||||||||||||||||||||||||||||||||||||||||||||||||||||||||||||||||||||||||||||||||||||||||||||||||||||||||||||||||||||||||||||||||||||||||||||||||||||||||||||||||||||||||||||||||||||||||||||||||||||||||||||||||||||||||||||||||||||||||||||||||||||||||||||||||||||||||||||||||||||||||||||||||||||||||||||||||||||||||||||||||||||||||||||||||||||||||||||||||||||||||||||||||||||||||||||||||||||||||||||||||||||||||||||||||||||||||||||||||||||||||||||||||||||||||||||||||||||||||||||||||||||||||||||||||||||||||||||||||||||||||||||||||||||||||||||||||||||||||||||||||||||||||||
|
| ГШ6
| ГШ7
|
| ||||||||||||||||||||||||||||||||||||||||||||||||||||||||||||||||||||||||||||||||||||||||||||||||||||||||||||||||||||||||||||||||||||||||||||||||||||||||||||||||||||||||||||||||||||||||||||||||||||||||||||||||||||||||||||||||||||||||||||||||||||||||||||||||||||||||||||||||||||||||||||||||||||||||||||||||||||||||||||||||||||||||||||||||||||||||||||||||||||||||||||||||||||||||||||||||||||||||||||||||||||||||||||||||||||||||||||||||||||||||||||||||||||||||||||||||||||||||||||||||||||||||||||||||||||||||||||||||||||||||||||||||||||||||||||||||||||||||||||||||||||||||||||||||||||||||||||||||||||||||||||||||||||||||||||||||||||||||||||||||||||||||||||||||||||||||||||||||||||||||||||||||||||||||||||||||||||||||||||||||||||||||||||||||||||||||||||||||||||||||||||||||||||||||||||||||||||||||||||||||||||||||||||||||||||||||||||||||||||||||||||||||||||||||||||||||||||||||||||||||||||||||||||||||||||||||||||||||||||||||||||||||||||||||||||||||||||||||||||||||||||||||||||||||||||||||||||||||||||
|
|
|
|
|
|
| ГШ8
| ГШ9
|
Шкала 2.2, 250*. Количество феррита в структуре чугуна
А. Удовлетворительное количество феррита (Ф1…Ф5)
|
|
|
|
|
|
| Ф1
| Ф2
|
Ф3
|
|
|
|
|
|
| Ф4
| Ф5
|
Б. Неудовлетворительное количество феррита (Ф6…Ф9)
|
|
|
|
|
|
| Ф6
| Ф7
|
|
|
|
|
|
|
| Ф8
| Ф9
|
Шкала 2.3, 250*. Количество и распределение цементита в структуре чугуна
А. Удовлетворительное количество цементита (Ц1…Ц4)
|
|
|
|
|
|
| Ц1
| Ц2
|
|
|
|
|
|
|
| Ц3
| Ц4
|
Б. Неудовлетворительное количество цементита (Ц5…Ц8)
|
|
|
|
|
|
| Ц5
| Ц6
|
|
|
|
|
|
|
| Ц7
| Ц8
|
Приложение Б
(рекомендуемое)
Типовые формы документов, оформляемых в процессе испытаний
Форма Б.1 — Протокол испытаний
|
|
|
|
|
|
|
|
|
|
|
|
|
| Лист 1 Всего листов 2
| |||||||||||
| | УТВЕРЖДАЮ
| ||||||||||
| | | ||||||||||
| | должность руководителя испытательной лаборатории*
| ||||||||||
| | | | | ||||||||
| | личная подпись
| | инициалы, фамилия
| ||||||||
| | | ||||||||||
| |
|
| |||||||||
| | |||||||||||
| | |||||||||||
| Протокол
| |
| |||||||||
| | вид испытаний
| | |||||||||
| | |||||||||||
| N____от____________20___г.
| |||||||||||
| | |||||||||||
| |||||||||||
| | наименование и чертежное обозначение, идентификационный
| ||||||||||
| | |||||||||||
| номер изделия
| |||||||||||
| |||||||||||
| | | ||||||||||
| наименование и адрес
| |||||||||||
| |||||||||||
| | | ||||||||||
| наименование и адрес
| |||||||||||
| |||||||||||
| | | ||||||||||
| |||||||||||
| | | ||||||||||
| |||||||||||
| | | ||||||||||
| |||||||||||
| | наименование документа
| ||||||||||
| |||||||||||
| | наименование документа
| ||||||||||
| | | ||||||||||
_______________
* Предприятие (организация), испытательный центр, специальная лаборатория, подразделение предприятия (организации) и т.п., осуществляющие испытания.
|
|
|
|
|
|
|
|
|
|
|
|
| Лист 2 Всего листов 2
| ||||||||||
| | ||||||||||
| Продолжение протокола
| |
| ||||||||
| | вид испытаний
| | ||||||||
| | ||||||||||
| N____от___________20___г.
| ||||||||||
| | ||||||||||
| ||||||||||
| | Испытуемый параметр
| Установленные требования
| Результат испытания
| | ||||||
| | | | | | ||||||
| | | | | | ||||||
| | | | | | ||||||
| | | | | | ||||||
| | | | | | ||||||
| | ||||||||||
| ||||||||||
| | | |||||||||
| | ||||||||||
| | ||||||||||
| | ||||||||||
| ||||||||||
| | | | | | ||||||
| должность
| | личная подпись
| | инициалы, фамилия
| ||||||
| | ||||||||||
| Дата______________
| ||||||||||
Форма Б.2 — Акт о результатах периодических испытаний
|
|
|
|
|
|
|
|
|
|
|
|
|
|
| Лист 1 Всего листов 1
| ||||||||||||
| | УТВЕРЖДАЮ
| |||||||||||
| | | |||||||||||
| | должность руководителя предприятия-изготовителя
| |||||||||||
| | | | | |||||||||
| | личная подпись
| | инициалы, фамилия
| |||||||||
| | | |||||||||||
| |
|
| ||||||||||
| | ||||||||||||
| | ||||||||||||
| АКТ N____
| ||||||||||||
| о результатах периодических испытаний
| ||||||||||||
| N____от____________20___г.
| ||||||||||||
| | ||||||||||||
| ||||||||||||
| | наименование и чертежное обозначение, идентификационный
| |||||||||||
| | ||||||||||||
| номер изделия
| ||||||||||||
| ||||||||||||
| | наименование и адрес
| |||||||||||
| ||||||||||||
| | положительный или отрицательный результат в целом;
| |||||||||||
| | ||||||||||||
| при отрицательном результате перечисляют выявленные дефекты или приводят ссылки на перечень дефектов
| ||||||||||||
| ||||||||||||
| | выдержали или не выдержали изделия периодические испытания
| |||||||||||
| ||||||||||||
| | | |||||||||||
| ||||||||||||
| ||||||||||||
| | | |||||||||||
| | | |||||||||||
| месяц, год
| | |||||||||||
| | ||||||||||||
| ||||||||||||
| | | | | | ||||||||
| должность
| | личная подпись
| | инициалы, фамилия
| ||||||||
| | ||||||||||||
| Дата______________
| ||||||||||||
Форма Б.3 — Акт о результатах типовых испытаний
|
|
|
|
|
|
|
|
|
|
|
|
|
|
|
|
| Лист 1 Всего листов 1
| ||||||||||||||
| | УТВЕРЖДАЮ
| |||||||||||||
| | | |||||||||||||
| | должность руководителя предприятия-изготовителя
| |||||||||||||
| | | | | |||||||||||
| | личная подпись
| | инициалы, фамилия
| |||||||||||
| | | |||||||||||||
| |
|
| ||||||||||||
| | ||||||||||||||
| | ||||||||||||||
| АКТ N____
| ||||||||||||||
| о результатах типовых испытаний
| ||||||||||||||
| | ||||||||||||||
| N____от____________20___г.
| ||||||||||||||
| | ||||||||||||||
| ||||||||||||||
| | наименование и чертежное обозначение, идентификационный
| |||||||||||||
| | ||||||||||||||
| |
| | ||||||||||||
| номер изделия
| | месяц и год изготовления
| ||||||||||||
| ||||||||||||||
| | наименование и адрес
| |||||||||||||
| ||||||||||||||
| | | |||||||||||||
| внесенные изменения
| ||||||||||||||
| ||||||||||||||
| | положительный или отрицательный результат в целом;
| |||||||||||||
| | ||||||||||||||
| при наличии отрицательных результатов их перечисляют
| ||||||||||||||
| ||||||||||||||
| | соответствует (не соответствует) образец изделий требованиям программы испытаний; подтверждена (не подтверждена) целесообразность внесения предлагаемых изменений в конструкцию, в технологический процесс изготовления
| |||||||||||||
| | ||||||||||||||
| ||||||||||||||
| | | |||||||||||||
| ||||||||||||||
| | ||||||||||||||
| ||||||||||||||
| | | | | | ||||||||||
| должность
| | личная подпись
| | инициалы, фамилия
| ||||||||||
| | ||||||||||||||
| Дата______________
| ||||||||||||||
Электронный текст документа
подготовлен ЗАО "Кодекс" и сверен по:
официальное издание
М.: Стандартинформ, 2011
















































