ГОСТ 1005-86 от 01-07-1987 Щиты перекрытий деревянные для малоэтажных домов Технические условия

Автор: | 17.02.2015

ГОСТ 1005-86

Группа Ж32


ГОСУДАРСТВЕННЫЙ СТАНДАРТ СОЮЗА ССР


ЩИТЫ ПЕРЕКРЫТИЙ ДЕРЕВЯННЫЕ ДЛЯ МАЛОЭТАЖНЫХ ДОМОВ

Технические условия

Wooden plank panels for the factory-made timber frame houses.

Specifications

ОКП 53 6612

Дата введения 1987-07-01

ИНФОРМАЦИОННЫЕ ДАННЫЕ

1.  РАЗРАБОТАН И ВНЕСЕН

Государственным  комитетом по гражданскому строительству и архитектуре при Госстрое СССР

Министерством  лесной, целлюлозно-бумажной и деревообрабатывающей промышленности СССР

РАЗРАБОТЧИКИ

А.И.Устинова,  канд. техн. наук (руководитель темы); А.А.Подобин; М.А.Чернов, канд. техн. наук; С.В.Запальская; И.Ф.Бондарев; А.В.Крюкова; Н.В.Шведов


2.  УТВЕРЖДЕН И ВВЕДЕН В ДЕЙСТВИЕ Постановлением Государственного комитета СССР по делам строительства от 08.07.86 N 95


3.  ВЗАМЕН ГОСТ 1005-68


4.  ССЫЛОЧНЫЕ НОРМАТИВНО-ТЕХНИЧЕСКИЕ ДОКУМЕНТЫ




Обозначение НТД, на которой дана ссылка


Номер пункта, приложения


ГОСТ 427-75



4.4


ГОСТ 2140-81



4.2


ГОСТ 3282-74



2.3.1


ГОСТ 3749-77



4.4


ГОСТ 4028-63



1.1, 2.1.6


ГОСТ 7502-89



4.4


ГОСТ 8026-92



4.4


ГОСТ 10905-86

 

4.4


ГОСТ 11047-90



2.1.3


ГОСТ 14192-77



5.2


ГОСТ 16588-91



4.7


ГОСТ 20022.6-93



2.1.12, 4.3


ГОСТ 21650-76



5.1


ТУ 2-034-225-87



4.4


5  ПЕРЕИЗДАНИЕ

Настоящий  стандарт распространяется на деревянные щиты перекрытий, изготовляемые в заводских условиях и предназначенные для применения в перекрытиях малоэтажных домов.


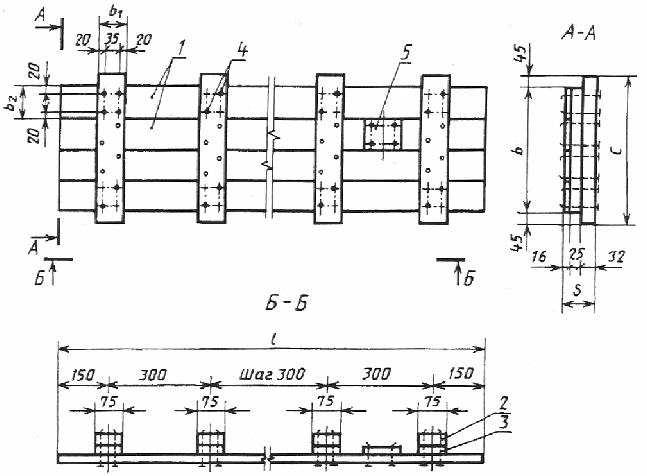
1. ОСНОВНЫЕ РАЗМЕРЫ

1.1.  Основные размеры, конструкция и марки щитов должны соответствовать указанным в табл.1 и на черт.1.

Таблица 1

                                мм

 ——————————————————————-

¦    Марка    ¦    Длина   ¦  Ширина b   ¦    Толщина  ¦   Длина   ¦

¦    щита     ¦      l     ¦             ¦       s     ¦ поперечных¦

¦             ¦            ¦             ¦             ¦  планок с ¦

+——————————————————————+

    Щ12-1а         1200           250                       340

    Щ12-2а         1200           350                       440

    Щ12-2б         1200           300                       390

   (Щ12-3а)        (1200)         (450)                     (540)

   (Щ12-3б)        (1200)         (400)         73          (490)

    Щ15-1а         1500           250                       340

    Щ15-2а         1500           350                       440

    Щ15-2б         1500           300                       390

   (Щ15-3а)        (1500)         (450)                     (540)

   (Щ15-3б)        (1500)         (400)                     (490)

    Щ18-1а         1800           250                       340

    Щ18-2а         1800           350                       440

    Щ18-2б         1800           300                       390

   (Щ18-3а)        (1800)         (450)                     (540)

   (Щ18-3б)        (1800)         (400)         73          (490)

    Щ21-1а         2100           250                       340

    Щ21-2а         2100           350                       440

    Щ21-2б         2100           300                       390

   (Щ21-3а)        (2100)         (450)                     (540)

   (Щ21-3б)        (2100)         (400)                     (490)


Примечания:


1.  Щиты применяют в перекрытиях с шагом между лагами и балками, регламентированным НТД на конструкции полов и равным 400 и 500 мм.

Допускается  применять щиты, типы и номинальные размеры которых указаны в скобках, в перекрытиях с шагом между лагами и балками, равным 600 мм.


2.  Щиты с индексом "а" должны применяться для укладки между одинарными балками толщиной 50 мм с черепными брусками сечением 40х40 мм; щиты с индексом "б" должны применяться для укладки между двойными балками общей толщиной 100 мм (см. приложение).



1.2.  Предельные отклонения от номинальных размеров щитов и их элементов должны соответствовать указанным в табл. 2.



Таблица 2


                               мм

———————————————————————

¦  Наименование ¦  Наименование  ¦  Номин. размер ¦   Пред. откл.  ¦

¦ изделия и его ¦геометрического ¦                ¦                ¦

¦   элемента    ¦   параметра    ¦                ¦                ¦

+——————————————————————+

                   Длина l        1200; 1500; 1800;     +/- 5

                                  2100; 250; 300;

  1. Щиты          Ширина b       350; (400); (450);    — 5

  перекрытий

                   Толщина s            73              +/- 3


  2. Поперечные    Длина c        340; 390; 440;        +/- 3

  планки                          (490); (540)

                   Ширина b(1)          75              +/- 2

                   Толщина              32              +/- 1

  3. Подкладки     Длина b        250; 300; 350;        — 5

                                  400; (450)

                   Ширина b(1)          75              +/- 2

                   Толщина              25              +/- 1

  4. Доски         Длина l        1200; 1500; 1800;     +/- 5

  настила                         2100

                   Ширина b(2)    От 75 и выше          +/- 2

                   Толщина              16              +/- 1


Примечание.  Допускается изготовлять поперечные планки толщиной 40 мм с шириной от 60 мм и выше или, по согласованию изготовителя с потребителем, толщиной 25 мм при ширине планки и подкладки под нее не менее 100 мм.


Конструкция и основные размеры щита

            

1 — доски настила; 2 — поперечные планки; 3 — подкладки;

4 — гвозди К3,5х90 по ГОСТ 4028; 5 — накладка

Черт.1

1.3.  Конструкции перекрытий по одинарным и двойным балкам с использованием щитов, изготовляемых по настоящему стандарту, приведены в приложении.


2. ТЕХНИЧЕСКИЕ ТРЕБОВАНИЯ

2.1.  Характеристики


2.1.1.  Щиты должны изготовляться в соответствии с требованиями настоящего стандарта и проектной документации, утвержденной в установленном порядке.


2.1.2.  Щиты должны изготовляться из древесины лиственных (осины, ольхи, тополя, липы, березы) и хвойных пород.


2.1.3.  Поперечные планки щитов по качеству древесины должны соответствовать группе II, а доски настила и подкладки под планки группе III по ГОСТ 11047.


2.1.4.  Для изготовления щитов применяют нефрезерованные обрезные доски. Обзолы должны быть очищены от коры.


2.1.5.  Каждая доска настила должна быть соединена с поперечной планкой двумя гвоздями через подкладку. Гвозди пробивают насквозь с загибом поперек волокон древесины.


2.1.6.  Поперечные планки и подкладки щитов стыковать не допускается. Допускается изготовление щитов в два этапа и стыковка досок настила по оси поперечных планок или между поперечными планками с помощью накладок длиной 200 мм, как указано на черт. 2. Стыки смежных досок следует располагать вразбежку. Расстояние между стыками — не менее 450 мм.


Схема крепления элементов щита

        

1 — доски настила; 2 — поперечные планки; 3 — подкладки;

 4 — строительные гвозди К2,5х50 по ГОСТ 4028;

5 — строительные гвозди К3,5х90 по ГОСТ 4028; 6 — накладка

Черт.2

2.1.7.  Щиты должны быть прямоугольными, иметь ровные боковые кромки и чистый обрез торцевых сторон.

Откл.  формы щитов не должны превышать, мм/м:

    

  — от прямолинейности ………………………………… 4

     

     " перпендикулярности ……………………………… 2

     

     " от плоскостности ……………………………….. 4

2.1.8.  Зазор между досками настила не должен превышать 8 мм.


2.1.9.  Предельные отклонения от номинальных размеров между поперечными планками не должны превышать 10 мм.


2.1.10.  Прочность щитов, определяемая значением разрушающей кратковременной нагрузки, должна быть не менее 1500 Н (150 кгс).


2.1.11.  Влажность древесины щитов не должна быть более 22 %.


2.1.12.  Щиты должны быть защищены от биоразрушения путем пропитки водными растворами биозащитных препаратов в соответствии с требованиями ГОСТ 20022.6.


2.2.  Маркировка


2.2.1.  На каждой пачке должен быть нанесен несмываемой краской штамп или закреплена бирка, где должно быть указано:

—  наименование и адрес предприятия-изготовителя;

—  номер партии;

—  типы щитов и их число;

—  вид антисептика и метод обработки;

—  обозначение настоящего стандарта.


2.3.  Упаковка


2.3.1.  Щиты должны упаковываться в пачки по схеме, указанной на черт. 3. Пачки должны быть связаны не менее чем в двух местах проволокой по ГОСТ 3282 или др. перевязочным материалом, обеспечивающим плотность и сохранность пачек во время погрузки, транспортирования и выгрузки. В каждой пачке должны быть упакованы щиты одного типа. Масса пачки не должна превышать при ручной погрузке 80 кг, при механизированной — 300 кг.


Схема упаковки щитов в пачки

 Н — высота пакета (не более 1,2 м); L — длина пачки


Черт.3

3. ПРИЕМКА

3.1.  Отгружаемые потребителям щиты должны быть приняты отделом технического контроля предприятия-изготовителя.


3.2.  Щиты принимают партиями. Партией считают число щитов, оформленное одним документом о качестве.

При  приемке щитов в составе комплектов деревянных изделий для домов объем партии устанавливают по согласованию изготовителя с потребителем.


3.3.  Потребитель имеет право производить выборочный контроль соответствия качества щитов требованиям настоящего стандарта.


3.4.  При выборочном контроле от партии щитов методом случайного отбора выбирают для визуального осмотра и замеров 4% щитов, но не менее 5 шт.


3.5.  Если при проверке отобранных щитов будет установлено несоответствие хотя бы одного из них требованиям настоящего стандарта, проводят повторную проверку, для чего от партии отбирают удвоенное число щитов, но не менее 10 шт. Если при повторной проверке окажется хотя бы один щит, не удовлетворяющий требованиям настоящего стандарта, то вся партия приемке не подлежит.


4. МЕТОДЫ КОНТРОЛЯ

4.1.  Отобранные щиты проверяют поштучно.


4.2.  Породу древесины и наличие пороков древесины и обработки определяют визуально, а их размеры — по ГОСТ 2140.


4.3.  Качество пропитки щитов определяют в соответствии с требованиями ГОСТ 20022.9*.

_______________

*  Вероятно ошибка оригинала. Следует читать ГОСТ 20022.6. — Примечание "КОДЕКС".


4.4.  Размеры и отклонения формы щитов определяют с погрешностью до 1 мм металлическими измерительными линейками по ГОСТ 427, металлическими измерительными рулетками по ГОСТ 7502, поверочными линейками длиной не менее 1000 мм по ГОСТ 8026, поверочными плитами по ГОСТ 10905, поверочными угольниками с длиной одной из сторон не менее 500 мм по ГОСТ 3749, щупами по ТУ 2-034-225.


4.5.  Отклонения от перпендикулярности щитов определяют путем плотного приложения одной стороны угольника к торцу к боковой кромке щита. Откл. другой стороны угольника от щита измеряют металлической линейкой.


4.6.  Отклонения от прямолинейности кромок щитов определяют, используя поверочную линейку или рейку, выверенную по плоскости и не прогибающуюся под собственным весом. Линейку или рейку прикладывают ребром к кромке щита в любом месте и щупом или металлической линейкой измеряют зазор между линейкой (рейкой) и кромкой.


4.7.  Влажность древесины щитов определяют по ГОСТ 16588.


4.8.  Из числа проверенных и удовлетворяющих требованиям настоящего стандарта щитов по показателям, указанным в пп. 4.2-4.7, отбирают два щита для испытания их на прочность.


4.9.  Прочность щита проверяют путем испытания кратковременной сосредоточенной статической нагрузкой, равной 1500 Н. Испытания проводят при воздействии нагрузки: на одну из поперечных планок; на две продольные доски.

Нагрузка  должна быть приложена через деревянные прокладки, как указано на черт. 4. Размер прокладки: на поперечной планке — 75х75 мм, на досках настила — 75х175 мм.

Щит  перекрытия должен испытываться в рабочем положении. Устройство опор для испытания щита должно соответствовать схеме его опирания при эксплуатации. После приложения испытательной нагрузки щит выдерживают под этой нагрузкой не менее 5 с.

Щит,  выдержавший без признаков разрушения испытательную нагрузку, считают удовлетворяющим требованиям настоящего стандарта.


Схема приложения нагрузки на щит

Черт.4

 Примечание. Опоры щита условно заменены стрелками.

5. ТРАНСПОРТИРОВАНИЕ И ХРАНЕНИЕ

5.1.  Пачки щитов разрешается перевозить транспортом всех видов в соответствии с требованиями ГОСТ 21650.


5.2.  При железнодорожных перевозках размещение и крепление пачек щитов следует производить в соответствии с Техническими условиями погрузки и крепления грузов, утвержденными Министерством путей сообщения СССР. Транспортная маркировка — по ГОСТ 14192.


5.3.  При хранении щиты должны быть рассортированы по типам и уложены горизонтально в пакеты высотой не более 2,5 м. Под нижний ряд пакета должны быть уложены деревянные прокладки толщиной не менее 70 мм.


5.4.  При хранении и транспортировании щиты должны быть защищены от увлажнения и механических повреждений.


6. ГАРАНТИИ ИЗГОТОВИТЕЛЯ

6.1.  Изготовитель гарантирует соответствие щитов требованиям настоящего стандарта при соблюдении потребителем условий транспортирования и хранения изделий.

Гарантийный  срок хранения щитов — 12 мес со дня изготовления.


Приложение

Справочное

КОНСТРУКЦИИ ПЕРЕКРЫТИЙ


        По одинарным балкам                     По двойным балкам

 

1 — щит перекрытия; 2 — балка перекрытия; 3 — черепной брусок

Текст документа сверен по:

офицальное издание

Деревянные детали и изделия

из древесины для строительства.

Часть 2. Ворота, детали и изделия,

щиты перекрытий и покрытий, балки

перекрытий, изделия паркетные, конструкции

клееные, плиты ДВП и ЦСП: Сб. ГОСТов. —

М.: ИПК Издательство стандартов, 1996

Предоставлено компанией .