ГОСТ 10605-94 Гайки шестигранные с диаметром резьбы свыше 48 мм класса точности В Технические условия

Автор: | 17.02.2015

ГОСТ 10605-94

(ИСО 4032-86)

Группа Г33


МЕЖГОСУДАРСТВЕННЫЙ СТАНДАРТ


ГАЙКИ ШЕСТИГРАННЫЕ С ДИАМЕТРОМ РЕЗЬБЫ

СВЫШЕ 48 мм КЛАССА ТОЧНОСТИ В

Технические условия

Hexagon nuts with thread diameter over 48 mm.

Product grade B.

Specifications



ОКС  21.060.20

ОКП  12 8300

Дата введения 1996-01-01

     

Предисловие


1  РАЗРАБОТАН Всероссийским научно-исследовательским институтом стандартизации и сертификации в машиностроении Госстандарта России

            

ВНЕСЕН  Госстандартом  России

2  ПРИНЯТ Межгосударственным Советом по стандартизации, метрологии и сертификации (протокол N 6-94 от 21 октября 1994 г.)


За  принятие проголосовали:



Наименование государства




Наименование национального органа  по стандартизации



Азербайджанская Республика


Азгосстандарт



Республика Армения



Армгосстандарт


Республика Беларусь



Белстандарт


Республика Грузия



Грузстандарт


Республика Казахстан


Госстандарт Республики Казахстан


Кыргызская Республика



Кыргызстандарт


Республика Молдова


Молдовастандарт


Российская Федерация


Госстандарт России



Республика Узбекистан


Узгосстандарт


Украина


Госстандарт Украины



Настоящий  Стандарт представляет собой полный аутентичный текст ИСО 4032-86 "Гайки шестигранные типа I классов А и В" в части гаек с диаметром резьбы 52, 56 и 64 мм класса точности В и содержит дополнительные требования, отражающие потребности народного хозяйства

  

   3 Постановлением Комитета Российской Федерации по стандартизации, метрологии и сертификации от 10 октября 1995 г. N 524 межгосударственный стандарт ГОСТ 10605 94 (ИСО 4032-86) введен в действие непосредственно в качестве государственного стандарта Российской Федерации с 1 января 1996 г.

4  ВЗАМЕН ГОСТ 10605-72

           

           

    1 ОБЛАСТЬ ПРИМЕНЕНИЯ

Настоящий  стандарт распространяется на шестигранные гайки с диаметром резьбы от 52 до 150 мм, класса точности В.

           

             

    2 НОРМАТИВНЫЕ ССЫЛКИ

В  настоящем стандарте использованы ссылки на следующие стандарты:

ГОСТ  9.301-86 ЕСЗКС. Покрытия металлические и неметаллические неорганические. Общие требования

ГОСТ  9.303-84 ЕСЗКС. Покрытия металлические и неметаллические неорганические. Общие требования к выбору

ГОСТ  1759.1-82 Болты, винты, шпильки, гайки и шурупы. Допуски. Методы контроля размеров и отклонений формы и расположения поверхностей

ГОСТ  9150-81 ОНВ. Резьба метрическая. Профиль

ГОСТ  16093-81 ОНВ. Резьба метрическая. Допуски. Посадки с зазором

ГОСТ  17769-83 Изделия крепежные. Правила приемки

ГОСТ  18126-72 Болты и гайки с диаметром резьбы свыше 48 мм. Технические условия

ГОСТ  18160-72 Изделия крепежные. Общие технические условия. Упаковка. Маркировка. Транспортирование и хранение

ГОСТ  24705-81 ОНВ. Резьба метрическая. Основные размеры

         

 

    3 РАЗМЕРЫ

 

       

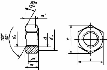
Конструкция  и размеры гаек должны соответствовать указанным на рисунке 1 и в таблице 1.

           

Рисунок 1

     

Таблица 1

                                                                                                                     

                                                                                                                                                                                                        мм
















Резьба



(52)


56


64


72


(76)


80


90


100


110


125


140


150


      


крупный


5,0



5,5


6,0













  

мелкий


3,0


4,0


  

  

  

  

6,0   и


4,0


  

  

  

      


мин.

52


56


64


72


76


80


90


100


110


125


140


150


  

макс.

56,2


60,5


69,1


77,8


82,1


86,4


97,2


108,0


118,8


135,0


151,2


162,0


мин.

74,2


78,7


88,2


97,7


102,4


107,2


121,1


135,4


144,9


168,6


187,2


211,0


       мин.

88,25


93,56


104,86


116,16


121,81


127,46


144,08


161,03


172,33


200,58


222,72


250,97




макс.

42


45


51


58


61


64


72


80


88


100


112


128


  

мин.

40,4


43,4


49,1


56,1


59,1


62,1


70,1


78,1


85,8


97,8


109,8


125,5


*   мин.

32,3


34,7


39,3


44,9


47,3


49,7


56,1


62,5


68,6


78,2


87,8


100,4


     


ном.-макс.

80


85


95


105


110


115


130


145


155


180


200


225


  

мин.

78,1


82,8


92,8


102,8


107,8


112,8


127,5


142,5


152,5


177,5


197,1


222,1


Примечание  — Размеры гаек, заключенные в скобки,  применять не рекомендуется.

Пример  условного обозначения гайки диаметром резьбы 56 мм, с крупным шагом резьбы с полем допуска 6Н, из материала группы 05, с цинковым покрытием толщиной 9 мкм, хроматированным:

Гайка М 56.05.019 ГОСТ 10605-94

      То же, с мелким шагом резьбы с полем допуска 6Н, из материала группы 21, из стали марки 12Х18Н9Т без покрытия:

     

                      

Гайка М 56 X 4.21.12Х18Н9Т ГОСТ 10605-94

    4 ТЕХНИЧЕСКИЕ ТРЕБОВАНИЯ

     

Таблица 3





Материал


Углеродистая сталь



 Коррозионностойкая сталь


Общие технические  требования


ГОСТ 18126


     


Размеры


Профиль и основные размеры



Резьба       

Стандарт


 ГОСТ 9150, ГОСТ 24705


  

Допуски


 


  

Стандарт


 ГОСТ 16093


Механические             

свойства


Группа


02, 04, 05, 06, 07



11, 21, 23, 25


  

  

  

  

  

Стандарт


                           ГОСТ 18126


                             

Допуски


Класс


точности


В


  

Стандарт


ГОСТ 1759.1


Окончательная обработка поверхности изделия


Требования к гальванопокрытиям по ГОСТ 9.301,

ГОСТ 9.303

Покрытия — по ГОСТ 18126


Приемка


 ГОСТ 17769


Маркировка и упаковка


ГОСТ 18126, ГОСТ 18160



Теоретическая масса стальных болтов указана в приложении А.

ПРИЛОЖЕНИЕ А

(справочное)

МАССА СТАЛЬНЫХ ГАЕК














Шаг резьбы, мм


Теоретическая масса гайки, кг при номинальном диаметре резьбы

, мм


  

(52)


56


64


72


(76)


80


90


100


110


125


140


150


Крупный 5,0;

 5,5 и 6,0


1,21


1,45


1,99


Мелкий


 3,0 и 4,0


1,18



1,42


1,94


2,63



2,99



3,39



4,88





6,76



8,12



12,79



17,43


24,51



Мелкий

6,0




2,69



3,06


3,47


4,98


6,88


8,27


12,99


17,67


24,83




Текст документа сверен по:

официальное издание

М.: ИПК Издательство стандартов, 1996

Предоставлено компанией .