ГОСТ 11042-90 Молотки стальные строительные Технические условия

Автор: | 17.02.2015

ГОСТ 11042-90


 Группа Ж36


ГОСУДАРСТВЕННЫЙ СТАНДАРТ СОЮЗА ССР


МОЛОТКИ СТАЛЬНЫЕ СТРОИТЕЛЬНЫЕ

Технические условия

Construction steel hammers.

Specifications

ОКП  48 3322                                 

     Дата введения 1992-01-01

ИНФОРМАЦИОННЫЕ ДАННЫЕ


1.  РАЗРАБОТАН И ВНЕСЕН Министерством строительного, дорожного и коммунального машиностроения СССР

РАЗРАБОТЧИКИ

Б.Г.  Толков, А.А. Гоппен, А.И. Полунин, В.Б. Игумнов, Н.М. Лысенко


2.  УТВЕРЖДЕН И ВВЕДЕН В ДЕЙСТВИЕ Постановлением Государственного строительного комитета СССР от 06.07.90 N 59


3.  Срок проверки — 1996 г.


4.  ВЗАМЕН ГОСТ 11042-83


5.  ССЫЛОЧНЫЕ И НОРМАТИВНО-ТЕХНИЧЕСКИЕ ДОКУМЕНТЫ


+——————————————————————+

¦    Обозначение НТД, на который     ¦        Номер пункта         ¦

¦          дана ссылка               ¦                             ¦

+——————————————————————+

     ГОСТ 9.032-74                              1.2.19

     ГОСТ 9.104-79                              1.2.19

     ГОСТ 9.302-88                              3.6

     ГОСТ 9.303-84                              1.2.17

     ГОСТ 9.306-85                              1.2.17

     ГОСТ 166-89                                3.2

     ГОСТ 190-78                                1.2.18

     ГОСТ 380-88                                1.3

     ГОСТ 977-88                                1.2.2, 1.3

     ГОСТ 1050-88                               1.3

     ГОСТ 1435-90                               1.3

     ГОСТ 2695-83                               1.2.9, 1.3

     ГОСТ 2789-73                               1.2.8

     ГОСТ 3882-74                               1.3

     ГОСТ 4543-71                               1.3

     ГОСТ 4976-83                               1.2.18

     ГОСТ 7505-89                               1.2.18

     ГОСТ 7931-76                               1.1.3

     ГОСТ 8479-70                               1.2.1

     ГОСТ 9012-59                               3.3

     ГОСТ 9013-59                               3.3

     ГОСТ 13837-79                              3.7

     ГОСТ 14192-77                              1.5.3

     ГОСТ 15150-69                              1.2.17, 4.2

     ГОСТ 16588-91                              3.5

     ГОСТ 18088-83                              1.5.1, 1.5.2

     ГОСТ 19248-90                              1.2.6

     ГОСТ 19300-86                              3.9

     ГОСТ 23170-78                              1.5.1

     ГОСТ 24447-80                              3.5

     ГОСТ 25347-82                              1.1.3

     ГОСТ 26645-85                              1.1.3

6.  ПЕРЕИЗДАНИЕ. Ноябрь 1993 г.


Настоящий  стандарт распространяется на стальные строительные молотки (далее — молотки), применяемые при производстве столярных, плотничных, каменных, штукатурных, паркетных, кровельных, шиферных, плиточных, арматурных, монтажных работ.



1. Технические требования


1.1.  Основные размеры


1.1.1.  Молотки должны изготовляться в соответствии с требованиями настоящего стандарта по рабочим чертежам и образцам-эталонам, утвержденным в установленном порядке.


1.1.2.  Молотки в зависимости от назначения должны изготовляться следующих типов, указанных в табл.1.


1.1.3.  Основные размеры и масса молотков должны соответствовать указанным на черт.1-24 и в табл.2, 3.

По  согласованию с потребителем допускается изготовлять молотки типоразмеров МПЛ-4 и МШТ-3 габаритным размером (300+/-5) мм.

Предельные  отклонения размеров корпусов молотков, получаемые методом механической обработки, должны быть не ниже 16-го квалитета по ГОСТ 25347. Допуски на свободные размеры поковки принимают по 2-му классу ГОСТ 7505. Допуски размеров и массы отливок должны соответствовать II классу точности, а допуски на механическую обработку — 2-му ряду по ГОСТ 26645.


1.1.4.  Варианты исполнения клиньев для молотков должны соответствовать указанным на черт.25, 26 и в табл.7, 8 приложения 1.


1.1.5.  Варианты исполнения всадов и их размеры приведены на черт.27-36 и в табл.9 приложения 2.



Таблица 1

+——————————————————————+

¦   Тип    ¦     Наименование    ¦            Назначение           ¦

+——————————————————————+

  МСТ       Молоток столярный     Для забивания гвоздей и выполнения

                                  других операций при производстве

                                  столярных работ

  МПЛ       Молоток плотничный    Для забивания и выдергивания гвоз-

                                  дей при производстве плотничных

                                  работ

  МКИ       Молоток-кирочка       Для околки и тески кирпича и кера-

                                  мических стеновых камней при про-

                                  изводстве каменных и других работ

  МШТ       Молоток штукатурный   Для выполнения вспомогательных

                                  операций при производстве штука-

                                  турных работ

  МПА       Молоток паркетный     Для сплачивания паркетных досок,

                                  наборного, штучного паркета при

                                  производстве паркетных работ

  МКР       Молоток кровельный    Для загиба, уплотнения и выравни-

                                  вания фальцев при производстве

                                  кровельных работ

  МШИ       Молоток шиферный      Для пробивки отверстий в шифере и

                                  забивки шиферных гвоздей при уст-

                                  ройстве асбестоцементных кровель

  МПЛИ      Молоток плиточный     Для околки и подтески кромок кера-

                                  мических плиток, а также для про-

                                  бивки отверстий (исполнение 1)

  МША       Молоток шанцевый      Для выполнения ударных операций

                                  при монтажных и арматурных работах

  МКУ       Молоток-кулачок       Для околки, осаживания и расшебен-

                                  ки бутового, булыжного камня и

                                  брусчатки при выполнении каменных,

                                  дорожных и других работ


1.1.6.  Условное обозначение молотков при заказе должно состоять из названия молотка, обозначения типа или типоразмера, исполнения (при наличии) и обозначения настоящего стандарта.

Пример  условного обозначения молотка типа МПЛ исполнения 2:


Молоток плотничный МПЛ-2 ГОСТ 11042-90

1.2.  Характеристики (свойства)


1.2.1.  Заготовки корпусов молотков, изготовленные методом ковки, должны соответствовать требованиям, предъявляемым к поковкам Гр. II.143…207 НВ по ГОСТ 8479.


1.2.2.  Заготовки корпусов молотков, изготовленные методом литья, должны соответствовать требованиям, предъявленным к отливкам I группы по ГОСТ 977.


1.2.3.  Корпуса молотков должны быть термически обработаны в соответствии с требованиями, указанными в табл.4.



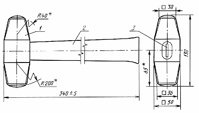
Молотки столярные типа МСТ


_______

*  Размеры для справок.


1 — корпус; 2 — ручка; 3 — клин

Черт.1


Таблица 2

Размеры в мм

+——————————————————————+

¦ Типоразмер ¦   L   ¦  H   ¦  H(1)* ¦   A   ¦   R*   ¦ Масса, кг, ¦

¦  молотка   ¦ +/-5  ¦      ¦        ¦       ¦        ¦  не более  ¦

+——————————————————————+

  МСТ-1         280     95      43      19       190       0,25

  МСТ-2         300    112      52      25       225       0,50

  МСТ-3         300    120      54      30       250       0,80

  МСТ-4         340    125      58      35       265       1,10


1.2.4.  Корпуса молотков не должны иметь расслоений, трещин, закатов, плен, волосовин, песочин, выкрошенных мест, усадочных раковин и пористости.


1.2.5.  Стыки оковок должны соединяться внахлестку электродуговой сваркой сплошным швом. Расположение сварного шва не регламентируется.


1.2.6.  Соединение вставки с корпусом молотка типоразмера МПЛИ-3 выполняют при помощи медно-цинкового припоя по ГОСТ 19248.



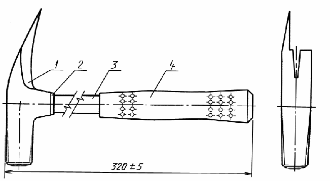
Молотки плотничные

Тип МПЛ

Исполнение 1


Масса — не более 0,80 кг

_______

*  Размеры для справок.


1 — корпус; 2 — ручка; 3 — клин

Черт.2


Таблица 3

Размеры в мм

+——————————————————————+

¦    Типоразмер   ¦     L     ¦   H    ¦   H(1)*  ¦   Масса, кг,   ¦

¦                 ¦   +/-5    ¦        ¦          ¦    не более    ¦

+——————————————————————+

     МКР-1             300        118       50            0,60

     МКР-2             340        160       67            0,75


1.2.7.  Допуск соосности всада относительно плоскости симметрии корпуса молотка не должен быть более:

   

  0,3 мм -для корпуса молотка массой до 0,2 кг;

  0,5 мм   "     "       "       "   от 0,2 до 1,0 кг;

     

  1,0 мм   "     "       "       " св. 1,0 кг

  и молотков типоразмеров МКИ-1, МКИ-3, МШТ-3, МПЛ-4.

1.2.8.  Параметры шероховатости поверхностей по ГОСТ 2789 не должны быть более:

Ra  3,2 мкм — для торцевых поверхностей бойка и носка наружных поверхностей гвоздодерной части;



Исполнение 2

(Остальное -см. исполнение 1)



Масса — не более 1,0 кг

________

*  Размеры для справок.


1 — корпус; 2 — кольцо; 3 — стержень; 4 — рукоятка

Черт.3

Таблица 4

+——————————————————————+

¦                  ¦   Наименование¦Твердость¦ Глубина термической ¦

¦    Тип молотка   ¦обрабатываемого¦   HRCэ  ¦ обработки торца, мм ¦

¦                  ¦    участка    ¦         ¦                     ¦

+——————————————————————+

Молотки всех типов  Боек             44…57          5-10

МСТ, МПА, МКР,      Носок            44…57          5-10

МПЛИ

МКИ                   "              44…57         15-20

МПЛ, МШТ, МШМ       Гвоздодерная     37…44  Вся длина гвоздодерной

                    часть                     части


     Rz 40  мкм  —   для  наружных  поверхностей  корпусов молотков,

                    изготовленных из   проката,   или  поверхностей,

                    подвергаемых механической обработке;

     Rz 320 мкм —   для наружных поверхностей  корпусов молотков, не

                    подвергаемых механической обработке.

1.2.9.  Деревянные ручки не должны иметь трещин, гнили, прорости и червоточин.



Исполнение 3

Масса — не более 0,50 кг

_______

*  Размеры для справок.


1 — корпус; 2 — ручка; 3 — клин

Черт.4


Допускается  не более двух сросшихся здоровых сучков диаметром не более 5 мм на расстоянии 2/3 длины ручки со стороны свободного конца.

На  ручках плиточных молотков сучки не допускаются.

Остальные  пороки древесины не должны превышать норм, установленных для пиломатериалов 1-го сорта по ГОСТ 2695.


1.2.10.  Влажность деревянных ручек перед насадкой не должна быть более 12%.


1.2.11.  Наружная поверхность рукоятки не должна иметь наплывов, раковин, пузырей, вмятин и облоя.


1.2.12.  Выступ конца ручки от корпуса молотка, за исключением молотков типоразмеров МПЛ-4, МКИ-1, МКИ-3, МШТ-3, не должен быть более 2 мм.


1.2.13.  Деревянные ручки в сборе с корпусом, за исключением молотков типоразмеров МПЛ-4, МКИ-1, МКИ-3, МШТ-3, должны быть расклинены.

Трещины  от расклинивания на ручках за пределами всада не допускаются.



Исполнение 4



Масса — не более 0,90 кг

________

*  Размеры для справок.


1 — корпус; 2 — ручка

Черт.5


1.2.14.  Рукоятка должна быть плотно насажена на стержень.

Прокручивание  рукоятки относительно стержня при ударе не допускается.


1.2.15.  Соединение корпуса молотка с ручкой или стержнем должно выдерживать стягивающее усилие не менее:

    

  490 Н (50 кгс) — для молотков массой до 0,2 кг;

  980 Н (110 кгс)   "     "       "    от 0,2 кг до 1,0 кг;

     

  1470 Н (150 кгс)  "     "       "    св. 1,0 кг.

1.2.16.  Бойки молотков при ударе по стальной плите, а также гвоздодерная часть плотничных, штукатурных и шиферных молотков при выдергивании гвоздей не должны изменять геометрическую форму, выкрашиваться; не должны образовываться трещины, изломы и сколы.


1.2.17.  Корпуса молотков, кольца, оковки и стержни должны иметь защитное покрытие по ГОСТ 9.306. Выбор покрытия — по ГОСТ 9.303 для группы условий эксплуатации 3 по ГОСТ 15150.

Допускается  применять лакокрасочное покрытие.


1.2.18.  Ручки должны быть окрашены эмалями ярких тонов или покрыты лаком по ГОСТ 4976.

Допускается  ручки пропитывать олифой по ГОСТ 7931 или ГОСТ 190.



Молотки-кирочки

Тип МКИ

Исполнение 1


Масса — не более 0,70 кг

_______

*  Размеры для справок.


1 — корпус; 2 — ручка

Черт.6


1.2.19.  Лакокрасочные покрытия должны соответствовать классу V по ГОСТ 9.032 и условиям эксплуатации У1 по ГОСТ 9.104.


1.2.20.  Поверхность торца бойка молотков всех типов и носка молотков типов МСТ, МКР и МПА должны быть осветлены механическим способом.


1.3.  Требования к сырью и материалам

Детали  молотков должны быть изготовлены из материалов, указанных в табл.5.


1.4.  Маркировка

На  поверхности каждого молотка (за исключением бойка) должны быть нанесены:

—  товарный знак предприятия-изготовителя;

—  тип или типоразмер;

—  цена (при изготовлении молотка для розничной продажи).

Примечание.  Способы нанесения маркировки должны обеспечивать ее сохранность в течение всего срока службы молотка.



Исполнение 2

(Остальное см. исполнение 1)

Масса — не более 1,00 кг

1 — корпус; 2 — кольцо; 3 — стержень; 4 — рукоятка

Черт.7

1.5.  Упаковка


1.5.1.  Упаковка молотков — по ГОСТ 18088 или ГОСТ 23170 по категории КУ-1.

По  согласованию с потребителем допускается другая упаковка, обеспечивающая сохранность молотков от механических повреждений и воздействия влаги во время транспортирования и хранения.


1.5.2.  В транспортную тару должен быть вложен упаковочный лист по ГОСТ 18088.


1.5.3.  Маркировка транспортной тары — по ГОСТ 14192.



Исполнение 3

Масса — не более 0,60 кг

_______     

*  Размеры для справок.


1 — корпус; 2 — ручка

Черт.8

Молотки штукатурные

 

Тип МШТ

Исполнение 1

Масса — не более 0,70 кг

_______     

*  Размеры для справок.


1 — корпус; 2 — ручка; 3 — клин

Черт.9


 Исполнение 2

(Остальное — см. исполнение 1)



Масса — не более 1,00 кг

1 — корпус; 2 — кольцо; 3 — стержень; 4 — рукоятка

Черт.10


Таблица 5

+——————————————————————+

¦    Наименование детали    ¦               Материал               ¦

+——————————————————————+

 Корпус                      Сталь марки 40Х по ГОСТ 4543, сталь ма-

                             рок У7 или У8 по ГОСТ 1435, сталь марок

                             45, 50 или 60 по ГОСТ 1050 и сталь ма-

                             рок 45Л или 50Л по ГОСТ 977

 Ручка                       Пиломатериалы твердых лиственных пород

                             по ГОСТ 2695

 Клин, оковка, кольцо        Сталь любой марки по ГОСТ 380 или ГОСТ

                             1050

 Вставка                     Твердый сплав ВК8, ВК15 по ГОСТ 3882

 Стержень                    Сталь любой марки по ГОСТ 1050

 Рукоятка                    Резина по технической документации, ут-

                             вержденной в установленном порядке


Исполнение 3

Масса — не более 0,75 кг

________     

*  Размеры для справок.


1 — корпус; 2 — ручка

Черт.11

Молоток паркетный

Тип МПА

Масса — не более 0,70 кг

______     

*  Размеры для справок.


1 — корпус; 2 — ручка; 3 — клин

Черт.12

Молотки кровельные

Тип МКР

_______

     * Размер для справок.

1 — корпус; 2 — оковка; 3 — ручка; 4 — клин

Черт.13

Типоразмер МКР-3

Масса — не более 1,50 кг

________     

*  Размер для справок.


1 — корпус; 2 — оковка; 3 — ручка; 4 — клин

Черт.14


Молотки шиферные

Тип МШИ

Масса — не более 0,70 кг

_______     

*  Размеры для справок.


1 — корпус; 2 — ручка; 3 — клин

Черт.15


Исполнение 2

(Остальное — см. исполнение 1)

Масса  — не более 1,00 кг

1 — корпус; 2 — кольцо; 3 — стержень; 4 — рукоятка

Черт.16

Молотки плиточные

Тип МПЛИ

Исполнение 1


 Масса — не более 0,09 кг

1 — корпус; 2 — ручка; 3 — клин

Черт.17

 

Исполнение 2

(Остальное -см. исполнение 1)


Масса  — не более 0,10 кг

1 — корпус; 2 — ручка; 3 — клин

Черт.18

_______

*  Размеры для справок.



Исполнение 3

(Остальное -см. исполнение 1)


Масса  — не более 0,09 кг

1 — корпус; 2 — вставка; 3 — ручка; 4 — клин

Черт.19

Молотки шанцевые

Тип МША

Исполнение 1

Масса  — не более 2,20 кг

_______

*  Размеры для справок.


1 — корпус; 2 — ручка; 3 — клин

Черт.20

 

Исполнение 2

(Остальное -см. исполнение 1)

Масса  — не более 2,50 кг

1 — корпус; 2 — кольцо; 3 — стержень; 4 — рукоятка

Черт. 21

Исполнение 3


Масса — не более 2,30 кг

_______

*  Размер для справок.


1 — корпус; 2 — ручка; 3 — клин

Черт.22

Молотки-кулачки

Тип МКУ

Исполнение 1

Масса — не более 2,20 кг

______

*  Размеры для справок.


1 — корпус; 2 — ручка; 3 — клин

Черт.23

Исполнение 2

(Остальное -см. исполнение 1)

Масса  — не более 2,30 кг

1 — корпус; 2 — кольцо; 3 — стержень; 4 — рукоятка

Черт.24


2. Приемка


2.1.  Молотки должны быть приняты техническим контролем предприятия-изготовителя.


2.2.  Для проверки соответствия молотков требованиям настоящего стандарта предприятие-изготовитель должно проводить приемосдаточные испытания.


2.3.  Приемку и поставку молотков производят партиями.

Размер  партии устанавливают соглашением сторон. Партия должна состоять из молотков одного типа или типоразмера, изготовленных из одних и тех же материалов, обработанных по одному технологическому процессу и одновременно предъявляемых к приемке по одному документу.


2.4.  При проверке молотков на соответствие требованиям пп.1.1.1 (в части соответствия образцам-эталонам), 1.1.3, 1.2.2, 1.2.4-1.2.9, 1.2.11-1.2.13, 1.2.17-1.2.20, 1.4 применяют двухступенчатый контроль, для чего от партии отбирают молотки в выборку в соответствии с табл.6.



Таблица 6

+——————————————————————+

¦Объем партии ¦ Ступень¦ Объем од- ¦  Объем    ¦Приемоч-¦ Браковоч-¦

¦молотков, шт.¦контроля¦ной выборки¦ двух вы-  ¦  ное   ¦    ное   ¦

¦             ¦        ¦ молотков, ¦борок мо-  ¦  число ¦   число  ¦

¦             ¦        ¦    шт.    ¦лотков, шт.¦        ¦          ¦

+——————————————————————+

               Первая                              0         2

    51-90                    8          16

               Вторая                              1         2

               Первая                              0         3

    91-150                  13          26

               Вторая                              3         4

               Первая                              1         4

   151-280                  20          40

               Вторая                              4         5

               Первая                              2         5

   281-500                  32          64

               Вторая                              6         7

               Первая                              3         7

   501-1200                 50         100

               Вторая                              8         9


2.5.  Партию молотков принимают, если количество дефектных молотков в первой выборке меньше или равно приемочному числу, и бракуют без назначения второй выборки, если количество дефектных молотков больше или равно браковочному числу.

Если  количество дефектных молотков в первой выборке больше приемочного числа, но меньше браковочного, проводят вторую выборку.

Партию  молотков принимают, если количество дефектных молотков в двух выборках меньше или равно приемочному числу, и бракуют, если количество дефектных молотков в двух выборках больше или равно браковочному числу.


2.6.  Для проверки молотков на соответствие требованиям пп.1.2.1, 1.2.3, 1.2.10, 1.2.14-1.2.16, 1.3 от партии отбирают 1% молотков, но не менее 5 шт.

Если  при проверке отобранных для контроля молотков хотя бы одно изделие не будет удовлетворять требованиям, приведенным в пп. 1.2.1, 1.2.3, 1.2.10, 1.2.14-1.2.16, следует проводить повторные испытания удвоенного числа изделий, отобранных из той же партии.

При  неудовлетворительных результатах повторной проверки молотки приемке не подлежат.

Результаты  повторной проверки являются окончательными.


2.7.  Потребитель имеет право проводить контрольную проверку количества молотков, соблюдая при этом приведенный порядок отбора образцов и применяя методы испытания, установленные настоящим стандартом.



3. Методы контроля (испытаний)


3.1.  Длину молотков в сборе проверяют при помощи измерительных средств с абсолютной погрешностью +/-1 мм, остальные размеры молотков, диаметр сучков и выступ конца ручки измеряют с абсолютной погрешностью +/-0,1 мм.


3.2.  Допуск соосности всада относительно плоскости симметрии корпуса молотка проверяют при помощи шаблона или штангенциркулем ШЦ-1 — 125 — 0,1 по ГОСТ 166.


3.3.  Проверка термически обработанной части корпусов молотков по ГОСТ 9013 (п.1.2.3) и ГОСТ 9012 (п.1.2.1).

Допускается  применять метод проверки образцов-свидетелей, термически обработанных вместе с контролируемой партией изделий, для определения твердости корпусов молотков.


3.4.  Массу молотков определяют взвешиванием на весах с допустимой погрешностью +/-0,005 кг.


3.5.  Влажность древесины ручек определяют по ГОСТ 16588 или при помощи влагомера по ГОСТ 24447.


3.6.  Контроль металлических и окисных покрытий — по ГОСТ 9.302.


3.7.  Прочность соединения корпуса молотка с ручкой или стержнем (п.1.2.15) проверяют методом приложения равномерно возрастающей нагрузки. Статическую нагрузку прикладывают в течение 2 мин и измеряют динамометром общего назначения 2-го класса точности по ГОСТ 13837.

Молотки  типоразмеров МПЛ-4, МКИ-1, МКИ-3, МШТ-3 проверке по п.1.2.15 не подлежат.


3.8.  Контроль по пп.1.2.2, 1.2.4-1.2.6, 1.2.8, 1.2.9, 1.2.11, 1.2.13, 1.2.17 (в случае лакокрасочного покрытия), 1.2.8-1.2.20, 1.4 осуществляют визуально методом сравнения с образцами-эталонами.


3.9.  Шероховатость (п.1.2.8) контролируют визуально методом сравнения с образцами шероховатости или на профилометре по ГОСТ 19300.


3.10.  Испытания молотков на соответствие пп.1.2.14 и 1.2.16 проводят пятикратным ударом молотка по стальной плите, термически обработанной до твердости 34…42 HRCэ.

Прочность  гвоздодерной части молотков испытывают путем выдергивания 5 гвоздей диаметром 3-4 мм, длиной 100 мм, забитых на глубину 75 мм в торец березового бруса.

После  испытаний на всех деталях молотков не должно быть трещин, сколов, изломов, вмятин.



4. Транспортирование и хранение


4.1.  Упакованные молотки допускается перевозить транспортом любого вида при обеспечении мер, предохраняющих молотки от механических повреждений и воздействия влаги.


4.2.  Хранение молотков — по группе хранения 2 ГОСТ 15150.



5. Гарантии изготовителя


Предприятие-изготовитель  должно гарантировать соответствие молотков требованиям настоящего стандарта при соблюдении потребителем условий их транспортирования и хранения.



Приложение 1

Рекомендуемое

Клинья для строительных молотков

Исполнение 1

Черт.25

Таблица 7

Размеры в мм

+——————————————————————+

¦   Тип или   ¦    ¦    ¦      ¦      ¦    ¦    ¦     ¦ Масса, кг, ¦

¦ типоразмер  ¦ В  ¦ Н  ¦ Н(1) ¦ Н(2) ¦  D ¦ S  ¦ S(1)¦  не более  ¦

¦   молотка   ¦    ¦    ¦      ¦      ¦    ¦    ¦     ¦            ¦

+————-+—-+—-+——+——+—-+—-+——+————¦

¦             ¦    ¦    ¦      ¦      ¦    ¦    ¦     ¦            ¦

¦МПЛИ         ¦  8 ¦  8 ¦      ¦  2   ¦    ¦2,5 ¦ 1   ¦   0,004    ¦

+————-+—-+—-+——+——+—-+—-+——+————¦

¦МСТ-1        ¦ 14 ¦ 16 ¦ 9,6  ¦  3   ¦ 8  ¦4,0 ¦ 1,6 ¦   0,008    ¦

+————-+—-+—-+——+——+—-+—-+——+————¦

¦МПА, МСТ-2,  ¦    ¦    ¦      ¦      ¦    ¦    ¦     ¦            ¦

¦МСТ-3, МКР-1,¦    ¦    ¦      ¦      ¦    ¦    ¦     ¦            ¦

¦МКР-2        ¦    ¦ 20 ¦ 12   ¦      ¦    ¦    ¦     ¦   0,010    ¦

+————-¦ 20 +—-+——¦      ¦    ¦    ¦     +————¦

¦МШТ, МПЛ,    ¦    ¦    ¦      ¦  4   ¦ 10 ¦5,0 ¦  2  ¦            ¦

¦МШИ          ¦    ¦ 25 ¦ 15   ¦      ¦    ¦    ¦     ¦   0,013    ¦

+————-¦    +—-+——¦      ¦    ¦    ¦     +————¦

¦МСТ-4, МРК-3 ¦    ¦ 30 ¦ 18   ¦      ¦    ¦    ¦     ¦   0,015    ¦

+————-+—-+—-+——¦      ¦    ¦    ¦     +————¦

¦МКУ, МША     ¦ 22 ¦ 36 ¦ 21,6 ¦      ¦    ¦    ¦     ¦   0,018    ¦

+——————————————————————+


Клинья для строительных молотков

Исполнение 2


Черт.26

Таблица 8

                                 Размеры в мм

+———————————————————————————-+

¦Тип или ти-  ¦ В  ¦  Н  ¦  С  ¦ С(1) ¦  m  ¦ m(1) ¦ m(2) ¦  S  ¦ Число ¦Масса, кг,¦

¦ поразмер    ¦    ¦     ¦     ¦      ¦     ¦      ¦      ¦     ¦зубьев ¦ не более ¦

¦ молотка     ¦    ¦     ¦     ¦      ¦     ¦      ¦      ¦     ¦       ¦          ¦

+————-+—-+——+——+——+——+——+——+——+——-+———-¦

¦             ¦    ¦     ¦     ¦      ¦     ¦      ¦      ¦     ¦       ¦          ¦

¦МПЛ          ¦  8 ¦  8  ¦     ¦      ¦     ¦      ¦      ¦ 2,7 ¦       ¦  0,003   ¦

+————-+—-+——¦ 2,5 ¦ 0,8  ¦ 0,6 ¦  0,3 ¦  —   +——¦   2   +———-¦

¦МСТ-1        ¦ 12 ¦ 12  ¦     ¦      ¦     ¦      ¦      ¦ 4,0 ¦       ¦  0,004   ¦

+————-+—-+——+——+——+——+——+——+——+——-+———-¦

¦МПА, МСТ-2   ¦    ¦     ¦     ¦      ¦     ¦      ¦      ¦     ¦       ¦          ¦

¦МСТ-3, МКР-1,¦    ¦     ¦     ¦      ¦     ¦      ¦      ¦     ¦       ¦          ¦

¦МКР-2        ¦ 15 ¦ 15  ¦ 3,5 ¦      ¦ 0,9 ¦  0,6 ¦  0,3 ¦ 3,8 ¦       ¦  0,006   ¦

+————-+—-+——+——¦ 1,0  +——+——+——+——¦       +———-¦

¦МШТ, МПЛ,    ¦    ¦     ¦     ¦      ¦     ¦      ¦      ¦     ¦       ¦          ¦

¦МШИ          ¦ 20 ¦ 20  ¦ 4,5 ¦      ¦     ¦  0,8 ¦  0,4 ¦ 5,0 ¦   3   ¦  0,012   ¦

+————-+—-+——+——¦      ¦     +——+——+——¦       +———-¦

¦МСТ-4,МКР-3  ¦ 22 ¦ 22  ¦ 5,0 ¦      ¦ 1,0 ¦      ¦      ¦ 5,5 ¦       ¦  0,015   ¦

+————-+—-+——+——+——¦     ¦  1,0 ¦  0,5 +——¦       +———-¦

¦МКУ, МША     ¦ 24 ¦ 24  ¦ 6,0 ¦ 1,5  ¦     ¦      ¦      ¦ 6,0 ¦       ¦  0,022   ¦

+———————————————————————————-+


Приложение 2

Обязательное


Всады молотков

Черт.27

Таблица 9

Размеры в мм

+——————————————————————+

¦                       ¦       А        ¦       Б       ¦         ¦

¦     Тип молотка       +—————-+—————¦  Уклон  ¦

¦                       ¦ Номин.¦  Пред. ¦ Номин.¦ Пред. ¦         ¦

¦                       ¦       ¦  откл. ¦       ¦ откл. ¦         ¦

+————————+——-+———+——-+——-+———¦

¦                       ¦       ¦        ¦       ¦       ¦         ¦

¦  МПЛИ                 ¦  16   ¦ +0,43  ¦   6   ¦ +0,3  ¦   1:15  ¦

+————————+——-+———+——-+——-+———¦

¦  МСТ-1                ¦  22   ¦        ¦  12   ¦       ¦         ¦

+————————+——-¦        +——-¦       ¦   1:20  ¦

¦  МСТ-2, МСТ-3, МПА,   ¦       ¦ +0,52  ¦       ¦       ¦         ¦

¦  МКР-1, МКР-2         ¦  30   ¦        ¦  16   ¦ +0,43 ¦         ¦

+————————¦       ¦        ¦       ¦       +———¦

¦  МПЛ-1, МШТ-1, МШИ-1  ¦       ¦        ¦       ¦       ¦   1:30  ¦

+————————+——-+———+——-¦       +———¦

¦  МСТ-4, МКР-3         ¦  32   ¦        ¦  18   ¦       ¦   1:20  ¦

+————————+——-¦ +0,62  +——-+——-+———¦

¦                       ¦       ¦        ¦       ¦       ¦         ¦

¦  МКУ-1, МША-1         ¦  34   ¦        ¦  20   ¦ +0,52 ¦   1:30  ¦

+——————————————————————+


Для молотков типов МПЛ-1, МШТ-1, МШИ-1


Черт.28

Для молотков типов МША-1, МКУ-1

Черт.29

Для молотка типа МКИ-1

Черт.30

Для молотка типа МШТ-3

Черт.31

Для молотков типов МПЛ-2, МШТ-2,

МКИ-2, МШИ-2, МША-2, МКУ-2

Черт.32

Для молотка типа МША-3


Черт.33

Для молотка типа МШТ-4


Черт.34

Для молотка типа МПЛ-3


Черт.35

 

Для молотка типа МКИ-3


Черт.36




Текст документа сверен по:

официальное издание

М.: Издательство стандартов, 1994

Предоставлено компанией .