ГОСТ 14624-84
Группа Ж32
МЕЖГОСУДАРСТВЕННЫЙ СТАНДАРТ
ДВЕРИ ДЕРЕВЯННЫЕ ДЛЯ ПРОИЗВОДСТВЕННЫХ ЗДАНИЙ
Типы, конструкция и размеры
Wood doors for industrial buildings.
Types, construction and dimensions
ОКП 53 6138
Дата введения 1985-07-01
ИНФОРМАЦИОННЫЕ ДАННЫЕ
1. РАЗРАБОТАН И ВНЕСЕН Центральным научно-исследовательским и проектно-экспериментальным институтом промышленных зданий и сооружений (ЦНИИпромзданий) Госстроя СССР
2. УТВЕРЖДЕН И ВВЕДЕН В ДЕЙСТВИЕ Постановлением Государственного комитета СССР по делам строительства от 13.03.84 N 22
3. ВЗАМЕН ГОСТ 14624-69 и ГОСТ 17324-71
4. ССЫЛОЧНЫЕ НОРМАТИВНО-ТЕХНИЧЕСКИЕ ДОКУМЕНТЫ
|
|
|
| Обозначение НТД, на который дана ссылка
| Номер пункта, приложения
|
|
|
|
|
|
|
|
|
|
|
|
|
|
|
|
|
|
|
|
|
|
|
|
|
|
|
5. ПЕРЕИЗДАНИЕ. Январь 2002 г.
Настоящий стандарт распространяется на деревянные внутренние и наружные двери для производственных зданий промышленных и сельскохозяйственных предприятий.
Стандарт не распространяется на двери специального исполнения (трудносгораемые, несгораемые, звукоизолирующие).
1. ТИПЫ И РАЗМЕРЫ
1.1. В зависимости от назначения двери подразделяют на:
В — внутренние;
Н — наружные.
1.2. В зависимости от конструкции двери подразделяют на следующие типы:
Г — с притвором в четверть, с глухими полотнами;
О — с притвором в четверть, с остекленными полотнами;
К — с остекленными качающимися полотнами.
1.3. Двери типа В изготовляют щитовыми со сплошным или мелкопустотным (решетчатым) заполнением дверных полотен.
1.4. Двери типа Н изготовляют со сплошными щитовыми или рамочными полотнами. Щитовые полотна допускается изготовлять без обшивки или с реечной обшивкой.
Двери типа Н относят к изделиям повышенной влагостойкости.
1.5. Двери типов Г и О изготовляют правыми и левыми, с порогом и без порога. Двери типа К изготовляют только двупольными остекленными.
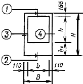
1.6. Типы и размеры дверных блоков должны соответствовать указанным на черт.1 и 2. Допускается изготовление дверей с габаритными размерами в модулях по ГОСТ 6629 и ГОСТ 24698 при конструктивном исполнении по настоящему стандарту.
1.7. Размеры полотен и коробок внутренних дверей, форма, размеры элементов и сечений их деталей должны соответствовать указанным на черт.3, 5, 7, 8, а наружных — на черт.4, 6, 9-11.
Размеры проемов приведены в приложении 1.
1.8. Устанавливают следующую структуру условного обозначения дверей:
Примеры условных обозначений
Дверь внутренняя, глухая, для проема высотой 19 и шириной 9 дм, с правой навеской полотна, с порогом:
ДВГ 19-9 П ГОСТ 14624-84
То же, с левой навеской полотна:
ДВГ 19-9 ЛП ГОСТ 14624-84
То же, наружная остекленная, для проема высотой 21 и шириной 9 дм, с левой навеской полотна, с порогом:
ДНО 21-9 ЛП ГОСТ 14624-84
То же, с качающимися полотнами, для проема высотой 21 и шириной 15 дм, с обшивкой типа О-1:
ДНК 21-15 О1 ГОСТ 14624-84
ТИПЫ И РАЗМЕРЫ ВНУТРЕННИХ ДВЕРЕЙ
Тип Г
Тип О
Тип К
Черт.1
ТИПЫ И РАЗМЕРЫ НАРУЖНЫХ ДВЕРЕЙ
Черт.2
Примечание к черт.1 и 2. Над схемами дверей указаны координационные размеры высоты и ширины в модулях.
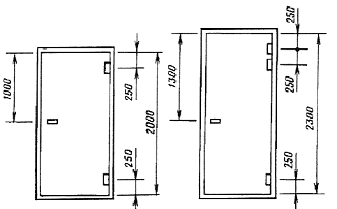
РАЗМЕРЫ ПОЛОТЕН ВНУТРЕННИХ ДВЕРЕЙ
В миллиметрах
|
|
|
|
|
|
|
|
|
|
|
| Схема полотна
| Размер полотна
| Размер стекла
| |||||
| Тип двери
|
|
|
|
|
|
| Высота
| Ширина
|
| Г
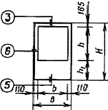
|
| 1800
| 800
| | | | | |
| | | | | —
| —
| —
| —
| —
|
| |
| 2000
| 600; 700; 900
|
|
|
|
|
|
| О
| |
| 700
|
|
| 480
|
| 475
|
| | | 2000
| | 1305
| 530
| | 1300
| |
| | |
| 900
|
|
| 680
|
| 675
|
| К
| |
| 700
|
|
| 480
|
| 475
|
| | | 2000
| | 1305
| 530
| | 1300
| |
| | |
| 900
|
|
| 680
|
| 675
|
Черт.3
Примечание. Сечения полотен — на черт.7 и 8.
РАЗМЕРЫ ПОЛОТЕН НАРУЖНЫХ ДВЕРЕЙ
В миллиметрах
|
|
|
|
|
|
|
|
|
|
|
| Схема полотна
| Размер полотна
| Размер стекла
| |||||
| Тип двери
|
|
|
|
|
|
| Высота
| Ширина
|
| Г
|
|
2000
|
|
|
|
|
|
|
| | | | 800; 900
| —
| —
| —
| —
| —
|
|
|
| 2300
| |
|
|
|
|
|
| О
|
|
| 800
|
|
| 580
|
| 575
|
| | | 2000
| | 1305
| 530
| | 1300
|
|
| | | | 900
| | | 680
| | 675
|
| | | | 800
|
|
| 580
| | 575
|
| | | 2300
| | 1755
| 380
| | 1750
|
|
| | | | 900
| | | 680
| | 675
|
Черт.4
Примечание. Сечения полотен — на черт.9-11.
РАЗМЕРЫ КОРОБОК ВНУТРЕННИХ ДВЕРЕЙ
В миллиметрах
|
|
|
|
|
|
|
| Вид дверной коробки
| Схема коробки
|
|
|
|
|
| С порогом
| | 1871
| 870
| 1805
| 804
|
|
| | | 1272
|
| 1206
|
|
| | 2071
| 1472
| 2005
| 1406
|
|
| | | 1872
| | 1806
|
| Без порога
| |
| 1472
|
| 1406
|
| | | 2071
|
| 2038
| |
|
| | | 1872
|
| 1806
|
| Для качающихся полотен
|
|
|
1498
|
|
1408
|
|
|
| 2071
|
| 2026
|
|
|
|
|
| 1898
|
| 1808
|
Черт.5
Примечание. Сечения полотен — на черт.7 и 8.
РАЗМЕРЫ КОРОБОК НАРУЖНЫХ ДВЕРЕЙ
В миллиметрах
|
|
|
|
|
|
|
| Вид дверной коробки
| Схема дверной коробки
|
|
|
|
|
| С порогом
|
|
|
884
|
|
804
|
| | | 2085
| | 2005
| |
|
| | | 984
| | 904
|
|
| |
| 884
|
| 804
|
| | | 2385
| | 2305
| |
|
| |
| 984
|
| 904
|
| Без порога
|
|
| 884
|
| 804
|
| | | 2078
| | 2038
| |
|
| | | 984
| | 904
|
|
| |
| 884
|
| 804
|
| | | 2378
| | 2338
| |
|
| |
| 984
|
| 904
|
Черт.6
Примечание. Сечения полотен — на черт.9-11.
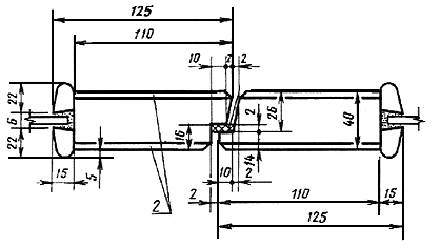
СЕЧЕНИЯ ПО ПРИТВОРАМ ВНУТРЕННИХ ДВЕРЕЙ
1 — пружинная петля ПН9-130 по ГОСТ 5088; 2 — монтажная доска
Черт.7
СЕЧЕНИЯ ПО СРЕДНИМ ПРИТВОРАМ ВНУТРЕННИХ ДВЕРЕЙ
Нащельники показаны для правой двери, для левой — в негативном (зеркальном) изображении.
СЕЧЕНИЯ ЭЛЕМЕНТОВ ПОЛОТЕН ПО КРОМКАМ ВНУТРЕННИХ
И НАРУЖНЫХ ДВЕРЕЙ
|
|
|
|
|
|
| Без обкладки
| С обкладкой
|
|
|
| Глухие двери (тип Г)
|
|
Остекленные двери (тип О)
Двери остекленные с качающимися полотнами (тип К)
1 — бруски каркаса щита; 2 — заполнение или остекление; 3 — обкладка
Каркас дверей должен быть собран на сквозной открытый шип.
Черт.8
СЕЧЕНИЯ ДЕТАЛЕЙ НАРУЖНЫХ ДВЕРЕЙ
1 — уплотняющая прокладка по ГОСТ 10174; 2 — облицовка ДВП марки СТ или Т-В по ГОСТ 4598; 3 — рейка 12х12 мм;
4 — прокладка из резины толщиной 2 мм по ГОСТ 7338; 5 — шуруп 1-3х30 по ГОСТ 1144, шаг 200 мм;
6 — монтажная доска
Черт.9
СЕЧЕНИЯ ПО СРЕДНИМ ПРИТВОРАМ
1 — уплотняющая прокладка по ГОСТ 10174; 2 — облицовка ДВП марок СТ или Т-В по ГОСТ 4598
Черт.10
ДВЕРИ ЩИТОВЫЕ С ОБШИВКОЙ
1 — облицовка ДВП марки Т группы А по ГОСТ 4598; 2 — обшивка типа О-2 по ГОСТ 8242; 3 — пергамин по ГОСТ 2697; 4 — уплотняющая прокладка по ГОСТ 10174; 5 — раскладка
Черт.11
2. ТРЕБОВАНИЯ К КОНСТРУКЦИИ
2.1. Двери следует изготовлять в соответствии с требованиями ГОСТ 475 и настоящего стандарта по рабочим чертежам, утвержденным в установленном порядке.
2.2. Сплошное и мелкопустотное заполнения щитов полотен выполняют в соответствии с требованиями и схемами, указанными в ГОСТ 6629.
Рамочные конструкции остекленных полотен выполняют по ГОСТ 24698.
2.3. При повышенных требованиях к прочности следует изготовлять глухие распашные двери со сплошным заполнением щитов деревянными рейками, а при повышенных требованиях к тепло- и звукоизоляции дополнительно следует уплотнять притворы прокладками по ГОСТ 10174 или из пористой резины по ГОСТ 7338.
2.4. Наружные двери облицовывают древесноволокнистыми плитами (ДВП) марки СТ или Т-В по ГОСТ 4598.
Допускается применять для облицовки щитов наружных дверей ДВП марки Т по ГОСТ 4598 и клееную фанеру при условии сплошной облицовки полотен профильными рейками по ГОСТ 8242, устанавливаемыми по слою пергамина по ГОСТ 2697.
Рейки крепят шурупами по ГОСТ 1144 или гвоздями по ГОСТ 4028 с антикоррозионным покрытием. Максимальный шаг креплений — 500 мм. Крепления в каждом ряду следует располагать на одном уровне по всей ширине полотна.
2.5. Нижние части полотен наружных дверей должны быть защищены деревянными планками толщиной 16-19 мм или полосами из декоративного бумажнослоистого пластика толщиной 1,3-2,5 мм по ГОСТ 9590, сверхтвердых ДВП толщиной 3,2-4,0 мм по ГОСТ 4598, тонколистовой оцинкованной стали или алюминия.
Защитные накладки устанавливают на водостойких клеях и шурупах с головками, имеющими антикоррозионное покрытие, с шагом не более 100 мм.
2.6. Коробку без порога расшивают внизу монтажной доской с креплением гвоздями к торцам вертикальных брусков. Допускается шиповое соединение монтажной доски с брусками коробки с просветом между доской и полотном не более 50 мм.
2.7. В коробках наружных дверей пороги следует укреплять стальной полосой 14х4 мм на шурупах, имеющих антикоррозионное покрытие и устанавливаемых с шагом не более 100 мм.
2.8. Площадь дверных блоков определяют по наружным размерам коробок без учета монтажной доски.
2.9. Расположение приборов и примеры установки защитных ограждений приведены в приложении 2.
ПРИЛОЖЕНИЕ 1
Справочное
РАЗМЕРЫ ДВЕРНЫХ ПРОЕМОВ В СТЕНАХ
Примечание. Над схемами проемов указаны координационные размеры высоты и ширины в модулях.
ПРИЛОЖЕНИЕ 2
Обязательное
РАСПОЛОЖЕНИЕ ПРИБОРОВ
Замок по ГОСТ 5089 для наружных дверей ЗВ1А, для внутренних — ЗВ4.
Петли по ГОСТ 5088 для наружных дверей ПН1-110, для внутренних — ПН4, для качающихся — ПН9-130-1.
ПРИЕМЫ УСТАНОВКИ ЗАЩИТНЫХ ОГРАЖДЕНИЙ
ДЛЯ НАРУЖНЫХ ДВЕРЕЙ
1 — деревянные планки из твердолиственных пород; 2 — крепежная планка из полосовой стали; 3 — стальной пруток
Текст документа сверен по:
официальное издание
М.: ИПК Издательство стандартов, 2002
Предоставлено компанией .


