ГОСТ 18124-95 Листы асбестоцементные плоские

Автор: | 17.02.2015

ГОСТ 18124-95


Группа  Ж16

ГОСУДАРСТВЕННЫЙ СТАНДАРТ СОЮЗА ССР


ЛИСТЫ АСБЕСТОЦЕМЕНТНЫЕ ПЛОСКИЕ

Технические условия

Asbestos cement flat sheets. Specifications

ОКС 91.100.40, ОКСТУ 5781

 Дата введения 1996-07-01


ПРЕДИСЛОВИЕ


1.  РАЗРАБОТАН Акционерным обществом "Стромкомпозит" Российской Федерации

ВНЕСЕН  Минстроем России


2.  ПРИНЯТ Межгосударственной научно-технической комиссией по стандартизации и техническому нормированию в строительству (МНТКС) 19 апреля 1995 года.

За  принятие проголосовали


+——————————————————————-+

¦Наименование государства             ¦Наименование органа государ- ¦

¦                                     ¦ственного управления стро-   ¦

¦                                     ¦ительством                   ¦

+——————————————————————-+

 Азербайджанская Республика            Госстрой Азербайджанской

                                       Республики

 Республика Казахстан                  Минстрой Республики Казахстан

 Республика Молдова                    Минархстрой Республики Молдова

 Российская Федерация                  Минстрой России

 Республика Таджикистан                Госстрой Республики Таджики-

                                       стан

 Республика Узбекистан                 Госкомархитекстрой Республи-

                                       ки Узбекистан


3.  ВВЕДЕН В ДЕЙСТВИЕ с 1 июля 1996 года в качестве государственного стандарта Российской Федерации Постановлением Минстроя России от 14 июля 1995 года N 18-68


4.  ВЗАМЕН ГОСТ 18124-75



1. ОБЛАСТЬ ПРИМЕНЕНИЯ


Настоящий  стандарт распространяется на асбестоцементные плоские листы (далее — листы), предназначенные для изготовления и облицовки строительных конструкций.

Стандарт  устанавливает обязательные требования, изложенные в разделах 3, 6 и 7, подразделах 4.1 — 4.3, пунктах 4.4.2, 8.1.3, 8.1.4, 8.2.1, 8.2.3, 8.2.4.


2. НОРМАТИВНЫЕ ССЫЛКИ


В  настоящем стандарте использованы ссылки на следующие стандарты:

ГОСТ  3282-74 Проволока стальная низкоуглеродистая общего назначения. Технические условия

ГОСТ  3560-73 Лента стальная упаковочная. Технические условия

ГОСТ  8747-88 Изделия асбестоцементные листовые. Методы испытаний

ГОСТ  14192-77 Маркировка грузов

ГОСТ  15846-79 Продукция, отправляемая в районы Крайнего Севера и труднодоступные районы. Упаковка, маркировка, транспортирование и хранение

ГОСТ  22235-76 Вагоны грузовые магистральных железных дорог колеи 1520 мм. Общие требования по обеспечению сохранности при производстве погрузочно-разгрузочных и маневровых работ

ГОСТ  30244-94 Материалы строительные. Методы испытания на горючесть

ГОСТ  30301-95 Изделия асбестоцементные. Правила приемки



3. ФОРМА И ОСНОВНЫЕ РАЗМЕРЫ


3.1.  Листы должны иметь прямоугольную форму в плане. Отклонение от прямоугольности не должно быть более 5 мм.


3.2.  Кромки листов должны быть прямолинейными. Отклонение от прямолинейности не должно быть более 5 мм.


3.3.  Листы должны быть плоскими. Отклонение от плоскостности не должно быть более 4 мм для прессованных листов и более 8 мм для непрессованных листов.


3.4.  Размеры листов приведены в таблице 1.

Предельные  отклонения от размеров не должны быть более указанных в таблице 1.



Таблица 1

В миллиметрах










Длина


Ширина


Толщина




Номин.

Пред. откл.

Номин.

Пред. откл.

Номин.

Пред. откл.




3600

3000





±10





1500





±6





10; 8



±1,0

— 0,6





2500





1200





6



+1,0

— 0,3



                                                    

    

  Примечание. По согласованию предприятия-изготовителя с потребителем

могут быть изготовлены  листы других размеров.  Предельные отклонения

должны соответствовать таблице 1.

Справочная  масса листов приведена в приложении А.


3.5.  Условное обозначение листа должно состоять из буквенного обозначения ЛП-П (лист плоский прессованный) или ЛП-НП (лист плоский непрессованный), размеров листа по длине и ширине в метрах, толщине в миллиметрах и обозначения настоящего стандарта.

Пример  условного обозначения асбестоцементного плоского прессованного листа длиной 3000 мм, шириной 1500 мм и толщиной 10 мм:


ЛП — П — 3,0 х 1,5 х 10 ГОСТ 18124-95

4. ТЕХНИЧЕСКИЕ ТРЕБОВАНИЯ


Листы  должны изготовляться в соответствии с требованиями настоящего стандарта по технологическому регламенту, утвержденному предприятием-изготовителем.


4.1.  Внешний вид

Листы  не должны иметь отколов, сквозных трещин, сдиров, а также других дефектов, нарушающих целостность изделия.

    

  Примечание. Сдир -дефект асбестоцементного изделия, заключающийся в

отсутствии части наружного слоя со стороны лицевой поверхности.

4.2.  Физико-механические показатели


4.2.1.  Листы выпускают двух типов: прессованные и непрессованные.


4.2.2.  Физико-механические показатели листов должны соответствовать указанным в таблице 2.


Таблица 2





Наименование показателя


Значение для листов




прессованных


непрессованных


Предел прочности при изгибе, МПа (кгс/кв.см), не менее


23 (230)

8 (180)


Плотность, г/куб.см, не менее


1,80


1,60




Ударная вязкость, кДж/кв.м (кгс см/кв.см), не менее


2,5 (2,5)

2,0 (2,0)



Морозостойкость:

     





 — число циклов попеременного замораживания и оттаивания

     

50


25


 — остаточная прочность, %, не менее


90


90




    

4.3.  Маркировка


4.3.1.  Не менее чем на 1% листов от партии должны быть нанесены (или наклеена этикетка):

—  товарный знак или наименование предприятия-изготовителя;

—  номер партии;

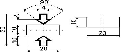
—  символическое изображение типа листа с включением толщины листа в миллиметрах; размеры символического изображения типа листа приведены в приложении Б.


Пример символического изображения типа листа

толщиной 10 мм

  

Прессованный               Непрессованный




Площадь  маркировки не должна превышать 200х100 мм.


4.3.2.  Качество маркировки должно быть таким, чтобы исключалась возможность оспорить ее содержание.


4.4.  Упаковка


4.4.1.  Листы поставляют без упаковки.


4.4.2.  В районы Крайнего Севера и труднодоступные районы листы должны поставляться в упакованном виде или в специализированных кассетах.

Тара  и упаковка — по ГОСТ 15846.



5. ПОЖАРНО-ТЕХНИЧЕСКАЯ ХАРАКТЕРИСТИКА


Листы  относятся к группе негорючих строительных материалов по ГОСТ 30244.



6. ПРАВИЛА ПРИЕМКИ


6.1.  Каждая партия листов должна быть принята службой технического контроля предприятия-изготовителя в соответствии с требованиями настоящего стандарта.


6.2.  Правила приемки — по ГОСТ 30301.


6.3.  При проведении инспекционных проверок и контроле потребителем порядок отбора листов, число отбираемых листов (объем выборки) и оценка результатов контроля — по ГОСТ 30301.


6.4.  Предприятие-изготовитель должно сопровождать каждую поставку листов документом о качестве, в котором указывают:

—  наименование и адрес предприятия-изготовителя;

—  условное обозначение листов;

—  номера партий и даты изготовления;

—  количество листов каждой партии в поставке;

—  результаты испытаний каждой партии.



7. МЕТОДЫ КОНТРОЛЯ


Методы  контроля — по ГОСТ 8747.



8. ТРАНСПОРТИРОВАНИЕ И ХРАНЕНИЕ


8.1.  Транспортирование


8.1.1.  Транспортирование листов производится любым видом транспорта с соблюдением Правил перевозок грузов, установленных для данного вида транспорта, и требований другой документации, утвержденной в установленном порядке.

Транспортирование  листов железнодорожным транспортом производится на платформах, в полувагонах и крытых вагонах. При этом размещение и крепление листов должно производиться в соответствии с ГОСТ 22235 и Техническими условиями погрузки и крепления грузов, утвержденными МПС.


8.1.2.  Транспортирование листов осуществляют в пакетированном виде:

—  в специализированных кассетах и других средствах пакетирования;

—  в транспортных пакетах, сформированных с использованием деревянных подкладок или поддонов. В качестве обвязок применяется стальная лента по ГОСТ 3560 или проволока по ГОСТ 3282. Количество обвязок, их сечение, размеры подкладок и поддонов устанавливаются соответствующей нормативной документацией.


8.1.3.  Габаритные размеры пакетов не должны превышать по длине 3900 мм, по ширине 1800 мм, по высоте 1000 мм; масса пакета не должна быть более 5000 кг.


8.1.4.  Транспортные пакеты должны быть маркированы в соответствии с ГОСТ 14192 с указанием основных, дополнительных и информационных надписей, выполненных на ярлыке, надежно прикрепляемом к пакету.


8.1.5.  Допускается транспортировать листы стопами в непакетированном виде в крытых железнодорожных вагонах и автомобилях.


8.2.  Хранение


8.2.1.  Хранение листов у изготовителя должно осуществляться в соответствии с технологическим регламентом, утвержденным в установленном порядке, с соблюдением требований техники безопасности и сохранности продукции.


8.2.2.  Транспортные пакеты листов при хранении у потребителя могут устанавливаться друг на друга в штабели.

Стопы  листов должны храниться у потребителя на поддонах (подкладках). Стопы вместе с поддонами могут устанавливаться друг на друга в штабели.


8.2.3.  Установка транспортных пакетов или стоп с поддонами (подкладками) друг на друга должно осуществляться в соответствии с действующими правилами техники безопасности. При этом общая высота штабеля из транспортных пакетов не должна превышать 3.5 м, а из стоп — 2,5 м.


8.2.4.  При погрузочно-разгрузочных, транспортно-складских и других работах не допускаются удары по листам и их сбрасывание с какой бы то ни было высоты.




Приложение А

СПРАВОЧНАЯ МАССА ЛИСТОВ

Таблица А.1








  

  

Справочная масса листа, кг, при толщине, мм


Размер листа, м


прессованного


непрессованного




6



8


10


6


8


10


3,6 х 1,5


70


92


115


64


85


104


3,6 х 1,2


56


74


92


51


67


84




3,0 х 1,5


59


78


96


53


70


87




3,0 х 1,2


47


63


77


43


57


70




2,0 х 1,5


48


64


80


44


59


74




2,5 х 1,2


38


51


64


35


46


58





    

 Примечание.  Величины   массы листов получены расчетным путем, исходя из

влажности 10%  для прессованных листов и влажности 12% для непрессованных

листов, являются ориентировочными и не могут быть использованы в качестве

нормативных.


Приложение Б

(обязательное)

РАЗМЕРЫ СИМВОЛИЧЕСКОГО ИЗОБРАЖЕНИЯ ТИПА ЛИСТА

 

Прессованный лист                        Непрессованный лист



Текст документа сверен по:

официальное издание

МНТКС — М.:

Издательство стандартов, 1996

Предоставлено компанией .