ГОСТ 20213-89 от 1990-01-01 Фермы железобетонные Технические условия

Автор: | 17.02.2015

ГОСТ 20213-89  

Группа Ж33


ГОСУДАРСТВЕННЫЙ СТАНДАРТ СОЮЗА ССР


ФЕРМЫ ЖЕЛЕЗОБЕТОННЫЕ

Технические условия

Reinforced concrete roof trusses.

Specifications


ОКП 58 2600

                                            Дата введения 1990-01-01


ИНФОРМАЦИОННЫЕ ДАННЫЕ


1.  РАЗРАБОТАН И ВНЕСЕН Государственным институтом "Киевский Промстройпроект" Минстроя Украинской ССР

ИСПОЛНИТЕЛИ  В.А. Козлов (руководитель темы); А.Н. Сытник; А.И. Дужак; В.И. Королев; В.М. Безруков; Н.И. Григорьев; Ю.А. Репенко; В.В.Михайлов; К.М.Матвеев; Ю.П. Гуша, д-р техн. наук; В.А. Клевцов, д-р техн. наук; В.А. Якушин, канд. техн. наук; Г.И. Бердичевский, д-р техн. наук; П.И. Кривошеев, канд. техн. наук; Ю.А. Катруца, канд. техн. наук; М.А. Янкелевич, канд. техн. наук; А.Д. Либерман, канд.техн.наук; А.А. Ищенко, канд.техн.наук; В.В. Гранев, канд. техн. наук; В.Т. Ильин; А.Я. Розенблюм; Л.А. Кан; Л.Н. Катков; А.Я. Зиновьев; Р.А. Гершанок; П.В. Чичков, канд.техн.наук; А.И. Мангушев, канд. техн. наук; Т.В. Овчинникова; В.И. Пименова; Е.И. Серговская; В.И. Деньщиков


2.  УТВЕРЖДЕН И ВВЕДЕН В ДЕЙСТВИЕ Постановлением Государственного строительного комитета СССР от 30.12.88 N 267


3.  ВЗАМЕН ГОСТ 20213-74


4.  ССЫЛОЧНЫЕ НОРМАТИВНО-ТЕХНИЧЕСКИЕ ДОКУМЕНТЫ


+——————————————————————-+

¦ Обозначение НТД,¦Номер пункта, ¦  Обозначение НТД, ¦Номер пункта, ¦

¦ на который дана ¦  подпункта   ¦  на который дана  ¦  подпункта   ¦

¦     ссылка      ¦              ¦      ссылка       ¦              ¦

+——————————————————————-+

¦ГОСТ 5781-82     ¦    1.3.6     ¦  ГОСТ 13015.1-81  ¦   2.1 , 2.2  ¦

¦                 ¦              ¦                   ¦              ¦

¦ГОСТ 6727-80     ¦    1.3.6     ¦  ГОСТ 13015.2-81  ¦     1.4.1    ¦

¦                 ¦              ¦                   ¦              ¦

¦ГОСТ 7348-81     ¦    1.3.6     ¦  ГОСТ 13015.4-84  ¦     4.1      ¦

¦                 ¦              ¦                   ¦              ¦

¦ГОСТ 8829-85     ¦    3.1       ¦  ГОСТ 13840-68    ¦     1.3.6    ¦

¦                 ¦              ¦                   ¦              ¦

¦ГОСТ 10060-87    ¦    3.3       ¦  ГОСТ 17623-87    ¦     3.5      ¦

¦                 ¦              ¦                   ¦              ¦

¦ГОСТ 10180-78    ¦    3.2       ¦  ГОСТ 17624-87    ¦     3.2      ¦

¦                 ¦              ¦                   ¦              ¦

¦ГОСТ 10181.0-81  ¦    3.6       ¦  ГОСТ 17625-83    ¦     3.10     ¦

¦                 ¦              ¦                   ¦              ¦

¦ГОСТ 10181.3-81  ¦    3.6       ¦  ГОСТ 18105-86    ¦     3.2      ¦

¦                 ¦              ¦                   ¦              ¦

¦ГОСТ 10884-81    ¦    1.3.6     ¦  ГОСТ 22362-77    ¦     3.8      ¦

¦                 ¦              ¦                   ¦              ¦

¦ГОСТ 10922-75    ¦    3.7       ¦  ГОСТ 22690-88    ¦     3.2      ¦

¦                 ¦              ¦                   ¦              ¦

¦ГОСТ 12730.0-78  ¦   3.4 , 3.5  ¦  ГОСТ 22904-78    ¦     3.10     ¦

¦                 ¦              ¦                   ¦              ¦

¦ГОСТ 12730.1-78  ¦    3.5       ¦  ГОСТ 23009-78    ¦     1.2.6    ¦

¦                 ¦              ¦                   ¦              ¦

¦ГОСТ 12730.5-84  ¦    3.4       ¦  ГОСТ 23858-79    ¦     3.7      ¦

¦                 ¦              ¦                   ¦              ¦

¦ГОСТ 13015-75    ¦    3.9       ¦  ГОСТ 25820-83    ¦     1.3.3    ¦

¦                 ¦              ¦                   ¦              ¦

¦ГОСТ 13015.0-83  ¦ 1.3.1, 1.3.11¦  ГОСТ 26433.0-85  ¦     3.9      ¦

¦                 ¦              ¦                   ¦              ¦

¦                 ¦              ¦  ГОСТ 26633-85    ¦     1.3.3    ¦

¦                 ¦              ¦                   ¦              ¦

¦                 ¦              ¦  СНиП 2.03.11-85  ¦     1.2.6    ¦


Настоящий  стандарт распространяется на стропильные и подстропильные железобетонные фермы, изготовляемые из тяжелого или конструкционного легкого бетона и предназначенные для покрытия зданий и сооружений пролетами шириной 6, 9, 12, 18 и 24 м.

Фермы  применяют в соответствии с указаниями рабочих чертежей на эти фермы.



1. ТЕХНИЧЕСКИЕ ТРЕБОВАНИЯ


1.1.  Фермы следует изготовлять в соответствии с требованиями настоящего стандарта и технологической документации, утвержденной в установленном порядке, по рабочим чертежам серий 1.463.1-16, 1.463.1-3/87, 1.063.1-1, ПК-01-110/81, 1.463.1-4/87 и 1.463.1-15.

Допускается  изготовлять фермы, отличающиеся типами и размерами от приведенных в настоящем стандарте, по техническим условиям и соответствующим рабочим чертежам, утвержденным в установленном порядке.


1.2.  Основные параметры и размеры


1.2.1.  Стропильные фермы подразделяют на типы:

ФС  — раскосные сегментные для покрытий со скатной кровлей;

ФБС  — безраскосные сегментные для покрытий со скатной кровлей;

ФБМ  — то же, для покрытий с малоуклонной кровлей;

ФТ  — безраскосные треугольные для покрытий со скатной кровлей.


1.2.2.  Подстропильные фермы подразделяют на типы:

ФПС  — для покрытий со скатной кровлей;

ФПМ  — для покрытий с малоуклонной кровлей;

ФПН  — то же, с предварительно напряженными стойками ферм;

ФП  — для покрытий из плит длиной на пролет.


1.2.3.  Форма и основные размеры ферм должны соответствовать указанным в приложении.


1.2.4.  Фермы длиной 8960 мм и более изготовляют предварительно напряженными, а длиной 5960 мм — с ненапрягаемой арматурой. Фермы длиной 8960 мм допускается изготовлять с ненапрягаемой арматурой.


1.2.5.  Показатели расхода бетона и стали на фермы должны соответствовать указанным в рабочих чертежах на эти фермы.


1.2.6.  Фермы обозначают марками в соответствии с требованиями ГОСТ 23009. Марка фермы состоит из буквенно-цифровых групп, разделенных тире.

Первая  группа содержит обозначение типоразмера фермы: арабскую цифру, обозначающую порядковый номер фермы (при необходимости), тип фермы и ее длину в метрах, округленную до целого числа.

Во  второй группе указывают:

порядковый  номер фермы по несущей способности;

класс  напрягаемой арматуры (для предварительно напряженных ферм);

вид  бетона (для ферм, изготовляемых из легкого бетона).

В  третью группу марки, при необходимости, включают дополнительные характеристики, отражающие особые условия применения ферм — их стойкость к воздействию агрессивных сред, сейсмическим воздействиям, а также обозначения конструктивных особенностей ферм — наличие дополнительных закладных изделий и др. Например, для ферм, предназначенных для эксплуатации в условиях воздействия агрессивных газообразных сред, указывают показатели проницаемости бетона ферм согласно СНиП 2.03.11-85, обозначаемые буквами: Н — нормальной проницаемости, П — пониженной проницаемости; для ферм зданий с расчетной сейсмичностью 7 или 8 баллов стойкость к сейсмическим воздействиям обозначают прописной буквой С.


Пример  условного обозначения (марки) фермы типоразмера 4ФС18, шестой по несущей способности, с напрягаемой арматурной сталью класса А-V, изготовляемой из легкого бетона, применяемой в зданиях с расчетной сейсмичностью 8 баллов, с дополнительными закладными изделиями:


4ФС18-6АVЛ-С1

То  же, типоразмера ФП12, третьей по несущей способности, с напрягаемой арматурной сталью класса А-IIIв, предназначенной для применения в условиях воздействия слабоагрессивной газообразной среды, с опорным закладным изделием, предусмотренным для установки фермы у температурного шва или торцов зданий:


ФП12-3АIIIв-Н1

Примечание.  Допускается принимать обозначения марок ферм в соответствии с указаниями рабочих чертежей на эти фермы до их пересмотра.


1.3.  Характеристики


1.3.1.  Фермы должны удовлетворять требованиям ГОСТ 13015.0:

по  показателям фактической прочности бетона (передаточной, отпускной и в проектном возрасте);

по  морозостойкости бетона, а для ферм, эксплуатируемых в условиях воздействия агрессивной газообразной среды, — также по водонепроницаемости бетона;

по  средней плотности легкого бетона;

к  маркам сталей для арматурных и закладных изделий, в том числе для монтажных петель;

по  толщине защитного слоя бетона до арматуры;

по  защите от коррозии.


1.3.2.  Фермы должны удовлетворять установленным при проектировании требованиям по прочности, жесткости и трещиностойкости. При этом предварительно напряженные фермы при испытании их нагружением должны выдерживать контрольные нагрузки, указанные в рабочих чертежах на эти фермы.


1.3.3.  Фермы следует изготовлять из тяжелого бетона по ГОСТ 26633 или легкого бетона плотной структуры по ГОСТ 25820 классов или марок по прочности на сжатие, указанных в рабочих чертежах ферм.


1.3.4.  Передачу усилий обжатия на бетон (отпуск натяжения арматуры) следует производить после достижения бетоном требуемой передаточной прочности.

Нормируемая  передаточная прочность бетона предварительно напряженных ферм в зависимости от класса или марки бетона, вида и класса напрягаемой арматурной стали должна соответствовать указанной в рабочих чертежах на эти фермы.


1.3.5.  Нормируемая отпускная прочность бетона ферм должна быть равна нормируемой передаточной прочности бетона для ферм с напрягаемой арматурой и 70% класса или марки бетона по прочности на сжатие для ферм с ненапрягаемой арматурой.

При  соответствующем обосновании допускается по согласованию с проектной организацией, изготовителем и потребителем ферм повышать нормируемую отпускную прочность бетона, но не более 90% класса бетона по прочности на сжатие, а для ферм с ненапрягаемой арматурой — снижать нормируемую отпускную прочность.


1.3.6.  Для армирования ферм следует применять арматурную сталь следующих видов и классов:


в  качестве напрягаемой арматуры — термомеханически упрочненную стержневую классов Ат-VI, Ат-VIК, Ат-V, Ат-VСК, Ат-IVС, Ат-IVК по ГОСТ 10884, горячекатаную стержневую классов А-VI, A-V и А-IV по ГОСТ 5781, арматурные канаты класса К-7 по ГОСТ 13840, высокопрочную проволоку периодического профиля класса Вр-II по ГОСТ 7348 и стержневую класса А-IIIв, изготовляемую из арматурной стали класса А-III по ГОСТ 5781, упрочненной вытяжкой с контролем величины напряжения и предельного удлинения;

в  качестве ненапрягаемой арматуры — горячекатаную стержневую классов А-III и А-I по ГОСТ 5781, термомеханически упрочненную стержневую классов Ат-IVC и Ат-IIIС по ГОСТ 10884 и арматурную проволоку класса Вр-I по ГОСТ 6727.


1.3.7.  Значения фактических отклонений напряжений в напрягаемой арматуре не должны превышать предельных, установленных в рабочих чертежах ферм.


1.3.8.  Постоянные анкеры стержневой напрягаемой арматуры следует выполнять в виде опрессованных обойм или высаженных головок. Места установки постоянных анкеров, а также диаметры стержней, для которых они требуются, следует принимать по рабочим чертежам. Форма и размеры опрессованных обойм и высаженных головок должны соответствовать указанным на черт. 1.

Не  допускается устройство постоянных анкеров в виде высаженных головок для арматурной стали классов Ат-VI,  Ат-VIK, Ат-V и Ат-VCK.


                           

                    Опрессованная                      Высаженная

                        обойма                           головка


Черт. 1

1.3.9.  Форма и размеры арматурных и закладных изделий и их положение в фермах должны соответствовать указанным в рабочих чертежах на эти фермы.


1.3.10.  Значения действительных отклонений геометрических параметров ферм не должны превышать предельных, указанных в табл. 1.


                                                           Таблица 1

                             мм





  Наименование отклонения   

  геометрического параметра


 Наименование геометрического

         параметра            

Пред.   

откл.   


  Отклонение от линейного   

размера                     

                            

                            

                            

                            

                            

                           

                            

                            

                            

                            

                            

                            

                            

                            

                            

                           

                            

                            

                            

                           

                            

                           

                            

 Длина фермы:                 

                              

 5960                         

                              

 8960, 11860, 11960           

                              

 17940, 17960, 23940          

                              

 Высота фермы в середине ее   

длины для ферм длиной:        

                              

 5960, 8960                   

                              

 11860, 11960                 

                              

 17940, 17960, 23940          

                              

 Поперечное сечение элементов

фермы                         

                              

 Положение закладных изделий:

                              

 в плоскости фермы            

                              

 из плоскости фермы           

        

        

+20, -10

        

+25, -15

        

+30, -20

        

        

        

        

 ± 8


 

 ± 10   

     

 ± 12    

        

    

 ± 5



 8       

        

 5

        

        

        

       

        

       

  Отклонение от прямолиней-

ности фермы, установленной в

рабочее положение, характе-

ризуемое величиной наиболь-

шего отклонения боковых гра-

ней поясов фермы от вертика-

льной плоскости для ферм    

длиной:                     

                            

 5960                       

                           

 8960, 11860, 11960         

                            

 17940, 17960, 23940        

                              

                              

                              

                              

                              

                              

                              

                              

                              

              —               

                              

              —               

                              

              —               

        

        

        

        

        

        

        

        

        

 15     

        

 20     

        

 25     

1.3.11.  Требования к качеству поверхностей и внешнему виду ферм (в том числе требования к допустимой ширине раскрытия поверхностных технологических трещин) — по ГОСТ 13015.0. При этом качество поверхностей ферм должно удовлетворять требованиям, установленным для категории А6, а ширина поперечных поверхностных трещин от усилий предварительного напряжения в верхней зоне опорных узлов и в сжатых элементах ферм, установленных в рабочее положение, не должна превышать 0,1 мм.


1.3.12.  Концы напрягаемой арматуры не должны выступать за торцовые поверхности ферм более чем на 10 мм и должны быть защищены слоем цементно-песчаного раствора или битумным лаком.


1.4.  Маркировка


1.4.1.  Маркировка ферм — по ГОСТ 13015.2.

Маркировочные  надписи и знаки следует наносить на боковой грани опорного узла фермы.

2. ПРИЕМКА


2.1.  Приемка ферм — по ГОСТ 13015.1 и настоящему стандарту. При этом фермы принимают:

по  результатам периодических испытаний — по показателям прочности, жесткости и трещиностойкости ферм, морозостойкости бетона, пористости уплотненной смеси легкого бетона, а также по водонепроницаемости бетона ферм, предназначенных для эксплуатации в условиях воздействия агрессивной газообразной среды;

по  результатам приемо-сдаточных испытаний — по показателям прочности бетона (классу или марке бетона по прочности на сжатие, передаточной и отпускной прочности), средней плотности легкого бетона, соответствия арматурных и закладных изделий рабочим чертежам, прочности сварных соединений, точности геометрических параметров, толщины защитного слоя бетона до арматуры, ширины раскрытия технологических трещин, категории бетонной поверхности.


2.2.  Периодические испытания нагружением по прочности, жесткости и трещиностойкости предварительно напряженных ферм в соответствии с требованиями ГОСТ 13015.1 проводят перед началом их массового изготовления и в дальнейшем — при внесении в них конструктивных изменений или изменении технологии изготовления.

Испытания  ферм нагружением в процессе серийного производства проводят не реже раза в год. Эти испытания ферм длиной 5960 и 8960 мм могут не проводиться, если осуществляется неразрушающий контроль по ГОСТ 13015.1.

3. МЕТОДЫ КОНТРОЛЯ


3.1.  Испытания ферм нагружением для контроля их прочности, жесткости и трещиностойкости следует проводить в соответствии с требованиями ГОСТ 8829 и рабочих чертежей на эти фермы.


3.2.  Прочность бетона ферм следует определять по ГОСТ 10180 на серии образцов, изготовленных из бетонной смеси рабочего состава и хранившихся в условиях, установленных ГОСТ 18105.

При  испытании ферм неразрушающими методами фактическую передаточную и отпускную прочность бетона на сжатие следует определять ультразвуковым методом по ГОСТ 17624 или приборами механического действия по ГОСТ 22690, а также другими методами, предусмотренными стандартами на методы испытаний бетона.


3.3.  Морозостойкость бетона следует определять по ГОСТ 10060.


3.4.  Водонепроницаемость бетона ферм следует определять по ГОСТ 12730.0 и ГОСТ 12730.5.


3.5.  Среднюю плотность легкого бетона ферм следует определять по ГОСТ 12730.0 и ГОСТ 12730.1 или радиоизотопным методом по ГОСТ 17623.


3.6.  Показатели пористости уплотненной смеси легкого бетона ферм следует определять по ГОСТ 10181.0 или ГОСТ 10181.3.


3.7.  Контроль сварных арматурных и закладных изделий следует проводить по ГОСТ 10922 и ГОСТ 23858.


3.8.  Измерение силы натяжения арматуры, контролируемой по окончании натяжения, следует проводить по ГОСТ 22362.


3.9.  Размеры и отклонения от прямолинейности, ширину раскрытия поверхностных технологических трещин, размеры раковин, наплывов и околов бетона ферм следует проверять методами, установленными ГОСТ 26433.0 и ГОСТ 13015.


3.10.  Размеры и положение арматурных и закладных изделий, а также толщину защитного слоя бетона до арматуры следует определять по ГОСТ 17625 и ГОСТ 22904. При отсутствии необходимых приборов допускается вырубка борозд и обнажение арматуры ферм с последующей заделкой борозд.

4. ТРАНСПОРТИРОВАНИЕ И ХРАНЕНИЕ


4.1.  Транспортировать и хранить фермы следует в соответствии с требованиями ГОСТ 13015.4 и настоящего стандарта.


4.2.  Фермы следует транспортировать в вертикальном (рабочем) положении или с небольшим уклоном (до 10°).


4.3.  Фермы должны храниться на специально оборудованных складах в вертикальном положении в кассетах рассортированными по типоразмерам и маркам.

При  установке ферм в кассетные стеллажи должна быть обеспечена возможность захвата и подъема каждой фермы для погрузки и монтажа.


4.4.  При транспортировании и хранении фермы должны устанавливаться на инвентарные подкладки из дерева или других эластичных материалов. Подкладки следует укладывать по плотному и тщательно выровненному основанию.

Деревянные  подкладки под фермами должны быть толщиной не менее 40 мм, шириной не менее 150 мм, длиной — на 100 мм больше ширины фермы и располагаться:

при  хранении — в пределах опорных узлов в местах установки опорных закладных изделий;

при  транспортировании — в пределах опорных узлов в местах установки опорных закладных изделий или в местах, оговоренных в рабочих чертежах.



ПРИЛОЖЕНИЕ

Обязательное

ФОРМА И ОСНОВНЫЕ РАЗМЕРЫ ФЕРМ


Форма  и основные размеры ферм приведены:

 

     типа ФС -на черт. 2, 3 и в табл. 2, 3;

     типа ФБС -на черт. 4, 6, 7, 9 и в табл. 4, 5;

     типа ФБМ -на черт. 5, 6, 8, 9 и в табл. 4, 5;

     типа ФТ -на черт. 10 -14;

     типа ФПС -на черт. 15 -17;

     типа ФПМ -на черт. 18 -20;

     типа ФПН -на черт. 18 -20;

     типа ФП -на черт. 21.

Фермы типоразмеров 1ФС18…4ФС18

(серия 1.463.1-16)



                                                          Таблица  2

 







 Типоразмер

   фермы  

                           Размеры, мм                   

          

      H     

      b     

     


    

     


     

   


 

  1ФС18    

          

  2ФС18    

          

  3ФС18    

          

  4ФС18    

    2630    

            

    2640    

            

    2725    

            

    2735    

     200    

            

     250    

            

     250    

            

     300    

    180    

           

    180    

           

    250    

           

    250    

     180    

            

     200    

            

     300    

            

     320    

   120

      

   120

      

   150

      

   150



Черт. 2


Фермы типоразмеров 1ФС24…4ФС24

(серия 1.463.1-16)


                                                          Таблица  3







 Типоразмер

   фермы  

                           Размеры, мм                   

          

      H     

      


    

     


    

    


     

  


  

  1ФС24    

          

  2ФС24    

          

  3ФС24    

          

  4ФС24    

    3160    

            

    3240    

            

    3280    

            

    3315    

     250    

            

     250    

            

     300    

            

     350    

    200    

           

    280    

           

    300    

           

    350    

     220    

            

     300    

            

     360    

            

     380    

  150

      

  150

      

  200

      

  200



Черт. 3


Фермы типоразмеров 1ФБС18…4ФБС18

(серия 1.463.1-3/87)

Черт. 4

Фермы типоразмеров 1ФБМ18…4ФБМ18

(серия 1.463.1-3/87)


Черт. 5

Таблица  4






    Типоразмер  

      фермы    

             Размеры, мм            

               

      b     

     


    

    


     

  1ФБС18       

               

  1ФБМ18       

     240    

            

            

    200    

           

           

    220    

           

           

  2ФБС18       

               

  2ФБМ18       

     240    

            

            

    250    

           

           

    280    

           

           

  3ФБС18       

               

  3ФБМ18       

     280    

            

            

    250    

           

           

    280    

           

           

  4ФБС18       

               

  4ФБМ18       

     280    

            

            

    300    

           

           

    340    

           

           

Поперечные сечения элементов ферм

 типоразмеров 1ФБС18…4ФБС18,  

1ФБМ18…4ФБМ18

Черт. 6


Фермы типоразмеров 1ФБС24…5ФБС24

(серия 1.463.1-3/87)

Черт. 7


Фермы типоразмеров 1ФБМ24…5ФБМ24

(серия 1.463.1-3/87)

Черт. 8


                                                          Таблица  5







  Типоразмер  

     фермы    

             Размеры, мм                     

              

    b    

   


   

   


   

   


   

   


   

 1ФБС24       

              

 1ФБМ24       

   240   

         

         

   200  

        

        

   220  

        

        

   250  

        

        

   300  

        

        

 2ФБС24       

              

 2ФБМ24       

   240   

         

         

   250  

        

        

   280  

        

        

   250  

        

        

   300  

        

        

 3ФБС24       

              

 3ФБМ24       

   240   

         

         

   300  

        

        

   340  

        

        

   250  

        

        

   300  

        

        

 4ФБС24       

              

 4ФБМ24       

   280   

         

         

   300  

        

        

   340  

        

        

   300  

        

        

   300  

        

        

 5ФБС24       

              

 5ФБМ24       

   280   

         

         

   420  

        

        

   460  

        

        

   350  

        

        

   350  

        

        

Поперечные сечения элементов ферм

 типоразмеров 1ФБС24…5ФБС24,  

1ФБМ24…5ФБМ24

Черт. 9

Ферма типоразмера ФТ6

(серия 1.063.1-1)

Черт. 10


Ферма типоразмера ФТ9

(серия 1.063.1-1)

Черт. 11


Ферма типоразмера ФТ12

(серия 1.063.1-1)

Черт. 12


Ферма типоразмера 1ФТ18

(серия 1.063.1-1)

Черт. 13


Ферма типоразмера 2ФТ18

(серия 1.063.1-1)

Черт. 14


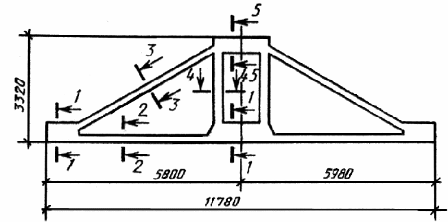
Ферма типоразмера 1ФПС12

(серия ПК-01-110/81)

Черт. 15


Ферма типоразмера 2ФПС12

(серия ПК-01-110/81)

Черт. 16


Поперечные сечения элементов ферм

 типоразмеров  1ФПС12, 2ФПС12

Черт. 17


Фермы типоразмеров 1ФПМ12, 1ФПН12

(серия 1.463.1-4/87)

Черт. 18


Фермы типоразмеров 2ФПМ12, 2ФПН12

(серия 1.463.1-4/87)

Черт. 19


Поперечные сечения элементов ферм

 типоразмеров 1ФПМ12,  2ФПМ12,

1ФПН12,  2ФПН12

Черт. 20

Ферма типоразмера ФП12

(серия 1.463.1-15)

Черт. 21




Текст документа сверен по:

официальное издание

Госстрой СССР — М.: Издательство

стандартов, 1989


Предоставлено компанией .