ГОСТ 21-402-83 Система проектной документации для строительства Антикоррозийная защита технологических аппаратов газоходов и трубопроводов

Автор: | 17.02.2015

ГОСТ 21.402-83

Группа Ж01


ГОСУДАРСТВЕННЫЙ СТАНДАРТ СОЮЗА ССР

СИСТЕМА ПРОЕКТНОЙ ДОКУМЕНТАЦИИ ДЛЯ СТРОИТЕЛЬСТВА


АНТИКОРРОЗИОННАЯ ЗАЩИТА ТЕХНОЛОГИЧЕСКИХ

АППАРАТОВ, ГАЗОХОДОВ И ТРУБОПРОВОДОВ

Рабочие чертежи

System of building design documents.

Anticorrosive protection of technological apparatus,

gas pipes and pipelines. Working drawings


ОКП 0021                                                                        

     Дата введения 1984-01-01

     

     РАЗРАБОТАН

     

     Институтом "Проектхимзащита" Министерства монтажных и специальных строительных работ СССР

     

     ИСПОЛНИТЕЛИ

     

     А.С.Горина (руководитель темы), В.Д.Любановский, В.Э.Радзевич, В.А.Соколов

     

     ВНЕСЕН Министерством монтажных и специальных строительных работ СССР

     

     Член Коллегии В.М. Орлов     

УТВЕРЖДЕН  И ВВЕДЕН В ДЕЙСТВИЕ Постановлением Государственного комитета СССР по делам строительства от 13 июня 1983 г. № 117

Настоящий  стандарт устанавливает состав и правила выполнения рабочих чертежей антикоррозионной защиты технологических аппаратов, газоходов и трубопроводов (основной комплект рабочих чертежей марки АЗО) всех отраслей промышленности и народного хозяйства.

Стандарт  не распространяется на рабочие чертежи антикоррозионной защиты технологических аппаратов, газоходов и трубопроводов с антикоррозионными покрытиями, выполненными на предприятиях-изготовителях.

Если  в качестве защитного покрытия предусматривают применение лакокрасочных или мастичных материалов, то в рабочих чертежах приводят только указания по антикоррозионной защите, которые составляют по форме 1. Пример заполнения таблицы указаний по антикоррозионной защите приведен в справочном приложении 1.

     Форма 1

Указания по антикоррозионной защите

     

           

           

1. Общие положения

1.1.  Рабочие чертежи антикоррозионной защиты технологических аппаратов, газоходов и трубопроводов (далее — рабочие чертежи антикоррозионной защиты) выполняют в соответствии с требованиями настоящего стандарта, других стандартов системы проектной документации для строительства и норм проектирования антикоррозионной защиты.

1.2.  В состав основного комплекта рабочих чертежей марки АЗО включают:

общие  данные по рабочим чертежам;

рабочие  чертежи антикоррозионной защиты;

ведомость  объемов антикоррозионных работ по объектам защиты;

ведомость  изделий, изготавливаемых по специальному заказу.

2. Общие данные по рабочим чертежам

2.1.  В состав общих данных по рабочим чертежам основного комплекта марки АЗО в дополнение к ГОСТ 21.102-79 включают ведомость технологических аппаратов, газоходов и трубопроводов, подлежащих антикоррозионной защите (форма 2) и рекомендации по выбору химически стойких материалов.

     Форма 2

Ведомость технологических аппаратов, газоходов и трубопроводов,

подлежащих антикоррозионной защите

В  графах ведомости указывают:

в  графе "Наименование объекта защиты" — наименование аппаратов, газоходов и трубопроводов, подлежащих антикоррозионной защите;

в  графе "Габаритные размеры" — габаритные размеры аппаратов, газоходов и трубопроводов.

Пример  заполнения ведомости приведен в справочном приложении 2.

3. Рабочие чертежи антикоррозионной защиты

3.1.  Состав основного комплекта рабочих чертежей антикоррозионной защиты в зависимости от видов антикоррозионных покрытий приведен в справочном приложении 3. Состав основного комплекта рабочих чертежей может уточняться в зависимости от типов защитных покрытий.

3.2.  Масштабы изображений принимают по ГОСТ 2.302-68:

разрезы  аппаратов —                                        1:10 — 1:100;

планы  и разрезы газоходов и трубопроводов —   1:20 — 1:100;

сечения  и узлы антикоррозионной защиты

аппаратов,  газоходов и трубопроводов —             1:2 — 1:20.


3.3.  На чертеже разреза аппарата (черт. 1) указывают:

габаритные  размеры аппарата с учетом толщины защитных покрытий;

толщину  защитных покрытий, металлических стенок и днища аппарата;

обозначения  и диаметры штуцеров с учетом толщины защитных покрытий;

ссылки  на узлы.

Внутренние  устройства аппарата, газоходов и трубопроводов, разработка которых не входит в основной комплект рабочих чертежей марки АЗО, изображают штрихпунктирной линией с двумя точками.

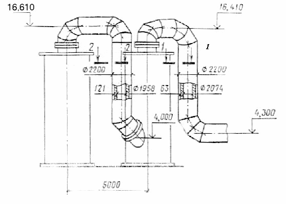
3.4.  На чертежах планов и разрезов (видов) газоходов и трубопроводов (черт. 2) указывают:

отметки  и привязки газоходов и трубопроводов к строительным конструкциям или аппарату;

внутренние  диаметры газоходов и трубопроводов с учетом толщины защитных покрытий;

толщину  защитных покрытий и металлических стенок газоходов и трубопроводов.

Если  антикоррозионная защита газоходов и трубопроводов выполняется до монтажа или требует термической обработки (вулканизации или полимеризации покрытия), то на чертежах планов и разрезов проставляют габаритные размеры царг или отдельных участков газоходов или трубопроводов, подлежащих антикоррозионной защите или термической обработке до их монтажа.

3.5.  Чертежи узлов на характерные элементы антикоррозионной защиты (черт.1) выполняют в объеме, необходимом для производства антикоррозионных работ.

3.6.  На чертежах разреза аппарата, планах (разрезах, видах) газоходов и трубопроводов также приводят:

сечения  (черт. 1 и 2), характеризующие антикоррозионную защиту;

таблицу  штуцеров;

данные  об условиях эксплуатации;

технические  требования.

Таблицу  штуцеров составляют по форме 3.

Пример  заполнения таблицы приведен в справочном приложении 4.


Черт. 1




     

Черт. 2

Форма 3

Таблица штуцеров

Размеры в мм



    

Данные  об условиях эксплуатации технологических аппарата, газоходов и трубопроводов приводят в таблицах по формам 4 и 5. Пример заполнения таблицы условий эксплуатации аппарата приведен в справочном приложении 5, газоходов и трубопроводов — в справочном приложении 6.

     Форма 4

Условия эксплуатации технологического аппарата


Форма 5

Условия эксплуатации технологических газоходов и трубопроводов

В  технических требованиях приводят ссылку, на основании каких нормативных документов и технологических инструкций производят работы по антикоррозионной защите, а также дают указания по выполнению антикоррозионных работ, необходимости последующей термической обработки покрытия, монтажу внутренних устройств, контролю качества покрытия, монтажу и хранению аппаратов с защитными покрытиями, выполненными до монтажа, технике безопасности и противопожарным мероприятиям и другие указания, не вошедшие в состав общих данных.

При  футеровочном и комбинированном футеровочном защитных покрытиях в технических требованиях указывают массу антикоррозионной защиты.

4. Ведомость объемов антикоррозионных работ по объектам защиты

4.1.  Ведомость объемов антикоррозионных работ по объектам защиты выполняют по форме 6.

     Форма 6

Ведомость антикоррозионных работ по объектам защиты



  __________________

*  В графе указывают номер позиции, наименование объекта защиты, габаритные размеры, число в штуках, число граф зависит от числа наименований объектов защиты.

В  графах ведомости указывают:

в  графе "Наименование" — наименование работ. Работы приводят в зависимости от очередности их выполнения, начиная с подготовки поверхности под защитные покрытия;

в  графе "Объемы работ, кв.м" — номера позиций, наименования, габаритные размеры и число объектов защиты.

Число  граф зависит от числа наименований объектов защиты.

Пример  заполнения ведомости приведен в справочном приложении 7.

5. Ведомость изделий, изготавливаемых по

специальному заказу

5.1.  Ведомость изделий, изготавливаемых по специальному заказу, выполняют по форме 7.

     Форма 7

Ведомость изделий, изготавливаемых по специальному заказу

В  графах ведомости указывают:

в  графе "Позиция" — позицию изделия по сборочному чертежу;

в  графе "Обозначение, предприятие-изготовитель" — номер изделия по каталогу изделий и название предприятия-изготовителя;

в  графе "Наименование, марка" — полное наименование изделия и его марку.

Пример  заполнения ведомости приведен в справочном приложении 8.

     Приложение 1

Справочное

Пример заполнения таблицы указаний по антикоррозионной защите


Приложение 2

Справочное

Пример заполнения ведомости технологических аппаратов,

газоходов и трубопроводов, подлежащих

антикоррозионной защите




Наименование объекта защиты



Габаритные размеры, мм



Абсорбер моногидратный

Бак отработанного раствора

Сборник

Газоход от 1-й промывной башни ко 2-й промывной башне


 Трубопровод от 1-й промывной башни к сборнику


5000, Н 14760

3700Х4200Х2000


2200, L 4600


2200, L 19000


1200, L 5500


Приложение 3

Справочное

Состав основного комплекта рабочих чертежей антикоррозионной защиты

в зависимости от видов антикоррозионных покрытий






  

  

Вид антикоррозионного покрытия



Наименование




Лакокрасочное, мастичное


Пленочное, металлиза- ционное и металлиза- ционно- лакокрасочное


Оклеечное, футеровочное, комбинированное футеровочное покрытие стандартными штучными материалами или кислотоупорным бетоном, гомогенное освинцевание или обкладка свинцом и другими цветными металлами


Футеровочное, комбинированное футеровочное покрытие нестандартными штучными материалами


Общие данные по рабочим чертежам

Указания по антикоррозионной защите

Чертежи разрезов аппаратов

Чертежи планов и разрезов (видов) газоходов или трубопроводов

Чертежи узлов антикоррозионной защиты

Чертежи деталей, изготавливаемых по специальным заказам

Ведомость объемов антикоррозионных работ по объектам защиты

Ведомость деталей, изготавливаемых по специальным заказам



+



+













+





+




+




+









+





+




+




+



+







+





+




+




+



+




+




+




+

Примечание.  Знак "+" означает наличие документа в комплекте, знак "-"  —  его отсутствие.

     Приложение 4

Справочное

Пример заполнения таблицы штуцеров

Размеры в мм     







Обозначение


Назначение


Число, шт.

Dy металла штуцера


вкладыша


Толщина футеровки


А



Вход газа


1


1800


  

283


Б



Выход газа


1


800


  

5


В


Выход кислоты


1


219


190/150





Г


Вход кислоты


2


125


104/80





Д


Вход кислоты


1


250


240/200





Е1; Е2



Люки


2


800


  

70


Приложение 5

Справочное

Пример заполнения таблицы условий эксплуатации технологического аппарата

     




Наименование аппарата и его назначение

 


Башня сушильная для сушки газа


Химический состав среды, концентрация, %; г/л; мг/м


 и др.

Газ, содержащий SO , 100 мг/м


Орошение — HSO  95%



Разрежение, мм вод.ст.



55


Температура среды, С


HSO  — на входе 40С; на выходе 45 С; газ — на входе 350С; на выходе 40 С



Коэффициент заполнения


0,2



Удельный вес среды, Н/м


 


 


Место установки


Вне здания



Наличие теплоизоляции


Отсутствует



Особые условия эксплуатации


Работает непрерывно 350 дней в году



Приложение 6

Справочное

Пример заполнения таблицы условий эксплуатации

технологических газоходов и трубопроводов


     

     Приложение 7

Справочное

Пример заполнения ведомости объемов антикоррозионных работ

по объектам защиты

                


Приложение 8

Справочное

Пример заполнения ведомости изделий,

изготавливаемых по специальному заказу


     

Текст документа сверен по:

официальное издание

Госстрой СССР —

М.: Издательство стандартов, 1984