ГОСТ 21.613-88
Группа Ж 01
ГОСУДАРСТВЕННЫЙ СТАНДАРТ СОЮЗА ССР
СИСТЕМА ПРОЕКТНОЙ ДОКУМЕНТАЦИИ ДЛЯ СТРОИТЕЛЬСТВА
СИЛОВОЕ ЭЛЕКТРООБОРУДОВАНИЕ
Рабочие чертежи
System of building design documents.
Power electrical equipment. Working drawings
ОКСТУ 0021
Дата введения 1988-07-01
ИНФОРМАЦИОННЫЕ ДАННЫЕ
1. РАЗРАБОТАН И ВНЕСЕН Министерством монтажных и специальных строительных работ СССР
РАЗРАБОТЧИКИ Е.В.Добрынин (руководитель темы), С.Л.Рохлин, В.С.Сосонко, А.Н.Генералов, М.Н.Блейнис
2. УТВЕРЖДЕН И ВВЕДЕН В ДЕЙСТВИЕ Постановлением Государственного строительного комитета СССР от 31.12.87 N 324
3. ВВЕДЕН ВПЕРВЫЕ
4. ССЫЛОЧНЫЕ НОРМАТИВНО-ТЕХНИЧЕСКИЕ ДОКУМЕНТЫ
|
|
|
| Обозначение НТД, на который дана ссылка
| Номер пункта, подпункта
|
|
|
|
|
|
|
|
|
|
|
|
|
|
|
|
|
|
|
|
|
|
|
5. Переиздание октябрь 1990 г.
Настоящий стандарт устанавливает состав и правила оформления рабочих чертежей силового электрооборудования предприятий, зданий и сооружений всех отраслей промышленности и народного хозяйства.
1. ОБЩИЕ ПОЛОЖЕНИЯ
1.1. Рабочие чертежи силового электрооборудования выполняют в соответствии с требованиями настоящего стандарта и других стандартов системы проектной документации для строительства, а также норм проектирования электротехнических установок.
1.2. В состав рабочих чертежей силового электрооборудования включают:
чертежи, предназначенные для производства электромонтажных работ (основной комплект рабочих чертежей марки ЭМ);
чертежи электромонтажных конструкций (при отсутствии типовых) и габаритные чертежи низковольтных комплектных устройств (НКУ).
1.3. Основной комплект рабочих чертежей марки ЭМ допускается в отдельных случаях при небольших объемах документации объединять с другими основными комплектами электротехнических рабочих чертежей. Объединенному основному комплекту рабочих чертежей присваивают одну марку.
1.4. Определение термина "силовое электрооборудование" приведено в приложении.
2. ОСНОВНОЙ КОМПЛЕКТ РАБОЧИХ ЧЕРТЕЖЕЙ МАРКИ ЭМ
2.1. В основной комплект рабочих чертежей марки ЭМ включают:
общие данные по рабочим чертежам;
схемы электрические принципиальные (далее — принципиальные схемы) комплектных трансформаторных подстанций (КТП), питающей и распределительной сетей;
принципиальные схемы управления электроприводами;
схемы (таблицы) подключения;
планы расположения электрооборудования и прокладки электрических сетей;
кабельнотрубный (кабельный) журнал;
трубозаготовительную ведомость;
ведомость заполнения труб кабелями и проводами.
2.2. Основной комплект рабочих чертежей силового электрооборудования допускается оформлять отдельными документами с присвоением им базовой марки основного комплекта и добавлением через точку порядкового номера документа, обозначенного арабскими цифрами, например, общие данные по рабочим чертежам (ЭМ1.1), принципиальные схемы питающей сети (ЭМ1.2).
2.3. Общие данные по рабочим чертежам выполняют по ГОСТ 21.102-79 с учетом следующих требований:
ведомость спецификаций не составляют;
в общих указаниях в дополнение к сведениям, предусмотренным ГОСТ 21.102-79, приводят итоговые данные (установленная и расчетная мощности) по расчету электрических нагрузок.
2.4. Принципиальные схемы комплектных трансформаторных подстанций, питающей и распределительной сетей выполняют в соответствии с ГОСТ 2.702-75, ГОСТ 2.710-81 и требованиями настоящего стандарта.
Принципиальную схему КТП выполняют по форме 1. Для двухтрансформаторных КТП с устройством автоматического включения резерва, кроме данных, предусмотренных формой 1, указывают нагрузку в аварийном режиме при выходе из строя одного из трансформаторов.
Пример выполнения принципиальной схемы КТП приведен на черт. 1.
Форма 1
Принципиальная схема КТП
Принципиальную схему питающей сети (от трансформаторной подстанции, питающей магистрали до распределительного устройства или электроприемника) выполняют по форме 2.
Принципиальную схему распределительной сети (от распределительного шинопровода или распределительного пункта до электроприемника) и схему распределения электроэнергии от распределительного щита до электроприемника выполняют по форме 3.
Для сетей, где целесообразно выполнение принципиальных схем с учетом расположения электротехнического оборудования в здании, сооружении; для совмещенных сетей силового электрооборудования и электрического освещения; для лабораторных и других разветвленных сетей с несколькими напряжениями, частотами и т.д. в обоснованных случаях допускаются отступления от форм 2 и 3 или выполнение принципиальных схем по произвольной форме. При этом схемы должны содержать все технические данные, предусмотренные формами 2 и 3.
Форма 2
Принципиальная схема питающей сети
Форма 3
Принципиальная схема распределительной сети
2.5. При разработке принципиальных схем по формам 2 и 3 руководствуются следующим:
принципиальную схему выполняют в однолинейном изображении, при этом нулевой проводник отдельной линией не изображают;
в трехфазных трех- и четырехпроводных сетях изображение и обозначение фаз указывают только для одно- и двухфазных линий;
условные графические обозначения электроприемников, пусковых и защитных аппаратов на принципиальной схеме, как правило, не изображают, а указывают над линией их буквенно-цифровые обозначения, типы и технические данные;
электроприемники, подключаемые непосредственно к питающей магистрали, показывают на принципиальных схемах питающей сети;
в графе "Магистраль" (форма 2) указывают буквенно-цифровые обозначения магистрали, ее координаты по плану расположения электрического оборудования (при необходимости), тип шинопровода и его номинальный ток (материал и сечение шин — для магистралей нетипового изготовления), напряжение;
в графе "Распределительное устройство" (форма 3) указывают буквенно-цифровое обозначение распределительного пункта или распределительного шинопровода, его координаты по плану расположения электрооборудования (при необходимости), тип (для НКУ — обозначение габаритного чертежа общего вида), напряжение,
и
— для пунктов, соединенных "в цепочку";
в графе "
…", кроме указанных параметров (при необходимости), указывают величину потери напряжения
, %.
На принципиальных схемах не приводят:
технические данные электрооборудования, марки, сечения и длины кабелей и проводов, обозначения и длины труб, если они поставляются комплектно с технологическим оборудованием или предусмотрены рабочей документацией нестандартизированного оборудования;
марки, сечения и длины проводов в пределах НКУ;
марки, сечения и длины кабелей и проводов, обозначения и длины труб для электроприемников, для которых всю необходимую информацию о кабелях, проводах и трубах невозможно привести на принципиальной схеме (например, сети с разветвленными цепями управления). Данные об этих кабелях, проводах и трубах помещают в кабельном или кабельнотрубном журналах.
На чертеже каждой принципиальной схемы приводят в таблице по форме 4 потребность кабелей и проводов, а в таблице по форме 5 — потребность труб. В таблицы потребности включают кабели, провода и трубы, технические данные и длины которых указаны в принципиальной схеме.
Форма 4
Потребность кабелей и проводов
длина, м

Форма 5
Потребность труб
Примеры выполнения принципиальных схем питающей и распределительной сетей приведены на черт. 2 и 3.
2.6. Для троллейных линий, имеющих секционирование и подпитку, допускается выполнять принципиальную схему по произвольной форме.
2.7. Принципиальные схемы управления электроприводами выполняют в соответствии с ГОСТ 2.702-75. Каждый элемент или устройство, изображенные на электрической схеме, должны иметь буквенно-цифровое обозначение, присвоенное им в соответствии с требованиями ГОСТ 2.710-81.
Допускается не выполнять принципиальные схемы управления для несложных электроприводов, в которых используют стандартные серийные пусковые устройства без каких-либо изменений внутренней схемы и не имеющие внешних контрольных цепей (например, магнитный пускатель со встроенной кнопкой, шкаф управления).
2.8. Схемы (таблицы) подключения выполняют в соответствии с ГОСТ 2.702-75 для электроприводов, имеющих разветвленные цепи управления и блокировки с другими механизмами и устройствами, сложную пускорегулирующую аппаратуру.
Схемы (таблицы) подключения допускается не выполнять:
для электроприводов механизмов, схемы управления которыми не разрабатывались, в соответствии с п. 2.7;
для электрооборудования и аппаратов, к которым неправильное подключение проводов исключается (например, асинхронные двигатели с короткозамкнутым ротором).
2.9. Планы расположения электрооборудования и прокладки электрических сетей (далее — планы расположения).
2.9.1. Планы расположения выполняют на здание или часть здания с учетом технологических узлов и очередей строительства. Масштабы чертежей принимают по ГОСТ 2.302-68 с учетом обеспечения четкого графического изображения электрооборудования и электрических сетей.
2.9.2. На планах расположения в дополнение к требованиям ГОСТ 21.101-79 показывают:
строительные и технологические конструкции, трубопроводы и другие коммуникации, определяющие трассы прокладки электрических сетей или используемые для их крепления и прокладки в виде контурных очертаний — сплошными тонкими линиями по ГОСТ 2.303-68;
границы и классы взрыво- и пожароопасных зон, категории и группы взрывоопасных смесей по классификации Правил устройства электроустановок;
наименования отделений, участков цехов, помещений и т. п., если это определяет характер прокладки электрических сетей;
наименования или обозначения электромашинных помещений, помещений щитов управления, кабельных тоннелей и других электротехнических сооружений;
электрооборудование и электрические сети в виде условных графических изображений с указанием буквенно-цифровых обозначений по принципиальным схемам, кабельным или кабельнотрубным журналам.
2.9.3. Электрооборудование и электрические сети на планах расположения приводят в следующем составе:
электроприемники, трансформаторные подстанции, комплектные электротехнические устройства, аппараты и т. п.;
шинопроводы (магистральные, распределительные, троллейные);
троллейные линии и участки электрической сети, выполненные шинами на изоляторах;
трассы открытой прокладки кабелей и проводов на конструкциях, в коробках, на лотках, в трубах, каналах, тоннелях;
кабельные конструкции, если чертежи их установки не совмещены с планами прокладки проводов и кабелей;
трубы скрытой прокладки проводов и кабелей в полах, в земле и фундаментах;
магистрали заземления и зануления.
2.9.4. Планы расположения электрооборудования, как правило, совмещают с планами прокладки электрических сетей и устройства заземления (зануления).
При необходимости приводят разрезы, нетиповые узлы установки электрооборудования и прокладки электрических сетей, схемы расположения шинопроводов, а также схемы транспортировки крупногабаритного электрооборудования. Для трубных прокладок, выполняемых блоками и пакетами труб, разрабатывают чертежи на блоки и пакеты.
2.9.5. Электрооборудование (за исключением электроприемников, комплектных устройств, аппаратов и приборов, установленных непосредственно на технологическом оборудовании) и трассы электрических сетей, проложенных как скрыто в трубах в полу, так и открыто, должны иметь привязки и отметки на плане.
Привязку электротехнического оборудования электрических сетей производят, как правило, к координационным осям зданий, сооружений или к осям технологического оборудования при условии, что это оборудование по своему характеру имеет фундаменты или монтируется до прокладки труб электропроводки.
При скрытой прокладке электрических сетей (в полах, в земле, в фундаментах) привязывают концы труб и указывают отметки заложения и выхода. В фундаментах сложного оборудования дают дополнительные привязки концов труб к ближайшим фундаментным болтам.
При открытой прокладке электрических сетей по технологическим установкам, сооружениям и строительным конструкциям (галереи, фермы, колонны) привязку электрических сетей допускается производить к указанным установкам, сооружениям и конструкциям.
Допускается не указывать привязку одиночных устройств (например, пускателей, кнопок, штепсельных розеток) и открыто проложенных кабелей, если места их установки или прокладки ясны без привязок.
Примеры оформления планов расположения электрооборудования и прокладки электрических сетей приведены на черт. 4 и 5.
2.9.6. Спецификацию электрооборудования, конструкций и деталей к плану расположения электрооборудования и прокладки электрических сетей выполняют по форме 1 ГОСТ 21.104-79.
На два или несколько аналогичных участков сети, состоящих из повторяющихся элементов (например, шинопроводы магистральные, распределительные, троллейные), выполняют групповую спецификацию по форме 2 ГОСТ 21.104-79, при этом в графе "Кол." указывают количество на один участок сети (например, шинопровод).
Спецификацию к плану расположения не выполняют, если позиции на плане соответствуют позициям спецификации оборудования, выполненнной по форме ГОСТ 21.110-82.
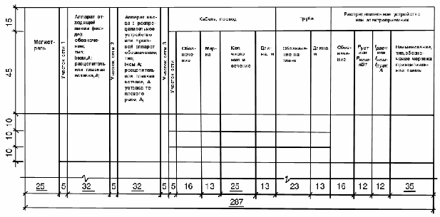
2.10. Кабельнотрубный журнал выполняют по форме 6.
Форма 6
Кабельнотрубный журнал
В кабельнотрубный журнал включают кабели, провода и трубы для тех электроприемников, для которых невозможно привести всю необходимую информацию о кабелях, проводах и трубах на принципиальных схемах питающей и распределительной сетей.
При открытых прокладках сетей (без труб) графы кабельнотрубного журнала, относящиеся к трубам, не заполняют или составляют кабельный журнал по форме ГОСТ 21.608-84.
При выполнении чертежей прокладки кабелей методом трасс выполняют кабельный журнал по форме 7. В графе "Участок трассы кабеля" указывают обозначения участков трассы по плану прокладки электрических сетей.
Форма 7
Кабельный журнал для прокладки методом трасс
В кабельным журнале приводят таблицу потребности кабелей и проводов по форме 4, а в кабельнотрубном журнале, кроме того, приводят таблицу потребности труб по форме 5.
2.11. Трубозаготовительная ведомость предназначается для заготовки элементов труб в мастерских электромонтажных заготовок (МЭЗ), заменяет кабельнотрубный журнал в части, относящейся к трубам, и является дополнением к кабельному журналу для прокладки кабелей и проводов в металлических трубах.
Трубозаготовительную ведомость выполняют по форме 8 в следующих случаях:
для электрических сетей, где преобладает прокладка кабелей и проводов в металлических трубах и где объем трубных прокладок определяет целесообразность заготовки элементов труб в МЭЗ;
для электрических сетей, прокладываемых в трубах в фундаментах сложного оборудования.
При заполнении трубозаготовительной ведомости в графе "Участок трассы трубы" указывают:
длины участков труб между вершинами углов в метрах;
величины углов в градусах и радиусы изгиба в миллиметрах;
обозначения протяжных ящиков и трубных блоков;
ссылку на чертеж, в котором дано продолжение трубы.
Форма 8
Трубозаготовительная ведомость
При наличии нормализованных элементов труб трубозаготовительную ведомость выполняют по той же форме, но в графе "Участок трассы трубы" указывают:
длины нормализованных прямых отрезков труб, а в необходимых случаях — длину добавочного отрезка в метрах;
типы соединительных углов с указанием угла изгиба в градусах;
обозначения протяжных ящиков и трубных блоков;
ссылку на чертеж, в котором дано продолжение трубы.
При составлении трубозаготовительной ведомости графы кабельнотрубного журнала, относящиеся к трубам, не заполняют, а дают ссылку на трубозаготовительную ведомость.
В трубозаготовительной ведомости приводят таблицу потребности труб по форме 5.
2.12. Ведомость заполнения труб кабелями и проводами выполняют по форме 9 в случаях, когда составляются отдельно кабельный журнал и трубозаготовительная ведомость.
Форма 9
Ведомость заполнения труб кабелями, проводами
2.13. При заполнении граф "Длина проводов, кабелей и труб" на принципиальных схемах и в кабельнотрубных журналах указывают длину с учетом надбавки на изгибы, повороты и отходы.
2.14. При выполнении рабочих чертежей силового электрооборудования на ЭВМ формы выходных документов должны быть максимально приближены к формам, приведенным в стандарте. Допускается принципиальные схемы питающей и распределительной сетей выполнять в виде таблиц, при этом таблицы должны содержать все технические данные, предусмотренные формами 2 и 3.
3. ЧЕРТЕЖИ ЭЛЕКТРОМОНТАЖНЫХ КОНСТРУКЦИЙ
И ГАБАРИТНЫЕ ЧЕРТЕЖИ НКУ
3.1. Чертежи электромонтажных конструкций, предназначенных для установки электрооборудования и прокладки электрических сетей, выполняют в случаях отсутствия соответствующих изделий заводского изготовления, типовых чертежей электромонтажных конструкций и чертежей электромонтажных конструкций повторного применения.
Чертеж электромонтажной конструкции выполняют, как правило, в масштабе 1:5, 1:10 или 1:20.
На чертеже электромонтажной конструкции помещают спецификацию по формам ГОСТ 2.108-68 и ГОСТ 2.113-75.
3.2. Все электромонтажные конструкции, подлежащие изготовлению в МЭЗ по типовым чертежам, чертежам повторного применения и вновь разработанным чертежам, включают в ведомость электромонтажных конструкций, подлежащих изготовлению в МЭЗ по форме 10.
Форма 10
Ведомость электромонтажных конструкций, подлежащих
изготовлению в МЭЗ
Габаритный чертеж НКУ должен содержать изображение конструкции — вид спереди, вид сверху (если требуется), количество и порядок расположения панелей, габаритные и установочные размеры, текстовые указания и надписи, необходимые для общего представления об устройстве.
ПРИЛОЖЕНИЕ
Обязательное
ОПРЕДЕЛЕНИЕ ТЕРМИНА "СИЛОВОЕ ЭЛЕКТРООБОРУДОВАНИЕ"
К силовому электрооборудованию относят:
комплектные трансформаторные подстанции 6.10/0,4.0,66 кВ;
электрические сети для питания электроприемников напряжением до 1 кВ в пределах проектируемого здания, сооружения;
управляющие устройства электроприводов до 1 кВ систем вентиляции и кондиционирования воздуха, водоснабжения, канализации и других механизмов общего (например, общецехового) назначения, если электроприводы этих систем и механизмов поставляются без таковых.
Примечания:
1. В рабочих чертежах силового электрооборудования для электроприводов технологического, транспортного и т.п. оборудования, поставляемого заводами-изготовителями без управляющих устройств, предусматривают только подвод питания.
2. Установку НКУ и отдельных аппаратов, поставляемых заводами-изготовителями комплектно с технологическим, транспортным и т.п. оборудованием или предусмотренных в документации на изготовление нестандартизированного оборудования, а также прокладку электрических сетей между ними выполняют в рабочих чертежах установки этого оборудования, а подвод питания — в рабочих чертежах силового электрооборудования.
Черт. 1
* В рабочих чертежах данного комплекта не учитывается.
Черт. 2
_____________________
* Данные о кабелях и трубах, смотри кабельнотрубный журнал.
** Поставляется комплектно с механизмом.
*** Длины учтены в принципиальной схеме питающей сети.
Черт. 3
Трубы проложить на отм. -0.100 и концы их вывести на 200 мм над уровнем чистого пола.
Черт. 4
Черт. 5
Текст документа сверен по:
официальное издание
Госстрой СССР —
М.: Издательство стандартов, 1991