ГОСТ 22687.3-85
Группа Ж33
ГОСУДАРСТВЕННЫЙ СТАНДАРТ СОЮЗА ССР
СТОЙКИ ЖЕЛЕЗОБЕТОННЫЕ ЦЕНТРИФУГИРОВАННЫЕ
ДЛЯ ОПОР ВЫСОКОВОЛЬТНЫХ ЛИНИЙ ЭЛЕКТРОПЕРЕДАЧИ
Конструкция закладных изделий и подпятников
Centrifugal reinforced concrete posts for high-voltage
transmission lines. Structure of fitting products
ОКП 58 6311
Дата введения 1986-01-01
РАЗРАБОТАН
Министерством энергетики и электрификации СССР
Научно-исследовательским институтом бетона и железобетона (НИИЖБ) Госстроя СССР
ИСПОЛНИТЕЛИ
А.И.Курносов, канд. техн. наук (руководитель темы); В.М.Пинчук; Б.М.Гальперин; В.Е.Иванова; Л.Э.Левин; Н.В.Плохих; Г.И.Бердичевский, д-р техн. наук; Л.Н.Зикеев, канд. техн. наук; В.М.Скубко
ВНЕСЕН Министерством энергетики и электрификации СССР
Зам. министра Ф.В.Сапожников
УТВЕРЖДЕН И ВВЕДЕН В ДЕЙСТВИЕ Постановлением Государственного комитета СССР по делам строительства от 25 октября 1984 г. № 180
1. Настоящий стандарт распространяется на закладные изделия и подпятники для железобетонных центрифугированных конических и цилиндрических стоек кольцевого сечения по ГОСТ 22687.1-85 и ГОСТ 22687.2-85, предназначенных для опор линий электропередачи напряжением 35-750 кВ, и устанавливает конструкцию указанных закладных изделий и подпятников.
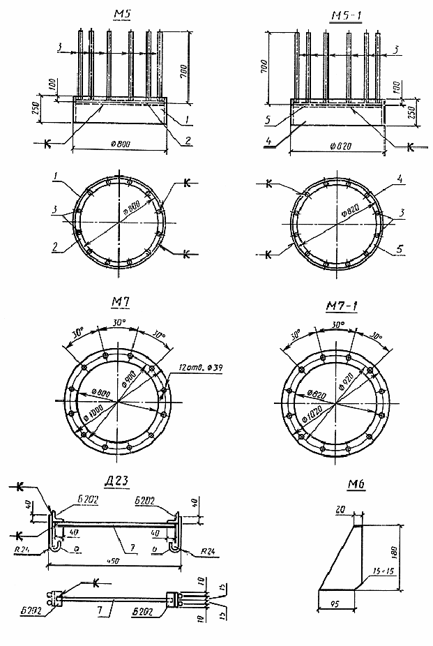
2. Форма и размеры закладных изделий должны соответствовать указанным на черт. 1.
Спецификация элементов на закладное изделие приведена в табл. 1.
Соединение элементов закладных изделий выполняют ручной дуговой сваркой швами.
3. Форма и размеры закладных изделий для фланцевых соединений стоек должны соответствовать указанным на черт. 2.
Спецификация элементов на эти закладные изделия приведена в табл. 2.
4. Форма и размеры подпятников, показатели их материалоемкости должны соответствовать указанным на черт. 3-4 и приведенным в табл. 3.
5. Подпятники следует изготовлять из тяжелого бетона средней плотности более 2200 до 2500 кг/м
включительно.
6. Армирование подпятников должно соответствовать приведенному на черт. 5.
Спецификация арматурных элементов на подпятник приведена в табл. 4.
7. Крестообразные соединения стержней — по ГОСТ 14098-85.
Тавровое соединение анкерных стержней с фасонкой — по ГОСТ 14098-85.
Режимы сварки следует принимать согласно СН 393-78.
8. Технические требования к закладным изделиям и подпятникам — по ГОСТ 22687.0-85.
9. Оценка качества и методы контроля закладных изделий — по ГОСТ 10922-75.
Закладные изделия
Исполнение 1
Б203, Б209-Б218, Б220-Б238, Б243, Б244, Б607-Б609, Б692, Б693
Исполнение 2
(только для стоек СК26.2-1, СК22.2-1, СК26.3-1, СЦ20.2-1, СЦ20.2-2)
Б221-Б230, Б233, Б236-Б239, Б244, Б609, Б692, Б603
Черт. 1
Таблица 1
|
|
|
|
|
|
|
Марка закладного изделия
|
Сечение
|
|
|
Масса, кг
|
| 1
| 2
| 3
| 4
| 5
|
|
Б202
|
Уголок 50х5
|
50
|
50
|
0,2
|
|
Б204
|
Уголок 36х4
|
365
|
—
|
2,4
|
| |
|
1070
| | |
|
Б205
|
Уголок 36х4
|
500
|
—
|
3,3
|
| |
|
1490
| | |
|
Б206
|
Уголок 36х4
|
450
|
—
|
3,0
|
| |
|
1330
| | |
|
Б207
|
Уголок 36х4
|
515
|
—
|
4,0
|
| |
|
1740
| | |
|
Б208
|
Уголок 36х4
|
520
|
—
|
3,6
|
| |
|
1635
| | |
|
Б209
|
Уголок 36х4
|
320
|
40
|
1,4
|
|
Б210
| |
330
| |
1,4
|
|
Б211
| |
340
| |
1,5
|
|
Б212
| |
350
| |
1,5
|
|
Б213
| |
360
| |
1,6
|
|
Б214
| |
370
| |
1,6
|
|
Б215
| |
380
| |
1,7
|
|
Б216
| |
390
| |
1,7
|
|
Б217
| |
400
| |
1,8
|
|
Б218
| |
415
| |
1,8
|
|
Б220
|
Уголок 36х4
|
425
|
40
|
1,9
|
|
Б221
| |
435
| |
1,9
|
|
Б222
| |
445
| |
2,0
|
|
Б223
| |
450
| |
2,0
|
|
Б224
| |
460
| |
2,1
|
|
Б225
| |
470
| |
2,1
|
|
Б226
| |
480
| |
2,2
|
|
Б227
|
Уголок 50х5
|
400
|
55
|
3,1
|
|
Б228
| |
405
| |
3,2
|
|
Б229
| |
425
| |
3,3
|
|
Б230
| |
445
| |
3,4
|
|
Б231
| |
460
| |
3,5
|
|
Б232
| |
470
| |
3,6
|
|
Б233
| |
575
| |
4,4
|
|
Б234
| |
555
| |
4,2
|
|
Б235
|
Уголок 160х10
|
555
|
160/70
|
19,8
|
|
Б235-1
| |
465
| |
16,6
|
|
Б235-2
| |
480
| |
17,1
|
|
Б235-3
| |
500
| |
17,8
|
|
Б235-4
| |
520
| |
18,6
|
|
Б236
|
Уголок 36х4
|
495
|
40
|
2,2
|
|
Б237
| |
505
| |
2,2
|
|
Б238
|
Уголок 50х5
|
510
|
55
|
4,0
|
|
Б239
| |
415
| |
3,2
|
|
Б240
|
Уголок 36х4
|
450
|
—
|
3,3
|
| |
|
1390
| | |
|
Б241
|
Уголок 36х4
|
570
|
—
|
4,0
|
| |
|
1780
| | |
|
Б243
|
Уголок 50х5
|
480
|
55
|
3,7
|
|
Б244
| |
430
| |
3,2
|
|
Б607
| |
625
| |
4,8
|
|
Б608
| |
610
| |
4,6
|
|
Б609
| |
590
| |
4,4
|
|
Б610
|
Уголок 160х10
|
580
|
160/70
|
20,8
|
|
Б691
|
Уголок 50х5
|
760
|
—
|
7,8
|
| |
|
2350
| | |
|
Б692
|
Уголок 63х5
|
785
|
68
|
7,6
|
|
Б693
|
Уголок 50х5
|
785
|
55
|
6,0
|
|
Примечание. Разрешается применять закладные изделия других конструкций, которые удовлетворяют всей совокупности предъявляемых к ним требований.
| ||||
Закладные изделия
Черт.2
Таблица 2
|
|
|
|
|
|
|
|
|
|
|
Марка
|
Номер позиции
|
Эскиз
|
Сечение
|
Длина, мм
|
Коли- чество
|
Масса, кг
| ||
| | | | | | позиций
| одной де- тали
| всех дета- лей
| марки
|
|
М5
|
1
| |
— 250х10
|
2480
|
1
|
48,7
|
49
|
63
|
| |
2
| __________
|
|
2405
|
1
|
2,9
|
3
| |
| |
3
| __________
|
|
700
|
12
|
0,8
|
10
| |
| | |
Наплавленный металл
| | |
1
| | ||
|
М5-1
|
4
| | Труба |
250
|
1
|
50
|
50
|
64
|
| |
3
| __________
|
|
700
|
12
|
0,8
|
10
| |
| |
5
| __________
|
|
2468
|
1
|
3,0
|
3
| |
| | |
Наплавленный металл
| |
|
1
| | ||
|
М6
| | |
— 95х10
|
180
|
1
|
0,8
|
1
|
1
|
|
М7
| | |
— 98х25
|
1000
|
1
|
52,8
|
53
|
53
|
|
М7-1
| | |
— 100х25
|
1020
|
1
|
56,7
|
57
|
57
|
| | | | |
|
|
|
| |
|
Д23 (ПК-1)
|
6
|
|
|
250
|
4
|
0,1
|
0,4
|
1
|
| |
7
| __________
|
|
430
|
1
|
0,2
|
0,2
| |
Подпятники марок П1, П2 и П3
Черт.3
Подпятники марок ПК-1, П1-3, П4-1
Черт. 4
Таблица 3
|
|
|
|
|
|
|
|
|
|
|
|
|
|
Мар- ка под-
|
Геометрические размеры, мм
|
Расход материалов
|
Приме- няемость в стойках
| ||||||||
| пят- ника
|
|
|
|
|
Бетон
|
Арматура
|
Зак- лад-
|
Об- щий
|
| ||
| | | | | |
Класс
|
Объем, м
|
Диаметр, мм
|
Масса, кг
| ные изде- лия, кг
| рас- ход, кг
|
|
|
П1
|
560
|
—
|
50
|
—
|
B25
|
0,012
|
|
2,0/0,3
|
1
|
3,3
|
СЦ22.1-1
|
|
П2
|
650
|
—
|
50
|
—
| |
0,017
|
|
3,0/0,3
| |
4,3
|
СК26.1-1
|
| | | | | | | | | | | | СК26.1-5; СК26.1-6;
|
| | | | | | | | | | | | СК26.2-1;
|
| | | | | | | | | | | | СК22.1-1
|
| | | | | | | | | | | | СК22.2-1; СК22.3-1
|
|
П3
|
800
|
—
|
60
|
—
| |
0,03
|
|
5,0/0,3
| |
6,3
|
СЦ20.1-1; СЦ20.2-1;
|
| | | | | | | | | | | | СЦ20.2-2
|
|
ПК-1
|
650
|
440
|
200
|
150
| |
0,06
|
|
4,0/0,3
|
3
|
7,3
|
СК26.1-4
|
|
П1-3
|
600
|
420
|
180
|
80
| |
0,038
|
|
4,0/1,0
|
—
|
5,0
|
СЦ26.1-1; СЦ26.3-1;
|
| | | | | | | | | | | | СЦ26.3-2
|
|
П4-1
|
800
|
—
|
100
|
—
| |
0,05
|
|
5,3/0,2
|
1
|
6,5
|
СЦ20.3-1н
|
|
Примечание. В числителе приведены данные для подпятников, в знаменателе — для монтажных петель. Марка стали — ВСт3пс.
| |||||||||||
Армирование подпятников
|
|
|
| П1
| П2
|
| П3
| ПК-1
|
| П1-3
| П4-1
|
| Черт. 5
| |
Таблица 4
|
|
|
|
|
|
|
|
|
Обозначение подпятника
|
Арматурный элемент
|
Номер позиции
|
Диаметр, мм
|
Длина, мм
|
Количество позиций
|
Общая длина, м
|
|
П1
|
С165
|
1
|
|
500
|
2
|
1,0
|
| | | 2
|
| 460
| 4
| 1,8
|
| | | 3
|
| 310
| 4
| 1,2
|
| |
|
28
|
|
800
|
1
|
0,8
|
|
П2
|
С166
|
4
|
|
600
|
2
|
1,2
|
| | | 5
|
| 580
| 4
| 2,3
|
| | | 6
|
| 520
| 4
| 2,1
|
| | | 7
|
| 380
| 4
| 1,5
|
| |
|
28
|
|
800
|
1
|
0,8
|
|
П3
|
С169
|
8
|
|
750
|
2
|
1,5
|
| | | 9
|
| 730
| 4
| 2,9
|
| | | 10
|
| 670
| 4
| 2,7
|
| | | 11
|
| 570
| 4
| 2,3
|
| | | 12
|
| 380
| 4
| 1,5
|
| |
|
29
|
|
800
|
1
|
0,8
|
|
ПК-1
|
С168 (2 шт.)
|
13
|
|
600
|
12
|
7,2
|
| | | 14
|
| 410
| 8
| 3,3
|
| | | 15
|
| 220
| 8
| 1,8
|
| |
|
30
|
|
770
|
1
|
0,8
|
|
П1-3
|
С131
|
16
|
|
560
|
4
|
2,2
|
| | | 17
|
| 440
| 4
| 1,8
|
| | | 19
|
| 320
| 4
| 1,3
|
| |
С132
|
18
|
|
370
|
4
|
1,5
|
| | | 20
|
| 220
| 4
| 0,9
|
| |
|
31
|
|
220
|
8
|
1,8
|
| |
|
32
|
|
350
|
1
|
0,4
|
|
П4-1
|
С1
|
21
|
|
750
|
2
|
1,5
|
| | | 22
|
| 730
| 4
| 2,9
|
| | | 23
|
| 670
| 4
| 2,7
|
| | | 24
|
| 570
| 4
| 2,3
|
| | | 25
|
| 380
| 4
| 1,5
|
| |
|
26
|
|
2450
|
1
|
2,5
|
| |
|
27
|
|
390
|
1
|
0,4
|
Текст документа сверен по:
официальное издание
М.: Издательство стандартов, 1986
Предоставлено компанией .













