Часть 1 | |
ГОСТ 23961-80
Группа Ж83
ГОСУДАРСТВЕННЫЙ СТАНДАРТ СОЮЗА ССР
МЕТРОПОЛИТЕНЫ
Габариты приближения строений, оборудования и подвижного состава
Constraction, equipment and rolling stock сleaгаnсе
diagrams for USSR Metro
Дата введения 1980-07-01
РАЗРАБОТАН
Министерством путей сообщения
Министерством транспортного строительства
Министерством автомобильной промышленности
ИСПОЛНИТЕЛИ
Ю.М.Лазаренко, канд. техн. наук (руководитель темы); Н.Г.Чибизова, канд. техн. наук; А.А.Львов, д-р техн. наук; Л.С.Борисова; А.Я.Чернышева; С.И.Жуков; А.Г.Акимов; Н.А.Ягупов; А.Л.Суровиков
ВНЕСЕН Министерством путей сообщения
Зам. министра К.В.Кулаев
УТВЕРЖДЕН И ВВЕДЕН В ДЕЙСТВИЕ Постановлением Государственного комитета СССР по делам строительства от 29 декабря 1979 г. N 260
Настоящий стандарт распространяется на габариты приближения строений, оборудования и подвижного состава линий метрополитенов колеи 1520 мм.
Установленные настоящим стандартом габариты следует применять при:
проектировании и строительстве новых линий метрополитена, сооружений и устройств на них;
реконструкции существующих линий метрополитена, сооружений и устройств на них;
проектировании, изготовлении, модернизации и ремонте подвижного состава для метрополитенов.
Порядок применения указанных габаритов на эксплуатируемых линиях метрополитенов устанавливается Министерством путей сообщения.
1. ОСНОВНЫЕ ПОЛОЖЕНИЯ
1.1. Настоящий стандарт устанавливает:
габариты приближения строений — предельные поперечные (перпендикулярные оси пути) очертания, внутрь которых помимо подвижного состава и оборудования не должны заходить никакие части стационарных сооружений и строительных конструкций, кроме упоров тоннельных затворов, с учетом нормируемых допусков на их изготовление и монтаж;
габарит приближения оборудования — предельное поперечное (перпендикулярное оси пути) очертание, внутрь которого не должны заходить никакие части всех видов оборудования и устройств, за исключением частей устройств, предназначенных для непосредственного взаимодействия с соответствующими частями подвижного состава;
габарит подвижного состава — предельное, поперечное (перпендикулярное оси пути) очертание, внутри которого должен помещаться подвижной состав (с учетом максимальных нормируемых допусков и износов, а также бокового наклонения на рессорах), установленный на прямом горизонтальном пути и в кривой расчетного радиуса как в ненагруженном, так и в нагруженном состоянии;
строительное очертание подвижного состава — поперечное (перпендикулярное оси пути) очертание, подлежащее расчету для всех характерных сеченый, наружу которого не должна выступать ни одна часть подвижного состава в этих сечениях, в ненагруженном его состоянии при нахождении на прямом горизонтальном пути и при совмещении его продольной, вертикальной, срединной плоскости с осью пути;
проектное очертание подвижного состава — поперечное (перпендикулярное оси пути) очертание, подлежащее расчету для всех характерных сечений, внутри которого должны находиться все расположенные в рассматриваемом сечении элементы конструкции проектируемого подвижного состава, имеющие номинальные размеры.
1.2. Пространство между габаритом приближения строений и габаритом приближения оборудования установлено для размещения устройств пути, автоматики и телемеханики для движения поездов, связи, электроснабжения, освещения, санитарной техники, а также дорожки для прохода обслуживающего персонала, пешеходных мостиков и платформ на перегонах между станциями.
1.3. Пространство между габаритом приближения оборудования и габаритом подвижного состава (а для двухпутных линий также между габаритами смежных подвижных составов) установлено для перемещений подвижного состава, вызываемых отклонениями в состоянии отдельных элементов пути, а также динамическими колебаниями подвижного состава на рессорах.
1.4. Пространство между габаритом подвижного состава и его строительным очертанием установлено для перемещений подвижного состава, вызываемых:
допускаемыми в эксплуатации конструктивными зазорами при максимальных износах;
наклонами кузова при асимметрии нагрузки, неравномерной осадке рессор и выборе зазора в скользунах;
наклонами кузова из-за поломки элемента центральной рессоры.
Кроме того, дополнительно следует учитывать перемещения кузова вследствие боковой качки, крена и геометрических выносов в кривых участках, превышающие аналогичные перемещения кузова расчетного вагона.
1.5. Пространство между строительными и проектными очертаниями подвижного состава установлено для компенсации плюсовых допусков при изготовлении и ремонте подвижного состава.
2. ГАБАРИТЫ ПРИБЛИЖЕНИЯ СТРОЕНИЙ
2.1. Габариты приближения строений должны соответствовать указанным на черт.1-3 при расположении контактного рельса слева от оси пути.
2.2. Габарит приближения строений
(черт.1) установлен для прямых участков пути и кривых радиусом 200 м и более, расположенных в тоннелях кругового очертания диаметрами 5100-5200 мм.
В кривых участках пути ось тоннеля должна быть смещена относительно оси пути во внутреннюю сторону кривой на величину
, мм, определяемую по формуле
где 1700 (1670) — расстояние от центра габарита до точки, лежащей в плоскости касательной к головкам рельсов посередине пути, соответственно, при рельсах типов Р50 и Р65, мм;
— тангенс угла наклона пути к горизонтали.
Для служебных веток в кривых участках пути радиусом менее 200 м размеры габарита
следует увеличивать, обеспечивая размещение между ним и габаритом
необходимого оборудования и кабелей.
Примечание. Габариты тоннелей кругового очертания диаметрами более 5200 мм следует определять расчетом, но принимать не менее габарита
.
2.3. Очертание габарита приближения строений
(черт.2), расположенное выше уровня головок рельсов, установлено для прямых участков пути. Для кривых участков пути поперечные размеры этого очертания следует увеличивать в соответствии с п.1 обязательного приложения 1.
Очертание габарита
, расположенное ниже уровня головок рельсов, установлено для прямых и кривых участков пути.
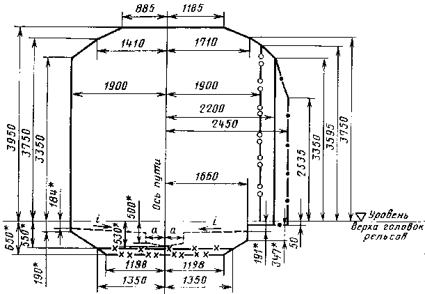
2.4. Очертание габаритов приближения строений
(черт.3), расположенное выше уровня головок рельсов (кроме линии приближения колонн) установлено для прямых участков пути. Поперечные размеры правой части этого очертания и расстояние до перил на платформах, расположенных в кривых участках пути, следует увеличивать в соответствии с п.1 обязательного приложения 1.
Координаты верхнего края платформ на станциях и перегонах на кривых участках пути следует принимать в соответствии с п.2 обязательного приложения 1.
Очертание габарита
, расположенное ниже уровня головок рельсов, а также расстояние по горизонтали до линии приближения колонн установлено для прямых и кривых участков пути.
2.5. Расстояние между осями смежных путей на прямых участках, а также на кривых радиусом 500 м и более должно быть не менее, мм:
на главных путях в двухпутных тоннелях без промежуточных опор ….3400
на мостах и эстакадах ……………………………………. 3700
на главных путях наземных участков и в местах укладки
перекрестных съездов, а также путях для
оборота составов ………………………………………… 4000
на парковых путях ……………………………………….. 4200
на парковых путях, предназначенных также для обращения
подвижного состава железных дорог колеи 1520 мм……………… 4800
на деповских путях (в здании) …………………………….. 4500
Для кривых участков пути радиусом менее 500 м указанные расстояния, кроме расстояний на парковых путях, следует увеличивать с учетом максимально допускаемых скоростей движения поездов на перспективу в соответствии с п.3 обязательного приложения 1.
Габарит ![]()
(для тоннелей кругового очертания на перегонах)
_________________
* Размер следует увеличить на 30 мм при укладке в путь рельсов типа Р65
линия приближения дорожки для прохода обслуживающего персонала;
— — — — — линия приближения водоотводного лотка;
— линия приближения основания пути.
Черт.1
Примечания: 1. Размер в скобках следует принимать в случае укладки в путь рельсов типа Р65.
2. Размер
следует устанавливать в зависимости от конструкции пути в пределах 450-550 мм.
3. Уклон
для прямых участков пути следует принимать равным 0,03. Для кривых участков пути величину уклона
следует устанавливать в зависимости от возвышения наружного рельса.
4. За ось габарита следует принимать линию, проходящую через середину пути перпендикулярно к плоскости, касательной к головкам рельсов.
Габарит ![]()
(для тоннелей прямоугольного очертания, сооружений и устройств
наземных и надземных участков на перегонах
______________________
* Размер следует увеличивать на 30 мм при укладке в путь рельсов типа Р65
линия приближения колонн;
-.-.- — линия приближения перил на мостах и эстакадах, а также подпорных стен на открытых наземных участках линий;
— — — — линия приближения водоотводного лотка при укладке верхнего строения пути на бетонном слое;
линия приближения основания пути на бетонном слое;
линия приближения основания пути на щебеночном балласте.
Черт.2
Примечания: 1. Размер
следует устанавливать в зависимости от конструкции пути в пределах 450-550 мм.
2. Уклон
для прямых участков пути следует принимать равным 0,03. Для кривых участков пути величину уклона
следует устанавливать в зависимости от возвышения наружного рельса.
Габарит ![]()
(для станций)
____________________
* Размер следует увеличивать на 30 мм при укладке в путь рельсов типа Р65
-·-·-·— линия приближения перил на мостах и эстакадах, а также подпорных стен на открытых наземных участках линий;
линия приближения основания пути на бетонном слое;
линия приближения основания пути на щебеночном балласте;
линия приближения перил на платформах;
— — — — линия приближения водоотводного лотка при укладке верхнего строения пути на бетонном слое;
линия приближения колонн.
Черт.3
Примечания: 1. Размер
следует устанавливать в зависимости от конструкции пути в пределах 450-550 мм.
2. Уклон
для прямых участков пути следует принимать равным 0,03. Для кривых участков пути величину уклона
следует устанавливать в зависимости от возвышения наружного рельса.
3. Размер 3150 мм допускается применять для стен служебных помещений, расположенных на пассажирских платформах, на длине до 10 м от их торца.
3. ГАБАРИТ ПРИБЛИЖЕНИЯ ОБОРУДОВАНИЯ
3.1. Габарит приближения оборудования на прямых участках пути должен соответствовать габариту
, указанному на черт.4 и 5.
3.2. Размеры верхнего очертания, а также расстояние от оси пути до точки
нижнего очертания габарита
в кривых участках пути следует увеличивать на величины перемещений расчетного вагона (длина кузова 18,2 м, база вагона 12,6 м и база тележки 2,1 м) в соответствии с обязательным приложением 2.
Габарит ![]()
Верхнее очертание габарита ![]()
Примечание. Размеры по вертикали до точек
допускается принимать уменьшенными на 30 мм для тоннелей кругового очертания при обращении вагонов типов Е, 81-714, 81-717, И(81-715 и 81-716) в случае укладки в путь рельсов типа Р65.
Черт.4
Нижнее очертание габарита ![]()
__________________
* Размер следует увеличивать на 30 мм при укладке в путь рельсов типа Р65.
** Размер допускается увеличивать до 890 мм в местах установки уплотнителей на
порогах.
___________ основное очертание габарита приближения оборудования;
линия приближения контактного рельса;
-.-.- линия приближения порога и настилов;
— . . — линия приближения шины автостопа в поднятом положении;
— . . . — линия приближения скобы пикетоотметчика;
…….. линия приближения автостопа только в стесненных условиях;
линия приближения датчиков автоведения (действительно и для правой части);
-/ /- линия приближения пункта подключения кабелей к контактному рельсу;
линия приближения нижней постели шпалы при укладке бетонного основания пути
в тоннелях кругового очертания.
Черт.5
Примечания: 1. Нижнее очертание габарита по линии
следует применять в местах отсутствия контактного рельса, а при наличии контактного рельса — по линии
.
2. Ширина желоба
между боковой рабочей гранью головки ходового рельса и устройствами, расположенными внутри колеи, должна быть не менее 90 мм.
Ширина желоба
между рельсом и контррельсом должна быть не менее 42 мм при условии обеспечения плавного отвода до ширины 90 мм в начале и конце контррельса.
3.3. Размеры нижнего очертания габарита
(кроме размеров до точки
) действительны также и для кривых участков пути радиусом 200 м и более.
Для кривых участков пути радиусом менее 200 м расстояния по горизонтали до точек нижнего очертания габарита со стороны внутренней нитки следует дополнительно увеличивать:
при радиусе кривой менее 100 м — на 20 мм;
" " " от 100 до 124 м — на 16 мм;
" " " " 125 " 149 м — на 11 мм;
" " " " 150 " 199 м — на 6 мм.
3.4. В пространстве между габаритами
и
в кривых участках радиусом 350 м и менее не допускается переход кабелей по своду с одной стороны тоннеля на другую.
4. ГАБАРИТ ПОДВИЖНОГО СОСТАВА
4.1. Габарит подвижного состава, а также путевых и других машин в транспортном положении, предназначенных для эксплуатации на линиях метрополитена, должен соответствовать указанному на черт.6 и 7.
Примечание. Габариты путевых и других машин в рабочем положении следует устанавливать с учетом технологии выполняемых ими работ, безопасности эксплуатационной работы и сохранности оборудования, расположенного в соответствии с габаритом приближения оборудования
.
Габарит ![]()
Верхнее очертание габарита ![]()
……… только для зеркал заднего вида.
Черт.6
Нижнее очертание габарита ![]()
— — — для токоприемника и индуктора автоведения, расстояние от уровня верха головок рельсов до верхней плоскости
индуктора автоведения должно быть не более 137 мм;
— . — для токоприемника в рабочем положении;
только для скобы автостопа;
только для корпуса редуктора.
Черт.7
5. СТРОИТЕЛЬНОЕ И ПРОЕКТНОЕ ОЧЕРТАНИЯ ПОДВИЖНОГО СОСТАВА
5.1. Максимально допускаемые поперечные размеры
строительного очертания подвижного состава метрополитенов следует определять путем уменьшения размеров по горизонтали габарита
(см. черт.6) с каждой стороны на величину необходимых горизонтальных ограничений габарита
или
(поперечных перемещений подвижного состава при вписывании в кривую расчетного радиуса с учетом наибольших допускаемых износов ходовых частей) по формуле
где
— расстояние по горизонтали от оси пути до искомой
-й точки строительного очертания, мм;
— расстояние по горизонтали от оси пути до
-й точки габарита подвижного состава
, мм;
— одно из указанных выше горизонтальных ограничений габарита подвижного состава
или
(внутреннее или наружное), м
м.
5.2. Расстояния по вертикали до точек верхнего очертания габарита
(см. черт.6, кроме точки 11) являются одновременно и максимальными расстояниями по вертикали до соответствующих точек строительного очертания верхней части подвижного состава в ненагруженном состоянии при колесах наибольшего диаметра.
Размеры строительного очертания нижней части подвижного состава (кроме токоприемника) по вертикали следует определять путем увеличения размеров по вертикали габарита
(см. черт.7) в точках 11, 12, 13, 14, 15-27 на величину вертикальных ограничений (понижений соответствующих частей подвижного состава, возможных в процессе эксплуатации, вследствие максимального нормируемого износа ходовых частей, равномерной осадки рессор и их прогиба от расчетной нагрузки и динамических колебаний).
Размеры строительного очертания токоприемника по вертикали необходимо определять с учетом следующих требований:
токоприемник нового вагона в верхнем положении не должен выходить по высоте за пределы линии
нижнего очертания габарита
(см. черт.7);
нижняя плоскость токоприемника должна быть выше линии
нижнего очертания габарита
на величину возможного понижения токоприемника вследствие износа колесных пар за период между регулировками высоты токоприемника.
5.3. Методика определения строительных размеров подвижного состава приведена в обязательном приложении 3.
5.4. Проектное очертание подвижного состава следует определять путем уменьшения его строительного очертания на величину соответствующих плюсовых допусков при изготовлении и ремонте подвижного состава.
5.5. Вписывание проектируемого подвижного состава в габарит М следует осуществлять посредством совмещения на одном чертеже строительного и проектного очертаний подвижного состава и внешнего контура соответствующих его частей (кузова, тележки и укрепленных на них деталей).
Для каждой выступающей точки, вписываемой в габарит части подвижного состава, должны быть указаны координаты: горизонтальная — от продольной, вертикальной, серединной плоскости подвижного состава; вертикальная — от уровня верха головок рельсов.
Кроме того, на схеме расположения надкузовного и подкузовного оборудования должны быть указаны расстояния от проверяемых сечений рассматриваемой части подвижного состава до пятниковых сечений.
5.6. Запрещается выпуск предприятием-изготовителем единиц подвижного состава с нарушением строительного очертания.
ПРИЛОЖЕНИЕ 1
Обязательное
Методика определения поперечных размеров габаритов
приближения строений и расстояний между осями
смежных путей в кривых участках
1. Поперечные размеры габарита
(см. черт.2), а также поперечные размеры правой части габарита
(см. черт.3) и расстояние до перил на платформах в кривых участках пути следует увеличивать:
с внутренней стороны кривой — на величину
, мм, по формуле
с наружной стороны кривой — на величину
, мм, по формуле
где
— максимальный геометрический вынос расчетного вагона в кривой данного радиуса, мм;
— горизонтальное перемещение расчетного вагона при его наклоне от возвышения наружного рельса, мм.
Величины
и
следует принимать соответственно по табл.1 и 2.
При определении расстояний от оси пути до стен прямоугольного очертания величину
следует принимать: для наружной стороны кривой при
=1000 мм, для внутренней — при
=3260 мм.
Таблица 1
Геометрический вынос расчетного вагона в кривой радиуса ![]()
|
|
|
|
|
|
| 4000
| 5
|
| 3000
| 7
|
| 2000
| 10
|
| 1500
| 14
|
| 1200
| 18
|
| 1000
| 21
|
| 800
| 26
|
| 600
| 35
|
| 500
| 42
|
| 400
| 52
|
| 350
| 60
|
| 300
| 70
|
| 250
| 84
|
| 200
| 105
|
| 175
| 120
|
| 150
| 140
|
| 125
| 168
|
| 100
| 210
|
| 80
| 262
|
| 60
| 350
|
2. Координаты верхнего края платформ на станциях и перегонах на кривых участках пути следует принимать по табл.3.
3. Расстояния между осями смежных путей на кривых участках пути радиусом менее 500 м следует увеличивать:
на значение
— при отсутствии возвышения или при равных возвышениях наружных рельсов обоих путей или при возвышении наружного рельса внешнего пути менее возвышения наружного рельса внутреннего пути;
на значение
— при возвышении наружного рельса внешнего пути более возвышения наружного рельса внутреннего пути.
Значения
и
приведены в табл.4.
4. Отводы уширений габаритов приближения строений, а также габарита приближения оборудования и расстояний между осями смежных путей на подходах к кривым участкам следует производить от нуля до полной нормы, соответствующей круговой кривой по прямолинейной зависимости.
Отводы уширений габаритов следует начинать:
при наличии переходной кривой — за 10 м до начала этой кривой со стороны наружной рельсовой нити и за 5 м — со стороны внутренней рельсовой нити;
при отсутствии переходной кривой — соответственно за 12 и 8 м до начала круговой кривой.
Отводы уширений габаритов следует заканчивать:
при наличии переходной кривой — за 5 м до начала круговой кривой со стороны наружной рельсовой нити и в начале круговой кривой — со стороны внутренней рельсовой нити;
при отсутствии переходной кривой — за 2 м до начала круговой кривой со стороны наружной рельсовой нити и на круговой кривой, в 5 м от ее начала — со стороны внутренней рельсовой нити.
Таблица 2
Горизонтальные перемещения ![]()
мм
|
|
|
|
|
|
|
|
|
|
|
|
|
|
| Высота Н от уровня верха головок рельсов до точек габарита
|
Горизонтальные перемещения при возвышении наружного рельса | |||||||||||
| | 10
| 20
| 30
| 40
| 50
| 60
| 70
| 80
| 90
| 100
| 110
| 120
|
| 3950-3901
| 25
| 49
| 74
| 99
| 123
| 148
| 173
| 197
| 222
| 247
| 271
| 296
|
| 3900-3801
| 24
| 49
| 73
| 97
| 122
| 146
| 171
| 195
| 219
| 244
| 268
| 292
|
| 3800-3701
| 24
| 48
| 71
| 95
| 119
| 142
| 166
| 190
| 214
| 237
| 261
| 285
|
| 3700-3601
| 23
| 46
| 69
| 92
| 116
| 139
| 162
| 185
| 208
| 231
| 254
| 277
|
| 3600-3501
| 22
| 45
| 67
| 90
| 112
| 135
| 157
| 180
| 202
| 225
| 247
| 270
|
| 3500-3401
| 22
| 44
| 66
| 87
| 109
| 131
| 153
| 175
| 197
| 219
| 241
| 262
|
| 3400-3301
| 21
| 43
| 64
| 85
| 106
| 127
| 149
| 170
| 191
| 212
| 234
| 255
|
| 3300-3201
| 21
| 41
| 62
| 82
| 103
| 124
| 144
| 165
| 186
| 206
| 227
| 247
|
| 3200-3101
| 20
| 40
| 60
| 80
| 100
| 120
| 140
| 160
| 180
| 200
| 220
| 240
|
| 3100-3001
| 19
| 39
| 58
| 77
| 97
| 116
| 136
| 155
| 174
| 194
| 213
| 232
|
| 3000-2901
| 19
| 38
| 56
| 75
| 94
| 112
| 131
| 150
| 169
| 187
| 206
| 225
|
| 2900-2801
| 18
| 36
| 54
| 72
| 91
| 109
| 127
| 145
| 163
| 181
| 199
| 217
|
| 2800-2701
| 18
| 35
| 52
| 70
| 87
| 105
| 122
| 140
| 157
| 175
| 192
| 210
|
| 2700-2601
| 17
| 34
| 51
| 67
| 84
| 101
| 118
| 135
| 152
| 169
| 186
| 202
|
| 2600-2501
| 16
| 32
| 49
| 65
| 81
| 97
| 114
| 130
| 146
| 162
| 179
| 195
|
| 2500-2401
| 16
| 31
| 47
| 62
| 78
| 94
| 109
| 125
| 141
| 156
| 172
| 187
|
| 2400-2301
| 15
| 30
| 45
| 60
| 75
| 90
| 105
| 120
| 135
| 150
| 165
| 180
|
| 2300-2201
| 14
| 29
| 43
| 57
| 72
| 86
| 101
| 115
| 129
| 144
| 158
| 172
|
| 2200-2101
| 14
| 28
| 41
| 55
| 69
| 82
| 96
| 110
| 124
| 137
| 151
| 165
|
| 2100-2001
| 13
| 26
| 39
| 52
| 66
| 79
| 92
| 105
| 118
| 131
| 144
| 157
|
| 2000-1901
| 12
| 25
| 37
| 50
| 62
| 75
| 87
| 100
| 112
| 125
| 137
| 150
|
| 1900-1801
| 12
| 24
| 36
| 47
| 59
| 71
| 83
| 95
| 107
| 119
| 131
| 142
|
| 1800-1701
| 11
| 22
| 34
| 45
| 56
| 67
| 79
| 90
| 101
| 112
| 124
| 135
|
| 1700-1601
| 11
| 21
| 32
| 42
| 53
| 64
| 74
| 85
| 96
| 106
| 117
| 127
|
| 1600-1501
| 10
| 20
| 30
| 40
| 50
| 60
| 70
| 80
| 90
| 100
| 110
| 120
|
| 1500-1401
| 9
| 19
| 28
| 37
| 47
| 56
| 66
| 75
| 84
| 94
| 103
| 112
|
| 1400-1301
| 9
| 18
| 26
| 35
| 44
| 52
| 61
| 70
| 79
| 87
| 96
| 105
|
| 1300-1201
| 8
| 16
| 24
| 32
| 41
| 49
| 57
| 65
| 73
| 81
| 89
| 97
|
| 1200-1101
| 8
| 15
| 22
| 30
| 37
| 45
| 52
| 60
| 67
| 75
| 82
| 90
|
| 1100-1001
| 7
| 14
| 21
| 27
| 34
| 41
| 48
| 55
| 62
| 69
| 76
| 82
|
| 1000-901
| 6
| 12
| 19
| 25
| 31
| 37
| 44
| 50
| 56
| 62
| 69
| 75
|
| 900-801
| 6
| 11
| 17
| 22
| 28
| 34
| 39
| 45
| 51
| 56
| 62
| 67
|
| 800-701
| 5
| 10
| 15
| 20
| 25
| 30
| 35
| 40
| 45
| 50
| 55
| 60
|
| 700-601
| 4
| 9
| 13
| 17
| 22
| 26
| 31
| 35
| 39
| 44
| 48
| 52
|
| 600-501
| 4
| 8
| 11
| 15
| 19
| 22
| 26
| 30
| 34
| 37
| 41
| 45
|
| 500-401
| 3
| 6
| 9
| 12
| 16
| 19
| 22
| 25
| 28
| 31
| 34
| 37
|
| 400-301
| 2
| 5
| 7
| 10
| 12
| 15
| 17
| 20
| 22
| 25
| 27
| 30
|
| 300-201
| 2
| 4
| 6
| 7
| 9
| 11
| 13
| 15
| 17
| 19
| 21
| 22
|
| 200-101
| 1
| 2
| 4
| 5
| 6
| 7
| 9
| 10
| 11
| 12
| 14
| 15
|
| 100-0
| 1
| 1
| 2
| 2
| 3
| 4
| 4
| 5
| 6
| 6
| 7
| 7
|
Часть 1 | |
| Часть 2 |
Таблица 3
Координаты верхнего края платформы на станциях и перегонах
на кривых участках пути
|
|
|
|
|
|
|
|
|
|
|
|
|
|
|
| Ра- диус кри- вой, м
| Обоз- начение коор- динат
| Координаты верхнего края платформ, мм, при возвышении наружного рельса
| |||||||||||
|
|
| 10
| 20
| 30
| 40
| 50
| 60
| 70
| 80
| 90
| 100
| 110
| 120
|
|
|
| 1100
| 1100
| 1100
| 1100
|
|
|
|
|
|
|
|
|
|
|
| 1457
| 1457
| 1457
| 1457
|
|
|
|
|
|
|
|
|
| 3000
|
| 1091
| 1082
| 1072
| 1063
|
|
|
|
|
|
| ||
|
|
| 1464
| 1471
| 1477
| 1484
|
|
|
|
|
|
| ||
|
|
| 1109
| 1118
| 1127
| 1136
|
|
|
|
|
|
|
|
|
|
|
| 1450
| 1443
| 1436
| 1429
|
|
|
|
|
|
|
|
|
|
|
| 1100
| 1100
| 1100
| 1100
| 1100
| 1100
|
|
|
|
|
|
|
|
|
| 1460
| 1460
| 1460
| 1460
| 1460
| 1460
|
|
|
| |||
|
|
| 1091
| 1082
| 1072
| 1063
| 1054
| 1044
|
|
|
| |||
| 2000
|
| 1467
| 1474
| 1480
| 1487
| 1494
| 1500
|
|
|
| |||
|
|
| 1109
| 1118
| 1127
| 1136
| 1145
| 1154
|
|
|
|
|
|
|
|
|
| 1453
| 1446
| 1439
| 1432
| 1425
| 1418
|
|
|
|
|
|
|
|
|
| 1100
| 1100
| 1100
| 1100
| 1100
| 1100
| 1100
| 1100
|
|
|
|
|
|
|
| 1464
| 1464
| 1464
| 1464
| 1463
| 1464
| 1464
| 1464
|
|
|
|
|
| 1500
|
| 1091
| 1082
| 1072
| 1063
| 1053
| 1044
| 1035
| 1025
|
|
| ||
|
|
| 1471
| 1478
| 1484
| 1491
| 1498
| 1504
| 1511
| 1517
|
|
|
|
|
|
|
| 1109
| 1118
| 1127
| 1136
| 1145
| 1154
| 1163
| 1172
|
|
|
|
|
|
|
| 1457
| 1450
| 1443
| 1436
| 1429
| 1422
| 1414
| 1407
|
|
|
|
|
|
|
| 1100
| 1100
| 1100
| 1100
| 1100
| 1100
| 1100
| 1100
| 1100
| 1100
| 1100
|
|
|
|
| 1468
| 1468
| 1468
| 1468
| 1468
| 1468
| 1468
| 1468
| 1468
| 1468
| 1468
|
|
| 1200
|
| 1091
| 1082
| 1072
| 1063
| 1053
| 1044
| 1034
| 1025
| 1015
| 1006
| 997
|
|
|
|
| 1475
| 1482
| 1488
| 1495
| 1502
| 1508
| 1515
| 1521
| 1528
| 1534
| 1540
|
|
|
|
| 1109
| 1118
| 1127
| 1136
| 1146
| 1154
| 1163
| 1172
| 1181
| 1190
| 1199
|
|
|
|
| 1461
| 1454
| 1447
| 1440
| 1433
| 1426
| 1418
| 1411
| 1404
| 1396
| 1389
|
|
|
|
| 1100
| 1100
| 1100
| 1100
| 1100
| 1100
| 1100
| 1100
| 1100
| 1100
| 1100
| 1100
|
|
|
| 1471
| 1471
| 1471
| 1471
| 1471
| 1471
| 1471
| 1471
| 1471
| 1471
| 1471
| 1471
|
| 1000
|
| 1091
| 1081
| 1072
| 1063
| 1053
| 1044
| 1034
| 1025
| 1015
| 1006
| 996
| 986
|
|
|
| 1478
| 1485
| 1491
| 1498
| 1505
| 1511
| 1519
| 1524
| 1531
| 1537
| 1543
| 1550
|
|
|
| 1109
| 1118
| 1127
| 1137
| 1146
| 1155
| 1164
| 1172
| 1181
| 1190
| 1199
| 1208
|
|
|
| 1464
| 1457
| 1450
| 1443
| 1436
| 1429
| 1421
| 1414
| 1406
| 1399
| 1392
| 1384
|
|
|
| 1100
| 1100
| 1100
| 1100
| 1100
| 1100
| 1100
| 1100
| 1100
| 1100
| 1100
| 1100
|
|
|
| 1476
| 1476
| 1476
| 1476
| 1476
| 1476
| 1476
| 1476
| 1476
| 1476
| 1476
| 1476
|
| 800
|
| 1091
| 1081
| 1072
| 1063
| 1053
| 1044
| 1034
| 1024
| 1015
| 1005
| 996
| 986
|
|
|
| 1483
| 1490
| 1496
| 1503
| 1510
| 1516
| 1523
| 1529
| 1536
| 1542
| 1548
| 1555
|
|
|
| 1109
| 1118
| 1128
| 1137
| 1146
| 1155
| 1164
| 1173
| 1182
| 1190
| 1199
| 1208
|
|
|
| 1469
| 1462
| 1455
| 1448
| 1441
| 1434
| 1426
| 1419
| 1412
| 1404
| 1397
| 1389
|
|
|
| 1100
| 1100
| 1100
| 1100
| 1100
| 1100
| 1100
| 1100
| 1100
| 1100
| 1100
| 1100
|
|
|
| 1485
| 1485
| 1485
| 1485
| 1485
| 1485
| 1485
| 1485
| 1485
| 1485
| 1485
| 1485
|
| 600
|
| 1091
| 1081
| 1072
| 1062
| 1053
| 1043
| 1034
| 1024
| 1014
| 1005
| 995
| 985
|
|
|
| 1492
| 1499
| 1505
| 1512
| 1519
| 1525
| 1532
| 1538
| 1545
| 1551
| 1557
| 1564
|
|
|
| 1109
| 1118
| 1128
| 1137
| 1146
| 1155
| 1164
| 1173
| 1182
| 1191
| 1200
| 1209
|
|
|
| 1478
| 1471
| 1464
| 1457
| 1450
| 1442
| 1435
| 1428
| 1420
| 1413
| 1406
| 1398
|
|
|
| 1100
| 1100
| 1100
| 1100
| 1100
| 1100
| 1100
| 1100
| 1100
| 1100
| 1100
| 1100
|
|
|
| 1492
| 1492
| 1492
| 1492
| 1492
| 1492
| 1492
| 1492
| 1492
| 1492
| 1492
| 1492
|
| 500
|
| 1091
| 1081
| 1072
| 1062
| 1053
| 1043
| 1033
| 1024
| 1014
| 1004
| 994
| 985
|
|
|
| 1499
| 1506
| 1512
| 1519
| 1526
| 1532
| 1539
| 1545
| 1552
| 1558
| 1564
| 1571
|
|
|
| 1109
| 1118
| 1128
| 1137
| 1146
| 1155
| 1164
| 1173
| 1182
| 1191
| 1200
| 1209
|
|
|
| 1485
| 1478
| 1471
| 1464
| 1457
| 1450
| 1442
| 1435
| 1428
| 1420
| 1412
| 1405
|
|
|
| 1100
| 1100
| 1100
| 1100
| 1100
| 1100
| 1100
| 1100
| 1100
| 1100
| 1100
| 1100
|
|
|
| 1502
| 1502
| 1502
| 1502
| 1502
| 1502
| 1502
| 1502
| 1502
| 1502
| 1502
| 1502
|
| 400
|
| 1091
| 1081
| 1072
| 1062
| 1052
| 1043
| 1033
| 1023
| 1013
| 1004
| 994
| 984
|
|
|
| 1509
| 1516
| 1522
| 1529
| 1536
| 1542
| 1549
| 1555
| 1562
| 1568
| 1574
| 1580
|
|
|
| 1109
| 1118
| 1128
| 1137
| 1146
| 1156
| 1165
| 1174
| 1183
| 1192
| 1201
| 1210
|
|
|
| 1495
| 1488
| 1481
| 1474
| 1467
| 1460
| 1452
| 1445
| 1437
| 1430
| 1422
| 1415
|
|
|
| 1100
| 1100
| 1100
| 1100
| 1100
| 1100
| 1100
| 1100
| 1100
| 1100
| 1100
| 1100
|
|
|
| 1510
| 1510
| 1510
| 1510
| 1510
| 1510
| 1510
| 1510
| 1510
| 1510
| 1510
| 1510
|
| 350
|
| 1090
| 1081
| 1071
| 1062
| 1052
| 1042
| 1033
| 1023
| 1013
| 1003
| 993
| 983
|
|
|
| 1517
| 1524
| 1530
| 1537
| 1544
| 1550
| 1557
| 1563
| 1570
| 1576
| 1582
| 1588
|
|
|
| 1109
| 1119
| 1128
| 1138
| 1147
| 1156
| 1165
| 1174
| 1184
| 1193
| 1202
| 1211
|
|
|
| 1503
| 1496
| 1489
| 1482
| 1475
| 1468
| 1460
| 1453
| 1446
| 1438
| 1430
| 1423
|
|
|
| 1100
| 1100
| 1100
| 1100
| 1100
| 1100
| 1100
| 1100
| 1100
| 1100
| 1100
| 1100
|
|
|
| 1520
| 1520
| 1520
| 1520
| 1520
| 1520
| 1520
| 1520
| 1520
| 1520
| 1520
| 1520
|
| 300
|
| 1090
| 1081
| 1071
| 1062
| 1052
| 1042
| 1032
| 1022
| 1012
| 1002
| 992
| 982
|
|
|
| 1527
| 1534
| 1540
| 1547
| 1554
| 1560
| 1567
| 1573
| 1580
| 1586
| 1592
| 1598
|
|
|
| 1110
| 1119
| 1128
| 1138
| 1147
| 1156
| 1166
| 1175
| 1184
| 1193
| 1202
| 1211
|
|
|
| 1513
| 1506
| 1499
| 1492
| 1485
| 1478
| 1470
| 1463
| 1455
| 1448
| 1440
| 1433
|
| Часть 2 |
| | Часть 3
Примечания: 1. В таблице приведены следующие координаты:
— высота платформ, измеряемая по перпендикуляру к плоскости, касательной к головкам рельсов;
— расстояние от оси габарита до края платформы, измеряемое параллельно плоскости, касательной к головкам рельсов;
,
— высота платформ, измеряемая по вертикали от горизонтальной плоскости, проходящей через середину пути, имеющего возвышение наружного рельса, соответственно с внутренней и наружной сторон кривой;
,
— расстояния по горизонтали от оси пути (вертикальной линии, проходящей через середину пути) до края платформы соответственно с внутренней и наружной сторон кривой.
2. Для промежуточных значений кривых участков пути и возвышений наружного рельса координаты следует определять по линейной интерполяции.
Таблица 4
Нормы увеличения горизонтальных расстояний между осями смежных
путей в кривых участках
|
|
|
|
|
|
|
|
|
|
|
|
|
|
|
| Радиус кривой, м
|
| ||||||||||||
| | 0
|
| 20
| 30
| 40
| 50
| 60
| 70
| 80
| 90
| 100
| 110
| 120
|
| 400
| —
|
| 130
| 137
| 145
| 152
| 159
| 167
| 174
| 182
| 189
| 196
| 204
|
| 350
| —
|
| 145
| 152
| 160
| 167
| 174
| 182
| 189
| 197
| 204
| 211
| 219
|
| 300
| 150
|
| 165
| 172
| 180
| 187
| 194
| 202
| 209
| 217
| 224
| 231
| 239
|
| 250
| 178
|
| 193
| 200
| 208
| 215
| 222
| 230
| 237
| 245
| 252
| 259
| 267
|
| 200
| 220
|
| 235
| 242
| 250
| 257
| 264
| 272
| 279
| 287
| 294
| 301
| 309
|
| 175
| 250
|
| 265
| 272
| 280
| 287
| 294
| 302
| 309
| 317
| 324
| 331
| 339
|
| 150
| 290
|
| 305
| 312
| 320
| 327
| 334
| 342
| 349
| 357
| 364
| 371
| 379
|
| 125
| 346
|
| 361
| 368
| 376
| 383
| 390
| 398
| 405
| 412
| 420
| 427
| 435
|
| 100
| 430
|
| 450
| 452
| 460
| 467
| 474
| 482
| 489
| 497
| 504
| 511
| 519
|
| 80
| 535
|
| 550
| 557
| 565
| 572
| 579
| 587
| 594
| 602
| 609
| 616
| 624
|
| 60
| 710
|
| 725
| 732
| 740
| 747
| 754
| 762
| 769
| 777
| 784
| 791
| 799
|
|
|
|
| При возвышении наружного рельса внешнего пути более возвышения наружного рельса внутреннего пути
| |
|
|
|
| 5
|
|
| 10
|
|
| 15
|
|
| 20
|
|
| 25
|
|
| 30
|
|
| 35
|
|
| 40
|
|
| 45
|
|
| 50
|
|
| 55
|
|
| 60
|
|
| 65
|
|
| 70
|
|
| 75
|
|
| 80
|
|
| 90
|
|
| 100
|
|
| 110
|
|
| 120
|
|
ПРИЛОЖЕНИЕ 2
Обязательное
Методика определения размеров габарита приближения
оборудования для кривых участков пути
1. Размеры габарита
в точках
, ![]()
![]()
![]()
![]()
![]()
![]()
![]()
![]()
для кривых участков пути необходимо увеличивать на следующие дополнительные смещения в кривых расчетного вагона:
— максимальный геометрический вынос, мм, расчетного вагона в кривой данного радиуса, определяемый по формуле
и
— соответственно боковое и вертикальное смещения точек расчетного вагона при наклоне на рессорах под воздействием центробежной силы и силы тяжести.
Величины
и
следует определять по формулам:
![]()
где
— радиус кривой, м;
— возвышение наружного рельса в кривой, мм;
— высота рассматриваемой точки габарита приближения оборудования в прямой, считая от уровня головок рельсов, мм;
— расстояние от оси пути до данной точки габарита приближения оборудования в прямой, мм;
— высота центра поворота кузова вагона на рессорах при боковых колебаниях, мм.
2. Размеры габарита
, увеличенные на указанные в п.1 настоящего приложения смещения, разрешается принимать в двух системах координат (см. чертеж настоящего приложения):
первая (наклонная) — ось ординат
проходит через середину пути (точку 0) и перпендикулярной к головкам рельсов
.
Система координат для измерения
габарита
в кривых участках пути
В первой системе координат габарит приближения оборудования в кривой симметричен относительно оси
, то есть координаты
и
какой-либо его точки как для наружной, так и для внутренней стороны данной кривой установлены одинаковыми;
вторая (горизонтально-вертикальная) — ось ординат
проходит через середину пути (точку 0) и перпендикулярна к горизонтальной оси
, проходящей также через точку 0.
Во второй системе координат габарит приближения оборудования в кривой не симметричен относительно оси
, то есть координаты какой-либо точки при ее расположении с наружной и внутренней сторон одной и той же кривой разные.
3. Вертикальная
и горизонтальная
координаты габарита
в первой системе координат следует определять по формулам:
точки
![]()
точки
![]()
точек
![]()
точек
точек
![]()

точек
![]()
Координаты
и
точек нижнего очертания габарита
, не указанные в п.1 настоящего приложения, следует принимать по черт.5 настоящего стандарта.
4. Вертикальные и горизонтальные координаты точек габарита
(соответственно
,
и
,
) для внутренней и наружной сторон кривой во второй системе координат следует определять по формулам:
![]()
![]()
![]()
где
— угол наклона пути к горизонтали, в градусах, определяемый по формуле
здесь
— возвышение наружного рельса в кривой, мм;
1600 — расстояние между кругами катания колес по рельсам, мм.
5. Числовые значения координат
,
,
,
,
,
, рассчитанные в соответствии с данной методикой, приводятся в "Инструкции по применению габаритов приближения строений, оборудования и подвижного состава метрополитенов"
ПРИЛОЖЕНИЕ 3
Обязательное
Методика определения строительных размеров
подвижного состава габарита ![]()
1. Определение горизонтальных ограничений габарита
.
1.1. Горизонтальные ограничения подразделяются на внутренние (
) и наружные (
).
Ограничения следует определять:
внутренние — для поперечных сечений, расположенных в пределах базы подвижного состава (между направляющими * сечениями);
__________________
* Направляющие сечения — сечения, проходящие через оси колесных пар для двухосных единиц подвижного состава и через вертикальные оси шкворней тележек для четырехосных.
наружные — для поперечных сечений, расположенных за пределами базы подвижного состава (снаружи направляющих * сечений).
___________________
* Направляющие сечения — сечения, проходящие через оси колесных пар для двухосных единиц подвижного состава и через вертикальные оси шкворней тележек для четырехосных.
1.2. Величину внутренних ограничений
, мм, и наружных
, мм, следует определять по формулам:
(1)
(2)
где 1.2.1.
— горизонтальное перемещение подвижного состава соответственно в кривой и в прямой при извилистом его движении из-за наличия зазора между внутренней рабочей гранью рельса и гребнем бандажа колеса при максимальной (с учетом допуска) ширине рельсовой колеи (в кривой —
, в прямой
) и минимально допустимой в эксплуатации толщине гребня бандажа колеса.
Величины
и
, мм, следует определять по формулам:
(3)
(4)
где
— минимальное расстояние между наружными гранями предельно изношенных гребней бандажей колес, мм;
— минимальное расстояние между внутренними гранями бандажей колес с учетом минусового допуска, мм;
— минимальная толщина гребня бандажа колеса, мм.
В случае, если сумма
для
меньше минус 8, а
для
— меньше минус
, то ее следует принимать равной нулю, а расчеты вести из условий вписывания подвижного состава в прямую, заменив в формулах (1) и (2) член
на
;
1.2.2.
— наибольшее возможное поперечное перемещение рамы тележки в направляющем сечении в одну сторону из центрального положения относительно колесной пары вследствие зазоров при максимальных износах в буксовом узле и узле сочленения рамы тележки с буксой, мм;
1.2.3.
— наибольшее возможное поперечное перемещение кузова в направляющем сечении в одну сторону из центрального положения относительно рамы тележки вследствие зазоров при максимальных износах и упругих колебаний в узле сочленения кузова и рамы тележки, мм;
1.2.4.
— геометрический вынос рассматриваемого внутреннего поперечного сечения подвижного состава в кривой расчетного радиуса сверх выноса в этой кривой середины расчетного вагона, мм.
Величину
, мм, следует определять по формуле
(6)
где
— расстояние от рассматриваемого внутреннего поперечного сечения подвижного состава до его ближайшего направляющего сечения, м;
— база вагона, м;
— база тележки, м.
Для наиболее неблагоприятного внутреннего сечения — среднего (где
).
, мм, следует определять по формуле
(7)
1.2.5.
— геометрический вынос рассматриваемого наружного поперечного сечения подвижного состава в кривой расчетного радиуса сверх выноса в этой кривой конца расчетного вагона, мм.
Величину
,мм, следует определять по формуле
(8)
где
— расстояние от рассматриваемого наружного поперечного сечения подвижного состава до его ближайшего направляющего сечения, м.
Для наиболее неблагоприятного наружного сечения — концевого, для которого
, где
— длина кузова вагона, м, величину геометрического выноса
, мм, следует определять по формуле
1.2.6.
— боковое перемещение кузова рассматриваемого подвижного состава во внутреннюю сторону кривой (при максимальном возвышении наружного рельса
=120 мм) из-за его наклона на рессорах под воздействием силы тяжести при остановке, сверх аналогичного перемещения кузова расчетного вагона.
Величину
, мм, следует определять по формуле
(9)
где
— высота рассматриваемой точки габарита, м;
— высота центра поворота кузова на рессорах, считая от уровня головок рельсов, определяемая расчетом или экспериментально.
При отсутствии расчетных или экспериментальных данных величину
для проектируемого вагона допускается принимать равной расстоянию от уровня головок рельсов до оси колесной пары.
— коэффициент наклона проектируемого вагона, определяемый по формуле
здесь
— вес обрессоренных частей тележки, тс;
— вес кузова брутто, тс;
— расстояние от оси колесной пары до центра тяжести обрессоренных частей тележки, мм;
— расстояние от оси колесной пары до центра тяжести кузова, мм;
— расстояние от оси колесной пары до верхней опорной поверхности рессор цейтрального подвешивания тележки, мм;
— жесткость рессор буксового подвешивания тележки, тс/мм;
— жесткость рессор центрального подвешивания тележки, тс/мм;
,
— половина расстояния между серединами комплектов в поперечном направлении соответственно буксового и центрального подвешивания тележки, мм;
— поперечная жесткость буксового и центрального подвешивания тележки, тс/мм.
Для ориентировочных расчетов коэффициент
допускается определять по формуле
(11)
где
— угловая жесткость тележки,
, определяемая по формуле
(12)
где
— общая жесткость эквивалентного рессорного подвешивания одной стороны вагона, тс/мм, определяемая по формуле
(13)
здесь
— жесткость рессор буксового подвешивания с одной стороны тележки, тс/мм;
— жесткость рессор центрального подвешивания с одной стороны тележки, тс/мм;
1.2.7.
— боковое перемещение кузова проектируемого вагона в наружную сторону кривой при его наклоне на рессорах под воздействием избыточной центробежной силы при непогашенном поперечном ускорении 0,5
сверх аналогичного перемещения кузова расчетного вагона.
Величину
, мм, следует определять по формуле
(14)
1.2.8.
— боковое перемещение кузова при его наклоне на рессорах на угол
от неравномерного (асимметричного) расположения полезной нагрузки.
Величину
, мм, следует определять по формуле
(15)
Величину угла
, рад, необходимо определять из условия поперечного перемещения центра тяжести стоящих пассажиров на величину
=100 мм от оси кузова, по формуле
(16)
где
— угол наклона кузова на буксовых рессорах от неравномерной загрузки подвижного состава, рад;
— то же, на центральных рессорах, рад.
Величины
и
следует определять по формулам:
(17)
(18)
где
— вес стоящих пассажиров при плотности 8 чел на 1
свободной площади пола салона вагона, тс.
Для вагонов с пневморессорами величину угла
, рад, следует определять по формуле
(19)
где
— возможный перепад высоты центральных рессор за счет нечувствительности высоторегулирующих клапанов;
1.2.9.
— боковое перемещение кузова при наклоне на рессорах на угол
вследствие неравномерной осадки рессор ненагруженного вагона и выбора зазора в скользунах, рад.
Величину
, мм, следует определять по формуле
(20)
1.2.10.
— боковое перемещение кузова при его наклоне на угол
, вследствие поломки одного витка в каждой центральной пружине одной стороны тележки.
Величину
мм, следует определять по формуле
(21)
Величину
, рад, следует определять по формуле
(22)
где
— расстояние от центра поворота кузова на рессорах до его центра тяжести, мм;
— дополнительный прогиб центральных пружин при поломке одного их витка одной стороны тележки:
Величину
, мм, следует определять по формуле
(23)
здесь
— расчетная высота пружины, мм;
— диаметр прутка пружины, мм;
— число рабочих витков.
Величину
, мм, следует определять по формуле
(24)
где
— номинальная высота пружин под нагрузкой брутто, мм;
— угол боковой качки кузова проектируемого вагона, определяемый расчетом или экспериментально с учетом максимальных скоростей движения на перегоне, рад. При отсутствии расчетных или экспериментальных данных величину
допускается принимать равной 0,011.
Для вагонов на пневморессорах величину
, мм, следует определять по формуле
(25)
где
— величина осадки лопнувшей пневморессоры в первый момент поломки, мм;
1.2.11.
— разность перемещений кузова проектируемого и расчетного вагонов, возникающих при боковой качке.
Величину
, мм, для всех точек габарита
, кроме точек 7, 8 и 9, следует определять по формуле
(26)
а для точек 7, 8 и 9- по формуле
(27)
где
(28)
(29)
Здесь 0,011 — угол боковой качки, рад, учтенный при расчетах зазора между габаритом приближения оборудования и габаритом подвижного состава во всех его точках, кроме точек 7, 8 и 9;
0,0035 — то же, для точек 7, 8 и 9;
— угол боковой качки кузова проектируемого вагона, определяемый расчетом или экспериментально с учетом скоростей движения на станциях, рад.
При отсутствии расчетных или экспериментальных данных величины
и
для проектируемого вагона допускается принимать:
— 0,011;
— 0,0035.
1.3. Формулы (1) и (2) необходимо применять при определении допустимого строительного очертания кузова вагона и укрепленных на нем деталей по точками 1-4, 5(
), 6(
) и 7-11 габарита
. При этом для точек 7, 8 и 9 член (
) в формулах (1) и (2) следует принимать с коэффициентом 0,7.
В формуле (2) выражение
для вагонов, имеющих по экспериментальным данным угол влияния кузова не более
рад, допускается принимать с коэффициентом 0,7. При этом член (
) следует принимать равным полному его значению.
1.4. При определении допустимого строительного очертания кузова вагона и укрепленных на нем деталей (подвагонного оборудования по точкам 12, 13, 14, 15 габарита
перемещения
,
,
,
,
и
учитывать не следует, а ограничения
и
, мм, следует определять по формулам:
(30)
(31)
где 25 — коэффициент, учитывающий увеличение расстояния до контактного рельса и ограничение скорости движения в кривой радиусом 60 м.
1.5. Расчет горизонтальных ограничений
и
, мм, габарита
для определения строительного очертания рамы тележки и укрепленных на ней деталей следует производить по формулам, приведенным ниже:
Для точек 8-11
(32)
(33)
для точек 12-15
(34)
(35)
где
и
— расстояние от ближайшей оси колесной пары тележки до рассматриваемого соответственно наружного (находящегося за пределами базы тележки) и внутреннего (в пределах базы тележки) сечения тележки, м;
— возможное в эксплуатации поперечное перемещение рассматриваемой детали относительно рамы тележки, мм.
1.6. Расчет горизонтальных ограничений
и
, мм, для определения строительного очертания необрессоренных частей (колесных пар и жестко или шарнирно укрепленных на них деталей) по соответствующим точкам габарита
следует производить по формулам:
(36)
(37)
где
— возможное в эксплуатации поперечное перемещение рассматриваемой детали относительно колесной пары, мм.
1.7. Горизонтальные ограничения
и
для кузова и тележки следует рассчитывать сначала для их внутреннего среднего и наружного концевого сечений. По наибольшим величинам из полученных ограничений должна быть определена допустимая ширина соответственно кузова и тележки.
Допустимые размеры деталей, укрепленных на кузове и тележке, следует определять для каждого из сечений, в которых находятся соответствующие детали.
2. Определение вертикальных ограничений габарита
2.1. Возможное в эксплуатации понижение необрессоренных частей
, мм, (колесных пар и жестко или шарнирно укрепленных на них деталей, а также деталей, опирающихся на буксы) следует определять по формуле
(38)
где
— понижение колесных пар вследствие уменьшения толщины обода колес, в результате их обточек при ремонтах, износа и местных неровностей на поверхности катания. Величину
, мм, следует определять как разность между проектной толщиной обода нового колеса и допускаемой в эксплуатации наименьшей (браковочной) толщиной обода колеса;
— понижение деталей, опирающихся на буксы, вследствие износа опорных поверхностей, мм.
2.2. Возможное понижение
, мм, обрессоренной рамы тележки и укрепленных на ней деталей следует определять по формуле
(39)
где
— равномерная статическая осадка рессорных комплектов буксового подвешивания порожнего вагона вследствие старения рессор, принимаемая равной 5 мм.
— статический прогиб, мм, рессор надбуксового подвешивания от расчетной нагрузки, определяемой по формуле
(40)
здесь
— расчетная нагрузка на вагон, тс;
— гибкость рессор надбуксового подвешивания тележки мм/тс;
— износ (мм) в узле соединения рамы тележки и рассматриваемой детали, мм.
Расчетную нагрузку на вагон следует определять, исходя из условий, приведенных ниже:
вес одного пассажира — 70 кгс;
все места для сидения заняты, а на 1
свободной площади пола салона вагона находится 10 чел.
2.3. Возможное понижение
, мм, надрессорного бруса и укрепленных на нем деталей следует определять по формуле
(41)
где
— равномерная статическая осадка рессорных комплектов центрального подвешивания ненагруженного вагона вследствие старения рессор, принимаемая равной 10 мм.
— статический прогиб, мм, рессор центрального подвешивания от расчетной нагрузки, определяемый по формуле
(42)
где
— гибкость рессор центрального подвешивания тележки, мм/тс.
2.4. Возможное понижение
, мм, обрессоренного кузова (рамы) и укрепленных на нем деталей необходимо определять по формуле
(43)
где
— вертикальный износ пятника и подпятника, мм;
— износ в узле соединения кузова (рамы) и рассматриваемой детали, мм;
— понижение кузова (рамы) и укрепленных на нем деталей вследствие галлопирования и подпрягивания, мм.
2.5. При расчете предельных понижений частей подвижного состава, расположенных на значительных расстояниях от опорных пятников (в средних и концевых сечениях), следует учитывать также прогибы элементов конструкции от расчетной нагрузки. Для промежуточных сечений величину указанных понижений следует определять, исходя из линейного закона изменения прогиба, принимая величину прогиба в пятниковых сечениях равной нулю.
Текст документа сверен по:
официальное издание
М.: Издательство стандартов, 1980
| | Часть 3