ГОСТ 24741-81 Узел крепления крановых рельсов к стальным подкрановым балкам Технические условия

Автор: | 17.02.2015

ГОСТ 24741-81

Группа Ж34

ГОСУДАРСТВЕННЫЙ СТАНДАРТ СОЮЗА ССР


Узел крепления крановых рельсов

к стальным подкрановым балкам

Технические условия


Joint for connection of crane rails to steel

crane girders. Specifications

ОКП 52 6121

Дата введения 1982-01-01

УТВЕРЖДЕН  И ВВЕДЕН В ДЕЙСТВИЕ Постановлением Государственного комитета СССР по делам строительства от 04.05.81 № 60

ПЕРЕИЗДАНИЕ.  Май 1993 г.

Настоящий  стандарт распространяется на узел крепления крановых рельсов по ГОСТ 4121-76 к стальным подкрановым балкам под мостовые электрические краны общего назначения легкого, среднего и тяжелого режимов работы, применяемые в зданиях и на открытых крановых эстакадах с расчетной сейсмичностью до 9 баллов включительно и эксплуатируемые в районах с расчетной температурой наружного воздуха минус 65°С и выше.     

1. Конструкция и размеры


1.1.  Конструкция узла крепления должна соответствовать указанной на черт.1.

1.2.  Марка узла крепления в зависимости от типа кранового рельса и расчетной температуры наружного воздуха района строительства (далее — расчетная температура), расстояние от оси подкрановой балки до оси узла крепления, а также обозначения деталей должны соответствовать указанным в табл.1.

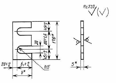
1.3.  Конструкция и размеры упорных планок должны соответствовать указанным на черт.2 и в табл.2.

1.4.  Конструкция и размеры прижимных планок должны соответствовать указанным на черт.3 и в табл.3.

1 — упорная планка; 2 — прижимная планка; 3 — болт; 4 — гайка; 5 — шайба

Черт.1


_________________

*  Размеры для справок.     

Черт.2


Таблица 1















Марка узла


крепления



Тип

кранового

рельса


Расстояние

от оси подкра-

новой

 балки до

оси узла креп-

ления ,

 мм





Планка упорная





Планка прижим-

ная



Болт



Гайка



Шайба


Расчет-

ная

темпе-

ратура,

°С


  

  

  

Обозначение деталей


  


70



КР70



95


  


П1





М24x


46




М 24.4


  





— 40 и выше


  

  

  

У1


  

ГОСТ


ГОСТ


  

  

80


КР80


100


  

П2


15589-70


15526-70


  

  


100



КР100



110



У2


  

  

  

  

  

  

  

  

  

П1


  

  

  

  

120


КР120


120


У3


  

  

  

  

  


70ХЛ



КР70



95


  


П1ХЛ





М24х


46




М 24.4


  

Ниже

— 40 до

-65




  

  

  

У1ХЛ


  

ГОСТ


ГОСТ


  

  

80ХЛ


КР80


100


  

П2ХЛ


7798-70


5915-70


  

  


100ХЛ



КР100



110



У2ХЛ


  

  

  


24.02


  

  

  

  

  

П1ХЛ


  

  

ГОСТ


  

120ХЛ


КР120


120


У3ХЛ


  

  

  

11371-78


  





Примечание. Длину болта следует принимать:



(80+б) мм — для крепления рельсов типов КР70, КР80, КР100;

(85+б) мм     "           "             "           типа КР120;


где 80 и 85 — сумма толщин планок с учетом возможного наклонного положения прижимной планки, шайбы, гаек и выступающей части болта; б — толщина верхнего пояса подкрановой балки, мм, при этом следует учитывать размеры длин, указанные в стандартах на болты.


 


Таблица 2

Размеры в мм







Обозначение планки





Масса, кг



У1; У1ХЛ


  

  


8



0,9



У2; У2ХЛ



85



65



10



1,1



У3; У3ХЛ


  

  


12



1,4



Пример  условного обозначения упорной планки У1 для расчетной температуры минус 40 °С и выше:

Планки У1 ГОСТ 24741-81

То  же, для расчетной температуры ниже минус 40 до минус 65 °С:

Планка У1ХЛ ГОСТ 24741-81




__________________

* Размеры для справок.          

Черт.3


Таблица 3

Размеры в мм







Обозначение планки





Масса, кг



П1; П1ХЛ



125



55



70



2,4


П2; П2ХЛ


115


50


65


2,2



Пример  условного обозначения прижимной планки П1 исполнения 1 для расчетной температуры минус 40  °С и выше:

Планка П1 ГОСТ 24741-81

То  же,  исполнения 2 для расчетной температуры ниже минус 40 до минус 65 °С:

Планка П1ХЛ — 2 ГОСТ 24741-81

Пример  условного обозначения узла для крепления марки 70 с прижимной планкой исполнения 1 для расчетной температуры минус 40 °С и выше:

Крепление 70 ГОСТ 24741-81

То  же, исполнения 2 для расчетной температуры ниже минус 40 до минус 65 °С:

Крепление 70ХЛ — 2 ГОСТ 24741-81


2. Технические требования


    2.1. Упорные и прижимные планки должны изготовляться в соответствии с требованиями настоящего стандарта и СНиП III-18-75 по рабочим чертежам КМД, утвержденным в установленном порядке.

2.2.  Материал прижимных и упорных планок — сталь по ГОСТ 380-88 следующих марок:

—  ВСт3кп2 — для расчетной температуры минус 40 °С и выше;

—  ВСт3Гпс5  или ВСт3сп5 — для расчетной температуры ниже минус 40 до минус 65 °С включ.

2.3.  Болты, предназначенные для эксплуатации при расчетной температуре минус 40 °С и выше, должны быть испытаны на разрыв по ГОСТ 1759.4-87, при расчетной температуре ниже минус 40 до минус 65 °С — дополнительно испытаны на разрыв на косой шайбе и ударную вязкость по ГОСТ 1759.4-87.

2.4.  Предельные отклонения линейных размеров от номинальных, а также шероховатость поверхностей планок должны соответствовать указанным на черт.2 и 3.

2.5.  Предельные отклонения диаметров отверстий прижимных планок от номинальных — по ГОСТ 25347-82.    

3. Комплектность

3.1.  Детали узлов крепления крановых рельсов должны поставляться предприятием-изготовителем комплектно.

В  состав комплекта должны входить:

—  детали в соответствии с табл.4;

—  техническая документация в соответствии с требованиями ГОСТ 23118-78.

Таблица 4










Марка


Упорная планка


Прижимная планка


Болт


Гайка


Шайба


узла

крепле-

ния


Обозна-

чение



Кол.

Обозна-

чение



Кол.


Кол.


70


  

  


П1


  

  

  

  

  

У1


  

  

  

  

  

  

80


  

  

П2


  

  

  

  


100



У2


  

  

  

  

  

  

  

  

  

П1


  

  

  

  

120


У3


  

  

  

  

  

  

  

  

1


  

1


2


4


2


70ХЛ


  

  

П1ХЛ


  

  

  

  

  

У1ХЛ


  

  

  

  

  

  

80ХЛ


  

  

П2ХЛ


  

  

  

  

100ХЛ


У2ХЛ


  

  

  

  

  

  

120ХЛ


У3ХЛ


  

П1ХЛ


  

  

  




Примечание.  Допускается по согласованию между предприятием-изготовителем и потребителем поставлять упорные и прижимные планки отдельно от болтов, гаек и шайб.

           

4. Правила приемки


4.1.  Упорные и прижимные планки должны быть приняты техническим контролем предприятия-изготовителя.

4.2.  Приемку планок производят партиями.

    В состав партии должны входить планки одинакового обозначения, изготовленные по одной технологии. Размер партии планок устанавливается по соглашению между потребителем и предприятием-изготовителем и не должен превышать 1000 шт.

4.3.  Для выборочной проверки линейных размеров и шероховатости поверхностей планок от каждой партии отбирают 5% планок, но не менее 5 шт. Если при проверке отобранных планок окажется хотя бы одно изделие, не удовлетворяющее требованиям настоящего стандарта по одному из показателей, проводят повторную проверку по этому показателю удвоенного количества образцов, отобранных от той же партии. В случае неудовлетворительных результатов повторной проверки партия планок приемке не подлежит.

4.4.  Потребитель имеет право производить контроль качества планок, соблюдая при этом правила приемки и применяя методы контроля, установленные настоящим стандартом.     

5. Методы контроля


5.1.  Контроль линейных размеров планок следует проводить металлической измерительной линейкой по ГОСТ 427-75 и штангенциркулем по ГОСТ 166-89.

5.2.  Шероховатость поверхностей планок должна проверяться методом сравнения их с образцами шероховатости по ГОСТ 9378-75.     

6. Упаковка, маркировка, транспортирование

и хранение

6.1.  Упорные и прижимные планки должны быть упакованы раздельно в деревянные ящики по ГОСТ 2991-85 или в тару, изготовленную предприятием-изготовителем по документации, утвержденной в установленном порядке.

6.2.  Правила маркировки тары с планками должны соответствовать установленным ГОСТ 14192-77. Маркировка должна содержать следующие маркировочные знаки:

—  наименование или товарный знак предприятия-изготовителя;

—  условное обозначение марки узла крепления;

—  условное обозначение планки (без обозначения номера стандарта);

—  номер партии;

—  количество деталей;

—  штамп ОТК;

—  масса брутто.

6.3.  Транспортирование планок допускается любым видом транспорта при условии защиты их от загрязнения и механического повреждения.

6.4.  При хранении тара с планками должна быть защищена от загрязнения и попадания атмосферных осадков.     

7. Указания по монтажу

7.1.  Монтаж деталей узла крепления крановых рельсов следует производить в соответствии с монтажными схемами подкрановых путей, утвержденными в установленном порядке, и требованиями СНиП III-18-75.

7.2.  Монтажная сварка планок должна производиться после рихтовки рельсов. Толщина сварного шва — 6 мм.

7.3.  Тип электродов должен соответствовать указанному в табл.5.

Таблица 5





Расчетная температура, °С



Тип электрода по ГОСТ 9467-75



— 40 и выше



Э42


Ниже -40 до -65


Э42А



7.4.  Детали узлов крепления после окончания монтажных работ должны быть очищены, зашпатлеваны, огрунтованы и окрашены, при этом материал лакокрасочного покрытия должен соответствовать материалу покрытия подкрановых балок.

Текст документа сверен по:

официальное издание

М.: Издательство стандартов,

1993

Предоставлено компанией .