УДК 66.157:006.354 Группа И17
ГОСУДАРСТВЕННЫЙ СТАНДАРТ СОЮЗА ССР
Sealed insulating glass units.
Specifications.
ОКП 59 1320
ИНФОРМАЦИОННЫЕ ДАННЫЕ
1. РАЗРАБОТАН И ВНЕСЕН Министерством промышленности строительных материалов СССР, ВНИИтехстройстекло, ЦНИИПромзданий
ИСПОЛНИТЕЛИ
Н.Н. Трошин (руководитель темы), канд. техн. наук; Н.В. Лалыкин, канд. техн. наук; О.В. Смирнов, В.Н. Прохода; Л.В. Завгородная, Ю.П. Александров, канд. техн. наук; В.П. Тарасов; Х.Г. Ярокер, канд. техн. наук
2. УТВЕРЖДЕН И ВВЕДЕН В ДЕЙСТВИЕ Постановлением Государственного строительного комитета СССР от 13.01.89 № 5
3. СТАНДАРТ ПОЛНОСТЬЮ СООТВЕТСТВУЕТ СТАНДАРТУ СЭВ 5976ѕ87
4. ВЗАМЕН ГОСТ 24866ѕ81
5. ССЫЛОЧНЫЕ НОРМАТИВНО-ТЕХНИЧЕСКИЕ ДОКУМЕНТЫ
| Номер пункта, подпункта | Номер пункта, подпункта | ||
| ГОСТ 111-78 | 1.2.2, 1.2.7 | ГОСТ 7502-80 | 3.1, 3.3 |
| ГОСТ 166-80 | 3.2 | ГОСТ 8050-85 | 3.6.2 |
| ГОСТ 288-72 | 4.3 | ГОСТ 8273-74 | 1.5.1, 4.3 |
| ГОСТ 427-75 | 3,3, 3.4 | ГОСТ 9421-80 | 4.3 |
| ГОСТ 577-68 | 3.5.2, 3.5.3 | ГОСТ 9805-84 | 3.6.2 |
| ГОСТ 1908-88 | 1.5.1, 4.3 | ГОСТ 10198-78 | 1.5.2 |
| ГОСТ 2768-84 | 3.6.2 | ГОСТ 12162-77 | |
| ГОСТ 3749-77 | 3.1 | ГОСТ 13454-77 | 1.2.2 |
| ГОСТ 4295-80 | 1.5.2 | ГОСТ 13766-86 | 3.5.3 |
| ГОСТ 5072-79 | 3.6.2 | ГОСТ 14192-77 | 1.4.2 |
| ГОСТ 5244-79 | 1.5.2 | ГОСТ 15102-75 | 1.5.2, 4.1 |
| ГОСТ 6308-71 | 4.3 | ГОСТ 16711-84 | 1.5.1 |
| ГОСТ 6418-81 | 4.3 | ГОСТ 18242-72 | 2.3 |
| ГОСТ 6507-78 | 3.2 | ГОСТ 20435-75 | 1.5.2, 4.1 |
| ГОСТ 7132-78 | 1.2.2, 1.2.7 | ГОСТ 22235-76 | 4.1 |
| ГОСТ 7338-77 | 4.3 |
|
|
| ГОСТ 7376-84 | 4.3 | ГОСТ 24866-89 | 1.2.7 |
| ГОСТ 7380-77 | 1.2.2 | ГОСТ 27544-87 | 3.5.2, 3.6.2 |
Несоблюдение стандарта преследуется по закону
Настоящий стандарт распространяется на клееные стеклопакеты, предназначенные для остекления окон, балконных дверей, витрин, зенитных фонарей жилых, общественных и промышленных зданий и сооружений.
1. ТЕХНИЧЕСКИЕ ТРЕБОВАНИЯ
1.1. Стеклопакеты должны изготавливаться в соответствии с требованиями настоящего стандарта по технологической документации, утвержденной в установленном порядке.
1.2. Типы и основные размеры
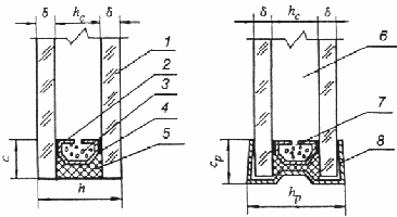
1.2.1. Клееные стеклопакеты состоят из двух или трех плоских листов стекла, соединенных по контуру так, что между ними образуется герметически замкнутая камера с прослойкой осушенного воздуха. Стеклопакеты в зависимости от конструкции подразделяют на следующие типы (черт. 1):
СПО ѕ однокамерные без обрамляющей рамки;
СПОР ѕ однокамерные с обрамляющей рамкой;
СПД ѕ двухкамерные без обрамляющей рамки.
СПО СПОР

Двухкамерный СПД

1 ѕ стекло; 2 — распорная рамка; 3 — влагопоглотитель; 4 — нетвердеющая мастака; 5 ѕ вулканизирующийся герметик; 6 ѕ воздушная прослойка; 7 — дегидратационная щель; 8 ѕ обрамляющая рамка; d ѕ толщина стекла; h ѕ толщина стеклопакета; hp ѕ толщина стеклопакета с обрамляющей рамкой; hc ѕ расстояние между стеклами; с — ширина герметизирующего слоя; ср ѕ ширина полки обрамляющей рамки
Черт. 1
1.2.2. Для изготовления стеклопакетов могут применяться следующие виды стекла:
оконное 1-го сорта по ГОСТ 111;
термически полированное по ГОСТ 7132;
витринное неполированное по ГОСТ 7380;
витринное полированное по ГОСТ 13454;
теплопоглощающее и другие виды стекол по нормативно-технической документации.
Вид стекла определяется по согласованию изготовителя с потребителем.
1.2.3. Минимальные и максимальные размеры стеклопакетов и их предельные отклонения должны соответствовать указанным в табл. 1.
Толщина стеклопакетов с обрамляющей рамкой должна быть не более чем на 2 мм больше толщины стеклопакетов без рамки.
1.2.4. Однокамерные стеклопакеты должны иметь расстояние между стеклами 6, 8, 9, 10, 12, 15, 16 мм, двухкамерные стеклопакеты ѕ 6, 8, 9, 10, 12 мм.
Допускается по согласованию изготовителя с потребителем для ремонтных целей изготавливать однокамерные стеклопакеты с расстоянием между стеклами 18 и 20 мм.
1.2.5. Ширина полки обрамляющей рамки ср в стеклопакетах должна быть (15 ± 1) мм.
1.2.6. Изготовление и поставка стеклопакетов должны производиться по спецификации заказчика в соответствии с табл. 1. Номенклатура стеклопакетов указана в приложении.
Допускается по согласованию изготовителя с потребителем изготавливать стеклопакеты других размеров.
1.2.7. Условное обозначение стеклопакетов должно состоять из обозначения типа, размеров (ширина, длина, толщина), толщины стекол, расстояния между стеклами, вида и сорта исходного стекла и обозначения настоящего стандарта.
Виды стекла обозначают:
F — стекло листовое термически полированное и витринное полированное;
T ѕ стекло оконное и витринное неполированное;
однокамерного стеклопакета с обрамляющей рамкой шириной 1140 мм, длиной 1340 мм, толщиной 25 мм из термически полированного стекла толщиной 5 мм 1-го сорта с расстоянием между стеклами 15 мм:
СПОР 1140 C 1340 C 25 ѕ F, 1-й сорт по ГОСТ 7132-78, 5-15-5, ГОСТ 24866-89.
То же, двухкамерного стеклопакета без обрамляющей рамки шириной 1050 мм, длиной 1595 мм, толщиной 36 мм, из стекла оконного 1-го сорта толщиной 4 мм, с расстоянием между стеклами 12 мм:
СПД 1050 C 1595 C 36 ѕ Т, 1-й сорт по ГОСТ 111—78, 4-12-4-12-4, ГОСТ 24866-89.
Таблица 1
мм
|
| Номинальная | Номинальная толщина стеклопакета | Допускаемое | Ширина и длина стеклопакета | ||||||||||||||
|
| толщина | при расстоянии между стеклами | отклонение |
|
| Допускаемое отклонение при длине | ||||||||||||
| Тип | листов |
|
|
|
|
|
|
| номинальной |
|
| кромки | ||||||
| стекла | 6 | 8 | 9 | 10 | 12 | 15 | 16 | толщины стеклопакета | минимальная | максимальная | до 1000 | св. 1000 до 2000 | св. 2000 | |||||
|
|
|
|
|
|
|
|
|
| Высший сорт | 1-й сорт |
|
| Высший сорт | 1-й сорт | Высший сорт | 1-й сорт | Высший сорт | 1-й сорт |
| Однока- | 3/3 | 12 | 14 | 15 | 16 | 18 | 21 | 22 |
|
|
| 1000х1500 |
|
|
|
|
|
|
| мерный | 4/4 | 14 | 16 | 17 | 18 | 20 | 23 | 24 | ± 1,0 | ± 1,5 |
| 2000х1600 | ± 1,5 | ± 2,0 | ± 2,5 | ± 3,0 | ± 3,0 | |
|
| 5/5 | 16 | 18 | 19 | 20 | 22 | 25 | 26 |
|
| 400 | 2000х2500 |
|
|
|
|
|
|
|
| 6/6 | 18 | 20 | 21 | 22 | 24 | 27 | 28 |
|
|
| 2950х2950 |
|
|
|
|
|
|
| Двухка- | 3/3/3 | 21 | 25 | 27 | 29 | 33 | — | ѕ |
|
|
| 1000х1400 |
|
|
|
|
|
|
| мерный | 4/4/4 | 24 | 28 | 30 | 32 | — | ѕ | ± 2,0 | 400 |
| ± 2,5 | ± 2,5 | ± 3,0 | ± 4,0 | ||||
|
| 5/5/5 | 27 | 31 | 33 | 35 | 39 | ѕ | ѕ |
|
|
| 1500х1700 |
|
|
|
|
|
|
|
| 6/6/6 | 30 | 34 | 36 | 38 | 42 | ѕ | ѕ |
|
|
|
|
|
|
|
|
|
|
1.3. Характеристики
1.3.1. Стеклопакеты должны иметь прямоугольную форму. Разность длин диагоналей одно- и двухкамерных стеклопакетов не должна превышать значений, указанных в табл. 2.
Таблица 2
мм
|
| ||||
| диагоналей | Высший сорт | 1-й сорт | 1-й сорт | |
| До 1300 | 3 | 3 | 5 | б |
| Св. 1300 до 2300 | 5 | 6 | 6 | 8 |
| 6 | 8 | ѕ | ѕ | |
| 7 | 10 | — | — | |
1.3.2. По показателям внешнего вида (порокам) стекло для изготовления стеклопакетов должно соответствовать нормам, указанным в нормативно-технической документации (НТД) на стекла конкретных видов.
1.3.3. Внутренние поверхности стекол в стеклопакетах должны быть чистыми.
1.3.4. Герметизирующие слои в стеклопакетах должны быть сплошными, без разрывов и нарушений герметизирующего слоя.
Ширина герметизирующего слоя стеклопакетов должна быть не более 14 мм для однокамерных и 16 мм для двухкамерных стеклопакетов.
1.3.5. Стеклопакеты должны быть герметичными.
1.3.6. Точка росы внутри стеклопакетов должна быть не выше минус 40 °С; внутри стеклопакетов высшего сорта ѕ не выше минус 50 °С.
1.3.7. Стеклопакеты должны выдерживать испытания на надежность.
1.3.8. Коэффициент общего светопропускания определяют расчетом в зависимости от вида и толщины стекла.
1.3.9. Для изготовления распорных и обрамляющих рамок, соединительных уголков распорных рамок должна применяться лента из алюминиевых сплавов, изготавливаемая по НТД, утвержденной в установленном порядке.
Допускается изготавливать распорные рамки и соединительные уголки распорных рамок из других материалов при условии получения положительных результатов при испытании на надежность.
1.3.10. Для заполнения внутренней полости распорной рамки стеклопакета в качестве влагопоглотителей должны применяться технический силикагель или синтетический, гранулированный без связующих веществ цеолит, а для герметизации — нетвердеющая мастика и вулканизующиеся герметики, разрешенные к применению органами государственного санитарного надзора, в соответствии с требованиями НТД, утвержденной в установленном порядке.
1.4. Маркировка
1.4.1. Стеклопакеты должны иметь четкую несмываемую маркировку, которую наносят на распорную рамку или стекло в одном из углов стеклопакета. Маркировка должна содержать наименование или товарный знак предприятия-изготовителя, месяц и последние две цифры года изготовления.
1.4.2. Транспортная маркировка грузовых мест — по ГОСТ 14192, с указанием. манипуляционных знаков „Осторожно, хрупкое", „Верх не кантовать", „Боится сырости", наносимых водостойкой краской на упаковку или ярлыки, надежно прикрепленные к грузу.
1.5.Упаковка
1.5.1. Стеклопакеты без обрамляющей рамки при упаковке должны быть переложены бумагой по ГОСТ 16711, ГОСТ 1908, ГОСТ 8273 или другими упаковочными материалами, не содержащими царапающих включений.
1.5.2. Стеклопакеты должны быть упакованы в дощатые ящики по ГОСТ 4295 (типы I, II, III, IV, V), ГОСТ 10198 (типы 1-1, 1-2, П-1, П-2) или размещены в универсальных контейнерах по ГОСТ 20435, ГОСТ 15102, специализированных контейнерах или специальной таре, обеспечивающих сохранность стеклопакетов, по НТД, утвержденной в установленном порядке.
Пространство между стеклопакетами и стенками контейнера по ГОСТ 20435, ГОСТ 15102 или ящика должно быть заполнено стружкой по ГОСТ 5244 или другим уплотняющим материалом (древесноволокнистой плитой, резиной и др.).
1.5.3. В каждый контейнер или ящик должен быть вложен ярлык, в котором указывают:
наименование или товарный знак предприятия-изготовителя;
условное обозначение стеклопакетов;
количество стеклопакетов в штуках и квадратных метрах;
номер упаковщика и дату упаковки;
обозначение настоящего стандарта.
2. ПРИЕМКА
2.1. Стеклопакеты принимают партиями. Партией считают число стеклопакетов одного типа, оформленное одним документом о качестве. Объем партии устанавливают по согласованию изготовителя с потребителем но не более 1200 шт.
2.2. Для проверки стеклопакетов на соответствие требованиям настоящего стандарта проводят приемо-сдаточные и периодические испытания.
2.3. Приемо-сдаточные испытания на соответствие требованиям пп. 1.2.3, 1.3.1-1.3.4 проводят по двухступенчатому плану контроля согласно ГОСТ 18242, для чего от партии отбирают выборку в объеме, указанном в табл. 3, методом случайного отбора.
Таблица 3
| Объем выборки стеклопакетов, шт. | |||||
| шт. |
| одной | двух | приемочное | браковочное |
| До 25 | Первая | 2 | 2 | 0 | 2 |
|
| Вторая | 2 | 4 | 1 | 2 |
| 26-50 | Первая | 3 | 3 | 0 | 2 |
|
| Вторая | 3 | 6 | 1 | 2 |
| 51-90 | 3 | 3 | 0 | 2 | |
|
| Вторая | 3 | 6 | 1 | 2 |
| Первая | 5 | 5 | 0 | 3 | |
|
| 5 | 10 | 3 | 4 | |
| 151-280 | Первая | 8 | 8 | 1 | 4 |
|
| Вторая | 8 | 16 | 4 | 5 |
| 281-500 | Первая | 13 | 13 | 2 | 5 |
|
| Вторая | 13 | 26 | 6 | 7 |
| 501-1200 | Первая | 20 | 20 | 3 | 7 |
|
| Вторая | 20 | 40 | 8 | 9 |
2.4. Партию стеклопакетов принимают, если число дефектных стеклопакетов в первой выборке меньше или равно приемочному числу, и бракуют, если число дефектных стеклопакетов больше или равно браковочному числу.
Если число дефектных стеклопакетов в первой выборке больше приемочного числа, но меньше браковочного, производят вторую выборку.
Партию стеклопакетов принимают, если число дефектных стеклопакетов в двух выборках меньше или равно приемочному числу, и бракуют, если число дефектных стеклопакетов в двух выборках больше или равно браковочному числу.
2.5. Герметичность стеклопакетов проверяют при изменении технологического регламента и не реже одного раза в месяц на трех стеклопакетах из числа принятых по п. 2.4.
2.6. Приемо-сдаточные испытания на соответствие требованиям п. 1.3.6 проводят на трех (двух для партии объемом до 25 шт.) стеклопакетах из числа принятых по п. 2.4.
2.7. Испытание на надежность стеклопакетов проводят один раз в год для контроля стабильности качества, а также при изменении конструкции, технологии и применяемых исходных материалов.
2.8. Если при проверке стеклопакетов, отобранных по пл. 2.5, 2.6, окажется хотя бы один, не удовлетворяющий требованиям настоящего стандарта по герметичности или по точке росы, проводят повторные испытания по этому показателю удвоенного числа стеклопакетов той же партии.
При неудовлетворительных результатах повторной проверки производят поштучную приемку стеклопакетов.
2.9. Потребитель имеет право производить контрольную проверку соответствия стеклопакетов требованиям настоящего стандарта, соблюдая при этом приведенный порядок отбора образцов и применяя указанные методы испытаний.
2.10. Предприятие-изготовитель должно сопровождать каждую партию стеклопакетов документом о качестве установленной формы, в котором указывают:
наименование и адрес предприятия-изготовителя и получателя;
наименование и условное обозначение стеклопакетов;
количество стеклопакетов в штуках и квадратных метрах;
дату изготовления;
результаты испытаний;
обозначение настоящего стандарта.
3. МЕТОДЫ ИСПЫТАНИЙ
3.1. Ширину и длину стеклопакетов, а также длину их диагоналей измеряют металлической рулеткой по ГОСТ 7502 с погрешностью до 11 мм с применением металлических угольников по ГОСТ 3749 в соответствии с черт. 2.

1 — стеклопакет; 2 — рулетка; 3 ѕ угольник; l ѕ контролируемый размер
Черт. 2
Ширину и длину измеряют параллельно кромкам стеклопакета между двумя точками, расположенными на расстоянии 50 мм от кромок и посередине стеклопакета. Результаты каждого измерения должны находиться в пределах допускаемых отклонений.
3.2. Толщину стеклопакетов измеряют штангенциркулем по ГОСТ 166 или микрометром по ГОСТ 6507 с погрешностью до 0,1 мм по контуру в середине каждой стороны стеклопакета.
В стеклопакетах с обрамляющей рамкой толщину его измеряют по обрамляющей рамке.
За толщину стеклопакетов принимают среднее арифметическое значение результатов измерений. Результаты каждого измерения должны находиться в пределах допускаемых отклонений.
3.3. Ширину герметизирующего слоя стеклопакетов и ширину полки обрамляющей рамки измеряют металлической линейкой по ГОСТ 427 или рулеткой по ГОСТ 7502. Измерения производят в середине каждой стороны стеклопакета.
3.4. Внешний вид стеклопакетов проверяют визуально в проходящем свете при рассеянном освещении. При этом стеклопакет устанавливают вертикально на расстоянии 0,6-0,8 м от наблюдателя.
Пороки стекла измеряют металлической линейкой по ГОСТ 427.
Непрерывность герметизирующих слоев проверяют визуально.
3.5. Определение герметичности стеклопакетов
3.5.1. Сущность метода заключается в определении изменения размера прогиба нагружаемого стекла стеклопакета при изменении давления в его внутренней полости в случае негерметичности стеклопакета.
3.5.2. Средства контроля
Стенд для проверки герметичности. Схема стенда указана на черт. 3. Стенд для проверки герметичности может быть выполнен в горизонтальном и вертикальном исполнении.
Термометр стеклянный жидкостный — по ГОСТ 27544 или другого типа соответствующего класса точности.
Индикатор часового типа — по ГОСТ 577.
Схема стенда для проверки герметичности стеклопакетов

1 ѕ нагрузочный винт; 2 ѕ прокладка; 3 ѕ пружина по ГОСТ 13766-86;
4 ѕ индикаторы часового типа по ГОСТ 577-68; 5 ѕ стеклопакет;
6 ѕ раздвижные опоры; 7 ѕ нагрузочный винт
Черт. 3
3.5.3. Подготовка образцов и проведение испытания
Перед испытанием стеклопакет выдерживают в помещении для испытания не менее 2 ч. Во время испытания допускается изменение температуры в помещении не более чем на ±1 °С.
Стеклопакет помещают на опоры 6 (черт. 3) длинными сторонами так, чтобы его геометрический центр (точка пересечения диагоналей) совпадал с осями нагрузочных винтов 1 и 7. Между пружиной 3 и стеклопакетом 5, а также между нагрузочным винтом 7 и стеклопакетом 5 помещают прокладки 2 (из органического стекла, текстолита и др.) диаметром (50 ± 5) мм и толщиной 2-3 мм. Вращением шкалы верхнего индикатора 4 стрелку устанавливают на нулевое деление. При помощи нагрузочного винта 1 и пружины 3 нагружают верхнее стекло так, чтобы размер его прогиба, определяемый по индикатору 4, соответствовал значению l = 0,002 · a, где l ѕ размер прогиба стекла стеклопакета, мм; a — длина меньшей стороны стеклопакета, мм.
Вращением шкалы нижнего индикатора 4 стрелку устанавливают на нулевое деление. Нагрузочным винтом 7 нагружают нижнее стекло так, чтобы размер его прогиба соответствовал размеру прогиба верхнего стекла. Стеклопакет выдерживают 3—4 мин. За. это время показание верхнего индикатора стабилизируется. Вновь устанавливают показания шкал верхнего и нижнего индикаторов на нулевое деление. Стеклопакет 5 выдерживают под нагрузкой 15 мин и определяют показание верхнего индикатора. Если стеклопакет герметичен, показание верхнего индикатора должно быть не более 0,02 мм.
При испытании двухкамерного стеклопакета определение герметичности каждой камеры производят раздельно. При этом для испытания второй камеры стеклопакет переворачивают на опорах 6 на 180° вокруг продольной оси.
3.6. Контроль точки росы внутри стеклопакетов
3.6.1. Сущность метода заключается в охлаждении участка стекла стеклопакета и последующей проверке появления конденсата (инея) на внутренней поверхности этого участка.
3.6.2. Средства контроля
Прибор для контроля точки росы. Схема прибора указана на черт. 4.
Термометр стеклянный жидкостный по ГОСТ 27544.
Двуокись углерода твердая по ГОСТ 12162 или жидкая по ГОСТ 8050.
Спирт изопропиловый по ГОСТ 9805.
Ацетон технический по ГОСТ 2768.
Секундомер по ГОСТ 5072.
Фонарь карманный или другой источник света напряжением не более 12 В.
Схема прибора для контроля точки росы

1 ѕ ацетон или изопропиловый спирт; 2 ѕ ручка; 3 ѕ термометр;
4 ѕ подвижная пластина узла подвески; 5 ѕ контактная латунная пластина;
6 ѕ твердая двуокись углерода; 7 ѕ корпус медный; 8 — теплоизоляция
Черт. 4
3.6.3. Подготовка образцов и проведение испытания
Точку росы внутри стеклопакета контролируют не ранее чем через сутки после его изготовления.
Стеклопакет располагают вертикально перед источником света.
Прибор заполняют ацетоном или изопропиловым спиртом с постепенным добавлением мелких кусочков двуокиси углерода. Уровень ацетона или изопропилового спирта не должен быть ниже контактной пластины.
Температуру смеси измеряют термометром, конец которого должен быть удален от дна прибора не менее чем на 10 мм.
Температура смеси при испытании стеклопакетов 1-го сорта должна быть минус (45 ± 3) °С и минус (55 ± 3) °С при испытании стеклопакетов высшего сорта.
Затем очищают ацетоном стекла с обеих сторон в месте контроля на расстоянии не менее 100 мм от кромки стеклопакета. Очищенную поверхность стекла и контактную пластину смачивают тампоном, пропитанным ацетоном. Прижимают прибор пластиной к смоченному участку так чтобы был обеспечен плотный контакт. Время контакта измерительного прибора со стеклопакетом в зависимости от толщины листов стекла в стеклопакете должно соответствовать указанному в табл. 4.
Таблица 4
| Толщина листа, мм | Время контакта, мин |
| До 5 | 4 |
| Св. 5 | 6 |
Во время контакта измерительного прибора со стеклопакетом указанную температуру жидкости в приборе поддерживают добавлением твердой двуокиси углерода.
По истечении указанного времени прибор снимают. Охлажденный участок протирают тампоном, смоченным ацетоном. Включают источник света и визуально проверяют наличие конденсата (инея) на внутренней поверхности охлажденного участка стекла. Наличие следов конденсата (инея) не допускается.
В двухкамерных стеклопакетах измерение производится на обеих сторонах поверхности стеклопакета
3.7. Надежность стеклопакетов определяют по программе, утвержденной Минстройматериалов СССР.
4. ТРАНСПОРТИРОВАНИЕ И ХРАНЕНИЕ
4.1. Контейнеры по ГОСТ 20435, ГОСТ 15102 и специализированные контейнеры или ящики со стеклопакетами транспортируют любым видом транспорта. При транспортировании следует соблюдать требования ГОСТ 22235, Технические условия погрузки и крепления грузов, утвержденные Министерством путей сообщения СССР, а также Правила перевозки грузов, действующие на каждом виде транспорта.
Универсальные контейнеры по ГОСТ 20435, ГОСТ 15102 и специализированные контейнеры со стеклопакетами перевозят на железнодорожных платформах или полувагонах с учетом наиболее рационального использования грузоподъемности и вместимости подвижного состава. Ящики со стеклопакетами перевозят в крытых транспортных средствах или полувагонах при условии обеспечения зашиты от атмосферных осадков.
При транспортировании, погрузке и выгрузке стеклопакетов следует соблюдать меры, обеспечивающие их сохранность от механических повреждений и атмосферных осадков.
4.2. При транспортировании специализированные контейнеры или ящики со стеклопакетами должны быть установлены вертикально, по направлению движения, и закреплены так, чтобы была исключена возможность их передвижения и качания.
4.3. Стеклопакеты должны храниться у изготовителя и потребителя в сухих закрытых помещениях в распакованном виде.
При хранении стеклопакеты должны быть установлены торцом на стеллажи или пирамиды. Основание стеллажа или пирамиды должно быть оклеено войлоком или резиной и иметь наклон 10—15° к горизонтали.
Между стеклопакетами без обрамляющих рамок должны быть установлены прокладки из войлока по ГОСТ 6418, ГОСТ 6308, ГОСТ 288 или по НТД, утвержденной в установленном порядке, картона по ГОСТ 7376, ГОСТ 9421, резины по ГОСТ 7338 или бумаги по ГОСТ 1908, ГОСТ 8273.
На стеллаже или пирамиде следует хранить стеклопакеты одинаковых размеров.
Допускается хранить стеклопакеты в ящиках при условии, если тара и прокладочные материалы не подвергались увлажнению в процессе транспортирования.
5. УКАЗАНИЯ ПО МОНТАЖУ И ЭКСПЛУАТАЦИИ
Монтаж и эксплуатацию стеклопакетов следует производить в соответствии с Инструкцией по проектированию, монтажу и эксплуатации стеклопакетов, утвержденной Госстроем СССР.
6.1. Изготовитель гарантирует соответствие стеклопакетов требованиям настоящего стандарта при соблюдении условий упаковки, транспортирования и хранения, установленных настоящим стандартом, и правил монтажа и эксплуатации, утвержденных в установленном порядке.
6.2. Гарантийный срок эксплуатации стеклопакетов ѕ 5 лет, стеклопакетов высшего сорта ѕ 10 лет со дня отгрузки потребителю.
ПРИЛОЖЕНИЕ
НОМЕНКЛАТУРА СТЕКЛОПАКЕТОВ, ПРЕДУСМОТРЕННАЯ СТАНДАРТАМИ И ТИПОВЫМИ КОНСТРУКЦИЯМИ ОКОН, ДВЕРЕЙ, ВИТРАЖЕЙ, ВИТРИН И ЗЕНИТНЫХ ФОНАРЕЙ ЗДАНИЙ ПРОМЫШЛЕННЫХ ПРЕДПРИЯТИЙ, ЖИЛЫХ И ОБЩЕСТВЕННЫХ ЗДАНИЙ
Таблица 5
| Размер стеклопакета, мм | ||
| (номер серии, шифр) | по высоте (длине) | |
| 555 | 930 | |
| переплетами для | 555 | 1130 |
| 560 | 550 | |
| 1.436.3-16; 1.436.2-17/87; | 560 | 725 |
| 1.436.3-21) | 560 | 1150 |
|
| 990 | 1060 |
|
| 995 | 1050 |
|
| 1075 | 930 |
|
| 1075 | 1130 |
|
| 1080 | 530 |
|
| 1080 | 550 |
|
| 1080 | 700 |
|
| 1080 | 725 |
|
| 1080 | 1150 |
|
| 1590 | 850 |
|
| 1590 | 1060 |
|
| 1595 | 1050 |
|
| 1675 | 930 |
|
| 1775 | 1130 |
|
| 1680 | 530 |
|
| 1680 | 550 |
|
| 1680 | 700 |
|
| 1680 | 725 |
|
| 1680 | 1150 |
| 400 | 690 | |
| переплетами для | 400 | 990 |
| 400 | 1140 | |
| 470 | 700 | |
| 980 | 460 | |
| 980 | 690 | |
| 980 | 990 | |
|
| 980 | 1140 |
|
| 1000 | 700 |
|
| 1040 | 690 |
|
| 1040 | 990 |
|
| 1040 | 1140 |
|
| 1060 | 540 |
|
| 1060 | 990 |
|
| 1120 | 770 |
|
| 1120 | 1070 |
|
| 1120 | 1220 |
|
| 1290 | 550 |
|
| 1290 | 630 |
|
| 1290 | 700 |
|
| 1290 | 780 |
|
| 1290 | 930 |
|
| 1290 | 1080 |
|
| 1340 | 690 |
|
| 1340 | 990 |
|
| 1340 | 1140 |
|
| 1370 | 630 |
|
| 1370 | 860 |
|
| 1420 | 770 |
|
| 1420 | 1070 |
|
| 1420 | 1220 |
|
| 1580 | 460 |
|
| 1645 | 550 |
|
| 1860 | 460 |
|
| 1880 | 460 |
|
| 1945 | 550 |
| 3. Окна с деревянными | 995 | 1050 |
| 1075 | 1130 | |
| 1080 | 550 | |
| (шифр 117-82) | 1595 | 1050 |
|
| 1675 | 1130 |
|
| 1680 | 550 |
| 920 | 970 | |
| 980 | 445 | |
| производственных зданий | 980 | 1035 |
| (шифр 108-81) | 1035 | 500 |
|
| 1035 | 1090 |
|
| 1520 | 970 |
|
| 1580 | 445 |
|
| 1580 | 1035 |
|
| 1635 | 500 |
|
| 1635 | 1090 |
| 555 | 510 | |
| 555 | 555 | |
| производственных зданий | 555 | 910 |
| 555 | 1110 | |
|
| 970 | 820 |
|
| 970 | 1020 |
|
| 1055 | 510 |
|
| 1055 | 555 |
|
| 1055 | 910 |
|
| 1055 | 1110 |
| 1320 | 830 | |
| промышленных предприятий | 1410 | 920 |
| (серии 1.464-14; | 1420 | 870 |
| 1.464.2-17; | 1460 | 920 |
| 1.464.2-18; | 1520 | 940 |
| 1.464.3-20/87 | 1520 | 980 |
| и др.) | 1560 | 980 |
|
| 1560 | 1450 |
|
| 1640 | 1530 |
|
| 1740 | 620 |
|
| 1910 | 985 |
| 7. Окна и балконные двери | 400 | 700 |
| 400 | 990 | |
| сплавов для общественных | 400 | 1300 |
| 470 | 700 | |
|
| 470 | 1000 |
|
| 470 | 1300 |
|
| 490 | 790 |
|
| 490 | 1090 |
|
| 490 | 1390 |
|
| 1000 | 700 |
|
| 1000 | 1000 |
|
| 1250 | 950 |
|
| 1250 | 1250 |
|
| 1290 | 550 |
|
| 1290 | 700 |
|
| 1300 | 1000 |
|
| 1390 | 790 |
|
| 1390 | 1090 |
|
| 1390 | 1390 |
|
| 1550 | 950 |
|
| 1550 | 1250 |
|
| 1600 | 700 |
|
| 1600 | 1000 |
|
| 1690 | 790 |
|
| 1690 | 1090 |
|
| 1690 | 1390 |
|
| 1990 | 790 |
|
| 1990 | 1090 |
|
| 1990 | 1390 |
| 8. Витрины и витражи с | 460 | 1360 |
| 460 | 1860 | |
| сплавов для общественных | 550 | 1450 |
| зданий (серия 1.236.4-7/84) | 550 | 1950 |
|
| 1450 | 1450 |
|
| 1950 | 1450 |
|
| 1950 | 1950 |
|
| 1950 | 2950 |
|
| 2250 | 1450 |
|
| 2250 | 1950 |
|
| 2250 | 2950 |
|
| 2550 | 1450 |
|
| 2550 | 1950 |
|
| 2550 | 2950 |
|
| 2950 | 2950 |
| 9. Двери из алюминиевых | 1285 | 465 |
| сплавов для общественных | 1285 | 640 |
| зданий | 1285 | 665 |
|
| 1750 | 465 |
|
| 465 | |
|
| 1750 | 640 |
|
| 1750 | 665 |
|
| 2050 | 465 |
|
| 2050 | 640 |
|
| 2050 | 665 |