ГОСТ 25628-90 Колонны железобетонные для одноэтажных зданий предприятий Технические условия

Автор: | 17.02.2015

ГОСТ 25628-90

Группа Ж33


ГОСУДАРСТВЕННЫЙ СТАНДАРТ СОЮЗА ССР

     

КОЛОННЫ ЖЕЛЕЗОБЕТОННЫЕ ДЛЯ ОДНОЭТАЖНЫХ ЗДАНИЙ ПРЕДПРИЯТИЙ

     

Технические условия

     

Reinforced concrete columns for single-story industrial

buildings. Specifications


ОКП  58 2100

Дата введения 1991-01-01


ИНФОРМАЦИОННЫЕ ДАННЫЕ



1.  РАЗРАБОТАН И ВНЕСЕН Центральным научно-исследовательским и проектно-экспериментальным институтом промышленных зданий и сооружений (ЦНИИпромзданий) Госстроя СССР

РАЗРАБОТЧИКИ

А.М.Ривкин,  канд. техн. наук (руководитель темы); Р.И.Рабинович, канд. техн. наук; Н.И.Томышева, О.А.Химичева; А.Я.Розенблюм; В.А.Беликов, канд. техн. наук; М.Г.Коревицкая, канд. техн. наук; Г.Н.Бердичевский, д-р техн. наук; Л.Г.Мовшович; А.И.Мангушев, канд. техн. наук; В.Е.Савранский, канд. техн. наук; М.И.Бродский; Л.М.Аксенова; В.И.Пименова; В.И.Деньщиков

2.  УТВЕРЖДЕН И ВВЕДЕН В ДЕЙСТВИЕ Постановлением Государственного строительного комитета СССР от 29.01.90 N 6

4.  ВЗАМЕН ГОСТ 25628-83

5.  ССЫЛОЧНЫЕ НОРМАТИВНО-ТЕХНИЧЕСКИЕ ДОКУМЕНТЫ



Обозначение НТД, на который дана ссылка


Номер пункта, подпункта


ГОСТ 5781-82


1.3.5


ГОСТ 6727-80


1.3.5


ГОСТ 10060-87


3.2


ГОСТ 10180-78


3.1


ГОСТ 10884-81


1.3.5


ГОСТ10922-75


1.3.7, 3.4


ГОСТ 12730.0-78


3.3


ГОСТ 12730.5-84


3.3


ГОСТ 13015.0-83


1.3.1; 1.3.9


ГОСТ 13015.1-81


2.1


ГОСТ 13015.2-81


1.3.12; 1.4


ГОСТ 13015.3-81


2.4


ГОСТ 13015.4-84


4.1


ГОСТ 17624-87


3.1


ГОСТ 17625-83


3.7


ГОСТ 18105-86


3.1


ГОСТ 22362-77


3.5


ГОСТ 22690-88


3.1


ГОСТ 22904-78


3.7


ГОСТ 23009-78


1.2.7


ГОСТ 23858-79


3.4


ГОСТ 26134-84


3.2


ГОСТ 26433.0-85


3.6


ГОСТ 26433.1-89


3.6


ГОСТ 26633-85


1.3.2


ТУ 14-4-1322-85


1.3.5


Настоящий  стандарт распространяется на железобетонные колонны  сплошного прямоугольного поперечного сечения и двухветвевые (далее колонны), изготовляемые из тяжелого бетона и предназначенные для каркасов одноэтажных зданий предприятий всех отраслей промышленности и народного хозяйства, за исключением зданий гражданского строительства.

Колонны  применяют в соответствии с указаниями рабочих  чертежей конкретного здания.

1. ТЕХНИЧЕСКИЕ ТРЕБОВАНИЯ

1.1.  Колонны следует изготовлять в соответствии с требованиями настоящего стандарта и технологической документации, утвержденной предприятием-изготовителем, по рабочим чертежам серий 1.423-2, 1.423.1-3/88, 1.423.1-5/88, 1.423.1-7, 1.424.1-5, 1.424.1-6/89, 1.424.1-9, 1.424.1-10, 1.427.1-3, 1.427.1-5, 1.427.1-6, 1.823.1-2 и шифров 4Н-79, 15-74.

1.2.  Основные параметры и размеры

1.2.1.  Колонны сплошного прямоугольного поперечного сечения подразделяют на типы.

К  — для каркасов зданий без мостовых опорных и подвесных кранов и зданий, оборудованных подвесными кранами, при стропильных конструкциях покрытий с прямолинейным нижним поясом;

КС  — то же, при строительных конструкциях покрытий с провисающим нижним поясом;

КК  — для каркасов зданий, оборудованных мостовыми электрическими опорными кранами, при стропильных конструкциях покрытий с прямолинейным нижним поясом;

ККС  — то же, при строительных конструкциях покрытий с провисающим нижним поясом;

ККП  — для каркасов зданий, оборудованных мостовыми электрическими опорными кранами, с проходами в уровне крановых путей, при стропильных конструкциях покрытий с прямолинейным нижним поясом;

КР  — для каркасов зданий, оборудованных мостовыми ручными опорными кранами, при стропильных конструкциях покрытий с прямолинейным нижним поясом;

КФ  — для фахверков стеновых ограждений  зданий (фахверковые колонны).

1.2.2.  Двухветвевые колонны подразделяют на типы:

КД  — для каркасов зданий, оборудованных электрическими опорными и подвесными кранами, и зданий без кранов;

КДП  — для каркасов зданий, оборудованных мостовыми электрическими опорными кранами, с проходами в уровне крановых путей;

КДФ  — для фахверков стеновых ограждений зданий (фахверковые колонны).

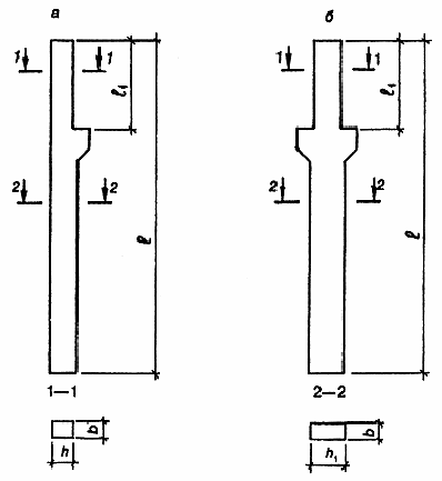
1.2.3.  Форма и основные размеры  колонн должны соответствовать указанным в приложении.

1.2.4.  Показатели расхода бетона и стали на колонны должны соответствовать указанным в рабочих чертежах на эти колонны.

1.2.5.  Колонны следует изготовлять со строповочными отверстиями для подъема и монтажа. Допускается вместо строповочных отверстий предусматривать монтажные петли, выполненные в соответствии с указаниями рабочих чертежей на эти колонны.

1.2.6.  Колонны применяют с учетом их предела огнестойкости, указанного в рабочих чертежах на эти колонны.

1.2.7.  Колонны обозначают марками в соответствии с требованиями ГОСТ 23009. Марка колонны состоит из буквенно-цифровых групп, разделенных дефисами.

В  первой группе указывают обозначение типоразмера колонны. Буквы обозначают тип колонны. Цифры перед буквами обозначают порядковый номер типоразмера колонны для данной высоты здания, после букв — высоту здания, а для фахверковых колонн и основных колонн, устанавливаемых в фундаменты, верх которых заглублен на 500 мм и ниже, — длину колонны в дециметрах.

Во  второй группе указывают порядковый номер колонн по несущей способности, класс напрягаемой арматуры (для предварительно напряженных колонн).

В  третью группу при необходимости включают дополнительные характеристики, отражающие особые условия применения колонн и их стойкость к воздействию агрессивной газообразной среды, сейсмическим и другим воздействиям, а также обозначения конструктивных особенностей колонн (наличие дополнительных закладных изделий и др).

Пример  условного обозначения (марки) колонны типоразмера 2К120, второй по несущей способности, с напрягаемой арматурной сталью класса А-IV:

2К120-2АIV

То  же, типоразмера 5КК144, первой по несущей способности, изготовленной из бетона пониженной проницаемости (П) и предназначенной для применения в условиях воздействия среднеагрессивной газообразной среды, с закладными изделиями для крепления стропильных конструкций:

5КК144-1-Па

То  же, типоразмера 5КД18, двадцать восьмой по несущей способности, с закладными изделиями для крепления стропильных конструкций:

5КД18-28-а

Примечание.  Допускается принимать обозначение марок колонн в соответствии с рабочими чертежами на эти колонны до их пересмотра.

1.3.  Характеристики

1.3.1.  Колонны должны удовлетворять  требованиям ГОСТ 13015.0:

по  прочности, жесткости и трещиностойкости; при этом требования по испытанию колонн нагружением не предъявляют;

по  показателям фактической прочности бетона на сжатие (передаточной отпускной и в проектном возрасте);

по   морозостойкости бетона, а для колонн, эксплуатируемых в условиях воздействия агрессивной газообразной среды, — также по водонепроницаемости бетона;

к  маркам сталей для арматурных и закладных изделий, в том числе для монтажных петель;

по  толщине защитного слоя бетона до арматуры;

по  защите от коррозии.

1.3.2.  Колонны следует изготовлять из тяжелого бетона по ГОСТ 26633 классов или марок по прочности на сжатие, указанных в рабочих чертежах на эти колонны.

1.3.3.  Передачу усилий обжатия на бетон (отпуск натяжения арматуры) в предварительно напряженных колоннах следует производить после достижения бетоном требуемой передаточной прочности.

Нормируемая  передаточная прочность бетона колонн в зависимости от класса или марки бетона, вида и класса напрягаемой арматурной стали должна соответствовать указанной в рабочих чертежах на эти колонны.

1.3.4.  Нормируемая отпускная прочность бетона колонн с напрягаемой арматурой должна быть равна нормируемой передаточной прочности бетона, а колонн с ненапрягаемой арматурой — 70% класса или марки бетона по прочности на сжатие.

При  поставке колонн в холодный период года нормируемая отпускная прочность бетона колонн может быть повышена до 90% класса или марки бетона по прочности на сжатие согласно указаниям рабочих чертежей на эти колонны.

1.3.5.  Для армирования колонн следует применять арматурную сталь следующих видов и классов:

в  качестве напрягаемой арматуры — термомеханически упрочненную стержневую класса Ат-IVС по ГОСТ 10884, горячекатаную стержневую классов А-V, А-IV по ГОСТ 5781 и стержневую класса А-IIIв, изготовляемую из арматурной стали класса А-III по ГОСТ 5781 путем упрочнения вытяжкой с контролем удлинений и  напряжений;

в  качестве ненапрягаемой арматуры — термомеханически упрочненную стержневую классов Ат-IVС и Ат-IIIС по ГОСТ 10884, стержневую горячекатаную периодического профиля класса А-III и гладкую класса А-I  по ГОСТ 5781, арматурную проволоку обыкновенную периодического профиля класса Вр I по ГОСТ 6727, повышенной прочности класса Врп-I по ТУ 14-4-1322.

1.3.6.  Значения напряжений в напрягаемой арматуре, контролируемые по окончании натяжения ее на упоры, а также допустимые предельные отклонения напряжений в напрягаемой арматуре должны соответствовать приведенным в рабочих чертежах на колонны.

1.3.7.  Форма и размеры арматурных и закладных изделий и их положение в колоннах должны соответствовать указанным в рабочих чертежах на эти колонны. Сварные арматурные и закладные изделия должны удовлетворять требованиям ГОСТ 10922.

1.3.8.  Значения действительных отклонений геометрических параметров колонн не должны превышать предельных, указанных в табл.1.

1.3.9.  Требования к качеству бетонных поверхностей и внешнему виду колонн — по ГОСТ 13015.0. При этом качество бетонных поверхностей колонн должно удовлетворять требованиям, установленным для категории А6.

1.3.10.  В бетоне колонн, поставляемых потребителю, трещины не допускаются, за исключением усадочных и других поверхностных технологических трещин, ширина которых не должна превышать 0,25 мм.

1.3.11.  Концы напрягаемой арматуры не должны выступать за торцевые поверхности колонн более чем на 10 мм. Они должны быть защищены слоем цементно-песчаного раствора или битумным лаком.

Таблица 1

мм




Наименование отклонения геометрического параметра


Наименование геометрического параметра


Пред. откл.

Отклонение от линейного размера


Длина колонны и размер от торца колонны до опорной плоскости консоли:

  

  

  

  

  

 до 4000 включ.

± 12


  

св.4000 “  8000  “

± 15


  

“  8000  “ 16000 “

± 20


  

16000


± 25


  

Размер поперечного сечения колонны или ветви двухветвевой колонны:


  

  

    до 250 включ.

± 4


  

св.250 “ 500 “

± 5


  

500


± 6


  

Общая высота поперечного сечения нижней части двухветвевой колонны:


  

  

до 1600 включ.

± 8


  

св.1600


± 10


  

Размер, определяющий положение:


  

  

строповочного отверстия или монтажной петли


15


  

закладного изделия на плоскости колонны для элемента закладного изделия длиной:


  

  

до 100 мм включ.

5


  

св.100 мм


10


  

Несовпадение плоскостей колонны и элемента закладного изделия


3


Отклонение от прямолинейности профиля боковых граней на всей длине колонны длиной:


  

  

 до 4000 включ.



8


св.4000 “ 8000 “

10


8000 “ 16000 “



12


16000


  

15


Отклонение от перпендикулярности торцевой и боковых граней колонны при размере ее поперечного сечения:


  

  

           до 250 включ.

  

4


св.250 “ 500 “

  

5


500


  

6


1.3.12.  На боковых гранях колонн должны быть нанесены установочные риски по ГОСТ 13015.2 в бетоне или в закладных изделиях в виде канавок или несмываемой краской, определяющие разбивочные оси здания, а на консолях — установочные риски, определяющие оси подкрановых балок.

1.4.  Маркировка

Маркировка  колонн — по ГОСТ 13015.2. Маркировочные надписи и знаки следует наносить на видимую при хранении и монтаже боковую поверхность колонны вблизи ее нижнего торца.

2. Приемка

2.1.  Приемка колонн — по ГОСТ 13015.1 и настоящему стандарту. При этом колонны принимают по результатам:

периодических  испытаний — по показателям морозостойкости, а также по водонепроницаемости бетона колонн, предназначенных для эксплуатации в условиях воздействия агрессивной газообразной среды;

приемо-сдаточных  испытаний — по показателям прочности бетона (классу или марке бетона по прочности на сжатие, передаточной и отпускной прочности), соответствия арматурных и закладных изделий рабочим чертежам, прочности сварных соединений, точности геометрических параметров, толщины защитного слоя бетона до арматуры, ширины раскрытия поверхностных технологических трещин, категории бетонной поверхности, правильности нанесения установочных рисок.

Приемку  колонн по прочности, жесткости и трещиностойкости осуществляют по комплексу нормируемых и проектных показателей в соответствии с требованиями ГОСТ 13015.1.

2.2.  Колонны типов КС и КР, а также К и КФ длиной до 12000 мм включ. по показателям точности геометрических параметров, толщины защитного слоя бетона до арматуры, категории бетонной поверхности и ширины раскрытия поверхности технологических трещин следует принимать по результатам выборочного контроля.

Колонны  типов КК, ККС, ККП, КД и КДФ, а также К и КФ длиной более 12000 мм по указанным показателям следует принимать по результатам сплошного контроля.

2.3.  Правильность нанесения установочных рисок на колонны проверяют по результатам сплошного контроля.

2.4.  В документе о качестве колонн по ГОСТ 13015.3 дополнительно должны быть приведены марка бетона по морозостойкости, а для колонн, предназначенных для эксплуатации в условиях воздействия агрессивной газообразной среды — марка бетона по водонепроницаемости (если эти показатели оговорены в заказе на изготовление колонн).

3. Методы контроля


3.1.  Прочность бетона колонн следует определять по ГОСТ 10180 на серии образцов, изготовленных из бетонной смеси рабочего состава и хранившихся в условиях, установленных ГОСТ 18105.

При  проверке прочности бетона методами неразрушающего контроля фактическую передаточную и отпускную прочность бетона на сжатие определяют ультразвуковым методом по ГОСТ 17624 или приборами механического действия по ГОСТ 22690. Допускается применение других методов неразрушающего контроля, предусмотренных стандартами на методы испытания бетона.

3.2.  Морозостойкость бетона колонн следует определять по ГОСТ 10060 или ультразвуковым методом по ГОСТ 26134 на серии образцов, изготовленных из бетонной смеси рабочего состава.

3.3.  Водонепроницаемость бетона колонн следует  определять по ГОСТ 12730.0 и ГОСТ 12730.5.

3.4.  Контроль сварных арматурных и закладных изделий —  по ГОСТ 10922 и ГОСТ 23858.

3.5.  Силу натяжения арматуры, контролируемую по окончании натяжения, измеряют по ГОСТ 22362.

3.6.  Размеры и отклонения от прямолинейности, перпендикулярности поверхностей колонн, ширину раскрытия поверхностных технологических трещин, размеры раковин, наплывов и околов бетона колонн следует проверять   методами, установленными ГОСТ 26433.0 и ГОСТ 26433.1.

3.7.  Размеры и положение арматурных и закладных изделий,  а также толщину защитного слоя бетона до арматуры следует определять по ГОСТ 17625 и ГОСТ 22904.

4. Транспортирование и хранение


4.1.  Транспортирование и хранение колонн — по ГОСТ 13015.4 и настоящему стандарту.

4.2.  Колонны следует транспортировать и хранить в горизонтальном положении в штабелях с опиранием на подкладки и прокладки в соответствии со схемами, приведенными в рабочих чертежах на колонны.

Высота  штабеля колонн при их хранении не должна превышать ширину штабеля более чем в два раза и не должна быть более 2500 мм.

4.3.  Все подкладки и прокладки должны иметь одинаковую толщину не менее 40 мм, ширину — не менее 150 мм, длину — на 100 мм больше ширины боковой грани колонны.

4.4.  Подъем колонн следует осуществлять с применением специальных траверс с захватом за строповочные отверстия или монтажные петли.

Приложение

Обязательное

     

Форма и основные размеры колонн

1.  Форма и основные размеры колонн приведены:

    типа К для зданий высотой 3,0-9,6 м

   (серия 1.423.1-3/88)                         — на черт.1 и в табл.2;

‘  для зданий высотой      10,8-14,4 м

         (серия 1.423.1-5/88)                         — на черт.1 и в табл.3;

"  предварительно напряженные для зданий

         высотой 4,8-14,4 м (серия 1.423.1-7)          — на черт.1 и в табл.4;

‘  для сельскохозяйственных зданий

         высотой 2,4-7,2 м (серия 1.823.1-2)               — на черт.1 и в табл.5;

"  для сельскохозяйственных зданий

         высотой 2,4 м (шифр 4Н-79)                    — на черт.1 и в табл.6;

   типа КС для зданий высотой 4,8; 6,0; 7,2 и

  8,4 м (шифр 15-74)                         — на черт.1 и в табл.7;

   типа КК для зданий высотой 8,4-14,4 м

  (серия 1.424.1-5)                         — на черт.2 и в табл.8;

   типа ККС для зданий высотой 8,4; 9,6 и

  10,8 м (шифр 15-74)                         — на черт.2 и в табл.9;

   типа ККП для зданий высотой 10,8-14,4 м

  (серия 1.424.1-6/89)                         — на черт.3 и в табл.10;

   типа КР для зданий высотой 6,0-9,6 м

  (серия 1.423-2)                         — на черт.4 и в табл.11;

   типа КФ для зданий высотой 3,0-14,0 м

  (серия 1.427.1-3)                         — на черт.5 и в табл.12;

"  предварительно напряженные для

         зданий высотой 4,8-12,0 м

   (серия 1.427.1-5)                         — на черт.5 и в табл.13;

   типа КД для зданий высотой 15,6; 16,8 и

  18,0 м (серия 1.424.1-9)                    — на черт.6 и в табл.14;

   типа КДП для зданий высотой 15,6; 16,8

  и 18,0 м (серия 1.424.1-10)                    — на черт.7 и в табл.15;

   типа КДФ для зданий высотой 15,6; 16,8

  и 18,0 м (серия 1.427.1-6)                    — на черт.6 и в табл.16.

2.  В табл.2, 3, 8, 10, 14 и 15 в скобках приведены размеры колонн, предназначенных для опирания на них  железобетонных подстропильных конструкций высотой на опоре 700 мм.

3.  В табл.14 в графе "Грузоподъемность крана" обозначение Б/К принято для зданий с подвесными кранами и без кранов.

Таблица 2

Колонны типа К для зданий высотой 3,0-9,6 м (серия 1.423.1-3/88)

     







Высота здания, м


Типоразмер колонны


Основные размеры колонны, мм


Номер чертежа


  

  




  

3,0


1К30


3800


  

  

1


  

2К30


  

  

  

1


3,6


1К36


4400


300


  

1


  

2К36


  

  

300


1


4,2


1К42


5000


  

  

1


  

2К42


  

  

  

1


  

1К48


5600


300


  

1


  

2К48


  

  

400


  

  

3К48


5700


400


500


1


4,8


4К48


5600


300


300


  

  

5К48


  

  

400


  

  

6К48


5700


  

  

1


  

7К48


5100

(5000)


500


500


  

5,4


1К54


6200


  

300


1


  

2К54


  

300


  

1


  

1К60


6800


  

400


1


  

2К60


6900


400


  

  

  

3К60


  

  

500


1


6,0


4К60


6800


300


400


  

  

5К60


6900


400


  

1


  

6К60


  

  

  

  

  

7К60


6300

(6200)


500


500


  

  

1К66


7400


300


400


1


  

2К66


7500


400


  

  

  

3К66


  

  

500


1


6,6


4К66


7400


300


400


  

  

5К66


7500


400


  

  

  

6К66


  

500


500


1


  

7К66


6900

(6800)


  

  

  

  

1К72


  

400


400


1


  

2К72


  

500


500


  

  

3К72


8100


  

  

1


7,2


4К72


  

400


400


1


  

5К72


  

500


500


  

  

6К72


7500

(7400)


  

  

  

  

1К78


  

400


400


  

  

2К78


  

500


500


1


  

3К78


8700


  

  

1


7,8


4К78


  

400


400


  

  

5К78


  

  

  

  

  

6К78


8100

(8000)


500


500


1


  

1К84


  

  

400


  

  

2К84


  

400


  

1


  

3К84


9300


500


500


  

  

4К84


  

  

  

1


8,4


5К84


  

400


500


1


  

6К84


  

  

600


1


  

7К84


8700

(8600)


500


500


1


  

8К84


  

  

600


1


  

9К84


9300


  

500


1


  

1К96


  

  

400


  

  

2К96


  

400


  

  

  

3К96


  

  

500


  

9,6


4К96


10500


  

  

1


  

6К96


  

  

600


  

  

8К96


  

500


  

  

  

5К96


  

  

  

1


  

7К96


  

  

500


1


  

9К96


9900

(9800)


  

600


1


     

     

Таблица 3

     

Колонны типа К для зданий высотой 10,8-14,4 м (серия 1.423.1-5/88)







Высота здания, м


Типоразмер колонны


Основные размеры колонны, мм


Номер чертежа


  

  




  

  

1К108


11700


  

500


  

10,8


2К108


11850




  

1


  

3К108


11250

(11150)


  

700


1


  

1К120


12900


  

500


  

12,0


2К120


13050


  

  

1


  

3К120


12450

(12350)


400


700


1


  

1К132


14100


  

600


  

13,2


2К132


14250


  

800


1


  

3К132


13650

(13550)


  

  

1


14,4


1К144


15300


  

600


  

  

2К144


15450


  

  

1


  

3К144


14850

(14750)


  

800


1


     

     

Таблица 4

Колонны типа К предварительно напряженные

для зданий высотой 4,8-14,4 м (серия 1.423.1-7)







Высота здания, м


Типоразмер колонны


Основные размеры колонны, мм


Номер чертежа


  

  




  

  

1К48


  

  

300


  

4,8


2К48


5600


300


400


1


  

3К48


  

  

300


  

  

4К48


  

  




  

  

5К48


  

  

400


  

  

6К48


5100


  

500


1


  

7К48


5700


400


400


  

  

8К48


  

  

500


  

5,4


1К54


6200


  

  

1


  

2К54


  

  

300


1


  

1К60


  

300


  

  

  

2К60


6800


  

  

1


  

3К60


6900


400


  

  

6,0


4К60


6800


300


400


  

  

5К60


6900


  

  

  

  

6К60


  

  

  

  

  

7К60


6300


400


  

1


  

8К60


6900


  

500


  

  

1К66


6900


400


500


1


  

2К66


7400


300


  

1


6,6


3К66


  

  

400


  

  

4К66


7500


400


  

  

  

5К66


  

  

500


1


  

1К72


  

  

  

  

  

2К72


8000


300


  

  

7,2


3К72


  

  

400


1


  

4К72


8100


  

  

  

  

5К72


  

  

500


1


  

1К78


  

400


400


  

  

2К78


  

  

500


1


7,8


3К78


8700


  

400


  

  

4К78


  

  

  

1


  

5К78


8100


  

500


  

  

6К78


8700


500


  

  

  

1К84


8700


  

  

  

  

2К84


  

  

400


  

  

3К84


  

  

500


1


8,4


4К84


9300


400


400


  



5К84






500


1


  

6К84


  

500


  

  

  

1К96


  

  

400


  

  

2К96


  

400


  

1


9,6


3К96


10500


  

500


1


  

4К96


  

500


  

  

  

5К96


9900


  

600


  

  

1К108


  

  

500


  

  

2К108


11700


  

600


  

10,8


3К108


11250


  

  

  

  

4К108


11850


  

700


  

12,0


1К120


12900


  

500


  

  

2К120


  

  

600


  

  

3К120


12450


  

700


  

  

4К120


13050


  

  

  

  

1К132


14100


  

600


  

  

2К132


14250


  

700


  

13,2


3К132


13650


400


  

1


  

4К132


14250


  

800


  

  

1К144


15300


  

600


  

  

2К144


15450


  

700


  

14,4


3К144


14850


  

  

  

  

4К144


15450


  

800


  

     

     

Таблица 5

     

Колонны типа К для сельскохозяйственных

зданий высотой 2,4-7,2 м (серия 1.823.1-2)







Высота здания, м


Типоразмер колонны


Основные размеры колонны, мм


Номер чертежа


  

  




  

  

1К33


  

200


200


  

2,4


2К33


3300


300


300


1


  

3К33


  

200


200


  

  

4К33


  

300


300


1


  

3К36


  

200


200


1


  

4К36


  

300


300


  

2,4; 2,7


5К36


3600


200


200


1


  

6К36


  

300


300


  

  

1К39


  

200


200


  

  

2К39


  

300


300


1


2,4; 2,7; 3,0


3К39


3900


200


200


  

  

4К39


  

  

  

1


  

1К42


4200


300


300


1


2,7; 3,0


2К42


  

  

  

1


  

1К45


  

  

  

  

3,0; 3,6


2К45


  

400


400


1


  

3К45


4500


300


300


1


  

4К45


  

400


400


  

3,6


8К48


4800


  

  

1


  

9К48


  

  

  

1


  

1К51


  

300


300


1


2,4; 2,7; 3,6


2К51


5100


  

  

  

2,4; 2,7; 3,0


3К54


5400


  

  

1


  

1К57


  

300


300


  

4,8


2К57


  

400


400


1


  

3К57


5700


500


500


  

2,7; 3,0; 4,8


4К57


  

300


300


  

  

5К57


  

400


400


1


4,8


8К60


6000


  

  

1


3,0; 4,8


9К60


  

300


300


1


  

1К63


  

  

  

1


4,8


2К63


6300


  

  

1


  

1К69


  

400


400


  

6,0


2К69


6900


500


500


1


  

3К69


  

  

  

1


  

1К81


  

400


400


  

7,2


2К81


8100


500


500


1


  

3К81


  

400


400


1


     

     

Таблица 6

Колонны типа К для сельскохозяйственных зданий высотой 2,4 м (шифр 4Н-79)









Высота здания, м


Типоразмер колонны


Основные размеры колонны, мм


Номер чертежа


  

  






  

  

7К36


3600


  

  

  

  

  

К49


4900


2620


  

  

1


2,4


10К60


6000


300


300


1


  

К73


7300


  

  

  

  

     

     

Таблица 7

Колонны типа КС для зданий высотой 4,8; 6,0; 7,2 и 8,4 м (шифр 15-74)







Высота здания, м


Типоразмер колонны


Основные размеры колонны, мм


Номер чертежа


  

  




  

4,8


КС48


7450


  

  

  

6,0


КС60


8650


  

  

  

7,2


КС72


9850


400


500


1


8,4


КС84


11050


  

  

  

          

     

     


— колонна для  крайних и средних рядов;

— колонна для крайних рядов;

— колонна для средних рядов

Черт.1




— колонна для крайних рядов;

— колонна для средних рядов

Черт.2

Таблица 8

Колонны типа КК для зданий высотой 8,4-14,4 м (серия 1.424.1-5)











Высота здания, м


Грузо- подъемность крана, т


Типо- размер колонны


Основные размеры колонны, мм


Номер чертежа


  

  

  






  

  

5


1КК84


9300


2900


  

  

  

  

8,4


10; 16


2КК84


  

3500


  

380


600


2


  

5


3КК84


  

3300


  

  

  

  

  

10; 16


4КК84


9450


3900


  

  

700


  

  

5


5КК84


  

2900


  

  

600


  

  

10; 16


6КК84


9300


3500


400


600


  

  

  

5


7КК84


  

3300


  

  

  

  

  

10; 16


8КК84


9450


3900


  

  

700


2


  

5


9КК84


8850

(8750)

2700

(2600)


  

  

  

  

  

10; 16


10КК84


  

3300

(3200)


  

  

  

  

  

5


1КК96


  

2900


  

  

  

  

  

10; 16


2КК96


10500


3500


  

380


600


  

  

16; 20


3КК96


  

4100


400


  

  

2


  

5


4КК96


  

3300


  

  

  

  

9,6


10; 16


5КК96


10650


3900


  

  

700


  

  

16; 20


6КК96


  

4500


  

  

  

  

  

5


7КК96


10500


2900


  

  

  

  

  

10; 16


8КК96


  

3500


  

600


600


2


  

16; 20


9КК96


  

4100


  

  

  

  

  

5


10КК96


  

3300


  




  

  

  

10; 16


11КК96


10650


3900


  

  

  

  

  

16; 20


12КК96


  

4500


  

  

  

  

  

5


13КК96


  

2700

(2600)


400


  

  

  

  

10; 16


14КК96


10050

(9950)


3300

(3200)

  

  

700


  

  

16; 20


15КК96


  

3900

(3800)


  

  

  

  

  

5


1КК108


  

2900


  

  

  

  

  

10; 16


2КК108


  

3500


  

380


  

  

  

16; 20


3КК108


  

4100


  

  

  

  

10,8


20; 32


4КК108


11850


  

  

  

  

2


  

5


5КК108


  

3300


  

600


  

  

  

10; 16


6КК108


  

3900


  

  

800


  

  

16; 20; 32


7КК108


  

4500


  

  

  

  

  

5


8КК108


  

2900


  

  

  

  

  

10; 16


9КК108


  

3500


  

  

700


2


  

16; 20; 32


10КК108


  

4100


  

  

  

  

  

5


11КК108


  

3300


  

600


  

  

  

10; 16


12КК108


  

3900


  

  

  

  

  

16; 20; 32


13КК108


  

4500


  

  

  

  

10,8


5


14КК108


  

2700

(2600)


  

  

  

  

  

10; 16


15КК108


11250

(11150)


3300

(3200)

  

600


800


  

  

16; 20; 32


16КК108


  

3900

(3800)


  

  

  

  

  

10; 16


1КК120


  

3500


400


  

  

  

  

16; 20


2КК120


  

4100


  

380


700


  

  

20; 32


3КК120


13050


  

  

  

  

2


12,0


10; 16


4КК120


  

3900


  

  

  

  

  

16; 20; 32


5КК120


  

4500


  

  

  

  

  

10; 16


6КК120


12450

(12350)


3300

(3200)

  

  

800


  

  

16; 20


7КК120


  

3900

(3800)


  

600


  

2


  

20; 32


8КК120


12600

(12500)


  

  

  

900


  

  

10; 16


9КК120


13050


3900


  

  

  

  

  

16; 20


10КК120


  

4500


  

  

800


  

  

20; 32


11КК120


13200


  

  

  

900


  

  

10; 16


1КК132


  

3500


  

380


  

  

  

16; 20


2КК132


14250


4100


  

  

800


  

  

20; 32


3КК132


  

  

  

  

  

2


  

10; 16


4КК132


14400


3900


  

  

  

  

  

16; 20; 32


5КК132


  

4500


400


  

  

  

13,2


10; 16


6КК132


13800

(13700)


3300

(3200)

  

600


900


  

  

16; 20; 32


7КК132


  

3900

(3800)


  

  

  

2


  

10; 16


8КК132


14400


3900


  

  

  

  

  

16; 20; 32


9КК132


  

4500


  

  

  

  

  

10; 16


1КК144


  

3500


  

380


  

  

  

16; 20


2КК144


15450


  

  

  

800


  

14,4


20; 32


3КК144


  

4100


  

  

  

2


  

10; 16


4КК144


15600


3900


  

  

  

  

  

16; 20; 32


5КК144


  

4500


  

  

  

  

  

10; 16


6КК144


  

3300

(3200)


  

600


900


  

  

16; 20; 32


7КК144


15000

(14900)


3900

(3800)

  

  

  

  

  

10; 16


8КК144


15600


3900


  

  

  

2


  

16; 20; 32


9КК144


  

4500


  

  

  

  

     

    

     

     

— колонна для крайних рядов;

— колонна для средних рядов

Черт.3


Таблица 9

Колонны типа ККС для зданий высотой 8,4; 9,6 и 10,8 м (шифр 15-74)











Высота здания, м


Грузо- подъемность крана, т


Типоразмер колонны


Основные размеры колонны, мм


Номер чертежа


  

  

  







  

8,4


  

1ККС84


10550


  

  

  

  

2


  

  

2ККС84


  

  

  

  

  

2


  

До 10


1ККС96


  

5050


  

  

  

2


9,6


  

2ККС96


11750


  

  

  

  

2


  

  

3ККС96


  

  

  

  

  

2


  

20


4ККС96


12350


5650


  

  

  

2


  

До 10


1ККС108


12950


5050


400


600


700


2


  

  

2ККС108


  

  

  

  

  

2


10,8


  

3ККС108


13550


5650


  

  

  

2


  

20


4ККС108


  

  

  

  

  

2


     

     

Таблица 10

Колонны типа ККП для зданий высотой 10,8-14,4 м (серия 1.424.1-6/89)










Высота здания, м


Грузо- подъемность крана, т


Типоразмер колонны


Основные размеры колонны, мм


Номер чертежа


  

  

  







  

  

10


1ККП108


  

3500


  

  

  

  

10,8


20; 32


2ККП108


  

4100


  

  

700


3


  

32


3ККП108


  

4700


  

  

  

  

  

  

4ККП108


  

4100


  

  

  

  

  

10


5ККП108


  

3900


  

  

  

  

  

20; 32


6ККП108


11850


4500


  

  

800


  

  

32


7ККП108


  

5100


  

  

  

  

  

10


8ККП108


  

3900


  

  

  

  

  

20; 32


9ККП108


  

4500


  

  

  

  

  

  

10ККП108


12000


5100


  

  

  

  

  

32


11ККП108


11400

(11300)


4500

(4400)

  

  

900


3


  

10


12ККП108


11250


3900


  

  

800


  

  

20; 32


13ККП108


(11150)


(3800)

  

  

  

  

  

10


1ККП120


  

3500


  

  

  

  

  

20; 32


2ККП120


  

4100


  

  

700


  

  

32


3ККП120


  

4700


  

  

  

  

  

  

4ККП120


13050


4100


  

  

  

  

  

10


5ККП120


  

3900


  

  

800


3


  

20; 32


6ККП120


  

4500


  

  

  

  

  

32


7ККП120


  

5100


  

  

  

  

12,0


10


8ККП120


  

3900


  

  

  

  

  

20; 32


9ККП120


13200


4500


  

  

  

  

  

  

10ККП120


  

5100


  

  

  

  

  

32


11ККП120


12600

(12500)


4500

(4400)

  

  

900




  

10


12ККП120


  

3900

(3800)


400


900


  

  

  

20; 32


13ККП120


  

  

  

  

  

  

  

10


1ККП132


  

3500


  

  

  

  

  

20; 32


2ККП132


  

4100


  

  

  

  

  

32


3ККП132


14250


4700


  

  

800


  

  

10


4ККП132


  

4100


  

  

  

3


13,2


10


5ККП132


  

3900


  

  

  

  

  

20; 32


6ККП132


  

4500


  

  

  

  

  

32


7ККП132


14400


5100


  

  

  

  

  

10


8ККП132


  

3900


  

  

  

  

  

20; 32


9ККП132


  

4500


  

  

900


  

  

32


10ККП132


  

5100


  

  

  

  

  

  

11ККП132


13800

(13700)


4500

(4400)

  

  

  

3


  

10


12ККП132


  

3900

(3800)


  

  

  

  

  

20; 32


13ККП132


  

  

  

  

  

  

  

10


1ККП144


  

3500


  

  

  

  

  

20; 32


2ККП144


  

4100


  

  

  

  

  

32


3ККП144


15450


4700


  

  

800


  

  

10


4ККП144


  

4100


  

  

  

  

  

  

5ККП144


  

3900


  

  

  

3


  

20; 32


6ККП144


  

4500


  

  

  

  

14,4


32


7ККП144


15600


5100


400


900


  

  

  

10


8ККП144


  

3900


  

  

  

  

  

20; 32


9ККП144


  

4500


  

  

900


  

  

  

10ККП144


  

5100


  

  

  

3


  

32


11ККП144


  

4500

(4400)


  

  

  

  

  

10


12ККП144


15000

(14900)


3900

(3800)

  

  

  

  

  

20; 32


13ККП144


  

  

  

  

  

  

     

     

     


Черт.4


Черт.5

     

     

     

     

Таблица 11

Колонны типа КР для зданий высотой 6,0-9,6 м (серия 1.423-2)










Высота здания, м


Грузо- подъемность крана, т


Типоразмер колонны


Основные размеры колонны, мм


Номер чертежа


  

  

  







  

6,0


  

КР60


6900


  

  

  

  

  

6,6


3,2; 5; 8


КР66


7500


1600


  

  

  

  

  

  

1КР72


  

  

300


250


500


4


7,2


12,5; 20


2КР72


8100


2200


  

  

  

  

7,8


3,2; 5; 8


1КР78


8700


1600


  

  

  

  

  

12,5; 20


2КР78


  

2200


  

  

  

  

  

3,2; 5; 8


1КР84


  

1600


  

  

  

  

8,4


12,5; 20


2КР84


9300


  

  

  

  

  

9,0


12,5; 20


КР90


9900


2200


  

  

  

  

9,6


  

ЕР96


10500


  

  

  

  

  

     

     

Таблица 12

Колонны типа КФ для зданий высотой 3,0-14,4 м (серия 1.427.1-3)









Высота здания, м


Типоразмер колонны


Основные размеры колонны, мм


Номер чертежа


  

  







  

  

1КФ37


3700


  

  

  

  

  

3,0


1КФ40


4000


  

  

  

  

3,0; 3,6


1КФ43


4300


  

  

  

  

  

3,6


1КФ46


4600


  

  

  

  

  

3,6; 4,2; 4,8


1КФ49


4900


  

  

  

  

  

4,2


1КФ52


5200


  

  

  

  

  

4,2; 4,8


1КФ55


5500


  

  

  

  

  

4,8


1КФ57


5700


  

  

  

  

  

  

1КФ58


5800


  

  

300


  

  

4,8; 5,4; 6,0


1КФ61


6100


300


  

  

5


5,4


1КФ64


6400


  

  

  

  

5,4; 6,0; 6,6


1КФ67


6700


  

  

  

  

  

6,0


2КФ69


6900


  

  

  

  

  

6,6


2КФ75


7500


  

  

  

  

  

  

2КФ73


7300


  

  

  

  

  

7,2


2КФ81


8100


  

  

400


  

  

  

2КФ79


7900


  

  

  

  

  

7,8


2КФ87


8700



  

  

  

  

  

1КФ85


8500


  

  

300


  

  

  

1КФ93


9300


  

300


  

  

  

8,4


2КФ85


8500


  

  

  

  

  

  

3КФ93


9300


  

400


400


  

  

  

1КФ97


9700


  

300


300


  

  

  

1КФ105


10500


  

  

  

  

  

9,6


3КФ97


9700


400


400



  

  

4КФ105


10500


  

  

500


  

  

  

2КФ109


10900


  

300


400


  

  

  

2КФ117


11700


  

  

  

  

  

10,8


4КФ109


10900


  

  

500


  

  

  

4КФ125


12500


  

  

  

  

  

  

3КФ121


12100


  

  

400


  

  

  

3КФ129


12900


  

  

  

  

  

12,0


4КФ121


12100


  

  

500


  

  

  

4КФ137


13700


  

  

  

  

  

  

3КФ133


13300


  

  

400


  

  

  

3КФ141


14100


  

  

  

  

  

13,2


4КФ133


13300


  

400


500


  

  

5КФ149


14900


  

  

600


  

  

  

3КФ145


14500


  

  

400


  

  

14,4


3КФ153


15300


  

  

  

  

  

  

5КФ145


14500


  

  

600


  

  

  

5КФ161


16100


  

  

  

  

  

6,0


6КФ69


6900


900


  

  

  

  

4,8; 6,0


6КФ70


7000


2200


  

  

  

  

4,8; 6,0; 6,6


6КФ73


7300


2500


  

  

  

  

6,6


6КФ85


7500


900


  

  

  

  

4,8; 6,6


6КФ76


7600


2800


  

  

  

  

4,8; 6,6; 7,2


6КФ79


7900


3100


  

  

  

  

7,2


6КФ81


8100


900


  

  

  

  

6,0; 7,2


6КФ82


8200


2200


  

  

  

  

6,0; 7,2; 7,8


6КФ85


8500


2500


300


  

  

  

7,8


6КФ87


8700


900


  

400


  

  

6,0; 6,6; 7,8


6КФ88


8800


2800


  

  

  

  

6,0; 6,6; 7,8; 8,4


6КФ91


9100


3100


  

  

  

  

6,6; 7,2


7КФ94


9400


2800


  

  

  

  

6,6; 7,2; 8,4


7КФ97


9700


3100


  

  

  

  

7,2; 7,8


7КФ100


10000


2800


  

  

  

  

7,2; 7,8; 9,6


7КФ103


10300


3100


400


  

300


5


7,8; 8,4


8КФ106


10600


2800


  

  

  

  

7,8; 8,4; 9,6


8КФ109


10900


3100


  

500


  

  

  

7КФ93


9300


900


  

400


  

  

8,4


8КФ112


11200


2800


  

  

  

  

  

8КФ115


11500


3100


  

  

  

  

  

8КФ105


10500


900


  

  

  

  

9,6


8КФ118


11800


2200


  

500


  

  

  

8КФ124


12400


2800


  

  

  

  

  

8КФ127


12700


3100


  

  

  

  

9,6; 10,8


8КФ121


12100


2500


  

  

  

  

  

6КФ117


11700


900


300


400


  

  

  

8КФ125


12500


900


  

  

  

  

10,8


8КФ130


13000


2200


  

  

  

  

  

8КФ136


13600


2800


  

  

  

  

  

8КФ139


13900


3100


  

500


  

  

10,8; 12,0


8КФ133


13300


2500


400


  

  

  

  

7КФ129


12900


900


  

400


  

  

  

8КФ137


13700


900


  

500


  

  

12,0


9КФ142


14200


2200


  

  

  

  

  

9КФ148


14800


2800


  

  

  

  

  

9КФ151


15100


3100


  

600


  

  

12,0; 13,2


9КФ145


14500


2500


  

  

  

  

  

7КФ141


14100


900


  

400


  

  

  

9КФ149


14900


900


  

  

  

  

13,2


9КФ154


15400


2200


  

  

  

  

  

9КФ160


16000


2800


  

600


  

  

  

9КФ163


16300


3100


  

  

  

  

13,2; 14,4


9КФ157


15700


2500


  

  

  

  

  

7КФ153


15300


900


  

400


  

  

  

9КФ161


16100


900


400


  

  

  

  

9КФ166


16600


2200


  

600


  

  

14,4


9КФ169


16900


2500


  

  

  

  

  

9КФ172


17200


2800


  

  

  

  

  

9КФ175


17500


3100


  

  

  

  

     

     

Таблица 13

     

Колонны типа КФ предварительно напряженные для зданий высотой 4,8-12,0 м (серия 1.427.1-5)







Высота здания, м


Типоразмер колонны


Основные размеры колонны, мм


Номер чертежа


  

  





  

4,8


КФ49


4900


  

  

  

  

КФ55


5500


  

  

  

  

КФ57


5700


  

  

  

  

КФ58


5800


  

  

  

4,8; 5,4; 6,0


КФ61


6100


  

  

  

5,4


КФ64


6400


  

  

  

5,4; 6,0; 6,6


КФ67


6700


  

  

  

6,0


КФ69


6900


  

  

  

4,8; 6,0


КФ70


7000


  

  

  

4,8; 6,0; 6,6; 7,2


КФ73


7300


  

  

  

4,8; 6,6


КФ75


7500


  

  

  

  

КФ76


7600


  

  

  

4,8; 6,6; 7,2; 7,8


КФ79


7900


  

  

  

7,2


КФ81


8100


300


300


5


6,0; 7,2


КФ82


8200


  

  

  

6,0; 7,2; 7,8; 8,4


КФ85


8500


  

  

  

6,0; 7,8


КФ87


8700


  

  

  

6,0; 6,6; 7,8


КФ88


8800


  

  

  

6,0; 6,6; 7,8; 8,4


КФ91


9100


  

  

  

6,6; 8,4


КФ93


9300


  

  

  

6,6; 7,2; 8,4


КФ94


9400


  

  

  

6,6; 7,2; 8,4; 9,6


КФ97


9700


  

  

  

7,2


КФ99


9900


  

  

  

7,2; 7,8


КФ100


10000


  

  

  

7,2; 7,8; 9,6


КФ103


10300


  

  

  

7,8; 9,6


КФ105


10500


  

  

  

7,8; 8,4; 9,6


КФ106


10600


  

  

  

7,8; 8,4; 9,6; 10,8


КФ109


10900


  

  

  

  

КФ111


11100


  

  

  

8,4


КФ112


11200


  

  

  

  

КФ115


11500


  

  

  

10,8


КФ117


11700


  

  

  

9,6; 10,8


КФ118


11800


  

  

  

9,6; 10,8; 12,0


КФ121


12100


  

  

  

  

КФ123


12300


  

  

  

9,6


КФ124


12400


  

  

  

  

КФ127


12700


  

  

  

12,0


КФ129


12900


  

  

  

10,8


КФ130


13000


  

  

  

12,0


КФ131


13100


  

  

  

10,8; 12,0


КФ133


13300


  

  

  

  

КФ135


13500


  

  

  

10,8


КФ136


13600


  

  

  

  

КФ139


13900


  

  

  

12,0


КФ147


14700


  

  

  



 

— колонна крайних рядов;

— колонна средних рядов

Черт.6


Таблица 14

Колонны типа КД для зданий высотой 15,6; 16,8 и 18,0 м (серия 1.424.1-9)













Высота здания, м


Грузо- подъемность крана, т


Типо- размер колонны


Основные размеры колонны, мм


Номер чертежа


  

  

  








  

  

Б/К; 20; 32


1КД156


  

4100


  

  

  

  

  

  

32; 50


2КД156


  

4700


  

  

  

200


  

15,6


Б/К; 20; 32


3КД156


16900


4500


  

600


1400


  

6


  

32; 50


4КД156


  

5100


  

  

  

250


  

  

Б/К; 20; 32


5КД156


  

4500


  

  

  

  

  

  

32; 50


6КД156


  

5100


  

  

  

  

  

  

Б/К; 20; 32


7КД156


16300


(16200)


3900


(3800)

500


700


1900


300


6


  

32; 50


8КД156


16300


(16200)


4500


(4400)

  

  

  

  

  

  

Б/К; 20; 32


1КД168


  

4100


  

  

  

  

  

  

32; 50


2КД168


18100


4700


  

  

  

200


  

  

Б/К; 20; 32


3КД168


  

4500


  

600


1400


  

6


16,8


32; 50


4КД168


  

5100


  

  

  

250


  

  

Б/К; 20; 32


5КД168


  

4500


  

  

  

  

6


  

32; 50


6КД168


  

5100


  

  

  

  

  

  

Б/К; 20; 32


7КД168


17500


(17400)


3900


(3800)

  

700


1900


300


  

  

32; 50


8КД168


  

4500


(4400)


  

  

  

  

  

  

Б/К; 20; 32


1КД180


  

4100


  

  

  

  

  

  

32; 50


2КД180


  

4700


  

  

  

200


  

  

Б/К; 20;32


3КД180


  

4500


  

600


1400


  

  

18,0


32; 50


4КД180


19300


5100


  

  

  

250


6


  

Б/К; 20; 32


5КД180


  

4500


  

  

  

  

  

  

32; 50


6КД180


  

5100


  

  

  

  

  

  

Б/К; 20; 32


7КД180


18700


(18600)


3900


(3800)

  

700


1900


300


6


  

32; 50


8КД180


  

4500


(4400)


  

  

  

  

  

               

     

     


— колонна крайних рядов;

— колонна средних рядов

Черт.7

     

Таблица 15

     

Колонны типа КДП для зданий высотой 15,6; 16,8 и 18,0 м (серия 1.424.1-10)











Высота здания, м


Грузо- подъемность крана, т


Типо- размер колонны


Основные размеры колонны, мм


Номер чертежа


  

  

  








  

  

20; 32


1КДП156


  

4100


  

  

  

  

  

  

32; 50


2КДП156


  

4700


  

  

  

200


  

  

20; 32


3КДП156


16900


4500


  

  

1400


  

7


  

32; 50


4КДП156


  

5100


  

  

  

250


  

15,6


20;32


5КДП156


  

4500


  

  

  

  

  

  

32; 50


6КДП156


  

5100


  

  

  

  

  

  

20; 32


7КДП156


  

3900


(3800)


  

  

1900


300


7


  

32; 50


8КДП156


16300


(16200)


4500


(4400)

  

  

  

  

  

  

20; 32


1КДП168


  

4100


  

  

  

  

  

  

32; 50


2КДП168


  

4700


  

  

  

200


  

  

20; 32


3КДП168


18100


4500


  

  

1400


  

7


16,8


32; 50


4КДП168


  

5100


  

  

  

250


  

  

20; 32


5КДП168


  

4500


  

  

  

  

  

  

32; 50


6КДП168


  

5100


  

  

  

  

  

  

20; 32


7КДП168


  

3900


(3800)


500


900


1900


300


7


  

32; 50


8КДП168


17500


(17400)


4500


(4400)

  

  

  

  

  

  

20; 32


1КДП180


  

4100


  

  

  

  

  

  

32; 50


2КДП180


  

4700


  

  

1400


200


  

  

20; 32


3КДП180


  

4500


  

  

  

  

7


18,0


32; 50


4КДП180


19300


5100


  

  

1400


250


  

  

20; 32


5КДП180


  

4500


  

  

  

  

  

  

32; 50


6КДП180


  

5100


  

  

  

  

  

  

20; 32


7КДП180


  

3900


(3800)


  

  

1900


300


7


  

32; 50


8КДП180


  

4500


(4400)


  

  

  

  

  

     

     

Таблица 16

     

Колонны типа КДФ для зданий высотой 15,6; 16,8 и 18,0 м (серия 1.427.1-6)










Высота здания, м


Типо- размер


Основные размеры колонны, мм


Номер чертежа


  

колонны








  

15,6


КДФ156


16800


  

  

  

  

  

  

16,8


КДФ168


18000


5100


500


600


1400


200


6


18,0


КДФ180


19200


  

  

  

  

  

  





Текст документа сверен по:

официальное издание

Госстрой СССР —     

М.: ЦИТП, 1990

Предоставлено компанией .