ГОСТ 26602-2-99 Блоки оконные и дверные методы определения воздухопроницаемости и водопроницаемости

Автор: | 17.02.2015

ГОСТ 26602.2-99

Группа Ж39

     

МЕЖГОСУДАРСТВЕННЫЙ СТАНДАРТ


БЛОКИ ОКОННЫЕ И ДВЕРНЫЕ

Методы определения воздухо- и водопроницаемости

Windows and doors.

Methods of determination of air and water transmission



     ОКС 91.060.50

     ОКСТУ 5309, 5209, 2209

Дата введения 2000-01-01


ПРЕДИСЛОВИЕ

1  РАЗРАБОТАН Научно-исследовательским институтом строительной физики Российской Академии архитектуры и строительных наук и Управлением стандартизации, технического нормирования и сертификации Госстроя России

ВНЕСЕН  Госстроем России

2  ПРИНЯТ Межгосударственной научно-технической комиссией по стандартизации, техническому нормированию и сертификации в строительстве (МНТКС) 20 мая 1999 г.

За  принятие проголосовали



Наименование государства


Наименование органа государственного управления строительством


Республика Армения


Министерство градостроительства Республики Армения

     

Республика Казахстан


Комитет по делам строительства Министерства энергетики, индустрии и торговли Республики Казахстан

     

Кыргызская Республика


Государственная инспекция по архитектуре и строительству при Правительстве Кыргызской Республики

     

Республика Молдова


Министерство развития территорий, строительства и коммунального хозяйства Республики Молдова

     

Российская Федерация


Госстрой России

     

Республика Таджикистан


Комитет по делам архитектуры и строительства Республики Таджикистан

     

Украина


Государственный комитет строительства, архитектуры и жилищной политики Украины

     

3  ВЗАМЕН ГОСТ 25891-83 в части лабораторных испытаний светопрозрачных конструкций и дверных блоков, ГОСТ 28799-90, СТ СЭВ 4184-83

4  ВВЕДЕН В ДЕЙСТВИЕ с 1 января 2000 г. в качестве государственного стандарта Российской Федерации постановлением Госстроя России от 17 ноября 1999 г. № 61

     

    1 Область применения

Настоящий  стандарт устанавливает методы определения воздухо- и водопроницаемости оконных и дверных блоков (далее — оконных блоков), изготавливаемых из различных материалов и применяемых в зданиях различного назначения.

Допускается  применение методов, установленных в настоящем стандарте, для определения воздухо- и водопроницаемости зенитных фонарей, фасадных конструкций, витражей, а также их фрагментов.

Методы,  содержащиеся в настоящем стандарте, применяют при проведении типовых, сертификационных и других периодических лабораторных испытаний.

Стандарт  не распространяется на узлы примыкания оконных блоков к стеновым проемам или другим, примыкающим к оконным блокам, конструктивным элементам.

    

       

     2 Термины, обозначения и определения

В  настоящем стандарте применяют следующие термины с соответствующими определениями.

Воздухопроницаемость  — свойство конструкции оконного блока пропускать воздух в закрытом состоянии при наличии разности давления воздуха на его наружных и внутренних поверхностях.

Перепад  давления , Па — разность давлений воздуха на наружной и внутренней поверхностях образца во время проведения испытания.

Перепад  давления считают положительным, если внешнее давление воздуха больше внутреннего, и отрицательным, если внутреннее давление больше внешнего.

Объемный  расход воздуха , м/ч — объем воздуха, проникающего через закрытый образец в единицу времени.

Массовый  расход воздуха , кг/ч — масса воздуха, проникающего через закрытый образец в единицу времени.

Воздухопроницаемость  объемная , м/(ч·м), , м(ч·м) — воздухопроницаемость испытываемого образца, выражаемая отношением объемного расхода воздуха к площади поверхности образца или к общей длине притворов его створчатых элементов .

Воздухопроницаемость  массовая , кг/(ч·м) — воздухопроницаемость испытываемого образца, выражаемая отношением массового расхода воздуха к площади поверхности образца.

Показатель  режима фильтрации показатель, устанавливающий зависимость массовой воздухопроницаемости образца от перепада давления.

Водопроницаемость  — свойство конструкции оконного блока пропускать дождевую воду при определенной (критической) разности давления воздуха на его наружных и внутренних поверхностях.

Предел  водонепроницаемости ПВ, Па — наименьший перепад давления, при котором образуется сквозное проникновение воды через оконный блок.

Створчатый  элемент — открывающийся элемент (створка, полотно, форточка, фрамуга, клапан) испытываемой конструкции.

Притвор  — место сопряжения створчатого элемента и коробки оконного блока. Сопряжение, как правило, происходит через уплотняющие прокладки.

Длина  притвора , м — протяженность притвора по периметру створчатого элемента.

Фрагмент  изделия — часть конструкции изделия, отражающая его конструктивные особенности.

Образец  для испытания — конструкция в сборе или ее фрагмент, удовлетворяющие требованиям настоящего стандарта, технические характеристики которых полностью соответствуют официально представленной в испытательный центр сопроводительной конструкторской и нормативной документации.

Типоразмерный  ряд изделий — ряд изделий с единым конструктивным решением, отличающихся между собой размерами элементов, архитектурным рисунком, а также относительной площадью и вариантами остекления.

    3 Метод определения воздухопроницаемости

Сущность  метода определения воздухопроницаемости состоит в последовательном создании заданных стационарных перепадов давления, измерении объемных расходов воздуха, проникающего через образец, с последующим вычислением показателей воздухопроницаемости и составлением диаграмм зависимости воздухопроницаемости от давления.

           

       

    3.1 Испытательное оборудование и средства контроля


     

3.1.1  Испытательная установка

—  герметичная камера с регулируемым проемом и приспособлениями для жесткого крепления образца (опорные штанги, передвижные домкраты);

—  оборудование для создания, поддержания и быстрого изменения давления воздуха до 700 Па во временном интервале от 1 с до 10 мин (компрессоры, воздушные насосы, регуляторы давления, регуляторы перепада давления, регуляторы расхода воздуха, запорная арматура).

3.1.2  Средства контроля

—  расходомеры (ротаметры) воздуха с пределом измерения расхода воздуха от 0 до 500 м/ч с погрешностью измерения  ±5%;

—  показывающие и самопишущие манометры, датчики давления и вакуумметры, обеспечивающие проведение измерений согласно 3.1.1 с погрешностью измерения ±5%;

—  термометр ртутный для измерения температуры воздуха в пределах 0-50 °С с погрешностью 0±,5°С;

—  рулетки стальные с погрешностью ±0,5 мм.

    

 

3.1.3  Испытательное оборудование и средства контроля должны соответствовать требованиям действующей нормативной документации и быть поверены в установленном порядке.

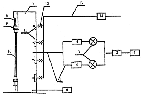
3.1.4  Принципиальная схема установки для определения воздухо- и водопроницаемости приведена на рисунке 1.

              

 1 — компрессор (воздушный насос); 2 — регулятор расхода воздуха; 3 — воздушные запорные краны;

4 — ротаметры с различными пределами измерения; 5 — шланги; 6 — датчик давления (манометр);

7 — герметичная камера; 8 — приспособление для крепления образца; 9 — эластичные уплотнительные прокладки;

10 — образец. Дождевальное оборудование: 11 — форсунки; 12 — запорные устройства (вентили);

13 — шланг для подачи воды; 14 — счетчик воды

Рисунок 1 Принципиальная схема установки для определения воздухо- и водопроницаемости

Дождевальное  оборудование, показанное на схеме, при проведении испытаний на воздухопроницаемость не используют.

3.1.5  Испытательная установка должна быть проверена на герметичность в диапазоне режимов испытаний, которые обеспечиваются техническими возможностями испытательного оборудования.

При  проверке герметичности камеры в регулируемый проем устанавливают и тщательно герметизируют глухой панельный элемент. Потери давления воздуха на любых стадиях испытания не должны превышать 2%.

Результаты  испытаний оборудования на герметичность могут быть использованы для корректировки результатов лабораторных испытаний.     

       

    3.2 Порядок подготовки к испытанию

3.2.1  Перед проведением испытаний оконного блока составляют программу испытаний, в которой должны быть установлены значения конечного контрольного давления и уточненный график перепадов давления.

В  случае испытаний конструкции со встроенными системами вентиляции или системами самовентиляции уточняют условия проведения испытаний при различных режимах работы вентиляционных систем.

В  программе испытаний определяют также условия распространения результатов испытаний на типоразмерный ряд изделий, аналогичных испытываемому образцу.

3.2.2  Рекомендуемые модульные размеры образцов оконных блоков для испытаний: 12х12; 15х13,5; 15х15 дм. Наименьшая площадь образцов — 1 м (кроме специальных заказов на испытания окон меньших размеров).     

3.2.3  Подготовка образцов

    

 

3.2.3.1  Для испытаний отбирают образцы изделий полной заводской готовности с установленными уплотняющими прокладками и окончательной отделкой.

3.2.3.2  В случаях, когда результаты испытаний предполагается использовать для характеристики воздухопроницаемости типоразмерного ряда оконных конструкций, для испытаний рекомендуется отбирать из этого ряда образцы с наибольшим отношением общей длины притвора к площади изделий.

3.2.3.3  Проверяют соответствие образцов требованиям нормативной и конструкторской документации, обращая особое внимание на работоспособность приборов открывания и петель, правильность установки уплотняющих прокладок, а также наличие и расположение водосливных и других отверстий.

3.2.3.4  Для испытания рекомендуется отбирать не менее двух идентичных образцов.

3.2.3.5  Образцы кондиционируют при температуре (21±3) °С и относительной влажности воздуха (50±5)% не менее трех суток.

3.2.3.6  Габариты образца определяют по наружному обмеру коробок при помощи стальной рулетки.

Общую  длину притвора определяют при помощи стальной рулетки по наружным размерам створчатых элементов.

3.2.3.7  Образцы для испытаний принимают согласно акту отбора образцов, оформленному в установленном порядке.

В  случае если отбор образцов из партии изделий проводят без привлечения сотрудников испытательного центра (лаборатории), то при оформлении результатов испытаний в протоколе испытаний делают соответствующую запись.

3.2.4  Температура воздуха в помещении и испытательной камере должна быть (20±4) °С, значение температуры указывают в лабораторной документации.

3.2.5  Образец устанавливают в проем испытательной камеры так, чтобы его наружная сторона была обращена внутрь камеры. Изменяя размеры регулируемого проема, обеспечивают герметичное прилегание образца к проему через эластичные уплотняющие прокладки.

3.2.6  Образец закрепляют в вертикальном положении без перекосов и деформаций. Монтажные зазоры доуплотняют герметизирующими замазками (мастиками), после чего проверяют работу створчатых элементов.

3.2.7  Перед началом испытаний проверяют готовность испытательного оборудования и производят предварительное воздействие на окно тремя импульсами заданного давления.

Продолжительность  нарастания и снятия давления в каждом импульсе должна быть в пределах 1-3 с. Величину давления импульсов устанавливают на 10% выше максимального давления, требуемого для испытаний, но не менее 500 Па, продолжительность воздействия — не менее 3 с (рисунок 2).

           


Рисунок 2 — Примеры построения графиков испытаний при контрольном конечном давлении 150 и 700 Па

3.2.8  После полного снятия давления створчатые элементы пять раз открывают и закрывают, проверяя при этом целостность конструкции изделия. Проверяют состояние уплотнения изделия в проеме и при необходимости заменяют его или доуплотняют герметиком.

3.2.9  При обнаружении неустранимых нарушений в конструкции изделия образец снимают с испытаний, о чем делается отметка в протоколе испытаний.         

3.2.10  При испытании оконных блоков, прошедших предварительные испытания на надежность оконных приборов, предварительное воздействие на образцы избыточным давлением по 3.2.7 допускается не производить.

           

       

    3.3 Порядок проведения испытания

3.3.1  Давление на внешнюю сторону оконного блока повышают ступенчато, время выдержки под стационарным давлением на каждой ступени должно составлять не менее 10 с.

На  каждой ступени перепада давления замеряют объемный расход воздуха, проходящего через образец.

Значения  перепадов давления по ступеням при испытании: (10), (30), 50, 100, 150, 200 Па и далее через 100 Па. В случае, если конечное давление при испытании не превышает 150 Па, применяют следующие значения перепадов давления по ступеням: (10), 30, 50, 70, 100, 150 Па. В обоснованных случаях допускается не проводить испытания при значениях перепадов давления, указанных в скобках.

Число  ступеней давления при испытании должно быть не менее пяти, обязательным условием является проведение испытания при перепаде давления 100 Па.

3.3.2  После достижения заданного программой испытаний значения конечного давления нагрузку на оконную конструкцию последовательно уменьшают, используя ту же градацию по ступеням давления, но в обратном порядке, замеряя объемный расход воздуха на каждой ступени перепада давления.

3.3.3  При необходимости испытаний оконного блока на воздухопроницаемость при отрицательной разности давления порядок и последовательность подготовки и проведения испытаний не изменяют, а значения перепадов давления принимают по 3.3.1 со знаком минус.

Испытания  на воздухопроницаемость при отрицательной разности давления допускается заменять на испытания положительным давлением. При этом необходимо изменить расположение образца в проеме испытательной камеры на противоположное: внутрь камеры внутренней стороной.

3.3.4  На рисунке 2 представлены примеры графиков испытаний оконных конструкций при контрольном давлении 150 и 700 Па.

3.3.5  В начале и в конце испытаний измеряют температуру воздуха в помещении. Данные измерений заносят в журнал лабораторных испытаний.

           

    3.4 Правила обработки и оформления результатов испытания

3.4.1  Объемный расход воздуха, проходящего через образец, , м/ч, следует фиксировать при нарастании и при снижении давления по каждой отдельной ступени.

За  результаты испытаний по каждому перепаду давления принимают наибольшее значение объемного расхода воздуха для каждой ступени независимо от того, было ли оно достигнуто при нарастании или при снижении давления.

При  оформлении результатов испытания рекомендуется применять поправочные коэффициенты, учитывающие результаты проверки испытательной установки на герметичность (по 3.1.5) и истинные атмосферные условия проведения испытания (по сравнению с паспортными условиями градуировки приборов и средств контроля).

   

  

3.4.2  Результаты испытаний представляют в виде таблицы и двух диаграмм, построенных в логарифмической системе координат.

3.4.3  Образец формы записи результатов испытаний при контрольном конечном перепаде давления 150 Па приведен в таблице 1.

Таблица  1 — Форма записи результатов испытаний








Перепад давления

, Па


Время воздействия , с


Объемный расход воздуха

 , м


Массовый расход воздуха

, кг/ч


Воздухопроницаемость


  

  

  

  

объемная  , м/(ч·м )

объемная

, м/(ч·м)


массовая , кг/(ч·м )

30


10


+

*

*

*

*

50


10


+

*

*

*

*

70


10


+

*

*

*

*

100


10


+

*

*

*

*


150


10


+

*

*

*

*


 

Примечание Знаком (+) отмечены значения, получаемые опытным путем, знаком (*) — расчетные значения



К  таблице прилагают чертеж образца (с изображением створчатых элементов и схемы их открывания) с указанием размеров: высоты и ширины, мм; площади образца , м; длины притворов , м; а также значения средней температуры воздуха при испытании Т, К.

Перевод  объемного расхода воздуха , м/ч, в массовый , кг/ч, производят по формуле

353/T.                                                                                             (1)

Объемную  воздухопроницаемость рассчитывают по формулам:     

,                                                                                                   (2)

 ,                                                                                               (3)

Массовую  воздухопроницаемость рассчитывают по формуле

.                                                                                                   (4)

3.4.4  Показатель режима фильтрации воздуха через ограждающую конструкцию определяют путем построения диаграммы зависимости массовой воздухопроницаемости от перепада давления как тангенс угла наклона прямой, построенной аппроксимированнием результатов испытания, к оси абсцисс (рисунок 3).


Рисунок 3 — Пример построения диаграммы зависимости массовой воздухопроницаемости от перепада давления    

    

3.4.5  По диаграмме зависимости объемной воздухопроницаемости от перепада давления  , построенной в логарифмическом масштабе координат, определяют класс образца. На рисунке 4 приведены нормативные прямые, определяющие границы классов оконных блоков по воздухопроницаемости. Класс испытываемого образца определяют по положению прямой, построенной по аппроксимированным результатам испытаний, относительно нормативных прямых, определяющих границы классов.

     

Примечание  В тех случаях, когда линия фактических замеров, расположенная в поле какого-либо класса (например, класса В), на локальном участке заходит в поле низшего класса (например, класса Г), испытываемому образцу присваивают номер низшего класса воздухопроницаемости. В случае, если воздухопроницаемость образца превышает границу класса Д, буквенное обозначение класса образцу не присваивают.

Рисунок 4 Пример построения диаграммы зависимости объемной воздухопроницаемости от перепада давления

3.4.6  Обязательными характеристиками испытываемого образца являются:

—  массовая воздухопроницаемость при перепаде давления 10 Па;

—  объемная воздухопроницаемость при перепаде давления 100 Па;

—  показатель режима фильтрации;

     — номер класса воздухопроницаемости.

3.4.7  Показатели воздухопроницаемости однотипных с испытанным образцом конструкций оконных блоков (изделия типоразмерного ряда) допускается устанавливать пропорционально отношению

,


где и — соответственно длины притворов испытываемого образца и однотипного оконного блока;

и — соответственно площади створчатых элементов испытываемого образца и однотипного оконного блока.

3.4.8.  Оформление результатов испытаний  

    

     Результаты испытаний оформляют протоколом испытаний, в котором указывают:

     

     — наименование, юридический адрес и номер аттестата аккредитации испытательного центра (лаборатории), проводившего испытания;

     

     — наименование и юридический адрес организации — заказчика испытаний;

          

—  наименование и юридический адрес организации — изготовителя испытываемой продукции;

—  наименование испытываемой продукции и нормативного документа, регламентирующего требования к ее качеству;

—  описание испытываемых образцов продукции (габаритные размеры образцов, схема открывания, конструкция притвора, число рядов уплотняющих прокладок и др.);

—  дату поступления образцов в испытательный центр (лабораторию);

—  номер регистрации образцов в испытательном центре (лаборатории);

—  дату испытаний образцов;

—  данные результатов испытаний по 3.4.2-3.4.7;

     — характеристики образцов по 3.4.6;

     

     — подписи руководителя испытательного центра (лаборатории) и испытателя, печать испытательного центра.

     

     

    4 Метод определения водопроницаемости

Метод  определения водопроницаемости заключается в установлении предела водонепроницаемости испытываемого образца в условиях имитации дождевого воздействия на него определенным количеством воды при заданных стационарных перепадах давления.

     

       

    4.1 Испытательное оборудование и средства контроля

 

4.1.1  Испытательное оборудование и средства контроля принимают по 3.1 со следующими дополнениями:

—  дождевальное устройство, позволяющее поддерживать во время испытания на всей поверхности образца сплошную водяную пленку. Пропускная способность дождевального устройства должна быть рассчитана из условия обеспечения подачи воды на 1 м контрольной поверхности образца (2+0,5) л в минуту;

—  термометр для измерения температуры воды с пределом измерения 0-50 °С с погрешностью ±1 °С;

—  регулятор расхода и счетчик воды с пропускной способностью более 3,0 м/ч и порогом чувствительности не более 0,05 м /ч.

  

   

4.1.2  Различные способы дождевания и описание применяемого для этого оборудования указаны в приложении А.

           

    4.2 Порядок подготовки к испытанию



4.2.1  Перед началом проведения испытаний составляют программу испытаний, в которой должны быть отражены значения конечного контрольного давления и уточненный график перепадов давления.

4.2.2  Порядок подготовки к проведению испытания, включая отбор образцов, аналогичен приведенному в 3.2.1 со следующими дополнениями:

—  температура воды для дождевания должна быть от 8 до 20°С;

—  форсунки дождевального устройства располагают в камере таким образом, чтобы наружная поверхность образца орошалась равномерно и полностью;

—  пропускная способность дождевального устройства должна быть отрегулирована согласно условиям 4.1.1.

4.2.3  Перед испытанием оконного блока проводят пробное включение дождевального устройства и убеждаются в правильности расположения форсунок, после этого образец протирают и производят предварительное воздействие на образец тремя импульсами заданного давления согласно 3.2.7 (рисунок 5).

После  снятия давления створчатые элементы образца пять раз открывают и закрывают, проверяя его исправность и готовность к испытанию. При обнаружении неустранимых нарушений в конструкции образца его снимают с испытаний, о чем делается отметка в протоколе испытания.

4.2.4  В случае испытаний образцов, прошедших предварительные испытания на воздухопроницаемость или надежность оконных приборов, предварительное воздействие на образец давлением допускается не производить.

  

        

    4.3 Порядок проведения испытания

4.3.1  Испытания начинают спустя 15 мин после окончания циклов предварительного воздействия на образец заданным давлением согласно 4.2.3.

Испытание  проводят путем непрерывного дождевания образца при одновременном изменении перепадов давления в соответствии с градацией,  приведенной в таблице 2.

        

Таблица  2 — Значения перепадов давления и время их воздействия



Перепад давления, Па


Время воздействия, мин


20


10


30


10


50


5


100


5


150


5


200


5


300


5


Далее с интервалом 100


5 для каждого интервала


Примеры  построения графиков испытаний для конечного контрольного давления 300 и 700 Па приведены на рисунке 5.

    

Рисунок 5 — Примеры построения графиков испытаний оконных блоков на водопроницаемость

для конечного контрольного давления 300 и 700 Па

4.3.2  Испытание проводят до контрольного конечного перепада давления, установленного в программе испытаний (если не происходит сквозного проникновения воды через образец во время испытания).

4.3.3  При обнаружении сквозного проникновения воды через образец испытание прекращают и фиксируют в протоколе испытания перепад давления, при котором произошла протечка, время, прошедшее с начала испытания, и место, в котором произошло проникновение воды.

           

    4.4 Правила обработки и оформления результатов испытания

4.4.1  Устанавливают значение предела водонепроницаемости согласно 4.4.2.

Места  проникновения воды в образец, пути ее движения внутри образца и места выхода из образца указывают на чертеже изделия.

4.4.2.  В зависимости от значения предела водонепроницаемости классифицируют образец, исходя из условий, что протечка не должна наступать при:





600 Па — для образца класса А;




500 "    —   "         "           "       Б;




400 "    —   "         "           "       В;




300 "    —   "         "          "        Г;




150 "    —   "        "          "        Д.


В  случае, если предел водонепроницаемости имеет значение ниже 150 Па, буквенное обозначение класса образцу не присваивают.                  

  

4.4.3  Оформление результатов испытаний

Результаты  испытаний оформляют протоколом испытаний, в котором указывают:

—  наименование и номер аттестата аккредитации испытательного центра (лаборатории), проводившего испытания;

—  наименование и юридический адрес организации — заказчика испытаний;

—  наименование и юридический адрес организации — изготовителя испытываемой продукции;

—  наименование испытываемой продукции и нормативного документа, регламентирующего требования к ее качеству;

—  описание испытываемых образцов продукции: габаритные размеры, схема открывания, конструкция притворов, число рядов уплотняющих прокладок, наличие водосливных отверстий и др.;

—  дату поступления образцов в испытательный центр (лабораторию);

—  номер регистрации образцов в испытательном центре (лаборатории);

—  дату испытаний образцов;

—  данные результатов испытаний по 4.4.1 и значение предела водонепроницаемости;

—  класс образца по водопроницаемости;

—  подписи руководителя испытательного центра (лаборатории) и испытателя, печать испытательного центра.

ПРИЛОЖЕНИЕ А

(рекомендуемое)

          

Способы дождевания и описание применяемого оборудования

    А.1 Способ дождевания № 1

Схема  способа дождевания № 1 приведена на рисунке А.1.

При  испытании по схеме № 1 образец орошается водой из распылительных форсунок горизонтальных трубок (см. рисунок А.2).

Две  распределительные трубки устанавливают следующим образом: верхняя — на 150 мм выше верхнего бруска коробки оконного блока; вторая сверху — на 150 мм ниже верхнего бруска коробки.

Дополнительные  трубки устанавливают в том случае, если конструкция имеет горизонтальные импосты или другие горизонтальные детали, мешающие стоку воды. В этом случае дополнительные трубки устанавливают на 100-150 мм ниже горизонтальной преграды.

Угол  наклона струи по отношению к поверхности образца должен составлять 90-100°.

           

      

    А.2 Способ дождевания № 2

Схема  способа дождевания № 2 приведена на рисунке А.3.

При  испытании по схеме № 2 распылительные форсунки располагают квадратно-гнездовым способом с ячейкой [(400х400)±10] мм. Распылительный факел каждой форсунки должен несколько перекрывать площадь орошения смежных форсунок.

Верхний  ряд форсунок устанавливают на уровне верхнего бруска коробки оконного блока.

Расстояние  от форсунки до поверхности образца принимают (250±10) мм.

  

    А.3 Способ дождевания № 3

Схема  способа дождевания № 3 приведена на рисунке А.4.

Эта  схема включает в себя два контура дождевания.

Верхний  контур представляет из себя горизонтальную трубку с форсунками, обеспечивающими орошение стенки над окном из расчета 1,7 л/м в минуту по отношению к площади поверхности образца. Вода, поступающая из этого контура, должна обеспечивать поддержание на поверхности образца сплошной водяной пленки.

Второй  контур подвижный представляет собой трубу с форсунками, перемещающимися во время испытания вверх и вниз. Форсунки создают направленные распылительные факелы на поверхность образца. Угол наклона факелов к горизонтали — 10-20°, расход воды по второму контуру — 0,3 л/м в минуту, расстояние от форсунки до образца — 400 мм.

При  использовании любой из схем дождевания необходимо следить за тем, чтобы исключить прямое попадание воды из форсунок под отливы.

1 — образец, верхний брусок коробки; 2 — образец, горизонтальный импост; 3 — верхний неподвижный ряд форсунок; 4 — второй сверху неподвижный ряд форсунок; 5 — дополнительный ряд форсунок

Рисунок А.1 — Схема дождевания № 1


1 — форсунки; 2 — металлическая трубка; 3 — пластина для крепления трубки с форсунками;

4 — магнитные накладки для крепления элемента к стенке камеры; 5 — кронштейны; 6 — штуцер; 7 — шланг

Рисунок А.2 — Элемент дождевального оборудования (распределительная трубка)



1 — образец; 2 — форсунка дождевальной системы


Рисунок А.3 — Схема дождевания № 2



1 — образец; 2 — форсунка верхнего неподвижного ряда; 3 — подвижная форсунка

Рисунок А.4 — Схема дождевания № 3

ПРИЛОЖЕНИЕ Б

(информационное)

Сведения о разработчиках стандарта


Настоящий  стандарт разработан рабочей группой исполнителей в составе:

В.К.Савин,  д-р техн. наук, НИИСФ РААСН;

Ю.Н.Александров,  канд техн. наук, ЦНИИпромзданий;

Н.В.Шведов,  Госстрой России.

           

Текст документа сверен по:

официальное издание

Госстрой России —

М.: ГУП ЦПП, 2000

Предоставлено компанией .