ГОСТ 26919-86 Плиты подоконные железобетонные для жилых общественных и вспомогательных зданий Технические условия Reinforced concrete window boards for resideutial civil and auxiliary buildings Specifications

Автор: | 17.02.2015

ГОСТ 26919-86  

Группа Ж33


ГОСУДАРСТВЕННЫЙ СТАНДАРТ СОЮЗА ССР


ПЛИТЫ ПОДОКОННЫЕ ЖЕЛЕЗОБЕТОННЫЕ

ДЛЯ ЖИЛЫХ, ОБЩЕСТВЕННЫХ И ВСПОМОГАТЕЛЬНЫХ ЗДАНИЙ

Технические условия

Reinforced concrete window boards for resideutial,

civil and auxiliary buildings. Specifications


ОКП  58 9420

Дата введения 1987-07-01


1.  РАЗРАБОТАН Государственным комитетом по гражданскому строительству и архитектуре при Госстрое СССР

ИСПОЛНИТЕЛИ

Э.Л.Шахова  (руководитель темы); В.Н.Греков; Н.П.Каляпкина; А.А.Тучнин, канд. техн. наук; В.И.Деньщиков


2.  ВНЕСЕН Государственным комитетом по гражданскому строительству и архитектуре при Госстрое СССР

Зам.  председателя М.П.Коханенко


3.  УТВЕРЖДЕН И ВВЕДЕН В ДЕЙСТВИЕ Постановлением Государственного комитета СССР по делам строительства от 6 июня 1986 г. N 77

           

ВЗАМЕН  ГОСТ 6785-80 в части плит для жилых, общественных и вспомогательных зданий

Настоящий  стандарт распространяется на подоконные железобетонные плиты (далее плиты), изготовляемые из тяжелого и плотного силикатного бетонов и предназначенные для применения в жилых и общественных зданиях, а также в вспомогательных зданиях и помещениях промышленных и сельскохозяйственных предприятий.

Допускается  применять плиты в условиях воздействия агрессивной среды при соблюдении дополнительных требований, установленных проектной документацией в соответствии с требованиями СНиП 2.03.11-85 и СН 165-76 и указанных в заказе на изготовление плит.

1.ТИПЫ, ОСНОВНЫЕ ПАРАМЕТРЫ И РАЗМЕРЫ


1.1.  Плиты в звисимости от отделки верхних лицевых поверхностей подразделяют на три типа:

ПОШ  — с шлифованной мозаичной поверхностью;

ПОГ  — с глянцевой поверхностью;

ПОО  — с гладкой поверхностью, предназначенной под окраску.


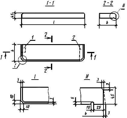
1.2.  Форма и размеры плит, а также их показатели материалоемкости должны соответствовать указанным на черт.1 и в табл.1.

1.3.  В случаях, предусмотренных проектной документацией, плиты могут иметь:

лицевой  профиль, отличающийся от указанного на черт.1 (с валиком, без капельника, с закругленными углами);

вырезы  в углах и срезы торцов.


1.4.  Плиты длиной до 1450 мм включительно предусмотрены для опирания на стену (с заведением в паз коробки оконного блока) при вылете свободной консоли не более, мм:

100  — для плит шириной до 200 мм;

150  — для плит шириной более 200 мм.

Плиты  длиной 1600 мм и более предусмотрены для опирания на стену и металлические кронштейны с приваркой к ним закладных изделий, расположенных в середине длины плиты или по торцам и в середине длины плиты (при ленточном остеклении).


1.5.  Плиты, при необходимости, изготовляют в двух вариантах исполнения: правом и левом — с вырезом в углу (срезом торца), расположенным соответственно на правом или левом торце плиты.


1.6.  Конструкции плит, а также арматурных и закладных изделий к ним приведены в обязательном приложении.


1.7.  Плиты следует обозначать марками в соответствии с требованиями ГОСТ 23009-78.

Марка  плит состоит из буквенно-цифровых групп, разделенных дефисами.

Первая  группа содержит обозначение типа плиты и ее габаритные размеры. Длину плиты указывают в дециметрах (значение которой округляют до целого числа), ширину — в сантиметрах.

Во  второй группе для плит, изготовляемых из плотного силикатного бетона, указывают вид бетона, обозначаемый прописной буквой "С".

В  третьей группе (или во второй группе марки плит, изготовляемых из тяжелого бетона) указывают:

наличие  в плите закладных изделий, обозначаемых арабскими цифрами: 1 — для плит с закладными изделиями, расположенными в середине длины плиты; 2 — для плит с закладными изделиями, расположенными по торцам и в середине длины плиты;

наличие  в плите вырезов в углах или срезов торцов, обозначаемых строчными буквами;

левый  вариант исполнения плиты, обозначаемый строчной буквой "л";

дополнительные  характеристики плит, применяемых в условиях воздействия агрессивных сред, — проницаемость бетона, обозначаемую прописными буквами: "Н" — нормальная, "П" — пониженная и "О" — особо низкая проницаемость.

Пример  условного обозначения (марки) плиты типа ПОШ, длиной 1300 мм, шириной 150 мм, из тяжелого бетона:


ПОШ13.15

То  же, плиты типа ПОГ, длиной 1600 мм, шириной 250 мм, из тяжелого бетона, с закладным изделием в середине длины плиты:


ПОГ16.25-1

То  же, плиты типа ПОО, длиной 2200 мм, шириной 350 мм, в правом варианте исполнения, из плотного силикатного бетона, с закладными изделиями по торцам и в середине длины плиты:


ПОО22.35-С-2



Подоконные плиты для жилых, общественных и

вспомогательных зданий

1 — вырез; 2  — срез торца; 3 — технологический уклон не более 3 мм

Черт.1

                                                           

Таблица 1









Код ОКП



Марка плиты


Основные размеры плиты, мм




Расход материалов


Масса плиты

(справочная), кг








l


b


Бетон, м


Сталь, кг





58 9421 1032


ПОШ7.15












58 9421 1097


ПОГ7.15










12


58 9421 1162


ПОО7.15


700




0,005


0,17




58 9424 0192


ПОШ7.15-C












58 9424 0257


ПОГ7.15-C










9


58 9424 0322


  

ПОО7.15-C


    

  

  

  

  

  

  

  

  

  

58 9421 1034


ПОШ10.15












58 9421 1099


ПОГ10.15










17


58 9421 1164


ПОО10.15


1000    

  

0,007    

0,36    

    

58 9424 0194


ПОШ10.15-C












58 9424 0259


ПОГ10.15-C










13


58 9424 0324


  

ПОО10.15-C


    

  

  

  

  

  

  

  

  

  

58 9421 1035


ПОШ13.15












58 9421 1100


ПОГ13.15










22


58 9421 1165


ПОО13.15   

1300  

  

0,009  

0,48  

    

58 9424 0195


ПОШ13.15-C












58 9424 0260


ПОГ13.15-C










17


58 9424 0325




ПОО13.15-C


    

  

  

  

  

  

  

  

  

  

58 9421 1036


ПОШ15.15












58 9421 1101


ПОГ15.15










24


58 9421 1166


ПОО15.15  

1450  

  

0,010  

0,74  

    

58 9424 0196


ПОШ15.15-C












58 9424 0261


ПОГ15.15-C










19


58 9424 0326


ПОО15.15-C     

  

  

150


    

  

  

  

  

  

  

58 9421 1057


ПОШ16.15-1












58 9421 1122


ПОГ16.15-1










27


58 9421 1187


ПОО16.15-1  

1600  

  

0,011  

0,70


    

58 9424 0217


ПОШ16.15-C-1












58 9424 0282


ПОГ16.15-C-1










21


58 9424 0347


  

ПОО16.15-C-1


    

  

  

  

  

  

  

  

  

  

58 9421 1058


ПОШ19.15-1












58 9421 1123


ПОГ19.15-1










32


58 9421 1188


ПОО19.15-1  

1900  

  

0,013  

0,75  

    

58 9424 0218


ПОШ19.15-C-1












58 9424 0283


ПОГ19.15-C-1










24


58 9424 0348


  

ПОО19.15-C-1


    

  

  

  

  

  

  

  

  

  

58 9421 1059


ПОШ22.15-1












58 9421 1124


ПОГ22.15-1










37


58 9421 1189


ПОО22.15-1       

2200  

  

0,015  

0,81    

    

58 9424 0219


ПОШ22.15-C-1












58 9424 0284


ПОГ22.15-C-1










28


58 9424 0349


  

ПОО22.15-C-1


    

  

  

  

  

  

  

  

  

  

58 9421 1060


ПОШ25.15-1












58 9421 1125


ПОГ25.15-1










42


58 9421 1190


ПОО25.15-1  

2500  

  

0,017  

1,00  

    

58 9424 0220


ПОШ25.15-C-1












58 9424 0285


ПОГ25.15-C-1










32


58 9424 0350


ПОО25.15-C-1


    

  

  

  

  

  

  

  

  

  

58 9421 1061


ПОШ28.15-1












58 9421 1126


ПОГ28.15-1










47


58 9421 1191


ПОО28.15-1  

2800  

  

0,019  

1,07  

    

58 9424 0221


ПОШ28.15-C-1












58 9424 0286


ПОГ28.15-C-1










36


58 9424 0351


  

ПОО28.15-C-1


    

  

  

  

  

  

  

  

  

  

  

58 9421 1037


ПОШ7.20












58 9421 1102


ПОГ7.20










16


58 9421 1167


ПОО7.20  

700  

200  

0,006  

0,17  

    

58 9424 0197


ПОШ7.20-C












58 9424 0262


ПОГ7.20-C










11


58 9424 0327


ПОО7.20-C


    

  

  

  

  

  

  

  

  

  

58 9421 1039


ПОШ10.20












58 9421 1104


ПОГ10.20










23


58 9421 1169


ПОО10.20  

1000  

    

0,009  

0,36  

    

58 9424 0199


ПОШ10.20-C












58 9424 0264


ПОГ10.20-C










17


58 9424 0329


  

ПОО10.20-C


    

  

  

  

  

  

  

  

  

  

58 9421 1040


ПОШ13.20












58 9421 1105


ПОГ13.20










29


58 9421 1170


ПОО13.20  

1300  

  

0,012  

0,49  

    

58 9424 0200


ПОШ13.20-C












58 9424 0265


ПОГ13.20-C










23


58 9424 0330


  

ПОО13.20-C


    

  

  

  

  

  

  

  

  

  

58 9421 1041


ПОШ15.20












58 9421 1106


ПОГ15.20










33


58 9421 1171


ПОО15.20  

1450  

  

0,013  

0,76  

    

58 9424 0201


ПОШ15.20-C












58 9424 0266


ПОГ15.20-C










25


58 9424 0331


  

ПОО15.20-C


  

  

200


    

  

  

  

  

  

  

58 9421 1062


ПОШ16.20-1












58 9421 1127


ПОГ16.20-1










36


58 9421 1192


ПОО16.20-1  

1600  

  

0,014  

0,72  

    

58 9424 0222


ПОШ16.20-C-1












58 9424 0287


ПОГ16.20-C-1










26


58 9424 0352


ПОО16.20-C-1


  

  

  

  

  

  

  

  

  

  

58 9421 1062


ПОШ19.20-1












58 9421 1128


ПОГ19.20-1










43


58 9421 1193


ПОО19.20-1   

1900




0,017


0,78




58 9424 0223


ПОШ19.20-C-1












58 9424 0288


ПОГ19.20-C-1










32


58 9424 0353


 

ПОО19.20-C-1


    



















58 9421 1064


ПОШ22.20-1












58 9421 1129


ПОГ22.20-1










50


58 9421 1194


ПОО22.20-1  

2200




0,020


0,94




58 9424 0224


ПОШ22.20-C-1












58 9424 0289


ПОГ22.20-C-1










38


58 9424 0354




ПОО22.20-C-1


    

  

  

  

  

  

  

  

  

  

58 9421 1065


ПОШ25.20-1












58 9421 1130


ПОГ25.20-1










56


58 9421 1195


ПОО25.20-1  

2500  

  

0,023  

1,02  

    

58 9424 0225


ПОШ25.20-C-1












58 9424 0290


ПОГ25.20-C-1










44


58 9424 0355




ПОО25.20-C-1  

  

  

    

  

  

  

  

  

  

58 9421 1066


ПОШ28.20-1












58 9421 1131


ПОГ28.20-1










63


58 9421 1196


ПОО28.20-1  

2800  

  

0,025  

1,43  

    

58 9424 0226


ПОШ28.20-C-1












58 9424 0291


ПОГ28.20-C-1










48


58 9424 0356


ПОО28.20-C-1


    

  

  

  

  

  

  

  

  

  

  

58 9421 1042


ПОШ7.25












58 9421 1107


ПОГ7.25










20


58 9421 1172


ПОО7.25  

700  

250  

0,008  

0,18  

    

58 9424 0202


ПОШ7.25-C












58 9424 0267


ПОГ7.25-C










15


58 9424 0332


  

ПОО7.25-C


    

  

  


  

  

  

  

  

  

  

58 9421 1044


ПОШ10.25












58 9421 1109


ПОГ10.25










28


58 9421 1174


ПОО10.25  

1000  

  

0,011  

0,37  

    

58 9424 0204


ПОШ10.25-C












58 9424 0269


ПОГ10.25-C










21


58 9424 0334


  

ПОО10.25-C


    

  

  

  

  

  

  

  

  

  

58 9421 1045


ПОШ13.25












58 9421 1110


ПОГ13.25










37


58 9421 1175


ПОО13.25


1300  

  

0,014  

0,51  

    

58 9424 0205


ПОШ13.25-C












58 9424 0270


ПОГ13.25-C










26


58 9424 0335


 

ПОО13.25-C


    

  

  

  

  

  

  

  

  

  

58 9421 1046


ПОШ15.25












58 9421 1111


ПОГ15.25










41


58 9421 1176


ПОО15.25  

1450  

  

0,016  

0,77  

    

58 9424 0206


ПОШ15.25-C












58 9424 0271


ПОГ15.25-C










30


58 9424 0336


 

ПОО15.25-C


    

  

  

250


    

  

  

  

  

  

  

58 9421 1067


ПОШ16.25-1












58 9421 1132


ПОГ16.25-1










45


58 9421 1197


ПОО16.25-1  

1600  

  

0,018  

0,73  

    

58 9424 0227


ПОШ16.25-C-1












58 9424 0292


ПОГ16.25-C-1










34


58 9424 0357


  

ПОО16.25-C-1


    

  

  

  

  

  

  

  

  

  

58 9421 1068


ПОШ19.25-1












58 9421 1133


ПОГ19.25-1










53


58 9421 1198


ПОО19.25-1  

1900  

  

0,021  

0,89  

    

58 9424 0228


ПОШ19.25-C-1












58 9424 0293


ПОГ19.25-C-1










40


58 9424 0358


ПОО19.25-C-1


   

  

  

  

  

  

  

  

  

  

58 9421 1069


ПОШ22.25-1












58 9421 1134


ПОГ22.25-1










62


58 9421 1199


ПОО22.25-1  

2200  

  

0,025  

0,97  

    

58 9424 0229


ПОШ22.25-C-1












58 9424 0294


ПОГ22.25-C-1










47


58 9424 0359


ПОО22.25-C-1


    

  

  

  

  

  

  

  

  

  

58 9421 1070


ПОШ25.25-1












58 9421 1135


ПОГ25.25-1










70


58 9421 1200


ПОО25.25-1  

2500  

  

0,028  

1,33  

    

58 9424 0230


ПОШ25.25-C-1












58 9424 0295


ПОГ25.25-C-1










53


58 9424 0360


  

ПОО25.25-C-1


    

  

  

  

  

  

  

  

  

  

58 9421 1071


ПОШ28.25-1












58 9421 1136


ПОГ28.25-1










79


58 9421 1201


ПОО28.25-1  

2800  

  

0,032  

1,46  

    

58 9424 0231


ПОШ28.25-C-1












58 9424 0296


ПОГ28.25-C-1










60


58 9424 0361


  

ПОО28.25-C-1


    

  

  

  

  

  

  

  

  

  

  

58 9421 1047


ПОШ7.35












58 9421 1112


ПОГ7.35










28


58 9421 1177


ПОО7.35  

700  

  

0,011  

0,20  

    

58 9424 0207


ПОШ7.35-C












58 9424 0272


ПОГ7.35-C










20


58 9424 0337


 

ПОО7.35-C


    

  

  

  

  

  

  

  

  

  

58 9421 1049


ПОШ10.35












58 9421 1114


ПОГ10.35










39


58 9421 1179


ПОО10.35  

1000  

  

0,016  

0,33  

    

58 9424 0209


ПОШ10.35-C












58 9424 0274


ПОГ10.35-C










30


58 9424 0339


  

ПОО10.35-C


    

  

  

  

  

  

  

  

  

  

58 9421 1050


ПОШ13.35












58 9421 1115


ПОГ13.35










51


58 9421 1180


ПОО13.35  

1300  

  

0,020  

0,63  

    

58 9424 0210


ПОШ13.35-C












58 9424 0275


ПОГ13.35-C










37


58 9424 0340


  

ПОО13.35-C


    

  

  

  

  

  

  

  

  

  

58 9421 1051


ПОШ15.35












58 9421 1116


ПОГ15.35










57


58 9421 1181


ПОО15.35  

1450  

  

0,023  

0,72  

    

58 9424 0211


ПОШ15.35-C












58 9424 0276


ПОГ15.35-C










43


58 9424 0341


  

ПОО15.35-C


    

  

  

350


    

  

  

  

  

  

  

58 9421 1072


ПОШ16.35-1












58 9421 1137


ПОГ16.35-1










63


58 9421 1202


ПОО16.35-1  

1600  

  

0,025  

0,85  

    

58 9424 0232


ПОШ16.35-C-1












58 9424 0297


ПОГ16.35-C-1










47


58 9424 0362




ПОО16.35-C-1


    

  

  

  

  

  

  

  

  

  

58 9421 1073


ПОШ19.35-1












58 9421 1138


ПОГ19.35-1










75


58 9421 1203


ПОО19.35-1


1900  

  

0,030  

0,93  

    

58 9424 0233


ПОШ19.35-C-1












58 9424 0298


ПОГ19.35-C-1










56


58 9424 0363


 

ПОО19.35-C-1


    

  

  


  

  

  

  

  

  

  

58 9421 1074


ПОШ22.35-1












58 9421 1139


ПОГ22.35-1










87


58 9421 1204


ПОО22.35-1  

2200  

  

0,035  

1,03  

    

58 9424 0234


ПОШ22.35-C-1












58 9424 0299


ПОГ22.35-C-1










65


58 9424 0364


  

ПОО22.35-C-1


    

  

  

  

  

  

  

  

  

  

58 9421 1075


ПОШ25.35-1












58 9421 1140


ПОГ25.35-1










98


58 9421 1205


ПОО25.35-1  

2500  

  

0,039  

1,62  

    

58 9424 0235


ПОШ25.35-C-1












58 9424 0300


ПОГ25.35-C-1










73


58 9424 0365


ПОО25.35-C-1


    

  


  

  

 

  

  

  

  

58 9421 1076


ПОШ28.35-1












58 9421 1141


ПОГ28.35-1










110


58 9421 1206


ПОО28.35-1


2800


  

0,040


1,77


    

58 9424 0236


ПОШ28.35-C-1












58 9424 0301


ПОГ28.35-C-1










75


58 9424 0366


 

ПОО28.35-C-1


    

  

  

  

  

  

  

  

  

  

  

58 9421 1052


ПОШ7.45












58 9421 1117


ПОГ7.45










35


58 9421 1182


ПОО7.45   

700  

  

0,014   

0,21  

    

58 9424 0212


ПОШ7.45-C












58 9424 0277


ПОГ7.45-C










26


58 9424 0342


  

ПОО7.45-C


  

  

  


  

  

  

  

  

  

  

58 9421 1054


ПОШ10.45












58 9421 1119


ПОГ10.45










51


58 9421 1184


ПОО10.45  

1000


  

0,020   

0,35  

    

58 9424 0214


ПОШ10.45-C












58 9424 0279


ПОГ10.45-C










37


58 9424 0344


  

ПОО10.45-C


    

  

  


  

  

  

  

  

  

  

58 9421 1055


ПОШ13.45












58 9421 1120


ПОГ13.45










66


58 9421 1185


ПОО13.45   

1300  

  

0,026   

0,65  

    

58 9424 0215


ПОШ13.45-C












58 9424 0280


ПОГ13.45-C










48


58 9424 0345


  

ПОО13.45-C


    

  

  

  

  

  

  

  

  

  

58 9421 1056


ПОШ15.45












58 9421 1121


ПОГ15.45










73


58 9421 1186


ПОО15.45   

1450  

  

0,029   

0,75  

    

58 9424 0216


ПОШ15.45-C












58 9424 0281


ПОГ15.45-C










54


58 9424 0346


  

ПОО15.45-C


    

  

  

450


    

  

  

  

  

  

  

58 9421 1077


ПОШ16.45-1












58 9421 1142


ПОГ16.45-1










81


58 9421 1207


ПОО16.45-1  

1600  

  

0,033  

0,96  

    

58 9424 0237


ПОШ16.45-C-1












58 9424 0302


ПОГ16.45-C-1










62


58 9424 0367


  

ПОО16.45-C-1


    

  

  

  

  

  

  

  

  

  

58 9421 1078


ПОШ19.45-1












58 9421 1143


ПОГ19.45-1










96


58 9421 1208


ПОО19.45-1  

1900  

  

0,039  

1,08  

    

58 9424 0238


ПОШ19.45-C-1












58 9424 0303


ПОГ19.45-C-1










73


58 9424 0368


ПОО19.45-C-1


   

  

  

  

  

  

  

  

  

  

58 9421 1079


ПОШ22.45-1












58 9421 1144


ПОГ22.45-1










113


58 9421 1209


ПОО22.45-1  

2200  

  

0,045  

1,31  

    

58 9424 0239


ПОШ22.45-C-1












58 9424 0304


ПОГ22.45-C-1










84


58 9424 0369


 

ПОО22.45-C-1


    

  

  

  

  

  

  

  

  

  

58 9421 1080


ПОШ25.45-1












58 9421 1145


ПОГ25.45-1










127


58 9421 1210


ПОО25.45-1  

2500  

  

0,051  

1,68


    

58 9424 0240


ПОШ25.45-C-1












58 9424 0305


ПОГ25.45-C-1










95


58 9424 0370


ПОО25.45-C-1


    

  

  

  

  

  

  

  

  

  

58 9421 1081


ПОШ28.45-1












58 9421 1146


ПОГ28.45-1










110


58 9421 1211


ПОО28.45-1  

2800  

  

0,057  

2,40  

    

58 9424 0241


ПОШ28.45-C-1












58 9424 0306


ПОГ28.45-C-1










107


58 9424 0371


 

ПОО28.45-C-1


  

  

  

  

  

  

  

  

  

  

  

58 9421 1082


ПОШ22.15-2












58 9421 1147


ПОГ22.15-2










37


58 9421 1212


ПОО22.15-2  

2200  

  

0,015  

1,59  

    

58 9424 0242


ПОШ22.15-C-2












58 9424 0307


ПОГ22.15-C-2










28


58 9424 0372


 

ПОО22.15-C-2


    

  

  

  

  

  

  

  

  

  

58 9421 1083


ПОШ25.15-2












58 9421 1148


ПОГ25.15-2










42


58 9421 1213


ПОО25.15-2  

2500  

150  

0,017  

1,78  

    

58 9424 0243


ПОШ25.15-C-2












58 9424 0308


ПОГ25.15-C-2










32


58 9424 0373




ПОО25.15-C-2


   

  

  

  

  

  

  

  

  

  

58 9421 1084


ПОШ28.15-2












58 9421 1149


ПОГ28.15-2










47


58 9421 1214


ПОО28.15-2  

2800  

  

0,019  

1,85  

    

58 9424 0244


ПОШ28.15-C-2












58 9424 0309


ПОГ28.15-C-2










36


58 9424 0374


  

ПОО28.15-C-2


    

  

  

  

  

  

  

  

  

  

  

58 9421 1085


ПОШ22.20-2












58 9421 1150


ПОГ22.20-2










50


58 9421 1215


ПОО22.20-2  

2200  

  

0,020  

1,7  

    

58 9424 0245


ПОШ22.20-C-2












58 9424 0310


ПОГ22.20-C-2










38


58 9424 0375


  

ПОО22.20-C-2


    

  

  


  

  

  

  

  

  

  

58 9421 1086


ПОШ25.20-2












58 9421 1151


ПОГ25.20-2










56


58 9421 1216


ПОО25.20-2   

2500   

200  

0,023  

1,80  

    

58 9424 0246


ПОШ25.20-C-2












58 9424 0311


ПОГ25.20-C-2










44


58 9424 0376


  

ПОО25.20-C-2


    

  

  


  

  

  

  

  

  

  

58 9421 1087


ПОШ28.20-2












58 9421 1152


ПОГ28.20-2










63


58 9421 1217


ПОО28.20-2   

2800  

  

0,025  

2,21  

    

58 9424 0247


ПОШ28.20-C-2












58 9424 0312


ПОГ28.20-C-2










48


58 9424 0377


  

ПОО28.20-C-2


    

  

  

  

  

  

  

  

  

  

  

58 9421 1088


ПОШ22.25-2












58 9421 1153


ПОГ22.25-2










62


58 9421 1218


ПОО22.25-2   

2200   

  

0,025   

1,75  

    

58 9424 0248


ПОШ22.25-C-2












58 9424 0313


ПОГ22.25-C-2










47


58 9424 0378


ПОО22.25-C-2


    

  

  

  

  

  

  

  

  

  

58 9421 1089


ПОШ25.25-2












58 9421 1154


ПОГ25.25-2










70


58 9421 1219


ПОО25.25-2


2500  

250  

0,028  

2,11  

    

58 9424 0249


ПОШ25.25-C-2












58 9424 0314


ПОГ25.25-C-2










53


58 9424 0379


  

ПОО25.25-C-2


    

  

  

  

  

  

  

  

  

  

58 9421 1090


ПОШ28.25-2












58 9421 1155


ПОГ28.25-2










79


58 9421 1220


ПОО28.25-2  

2800  

  

0,032  

2,24  

    

58 9424 0250


ПОШ28.25-C-2












58 9424 0315


ПОГ28.25-C-2










60


58 9424 0380


ПОО28.25-C-2  

    

    

    

  

  

  

  

58 9421 1091


ПОШ22.35-2












58 9421 1156


ПОГ22.35-2










87


58 9421 1221


ПОО22.35-2  

2200  

  

0,035  

1,91  

    

58 9424 0251


ПОШ22.35-C-2












58 9424 0316


ПОГ22.35-C-2










65


58 9424 0381


  

ПОО22.35-C-2


    

  

  

  

  

  

  

  

  

  

58 9421 1092


ПОШ25.35-2












58 9421 1157


ПОГ25.35-2










98


58 9421 1222


ПОО25.35-2  

2500  

350  

0,039  

2,40  

    

58 9424 0252


ПОШ25.35-C-2












58 9424 0317


ПОГ25.35-C-2










73


58 9424 0382


  

ПОО25.35-C-2


    

  

  

  

  

  

  

  

  

  

58 9421 1093


ПОШ28.35-2












58 9421 1158


ПОГ28.35-2










110


58 9421 1223


ПОО28.35-2  

2800  

  

0,040  

2,55  

    

58 9424 0253


ПОШ28.35-C-2












58 9424 0318


ПОГ28.35-C-2










75


58 9424 0383


ПОО28.35-C-2


   

  

  

  

  

  

  

  

  

  

  

58 9421 1094


ПОШ22.45-2












58 9421 1159


ПОГ22.45-2










113


58 9421 1224


ПОО22.45-2  

2200  

  

0,045  

2,09  

    

58 9424 0254


ПОШ22.45-C-2












58 9424 0319


ПОГ22.45-C-2










84


58 9424 0384


ПОО22.45-C-2


  

  

  

  

  

  

  

  

  

  

58 9421 1095


ПОШ25.45-2












58 9421 1160


ПОГ25.45-2










127


58 9421 1225


ПОО25.45-2  

2500  

450  

0,051  

2,46  

    

58 9424 0255


ПОШ25.45-C-2












58 9424 0320


ПОГ25.45-C-2










95


58 9424 0385


ПОО25.45-C-2


   

  

  

  

  

  

  

  

  

  

58 9421 1096


ПОШ28.45-2












58 9421 1161


ПОГ28.45-2










142


58 9421 1226


ПОО28.45-2  

2800  

  

0,057


3,18  

    

58 9424 0256


ПОШ28.45-C-2












58 9424 0321


ПОГ28.45-C-2










107


58 9424 0386


  

ПОО28.45-C-2


    

  

  

  

  

  

  

  

  

  

  

Примечания:


1.  В марках плит по табл.1 не указаны варианты исполнения плит (п.1.5).


2.  В случае устройства в плитах вырезов в углах или срезов торцов (п.1.3) расход бетона и стали на плиту, указанный в табл.1, следует соответственно изменить.


3.  Масса плит приведена для плит из тяжелого бетона средней плотности 2400 кгс/и плотного силикатного бетона — 1800 кгс/.


2.ТЕХНИЧЕСКИЕ ТРЕБОВАНИЯ


2.1.  Плиты следует изготовлять в соответствии с требованиями настоящего стандарта и технологической документации, утвержденной в установленном порядке.


2.2.  Плиты должны удовлетворять требованиям ГОСТ 13015.0-83:

по  прочности;

по  показателям фактической прочности бетона (в проектном возрасте и отпускной);

по  морозостойкости бетона;

к  качеству материалов, применяемых для приготовления бетона;

к  бетону плит, применяемых в условиях воздействия агрессивных сред;

к  качеству арматурных и закладных изделий и их положению в плите;

к  маркам сталей для арматурных и закладных изделий;

по  отклонению толщины защитного слоя бетона;

по  защите от коррозии;

по  применению форм для изготовления плит.


2.3.  Плиты следует изготовлять из бетона класса по прочности на сжатие В15.


2.4.  Коэффициент вариации прочности бетона по сжатию в партии для плит высшей категории качества не должен быть более:

9%  — для тяжелого бетона;

10%  — для плотного силикатного бетона.


2.5.  Значение нормируемой отпускной прочности бетона плит в процентах от класса бетона по прочности на сжатие следует принимать равным:

70  — для плит из тяжелого бетона;

100  — для плит из плотного силикатного бетона.

При  поставке плит из тяжелого бетона в холодный период года допускается повышать нормируемую отпускную прочность бетона, но не более 80% класса по прочности на сжатие. Значение нормируемой отпускной прочности тяжелого бетона следует принимать по проектной документации на конкретное здание в соответствии с требованиями ГОСТ 13015.0-83.


2.6.  Плотный силикатный бетон должен иметь среднюю плотность (в высушенном до постоянной массы состоянии) не менее 1800 кг/м.

2.7.  Арматурная сталь должна удовлетворять требованиям:

cтержневая  арматурная сталь класса A-III — ГОСТ 5781-82;

проволока  класса Вр-I — ГОСТ 6727-80.


2.8.  Форма и размеры сварных арматурных сеток, закладных изделий и их положение в плитах должны соответствовать указанным в обязательном приложении.


2.9.  Арматуру в плитах из плотного силикатного бетона, предназначенных для применения в помещениях с относительной влажностью внутреннего воздуха свыше 60%, следует защищать от коррозии. Способ защиты арматуры должен соответствовать установленному проектной документацией (согласно требованиям СН 165-76) и указанному в заказе на изготовление плит.


2.10.  Значения действительных отклонений геометрических параметров плит не должны превышать предельных, указанных в табл.2.


                                                           

Таблица 2

 

мм  




Наименование отклонения

геометрического параметра



Наименование геометрического параметра



Пред. откл.


 Отклонения линейных размеров


 Длина плиты


±5


               

 Ширина плиты


±3


                         

 Толщина плиты


±2


                         

 Положение закладного изделия:

     



                         

 в плоскости плиты

     

5


                         

 из плоскости плиты

     

2


 Отклонение от прямолинейности

                         

 Прямолинейность лицевого профиля поверхности плиты в любом сечении на всей длине плиты длиной 700-1300



±2


                         

 То же, плиты длиной 1450-2800


±3


 Отклонение от плоскостности


 Плоскостность лицевой поверхности плиты относительно прилегающей плоскости



3



2.11.  Устанавливаются следующие категории бетонных поверхностей плиты:

А0  или А1 — лицевой шлифованной или глянцевой;

А2  — лицевой гладкой, предназначенной под окраску;

А7  — нелицевой, невидимой в условиях эксплуатации.

Требования  к качеству поверхностей и внешнему виду плит — по ГОСТ 13015.0-83 и настоящему стандарту.


2.11.1.  Верхняя лицевая поверхность плит одной партии должна иметь одинаковый цвет и тон окраски.

Расположение  мраморного щебня на лицевых шлифованных поверхностях плит должно быть равномерным или предусмотренным проектной документацией на конкретное здание и заказом. В первом случае участки без мраморного щебня площадью более 3 см не допускаются.

2.11.2.  На поверхностях плит не допускаются трещины в бетоне, за исключением усадочных и других местных технологических шириной не более 0,1 мм на нижней поверхности плит.


2.11.3.  Плиты высшей категории качества должны быть типов ПОШ или ПОГ.


3.ПРАВИЛА ПРИЕМКИ


3.1.  Приемку плит следует проводить партиями в соответствии с требованиями ГОСТ 13015.1-81 и настоящего стандарта.


3.2.  Приемку плит по показателям их прочности, морозостойкости бетона следует проводить по результатам периодических испытаний.


3.3.  Приемку плит по показателям прочностии бетона (классу бетона по прочности на сжатие и отпускной прочности бетона), средней плотности плотного силикатного бетона, соответствия арматурных и закладных изделий требованиям обязательного приложения, прочности сварных соединений, точности геометрических параметров, толщины защитного слоя бетона до арматуры, ширины раскрытия усадочных трещин, категории бетонной поверхности следует проводить по результатам приемо-сдаточных испытаний.


3.4.  При приемке плит по показателям точности геометрических параметров, толщины защитного слоя бетона до арматуры, ширины раскрытия усадочных трещин и категории бетонной поверхности следует применять одноступенчатый выборочный контроль.


3.5.  Приемку плит по наличию закладных изделий, правильности нанесения маркировочных надписей и знаков, соответствию вида отделки установленным требованиям к эталону следует проводить путем сплошного контроля с отбраковкой плит, имеющих дефекты по указанным показателям.


4. МЕТОДЫ КОНТРОЛЯ


4.1.  Испытания плит нагружением для определения их прочности следует проводить по достижении бетоном прочности, соответствующей классу по прочности на сжатие.

Прочность  плит следует контролировать по ГОСТ 8829-85.


4.1.1.Схема  опирания и загружения плиты при испытании ее нагружением приведена на черт.2, а значения контрольных нагрузок при проверке прочности плит указаны в табл.3.


1- подвижная опора; 2 — неподвижная опора; 3 — подоконная плита.

Черт.2

                                                          

 Таблица 3





Значение коэффициента С


Контрольная нагрузка по проверке прочности плиты q,

кПа (кгс/м), при которой





плита признается годной


требуется повторное испытание плиты


1,4


1,23 (125)

1,04 (105)


1,6


1,57 (160)

1,33 (135)


Примечания:


1.  Значения контрольных нагрузок указаны без учета веса плиты.


2.  Значение коэффициента С принимают в зависимости от возможного характера разрушения плиты согласно ГОСТ 8829-85.

4.2.  Прочность бетона на сжатие следует определять по ГОСТ 10180-78 на серии образцов, изготовленных из бетонной смеси рабочего состава и хранившихся в условиях, установленных ГОСТ 18105.1-80.

При  испытании плит неразрушающими методами фактическую отпускную прочность бетона на сжатие следует определять ультразвуковым методом по ГОСТ 17624-78 или приборами механического действия по ГОСТ 22690.0-77 — ГОСТ 22690.4-77, а также другими методами, предусмотренными стандартами на методы испытания бетона.


4.3.  Морозостойкость бетона следует определять по ГОСТ 10060-76 на серии образцов, изготовленных из бетонной смеси рабочего состава.


4.4.  Среднюю плотность плотного силикатного бетона следует определять по ГОСТ 12730.0-78 и ГОСТ 12730.1-78 на серии образцов, изготовленных из бетонной смеси рабочего состава.


4.5.  Методы контроля и испытаний сварных арматурных и закладных изделий — по ГОСТ 10922-75.


4.6.  Положение арматурных и закладных изделий, а также толщину защитного слоя бетона до арматуры следует определять по ГОСТ 17625-83 и ГОСТ 22904-78.


4.7.  Размеры плит, отклонения от прямолинейности и плоскостности верхних лицевых поверхностей качеству бетонных поверхностей, ширину раскрытия усадочных трещин и внешний вид плит следует проверять методами, установленными ГОСТ 13015-75.

5.МАРКИРОВКА, ТРАНСПОРТИРОВАНИЕ И ХРАНЕНИЕ


5.1.  Маркировка плит — по ГОСТ 13015.2-81.

Маркировочные  надписи и знаки следует наносить на нелицевой поверхности плит.

Допускается  по соглашению изготовителя с потребителем и проектной организацией — автором проекта конкретного здания вместо марок наносить на плиты их сокращенные условные обозначения, принятые в проектной документации.


5.2.  Требования к документу о качестве плит, поставляемых потребителю, — по ГОСТ 13015.3-81.


5.3.  Транспортировать и хранить плиты следует в соответствии с требованиями ГОСТ 13015.4-84 и настоящего стандарта.


5.3.1.  Плиты следует транспортировать и хранить в контейнерах или пакетах.


5.3.2.  Плиты следует укладывать на нелицевую грань шириной 45 мм лицевыми поверхностями вплотную одна к другой. Подкладки под нижний ряд и прокладки между рядами плит должны быть толщиной не менее 25 мм и уложены на расстоянии от торцов плит:

100  мм — для плит длиной 700-1000 мм;

200  мм — для плит длиной 1300-2800 мм.


5.3.3.  Грузовые стропы и другие захватные приспособления применяемые для погрузки, разгрузки и складирования плит, в местах соприкосновения их с плитами должны иметь мягкое покрытие.

Приложение

Обязательное

КОНСТРУКЦИЯ ПЛИТ, АРМАТУРНЫХ И ЗАКЛАДНЫХ ИЗДЕЛИЙ К НИМ


1.  Положение сварных арматурных сеток и закладных изделий в плитах должно соответствовать указанному:

на  черт.1 — для плит длиной 700-1450 мм;

на  черт.2 и в табл.1 — для плит длиной 1600-2800 мм (с одним закладным изделием);

на  черт.3 и в табл.2 — для плит длиной 2200-2800 мм (с тремя закладными изделиями).

Спецификация  арматурных и закладных изделий и выборка стали на одну плиту приведены в табл.3.


2.Форма  и размеры арматурных сеток должны соответствовать указанным на черт.4 и в табл.4, а закладных изделий — на черт.5.

Спецификация  и выборка стали на одну арматурную сетку приведены в табл.5, а на одно закладное изделие — в табл.6.


3.  Марки плит на чертежах и в таблицах настоящего обязательного приложения приведены без указания вида бетона и отделки верхних лицевых поверхностей плит.


Плиты длиной 700-1450 мм

Черт.1


Таблица 1

                                                        

Размеры в мм







Марка плиты


а


Марка плиты


а


Марка плиты


а


  ПО 16.15-1  

770


  ПО 25.20-1  

1220


  ПО 19.35-1  

920


              

  ПО 19.15-1  


920


              

  ПО 28.20-1  


1370


              

  ПО 22.35-1  


1070


              

  ПО 22.15-1  


1070


              

  ПО 16.25-1  


770


              

  ПО 25.35-1  


1220


              

  ПО 25.15-1  


1220


              

  ПО 19.25-1  


920


              

  ПО 28.35-1  


1370


              

  ПО 28.15-1  


1370


              

  ПО 22.25-1  


1070


              

  ПО 16.45-1  


770


              

  ПО 16.20-1  


770


              

  ПО 25.25-1  


1220


              

  ПО 19.45-1  


920


              

  ПО 19.20-1  


920


              

  ПО 28.25-1  


1370


              

  ПО 22.45-1  


1070


              

  ПО 22.20-1  

              


1070


              

  ПО 16.35-1  

              


770


              

  ПО 25.45-1

      

  ПО 28.45-1  


1220

1370


Плиты длиной 1600-2800 мм

(с одним закладным изделием)

1 — сетка; 2 — закладное изделие М1.

Черт.2

                                                           

Таблица 2

Размеры в мм







Марка плиты


а


Марка плиты


а


Марка плиты


а


  ПО 22.15-2  

1070


  ПО 28.20-2  

1370


  ПО 25.35-2


1220


              

  ПО 25.15-2  


1220


              

  ПО 22.25-2  


1070


              

  ПО 28.35-2  


1370


              

  ПО 28.15-2  


1370


              

  ПО 25.25-2  


1220


              

  ПО 22.45-2  


1070


              

  ПО 22.20-2  


1070


              

  ПО 28.25-2  


1370


              

  ПО 25.45-2  


1220


              

  ПО 25.20-2  


1220


              

  ПО 22.35-2  


1070


              

  ПО 28.45-2  


1370


Плиты длиной 2200-2800 мм

(с тремя закладными изделиями)

               

1 — сетка; 2 — закладное изделие М1; 3 — закладное изделие М2.

Черт.3


Таблица 3

Спецификация арматурных и закладных изделий и выборка стали

на одну плиту



















Сетка


Закладное изделие


Выборка стали, кг










Арматурное изделие


Закладное изделие














    







Мар-

ка




Ко-

ли- чес-

тво


Мар-

ка




Ко-

ли- чес-

тво


Арматурная сталь по ГОСТ 6727-80


Арматурная сталь по ГОСТ 5781-82


Полосовая сталь по

ГОСТ 103-76










Марка плиты


  

  

  

  

  

  

 

Класс Вр-I


Класс A-III


Марка

ВСт3кп2 по ГОСТ 380-71





Всего






    



  

Диаметр, мм




Диаметр




    

Итого






  













3


4


5


Итого


8 мм


Итого


-60х6


Итого








ПО 7.15


С1




0,17


0,17


0,17


ПО 10.15


С2





0,09


0,27


0,36


0,36


ПО 13.15


С12




0,11


0,37


0,48


0,48


ПО 15.15


С3





0,13


0,62


0,75


0,75


ПО 16.15-1

     

С13








0,31


0,31


0,22


0,22


0,17


0,17


0,39


0,70


ПО 19.15-1

     

С14








0,36


0,36


0,22


0,22


0,17


0,17


0,39


0,75


ПО 22.15-1

     

С15




М1


1


0,42


0,42


0,22


0,22


0,17


0,17


0,39


0,81


ПО 25.15-1

     

С4








0,60


0,60


0,22


0,22


0,17


0,17


0,39


0,99


ПО 28.15-1


С5









0,68


0,68


0,22


0,22


0,17


0,17


0,39


1,07


ПО 7.20


С6




0,18


0,18


0,18


ПО 10.20


С7




0,10


0,27


0,37


0,37


ПО 13.20


С16




0,12


0,37


0,49


0,49


ПО 15.20


С8





0,14


0,62


0,76


0,76


ПО 16.20-1


С17








0,33


0,33


0,22


0,22


0,17


0,17


0,39


0,72


ПО 19.20-1


С18








0,38


0,38


0,22


0,22


0,17


0,17


0,39


0,77


ПО 22.20-1


С9




М1


1


0,56


0,56


0,22


0,22


0,17


0,17


0,39


0,95


ПО 25.20-1


С10








0,63


0,63


0,22


0,22


0,17


0,17


0,39


1,02


ПО 28.20-1


С11









0,27


0,77


1,04


0,22


0,22


0,17


0,17


0,39


1,43


ПО 7.25


С19




0,18


0,18


0,18


ПО 10.25


С20




0,11


0,27


0,38


0,38


ПО 13.25


С21




0,14


0,37


0,51


0,51


ПО 15.25


С22





0,16


0,62


0,78


0,78


ПО 16.25-1


С23








0,34


0,34


0,22


0,22


0,17


0,17


0,39


0,73


ПО 19.25-1


С24








0,50


0,50


0,22


0,22


0,17


0,17


0,39


0,89


ПО 22.25-1


С25




М1


1


0,58


0,58


0,22


0,22


0,17


0,17


0,39


0,97


ПО 25.25-1


С26


1






0,27


0,68


0,95


0,22


0,22


0,17


0,17


0,39


1,34


ПО 28.25-1


С27









0,30


0,77


1,07


0,22


0,22


0,17


0,17


0,39


1,46


ПО 7.35


С28




0,20


0,20


0,20


ПО 10.35


С29




0,33


0,33


0,33


ПО 13.35


С30




0,16


0,47


0,63


0,63


ПО 15.35


С31





0,19


0,53


0,72


0,72


ПО 16.35-1


С32








0,46


0,46


0,22


0,22


0,17


0,17


0,39


0,85


ПО 19.35-1


С33








0,54


0,54


0,22


0,22


0,17


0,17


0,39


0,93


ПО 22.35-1


С34




М1


1


0,74


0,74


0,22


0,22


0,17


0,17


0,39


1,03


ПО 25.35-1


С35








0,32


0,91


1,23


0,22


0,22


0,17


0,17


0,39


1,62


ПО 28.35-1


С36









0,36


1,02


1,38


0,22


0,22


0,17


0,17


0,39


1,77


ПО 7.45


С37




0,21


0,21


0,21


ПО 10.45


С38




0,35


0,35


0,35


ПО 13.45


С30




0,19


0,47


0,66


0,66


ПО 15.45


С40





0,22


0,53


0,75


0,75


ПО 16.45-1


С41








0,58


0,58


0,22


0,22


0,17


0,17


0,39


0,97


ПО 19.45-1


С42








0,68


0,68


0,22


0,22


0,17


0,17


0,39


1,07


ПО 22.45-1


С43




М1


1


0,33


0,60


0,93


0,22


0,22


0,17


0,17


0,39


1,32


ПО 25.45-1


С44








0,37


0,91


1,28


0,22


0,22


0,17


0,17


0,39


1,67


ПО 28.45-1


С45









0,41


1,60


2,01


0,22


0,22


0,17


0,17


0,39


2,40


ПО 22.15-2


С15








0,42


0,42


0,66


0,66


0,51


0,51


0,17


1,59


ПО 25.15-2


С14








0,61


0,61


0,66


0,66


0,51


0,51


0,17


1,78


ПО 28.15-2


С5








0,68


0,68


0,66


0,66


0,51


0,51


0,17


1,85


ПО 22.20-2


С9




М1


1


0,55


0,55


0,66


0,66


0,51


0,51


0,17


1,72


ПО 25.20-2


С10




М2


2


0,63


0,63


0,66


0,66


0,51


0,51


0,17


1,80


ПО 28.20-2


С11








0,27


0,77


1,04


0,66


0,66


0,51


0,51


1,17


2,21


ПО 22.25-2


С25








0,58


0,58


0,66


0,66


0,51


0,51


1,17


1,75


ПО 25.25-2


С26








0,27


0,67


0,94


0,66


0,66


0,51


0,51


1,17


2,11


ПО 28.25-2


С27








0,30


0,77


1,07


0,66


0,66


0,51


0,51


1,17


2,24


ПО 22.35-2


С34




М1


1


0,74


0,74


0,66


0,66


0,51


0,51


1,17


1,91


ПО 25.35-2


С35


1


М2


2


0,32


0,91


1,23


0,66


0,66


0,51


0,51


1,17


2,40


ПО 28.35-2


С36








0,36


1,02


1,38


0,66


0,66


0,51


0,51


1,17


2,55


ПО 22.45-2


С43








0,33


0,59


0,92


0,66


0,66


0,51


0,51


1,17


2,09


ПО 25.45-2


С44








0,37


0,92


1,29


0,66


0,66


0,51


0,51


1,17


2,46


ПО 28.45-2


С45











0,41



1,60


2,01


0,66


0,66


0,51


0,51


1,17


3,18



Черт.4

Таблица 4

Размеры арматурных сеток С1-С45











  

  

Размеры в мм





Марка

cетки















C1


680


500














C2


980


750














C3


1430


1250


C4


2480


2250














C5


2780


2500














C6


690


500














C7


980


750














C8


1430


1250


C9


2180


2000














C10


2480


2250














C11


2780


2500















C12


1280


1000














C13


1580


1500














C14


1880


1750


170


140




40






C15


2180


2000







100








C16


1280


1000














C17


1580


1500


220


190




90






C18


1880


1750














C19


680


500












2


C20


980


750













20




С21


1280


1000








200








С22


1430


1250



270



240


100



40





2


С23


1580


1500








200








С24


1880


1750














С25


2180


2000












2


С26


2480


2250














С27


2780


2500















C28


680


500











60





C29


980


750














C30


1280


1000






100


40


20




C31


1430


1250



370



340












C32


1580


1500








60


3


C33


1880


1750


















C34


2180


2000














C35


2480


2250














C36


2780


2500









40



20




C37


680


500








200






2


C38


980


750














C39


1280


1000






100


60




C40


1430


1250


470


440








4


C41


1580


1500














C42


1880


1750
















C43


2180


2000








200


40


20


2


C44


2480


2250






100


60


4


C45


2780


2500















Черт.5


Таблица 5


Спецификация и выборка стали на одну арматурную сетку












Марка сетки


Позиция


Эскиз стержня


Диаметр, мм


Длина, мм


Коли- чество


Общая

длина, м


Выборка стали


  




  

  




  

  

  

Диаметр,

мм


Масса,

кг


Масса изделия, кг



C1


1


3ВрI


170


3


0,51


3ВрI


0,17


0,17


  

2


  

3ВрI


680


4


2,72


  

  

  

  

1


  

3ВрI


170


4


0,68


3ВрI


0,09


  

C2


2


4ВрI


980


3


2,94


4BpI


0,27


0,36


  

3


  

3ВрI


980


1


0,98


  

  

  

  

1


  

3ВрI


170


6


1,02


3ВрI


0,13


  

C3


2


5ВрI


1430


3


4,29


5BpI


0,62


0,75


  

3


  

3ВрI


1430


1


1,43


  

  

  

C4


1


3ВрI


170


10


1,70


3ВрI


0,60


0,60


  

2


  

3ВрI


2480


4


9,92


  

  

  

C5


1


3ВрI


170


11


1,87


3ВрI


0,68


0,68


  

2


  

3ВрI


2780


4


11,12


  

  

  

C6


1


3ВрI


220


3


0,66


3ВрI


0,18


0,18


  

2


  

3ВрI


680


4


2,72


  

  

  

  

1


  

3ВрI


220


4


0,88


3ВрI


0,10


  

C7


2


4ВрI


980


3


2,94


4BpI


0,27


0,37


  

3


  

3ВрI



980


1


0,98


  

  

  

  

1


  

3ВрI


220


6


1,32


3ВрI


0,14


  

C8


2


5ВрI


1430


3


4,29


5BpI


0,62


0,76


  

3


  

3ВрI


1430


1


1,43


  

  

  

C9


1


3ВрI


220


9


1,98


3ВрI


0,56


0,56


  

2


  

3ВрI


2180


4


8,72


  

  

  

C10


1


3ВрI


220


10


2,20


3ВрI


0,63


0,63


  

2


  

3ВрI


2480


4


9,92


  

  

  

  

1


  

3ВрI


220


11


2,42


3ВрI


0,27


  

C11


2


4ВрI


2780


3


8,34


4BpI


0,77


1,04


  

3


  

3ВрI


2780


1


2,78


  

  

  

  

1


  

3ВрI


170


5


0,85


3ВрI


0,11


  

C12


2


3ВрI


1280


1


1,28


5BpI


0,37


0,48


  

3


  

5ВрI


1280


2


2,56


  

  

  

C13


1


3ВрI


170


7


1,19


3ВрI


0,31


0,31


  

3


  

3ВрI


1580


3


4,74


  

  

  

C14


1


3ВрI


170


8


1,36


3ВрI


0,36


0,36


  

3


  

3ВрI


1880


3


5,64


  

  

  

C15


1


3ВрI


170


9


1,53


3ВрI


0,42


0,42


  

2


  

3ВрI


2180


3


6,54


  

  

  

  

1


  

3ВрI


220


5


1,10


3ВрI


0,12


  

C16


2


3ВрI


1280


1


1,28


5BpI


0,37


0,49


  

3


  

5ВрI


1280


2


2,56


  

  

  

C17


1


3ВрI


220


7


1,54


3ВрI


0,33


0,33


  

3


  

3ВрI


1580


3


4,74


  

  

  

C18


1


3ВрI


220


8


1,76


3ВрI


0,38


0,38


  

3


  

3ВрI


1880


3


5,64


  

  

  

C19


1


3ВрI


270


3


0,81


3ВрI


0,18


0,18


  

3


  

3ВрI


680


4


2,72


  

  

  

  

1


  

3ВрI


270


4


1,08


3ВрI


0,11


  

C20


2


3ВрI


980


1


0,98


4BpI


0,27


0,38


  

3


  

4ВрI


980


3


2,94


  

  

  

  

1


  

3ВрI


270


5


1,35


3ВрI


0,14


  

C21


2


3ВрI


1280


1


1,28


5BpI


0,37


0,51


  

3


  

5ВрI


1280


2


2,56


  

  

  

  

1


  

3ВрI


270


6


1,62


3ВрI


0,16


  

C22


2


3ВрI


1430


1


1,43


5BpI


0,62


0,78


  

3


  

5ВрI


1430


3


4,29


  

  

  

C23


1


3ВрI


270


7


1,89


3ВрI


0,34


0,34


  

3


  

3ВрI


1580


3


4,74


  

  

  

C24


1


3ВрI


270


8


2,16


3ВрI


0,50


0,50


  

3


  

3ВрI


1880


4


7,52


  

  

  

C25


1


3ВрI


270


9


2,43


3ВрI


0,58


0,58


  

3


  

3ВрI


2180


4


8,72


  

  

  

  

1


  

3ВрI


270


10


2,70


3ВрI


0,27


  

C26


2


3ВрI


2480


1


2,48


4BpI


0,68


0,95


  

3


  

4ВрI


2480


3


7,44


  

  

  

  

1


  

3ВрI


270


11


2,97


3ВрI


0,30


  

C27


2


3ВрI


2780


1


2,78


4BpI


0,77


1,07


  

3


  

4ВрI


2780


3


8,34


  

  

  

C28


1


3ВрI


370


3


1,11


3ВрI


0,20


0,20


  

3


  

3ВрI


680


4


2,72


  

  

  

C29


1


3ВрI


370


4


1,48


3ВрI


0,33


0,33


  

3


  

3ВрI


980


5


4,90


  

  

  

  

1


  

3ВрI


370


5


1,85


3ВрI


0,16


  

C30


2


3ВрI


1280


1


1,28


4BpI


0,47


0,63


  

3


  

4ВрI


1280


4


5,12


  

  

  

  

1


  

3ВрI


370


6


2,22


3ВрI


0,19


  

C31


2


3ВрI


1430


1


1,43


4BpI


0,53


0,72


  

3


  

4ВрI


1430


4


5,72


  

  

  

C32


1


3ВрI


370


7


2,59


3ВрI


0,46


0,46


  

3


  

3ВрI


1580


4


6,32


  

  

  

C33


1


3ВрI


370


8


2,96


3ВрI


0,54


0,54


  

3


  

3ВрI


1880


4


7,52


  

  

  

C34


1


3ВрI


370


9


3,33


3ВрI


0,74


0,74


  

3


  

3ВрI


2180


5


10,90


  

  

  

  

1


  

3ВрI


370


10


3,70


3ВрI


0,32


  

C35


2


3ВрI


2480


1


2,48


4BpI


0,91


1,23


  

3


  

4ВрI


2480


4


9,92


  

  

  

  

1


  

3ВрI


370


11


4,07


3ВрI


0,36


  

C36


2


3ВрI


2780


1


2,78


4Bp1


1,02


1,38


  

3


  

4ВрI


2780


4


11,12


  

  

  

C37


1


3ВрI


470


3


1,41


3ВрI


0,21


0,21


  

3


  

3ВрI


680


4


2,72


  

  

  

C38


1


3ВрI


470


4


1,88


3ВрI


0,35


0,35


  

3


  

3ВрI


980


5


4,90


  

  

  

  

1


  

3ВрI


470


5


2,35


3ВрI


0,19


  

C39


2


3ВрI


1280


1


1,28


4BpI


0,47


0,66


  

3


  

4ВрI


1280


4


5,12


  

  

  

  

1


  

3ВрI


470


6


2,82


3ВрI


0,22


  

C40


2


3ВрI


1430


1


1,43


4BpI


0,53


0,75


  

3


  

4ВрI


1430


4


5,72


  

  

  

C41


1


3ВрI


470


7


3,29


3ВрI


0,58


0,58


  

3


  

3ВрI


1580


5


7,90


  

  

  

C42


1


3ВрI


470


8


3,76


3ВрI


0,68


0,68


  

3


  

3ВрI


1880


5


9,40


  

  

  

  

1


  

3ВрI


470


9


4,23


3ВрI


0,33


  

C43


2


3ВрI


2180


1


2,18


4BpI


0,60


0,93


  

3


  

4ВрI


2180


3


6,54


  

  

  

  

1


  

3ВрI


470


10


4,70


3ВрI


0,37


  

C44


2


3ВрI


2480


1


2,48


4BpI


0,91


1,28


  

3


  

4ВрI


2480


4


9,92


  

  

  

  

1


  

3ВрI


470


11


5,17


3ВрI


0,41


  

C45


2


3ВрI


2780


1


2,78


5BpI


1,60


2,01


  

3


  

5ВрI


2780


4


11,12


  

  

  

Таблица 6

Спецификация и выборка стали на одно закладное изделие











Марка изделия


По-

зи-

ция


Эскиз стержня

(размеры в мм)

Диаметр

или сечение,

мм


Длина, мм


Ко-

ли- чест-

во


Мас-

са, кг


Выборка стали























Диаметр или

сечение, мм


Длина,

м


Масса изделия, кг

 

М1


1


Полоса


-60х6


80


1


0,17


-60х6


0,08



0,39


М2


2


        

8AIII


284


2


0,22


8AIII


0,57





Текст документа сверен по:

официальное издание

Госстрой СССР —

М.: Издательство стандартов, 1986

Предоставлено компанией .