ГОСТ 8894-86 Трубы стеклянные и фасонные части к ним

Автор: | 17.02.2015

ГОСТ 8894-86

Группа И11


ГОСУДАРСТВЕННЫЙ СТАНДАРТ СОЮЗА ССР


ТРУБЫ СТЕКЛЯННЫЕ И ФАСОННЫЕ ЧАСТИ К НИМ

Технические условия

Glass pipes and fittings.

Specifications


ОКП 59 2500                                    

  

   Дата введения 1987-01-01

    

РАЗРАБОТАН  Министерством промышленности строительных материалов СССР, Министерством монтажных и специальных строительных работ СССР

ИСПОЛНИТЕЛИ

Е.В.  Соболев, канд. техн. наук; В.Е. Голубев, канд. техн. наук; М.Л. Кудрякова; В.Г. Моисеев, канд. техн. наук; С.В. Голенков; А.С. Чесноков, канд. техн. наук; И.Н. Соловьева; М.Г. Скакунов, д-р техн. наук; В.И. Каптелов; Р.И. Шарунова; Л.В. Дробинина

ВНЕСЕН  Министерством промышленности строительных материалов СССР

Зам.  министра В.И. Чирков

УТВЕРЖДЕН  И ВВЕДЕН В ДЕЙСТВИЕ Постановлением Государственного комитета СССР по делам строительства от 19 июня 1986 г. № 82

ВЗАМЕН  ГОСТ 8894-77

Настоящий  стандарт распространяется на стеклянные трубы и фасонные части к ним из стекла 13В, предназначенные для напорных, безнапорных и вакуумных трубопроводов, используемых для транспортирования жидких, газообразных и твердых веществ с различными физико-химическими свойствами (за исключением плавиковой кислоты) при температуре от минус 50 до плюс 120°С.

Стеклянные  трубы и фасонные части к ним могут быть использованы в качестве деталей аппаратов при температуре от минус 50 до плюс 250°С.     

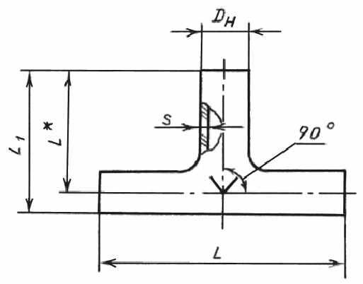
1. Типы и размеры


    1.1. Форма, размеры и отклонения размеров, а также внутреннее гидравлическое рабочее давление труб должны соответствовать указанным на черт.1 и в табл.1.

Черт.1


Таблица 1

Размеры, мм







Условный проход


Наружный диаметр  


Толщина стенки


Внутреннее гидравлическое рабочее давление не менее,

 


Номин.

Пред. откл.

Номин.

Пред. откл.

МПа ()

40


45


-2


4,0


±1,0


0,7 (7)

50


67


-2


5,0


±1,0


0,6 (6)

80


93


-3


6,0


±1,0


0,5 (5)

100


122


-4


7,0


±1,0


0,4 (4)

150


169


-4


9,5


±1,5


0,3 (3)

200


221


-5


11,5


±1,5


0,2 (2)

Трубы  и фасонные части высшей категории качества 100 мм не должны иметь отклонение по наружному диаметру более 3 мм.

     

  Примечание. Требования настоящего стандарта к трубам 200 мм

устанавливаются с 01.01.89.

1.2.  Трубы от 40 до 150 мм должны изготавливаться длиной от 1500 до 3000 мм, а от 200 до 2000 мм с интервалом, кратным 250. Трубы 40 мм для доильных установок могут изготавливаться длиной 2340 мм.

Отклонения  от размеров по длине не должны превышать ±15 мм.

 

    

1.3.  Масса 1 м труб приведена в справочном приложении.

1.4.  Фасонные части должны изготавливаться следующих типов:

отводы  под углом 90, 75, 60, 45, 30, 15°;

отводы  двойные;

отступы;

тройники  равнопроходные;

тройники  переходные;

крестовины;

переходы.

1.5.  Форма, размеры и отклонения от размеров фасонных частей должны соответствовать указанным на черт. 2-13 и в табл. 2-13.

                

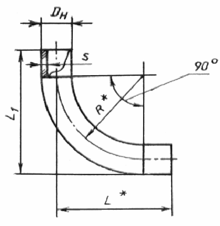
Отводы под углом 90°

Черт.2


Таблица 2

мм











  



  

  



Номин.

Пред. откл.

Номин.

Пред.

откл.

Номин.

Пред. откл.



40


45


-2


4,0


1,0


285


10


260


160


50


67


-2


5,0


1,0


335


10


300


180


80


93


-3


6,0


1,0


365


10


320


180


100


122


-4


7,0


1,5


310


10


250


150


100


122


-4


7,0


1,5


395


10


330


200


150


169


-4


9,5


1,5


420


10


335


150


169


-4


9,5


1,5


535


10


450


300


200


221


-5


11,5


1,5


635*

635


400




  Примечания: 1. Размеры на черт. 2-11 и в табл. 2-11, отмеченные звездочкой,

являются справочными и не контролируются.

     

  2. Отклонения  от  размеров  наружного  диаметра  и толщины стенки фасонных

частей, указанные в табл. 2-13, приведены для прямых участков фасонных частей.

Длина прямых участков не должна быть менее, мм:     








  

80 —


для


фасонных


частей


       

40 мм


  

100 —


"

"

"



50 мм


  

120 —


"

"

"



80 мм


  

130 —


"

"

"



100 мм


  

150 —


"

"

"



150 мм


  

200 —


"

"

"



200 мм


3.  Отклонения от размеров фасонных частей на изогнутых участках, а также в области сварного шва не должны превышать, мм:

по  наружному диаметру:








  

+4; -6 —


для


фасонных


частей


   40 мм;


  

+5; -8 —



"

"

"

   50 мм;

  

+6; -8 —



"

"

"

   80 и 100 мм;

  

+6; -9 —



"

"

"

   150 мм;

  

+7; -11 —



"

"

"

   200 мм.

по толщине стенки:







  

±1,5 —



для


фасонных


частей


  40, 50 и 80 мм;

  

±2,0 —



"

"

"

    100 и 150 мм;

  

±3,0 —


"

"

"

   200 мм.


4. Фасонные части 200 мм изготавливаются из боросиликатного стекла. Требования к ним устанавливаются с 01.01.89.

Отводы под углом 75°

Черт.3


Таблица 3

мм








  











Номин.

Пред.

откл.

Пред. откл.

±1,0


Пред. откл.

±10




40


45


-2


4,0


250


230


140


50


67


-2


5,0


290


265


160


80


93


-3


6,0


320


285


150


Отводы под углом 60°

Черт.4


Таблица 4

мм








  

                  




  

  



Номин.

Пред.

откл.

Пред. откл.

±1,0


Пред. откл.

±10




40


45


-2


4,0


245


230


140


50


67


-2


5,0


265


245


160


80


93


-3


6,0


280


255


150


Отводы под углом 45°

Черт.5


Таблица 5

мм









  





  

  



Номин.

Пред.

откл.

Номин.

Пред.

откл.

Пред. откл.

±10




40


45


-2


4,0


±1,0


190


180


140


50


67


-2


5,0


±1,0


220


205


160


80


93


-3


6,0


±1,0


250


230


150


100


122


-4


7,0


±1,5


275


250


150



Отводы под углом 30°

Черт.6


Таблица 6

мм








  

 




  

  



Номин.

Пред.

откл.

Пред. откл.

±1,0


Пред. откл.

±10




40


45


-2


4,0


185


180


140


50


67


-2


5,0


200


190


160


80


93


-3


6,0


225


210


150


Отводы под углом 15°

Черт.7


Таблица 7

мм










  

 



  

  



Номин.

Пред.

откл.

Номин.

Пред.

откл.

Пред. откл.

±10




40


45


-2


4,0


±1,0


185


180


140


50


67


-2


5,0


±1,0


195


190


160


80


93


-3


6,0


±1,0


195


190


150


100


122


-4


7,0


±1,5


260


250


150


Отводы двойные

Черт.8


Таблица 8

мм












  








  


  



Номин.

Пред.

откл.

Номин.

Пред.

откл.

Пред.

откл.

±10


Пред.

откл.

±10


А*

Номин.

Пред.

откл.



40



45



-2



4,0



±1,0



100



210

215

245



140

180

240



95

135

195



±10

±10

±10



70

90

120



50



67



-2



5,5



±1,5



100


210

235

265


150

200

260


85

135

195


±2

±10

±10


75

100

130



80



93



-3



6,5



±1,5



150


295

305

335


190

210

270


98

105

180


±2

±10

±10


95

105

135



100



122



-4



7,0



±1,5



150


320

325

355


220

230

290


100

110

170


±10

±10

±10


110

115

145


Допускается  по соглашению предприятия-изготовителя с заказчиком изготавливать двойные отводы 50 мм, предназначенные для трубопроводов с рабочим давлением не более 0,2 (2) МПа (), толщиной стенки в изогнутой части не менее 3,0 мм.

           

Отступы

Черт.9


Таблица 9

мм










  

 




  




Номин.

Пред.

откл.

Номин.

Пред.

откл.

Пред. откл.

±10


Пред. откл.

±10



Пред.

откл.

±10



40



45



-2



4,0



±1,0



375



100



80



125


50


67


-2


5,0


±1,0


450


110


110


180


80


93


-3


6,5


±1,5


550


120


140


235


100


122


-4


7,0


±1,5


500


110


160


280



Тройники равнопроходные

Черт.10


Таблица 10

мм











  






  



Номин.

Пред.

откл.

Номин.

Пред.

откл.

Номин.

Пред.

откл.

Номин.

Пред.

откл


*


40



45



-2



4,0



±1,0



300



±10



175



±10



150


50


67


-2


5,0


±1,0


400


±10


235


±10


200


80


93


-3


6,0


±1,0


475


±10


295


±10


250


100


122


-4


7,0


±1,0


500


±10


310


±10


250


150


169


-4


9,5


±1,5


640


±15


470


±15


385


200


221


-5


11,5


±1,5


720*

560*

450


Тройники переходные

Черт.11


Таблица 11

мм















  





s





  





Номин.

Пред.

откл.

Номин.

Пред.

откл.

Но-

мин.

Пред.

откл.

Но-

мин.

Пред.

откл.

Но- мин.

Пред.

откл.

Пред.

откл.

±10


*


50



40



67



-2



45



-2



5,0



 ±1,0



4,0



±1,0



400



 ±10



185



150


80


50


93


-3


67


-2


6,0


 ±1,0


5,0


 ±1,0


475


 ±10


245


200


100


50


122


-4


67


-2


7,0


 ±1,0


5,0


 ±1,0


500


 ±10


260


200


100


80


122


-4


93


-3


7,0


 ±1,0


6,0


 ±1,0


500


 ±10


310


250


150


100


169


-4


122


-4


9,5


 ±1,5


7,0


 ±1,0


650


 ±15


460


375


200


150


221


-5


169


-4


11,5


 ±1,5


9,5


 ±1,5


720*

530*

420


Крестовины

Черт.12


Таблица 12

мм






  







Номин.

Пред. откл.

Пред. откл. ±1,0


Пред. откл. 10


40


45


-2


4,0


300


50


67


-2


5,0


400


80


93


-3


6,0


475


100


122


-4


7,0


500


Переходы

Черт.13


Таблица 13

мм










  

  








Номин.

Пред.

откл.

Номин.

Пред.

откл.

Номин.

Пред.

откл.


50



40



67



-2



45



-2



5,0



±1,0


80


50


93


-3


67


-2


6,0


±1,0


100


50


122


-4


67


-2


7,0


±1,0


100


80


122


-4


93


-3


7,0


±1,0


150


100


169


-4


122


-4


9,5


±1,5


200


150


221


-5


169


-4


11,5


±1,5



Продолжение

мм











  







Номин.

Пред.

откл.

Номин.

Пред.

откл.

Номин.

Пред.

откл.

Номин.

Пред.

откл.


50



4,0



±1,0



300



±10



120



±10



100



±10


80


5,0


±1,0


325


±10


130


±10


120


±10


100


5,0


±1,0


325


±10


130


±10


120


±10


100


5,0


±1,0


325


±1,0


130


±10


130


±10


150


7,0


±1,0


650


±15


370


±15


240


±15


200


9,5


±1,5


600*

250*

200*


1.6.  Условное обозначение труб и фасонных частей должно состоять из наименования изделия, цифр, обозначающих условный проход и длину трубы, и обозначения настоящего стандарта.

Пример  условного обозначения трубы 40 мм и длиной 2500 мм:     

Труба 40х2500 ГОСТ 8894-86

То  же, отвода под углом 90° 50 мм:     

Отвод 90° — 50 ГОСТ 8894-86

То  же, перехода 100 мм на 80 мм:

Переход 100/80 ГОСТ 8894-86


2. Технические требования

2.1.  Трубы и фасонные части к ним должны изготавливаться в соответствии с требованиями настоящего стандарта по технологической документации, утвержденной в установленном порядке.

2.2.  Трубы по всей длине должны быть прямолинейными. Отклонение от прямолинейности образующей наружной поверхности трубы не должно превышать:







  

0,20%

длины —


для


труб


   40 и 50 мм;


  

0,15%

"

"

"

   80 и 100 мм;


  

0,10%

"

"

"

   150 и 200 мм


2.3.  Торцы труб и фасонных частей должны иметь шлифованную поверхность.

2.4.  Плоскость торцов труб и фасонных частей должна быть перпендикулярна образующей наружной поверхности. Отклонение от перпендикулярности плоскости торцов труб и фасонных частей относительно образующей наружной поверхности не должно превышать указанного в табл.14.

Таблица 14

мм







Отклонение от перпендикулярности плоскости торцов для изделий


  

высшей категории качества


первой категории качества



40



0,6



0,7


50


1,2


1,4


80, 100


1,5


1,7


150, 200


2,9


3,0


2.5.  Углы между образующими наружных поверхностей фасонных частей должны соответствовать указанным на черт. 2-7 и 10-12. Отклонение угла между образующими наружных поверхностей фасонных частей не должно превышать ±1°.

2.6.  Оси двойных отводов и отступов должны быть параллельны между собой. Отклонение от параллельности образующих наружных поверхностей двойных отводов и отступов, которое соответствует отклонению от параллельности осей двойных отводов и отступов, на длине 100 мм не должно превышать размеров, указанных в табл.15.

Таблица 15

мм







Отклонение от параллельности образующих наружных поверхностей для изделий


  

  

высшей категории качества


первой категории качества




40, 50



1,5



2,0



80, 100


2,0


2,5



2.7.  Образующие наружных поверхностей фасонных частей должны лежать в одной плоскости. Отклонение образующих наружных поверхностей фасонных частей от горизонтальной плоскости не должно превышать 3 мм.

2.8.  По показателям внешнего вида (порокам) трубы и фасонные части должны соответствовать требованиям, указанным в табл.16.

Таблица 16

мм





  

Норма для изделий


Наименование показателя


высшей категории качества


первой категории качества




Инородные разрушающие включения (частицы огнеупорных или других материалов), вызывающие остаточные внутренние напряжения



Не допускаются


Инородные неразрушающие включения (непроваренные частицы шихты, закристаллизовавшееся стекло)


Не допускаются размером по наибольшему измерению более 2 мм


Посечки


Не допускаются


Рух поверхностный


Не нормируется


Пузыри закрытые, мошка


Не нормируются


Пузыри капиллярные открытые


Не нормируются


Пузыри наборные открытые


Не допускаются


Сколы на торцах для изделий:


Не допускаются длиной (от торца вдоль изделия) более, мм:


   40, 50, 80 и 100 мм


5


10


    150 и 200 мм


13


15


  

шириной более, мм:


   40, 50, 80 и 100 мм


3


5


    150 и 200 мм


8


10


  

глубиной более, мм:


    40 и 50 мм


0,5


   80 и 100 мм


1,0


   150 мм


2,0


   200 мм


2,5


2.9.  Трубы и фасонные части должны быть отожжены. Величина остаточных внутренних напряжений в изделиях не должна превышать 100 нм/см, что соответствует цветам интерференции, приведенным в табл.17.

Таблица 17





 


Цвет интерференции


Норма



40




Пурпурно-фиолетовый, красный, голубой




Допускаются


  

Белый , желтый, желто-зеленый, зеленый, светло-желтый, оранжевый, голубовато-зеленый


Не допускаются


50


Пурпурно-фиолетовый, красный, оранжевый, голубой


Допускаются


  

Белый, желтый, темно-зеленый, зеленый, светло-желтый, голубовато-зеленый


Не допускаются


80 и 100


Пурпурно-фиолетовый, красный, оранжевый, голубой, голубовато-зеленый


Допускаются


  

Белый, желтый, темно-зеленый, зеленый, светло-желтый


Не допускаются


150 и 200


Пурпурно-фиолетовый, красный, оранжевый, голубой, голубовато-зеленый, зеленый


Допускаются


  

Белый, желтый, желто-оранжевый


Не допускаются


В  сварных швах допускаются узкие полоски любого цвета.

2.10.  Трубы и фасонные части при испытании на термостойкость должны выдерживать перепад температур не менее, °С:






  

80 —



для


изделий


   40 мм;

  

75



"

"

   50 мм;

  

70



"

"

   80 мм;

  

65



"

"

   100 мм;

  

50



"

"

   150 мм;

  

40



"

"

   200 мм.

2.11.  Трубы и фасонные части должны выдерживать внутреннее гидравлическое испытательное давление, равное двойному рабочему давлению.

2.12.  Поставку труб и фасонных частей производят по спецификации потребителя.     

3. Правила приемки


3.1.  Трубы и фасонные части должны быть приняты техническим контролем предприятия-изготовителя.     


 3.2. Приемку труб и фасонных частей производят партиями. Партией считают число изделий одного наименования и одинаковых размеров, не превышающее сменной выработки.

3.3.  Для проверки качества труб и фасонных частей от партии отбирают не менее 30% изделий. Все отобранные изделия проверяют по форме, размерам и показателям внешнего вида. При удовлетворительных результатах проверки изделий из их числа отбирают для проверки:

5%,  но не менее 5 шт. труб и 100% фасонных частей на соответствие требованиям п.2.9;

5%,  но не менее 5 шт. изделий каждого наименования на соответствие требованиям п.2.10;

3%,  но не менее 5 шт. изделий каждого наименования на соответствие требованиям п.2.11.

3.4.  Если при проверке изделий окажется св. 5% изделий, не удовлетворяющих требованиям пп. 1.1, 1.2, 1.5, 2.2, 2.4-2.7, 2.8 (по инородным неразрушающим включениям и сколам на торцах), а также в случае неудовлетворительных результатов испытаний хотя бы по одному из показателей, предусмотренных пп. 2.8 (по инородным разрушающим включениям, посечкам, открытым наборным пузырям), 2.9-2.11 настоящего стандарта, производят поштучную приемку изделий.

Если  при проверке изделий, которым в установленном порядке присвоен государственный Знак качества, окажется св. 5% изделий, не удовлетворяющих требованиям пп. 1.1, 1.2, 1.5, 2.2, 2.4-2.7, 2.8 (по инородным неразрушающим включениям и сколам на торцах), а также в случае неудовлетворительных результатов испытаний хотя бы по одному из показателей, предусмотренных пп. 2.8 (по инородным разрушающим включениям, посечкам, открытым наборным пузырям), 2.9-2.11 настоящего стандарта, изделия приемке по высшей категории качества не подлежат.

3.5.  Потребитель имеет право производить контрольную проверку соответствия труб и фасонных частей требованиям настоящего стандарта, соблюдая при этом приведенный порядок отбора образцов и применяя указанные методы испытаний.     

4. Методы испытаний


4.1.  Метод определения линейных размеров и правильности формы

4.1.1.  Метод определения линейных размеров основан на измерении с помощью контактных измерительных инструментов, а метод определения правильности формы — на измерении величины отклонения от заданной формы.

4.1.2.  Инструмент и принадлежности

Рулетка  измерительная металлическая по ГОСТ 7502-80 с ценой деления 1 мм.

Линейка  измерительная металлическая по ГОСТ 427-75 с ценой деления 1 мм.

Линейка  поверочная типа ШП по ГОСТ 8026-75, класс 2.

Угольник  поверочный 90° по ГОСТ 3749-77, класс 2.

Угломер  по ГОСТ 5378-66.

Щупы  по ГОСТ 882-75, № 3.

Штангенциркуль  по ГОСТ 166-80, класс 2.

Плита  контрольная размерами 1000х630 мм с допуском плоскостности не более 0,5 мм.

Линейка  контрольная размерами 3000х150 мм с допуском прямолинейности не более 0,5 мм на 1 м.

Комплект  нестандартизованных средств измерений, поверка которых должна производиться в установленном порядке.

4.1.3.  Проведение испытаний

Испытания  проводят в помещении при температуре (20±10)°С, относительной влажности воздуха (60±20)%, освещенности рабочего места не менее 150 лк.

Длину  труб и фасонных частей измеряют с погрешностью до 1 мм, остальные размеры — с погрешностью до 0,1 мм, угол — с погрешностью до .

Результаты  измерений наружного диаметра, толщины стенок и длины труб и фасонных частей должны находиться в пределах допускаемых отклонений.

    

 

4.1.3.1.  Наружный диаметр труб и фасонных частей контролируют предельными калибрами или измеряют штангенциркулем на обоих концах изделий в двух взаимно перпендикулярных направлениях.     

              

1 -контрольная плита; 2 -изделие; 3 -контрольная линейка;

4 — ползун; 5 — упор

Черт.14

4.1.3.2.  Толщину стенки труб и фасонных частей контролируют предельными калибрами или измеряют штангенциркулем на каждом конце изделия, причем следует производить два измерения по двум взаимно перпендикулярным направлениям. В местах изгиба и сварных швов фасонных частей толщину стенки измеряют толщиномерами.

4.1.3.3.  Длину труб и прямых участков фасонных частей определяют рулеткой или измерительной линейкой одним измерением вдоль образующей.

Длину  двойных отводов и отступов измеряют рулеткой или измерительной линейкой в соответствии с черт.14 с помощью приспособления, снабженного ползуном и упором.

Длину  отводов контролируют измерительным инструментом в соответствии с черт.15.

4.1.3.4.  Отклонение от прямолинейности образующей наружной поверхности труб определяют измерением щупом величины наибольшего зазора между поверхностью трубы и плоскостью контрольной плиты или линейки, на которую уложена труба выпуклой стороной вверх.     

1 -контрольная плита; 2 -изделие; 3 -шаблон; 4 -поле допуска

Черт.15

4.1.3.5.  Отклонение от перпендикулярности плоскости торцов труб и фасонных частей относительно образующей наружной поверхности определяют измерением щупом наибольшего зазора между каждым из торцов изделия и стороной прикладываемого к торцу поверочного угольника.

4.1.3.6.  Отклонение угла между образующими наружных поверхностей фасонных частей определяют угломером или измерительным инструментом.

4.1.3.7.  Отклонение от параллельности образующих наружных поверхностей двойных отводов и отступов определяют в соответствии с черт.16 как разность расстояний (АВ и СD) между двумя поверочными линейками. При этом поверочные линейки должны быть приложены к образующим изделия, уложенного на контрольную плиту.

4.1.3.8.  Отклонение образующих наружных поверхностей фасонных частей от горизонтальной плоскости определяют измерением щупом величины наибольшего зазора между изделием, уложенным на контрольную плиту, и контрольной плитой.

4.2.  Внешний вид труб и фасонных частей проверяют визуально.

4.3.  Определение качества отжига

4.3.1.  Качество отжига труб определяют измерением величины остаточных напряжений с помощью полярископа-поляриметра ПКС-250 или ПКС-125 на образцах шириной 15-25 мм, вырезанных из труб.

4.3.2.  Качество отжига фасонных частей, а также и труб определяют сопоставлением цветов интерференции, наблюдаемых при просмотре фасонных частей или труб в полярископе ПКС-500 или полярископе-поляриметре ПКС-250 или ПКС-125, с допускаемыми цветами интерференции.     

1 -контрольная плита; 2 -изделие; 3 -поверочные линейки

Черт.16

4.4.  Термостойкость труб и фасонных частей определяют по ГОСТ 25535-82, метод А. Изделия не должны иметь трещин и разрушений.

4.5.  Испытание труб и фасонных частей внутренним гидравлическим давлением

4.5.1.  Сущность метода заключается в определении целостности изделия в условиях воздействия внутреннего гидравлического давления.

4.5.2.  Аппаратура и принадлежности

Установка  для испытания изделий. Схема установки указана на черт.17.

Насос  по ГОСТ 15107-79.

Манометр  по ГОСТ 2405-80 с пределом измерений 2 МПа.

4.5.3.  Проведение испытания

Изделие  1 монтируют в заглушки 3, открывают кран 6 и заполняют изделие водой. Затем открывают кран 2 и удаляют воздух из полости изделия. С помощью насоса 5 постепенно, без гидравлических ударов, внутри изделия создают давление, равное двойному рабочему давлению, и выдерживают изделие при этом давлении 2 мин.

При  заданном давлении изделие не должно разрушаться.     

Схема установки для испытания изделий

внутренним гидравлическим давлением

1 — изделие; 2 — кран для выпуска воздуха; 3 — заглушка; 4 — манометр; 5 — насос;

6 — кран для подачи воды

Черт.17


5. Упаковка, маркировка, транспортирование и хранение


5.1.  Концы труб и фасонных частей должны быть обернуты бумагой на длине от конца изделия 100-150 мм или защищены колпачками из полимерного материала. Число слоев бумаги в зависимости от диаметра изделий и толщины бумаги должно быть от двух до шести.  По требованию потребителя бумага может быть приклеена к наружной поверхности изделия.

5.2.  Трубы должны быть упакованы в стоечные поддоны по документации, утвержденной в установленном порядке, или дощатые ящики типа III-2 по ГОСТ 2991-85.

Фасонные  части должны быть упакованы в дощатые ящики типа II-1 по ГОСТ 2991-85 или в специализированные поддоны по документации, утвержденной в установленном порядке.

В  поддон или ящик должны быть уложены трубы одного диаметра и длины, фасонные части — одного наименования и одинаковых размеров.

При  упаковке между рядами изделий и стенками поддона или ящика должен быть проложен слой стружки или любой уплотняющий материал (гофрированный картон, резиновый жгут и др.).

5.3.  В каждый поддон или ящик должен быть вложен ярлык, в котором указывают:

наименование  или товарный знак предприятия-изготовителя;

наименование,  число и условное обозначение изделий;

номер  упаковки и дату изготовления;

обозначение  настоящего стандарта.

5.4.  Правила маркирования тары должны соответствовать ГОСТ 14192-77. Маркировка должна содержать предупредительные знаки, означающие "Осторожно, хрупкое", "Верх, не кантовать" и следующие данные:

наименование  или товарный знак предприятия-изготовителя;

условное  обозначение и число изделий;

обозначение  настоящего стандарта.

5.5.  Предприятие-изготовитель должно сопровождать каждую партию труб и фасонных частей паспортом, в котором указывают:

наименование  организации, в системе которой находится предприятие;

наименование  и адрес предприятия-изготовителя;

наименование,  число и условное обозначение изделий;

результаты  физико-механических испытаний;

дату  изготовления;

обозначение  настоящего стандарта.

5.6.  Вся товаросопроводительная документация для труб и фасонных частей, которым в установленном порядке присвоен государственный Знак качества, должна иметь его изображение.

5.7.  Упакованные трубы и фасонные части транспортируют любым видом транспорта в соответствии с правилами перевозки грузов, действующими на конкретном виде транспорта, утвержденными в установленном порядке.

Стоечные  поддоны транспортируют на открытом железнодорожном подвижном составе или открытом автотранспорте.

Допускается  до 01.01.89 по соглашению предприятия-изготовителя с заказчиком транспортировать трубы в железнодорожных вагонах и автомашинах без упаковки в поддоны или ящики. При этом трубы должны быть уложены горизонтальными рядами в штабели высотой не более 1,5 м и расшиты досками. Между штабелями труб и стенками вагона или автомашины должен быть проложен уплотняющий материал.

5.8.  Трубы и фасонные части должны храниться под навесом. При хранении труб в неупакованном виде они должны быть уложены в горизонтальном положении в штабели высотой не более 1,5 м, при этом нижний ряд труб должен быть закреплен, или в вертикальном положении в ячейки размерами не более 1,5х1,5 м.

Допускается  хранить трубы и фасонные части на открытом воздухе. При этом они должны быть защищены от атмосферных осадков.

Приложение

Справочное





,  мм




Масса 1 м трубы, кг


40


1,2


50


2,4


80


4,0


100


6,2


150


11,8


200


18,7




Текст документа сверен по:

официальное издание

Госстрой СССР —

М.: Издательство стандартов, 1986

Предоставлено компанией .